



呼吸灯应用系统的硬件设计重点是如何使用RCL电路对发光二极管进行驱动。
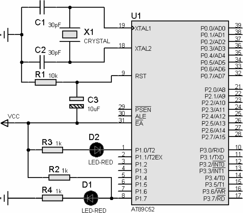
呼吸灯的硬件模块是由51单片机、三极管开关电路、RCL电路和发光二极管构成,如图1.19所示,其各个部分的详细说明如下。
图1.19 呼吸灯的硬件模块
(1)51单片机:是呼吸灯系统的核心控制器。
(2)三极管开关电路:受到51单片机的PWM输出波形驱动,当输出为高电平时,三极管打开,电源给RCL电路充电;当输出为低电平时,三极管截止,电源从RCL电路上断开,RCL电路开始放电。
(3)RCL电路:利用充/放电原理将51单片机输出的数字信号转换为模拟信号后,用于对发光二极管进行控制。
(4)发光二极管:发光器件。
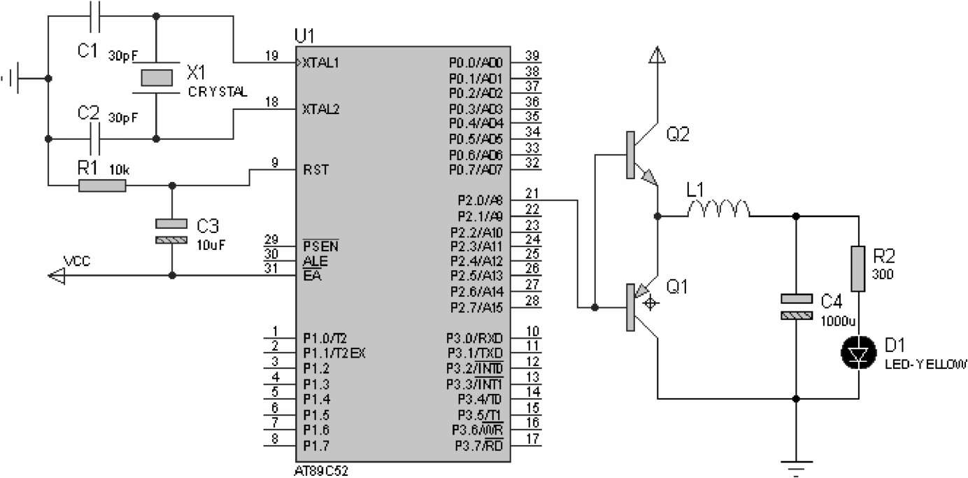
呼吸灯硬件系统的电路如图1.20所示,图中51单片机使用P2.0引脚驱动了一个由PNP和NPN三极管构成的三极管开关电路(Q1和Q2);一个5V的电源通过三极管开关电路给L1、C4和R2构成的RCL电路供电,在R2上串联了一个用于显示的发光二极管D1。
图1.20 呼吸灯硬件系统的电路
呼吸灯硬件系统的电路中涉及的典型器件说明参见表1.3。
表1.3 呼吸灯硬件系统的电路中涉及的典型器件说明
发光二极管(LED)是构成呼吸灯的基础元件,也是最常见的51单片机人机交互通道器件,通常用于指示单片机系统的工作状态,有红、黄、绿等多种不同颜色以及不同的大小(直径),还有高亮等型号,它们主要的差别在于外形大小、发光功率和价格。
发光二极管LED和普通二极管一样,具有单向导电性,当加在发光二极管两端的电压超过1.9V时就会导通,当流过它的电流超过一定电流时(一般2~3ms)则会发光。
51单片机系统中发光二极管的典型应用电路可分为“灌电流”和“拉电流”两种,如图1.21所示。
图1.21 发光二极管的典型应用电路
在图1.21中,P1.0引脚上的发光二极管D2驱动方式称为“灌电流”驱动方式,当P1.0输出高点平时,D2两端无电压差,不发光;当P1.0输出低电平时,D2两端有5V电压差,开始发光。P1.7引脚上的发光二极管D1的驱动方式为“拉电流”驱动方式,当P1.7输出高电平时,D1两端有5V的电压差,开始发光;当P1.7输出低电平时,5V电压差将落在上拉电阻R2上,D1两端无电压差,则不发光。R4和R3都是限流电阻,当电阻值较小时,电流较大,发光二极管亮度较高,当该电阻值较大时,电流较小,发光二极管亮度较低。
在呼吸灯应用系统中,使用两个三极管构成了一个开关电路,用于控制电源对RCL电路的充电。三极管是一种用电流来控制电流的半导体器件,是51单片机系统中最常用的功率驱动器件,其作用是把微弱信号放大成辐值较大的电信号,也常常用作无触点开关(如用作多位数码管的选择控制器件)。
三极管可以按材料分为锗管和硅管,而每一种按照电流结构又有NPN和PNP两种形式,但使用最多的是硅NPN管和锗PNP管两种。
三极管有多种型号,但是都有三个引脚,分别为发射极(emitter/E)、基极(base/B)和集电极(collector/C),如图1.22所示。
可以把三极管看作一个电子开关,其中基极是电子开关的控制端,当基极输出高电平时,三极管导通,在被控物体两端形成电压差;当控制端输出低电平时,三极和关断,被控物体两端的电压差消失。
图1.22 三极管的引脚封装结构
注意: 控制端上的电阻必须选取合适,因为较小的电流将不足以使三极管导通。
电阻、电容和电感是构成RCL电路的基础,同时也是51单片机中最常用的基础元器件。
电阻是用电阻材料制成的,有一定结构形式的,能在电路中起限制电流通过作用的两端电子元件,其中阻值不能改变的称为固定电阻器,而阻值可变的称为电位器或可变电阻器。
电阻可限制通过它所连支路的电流大小,例如,在图1.21中的R2就是用于限制发光二极管上的电流大小。
电阻的主要参数有标称阻值(简称阻值)、额定功率和允许偏差。
电容是用于存储电荷能量的元件,其主要参数是工作电压和电容值的大小。
电感是利用线圈通过电流后,在线圈中形成磁场感应,感应磁场又会产生感应电流来抵制通过线圈中的电流原理制成的器件,其包括自感和互感两种完全不同的效应。
(1)自感是指当线圈中有电流通过时,线圈的周围就会产生磁场,当线圈中电流发生变化时,其周围的磁场也产生相应的变化,此变化的磁场可使线圈自身产生感应电动势(感生电动势)的效应。
(2)互感是指当两个电感线圈相互靠近时,一个电感线圈的磁场变化将影响另一个电感线圈的效应,互感的大小取决于电感线圈的自感与两个电感线圈耦合的程度,利用此原理制成的元件称为互感器。
电感主要参数是电感值的大小。
Proteus软件是英国Labcenter Electronics公司出品的EDA工具软件,它可对51单片机应用系统进行仿真,并且支持和Keil μVision进行联合调试,本章将介绍其基础使用方法,以及和Keil μVision的联合调试方法。
Proteus是一个基于ProSPICE混合模型仿真器的、完整的嵌入式系统软/硬件设计仿真平台,它由ISIS和ARES两大应用功能软件组成,前者是一个原理图输入软件,用于电路原理设计和仿真,后者则用于PCB电路图布线。Proteus可以实现从原理图设计、51单片机编程、51单片机应用系统仿真到应用系统PCB设计的流程化工作,其具体功能模块组成结构如图1.23所示。
图1.23 Proteus的功能模块组成结构
如图1.24所示为一个打开Proteus ISIS的工程文件后的运行界面,其由图纸预览窗口、图纸操作区域、当前项目器件库等窗口,以及标题栏、菜单栏、快捷工具栏、工具箱、仿真工具栏等组成。
Proteus ISIS 的运行界面可以分为图纸操作区域窗口、图纸预览窗口、当前项目器件库窗口三大窗口,每个窗口都有自己独特的作用,其详细说明如下。
(1)图纸操作区域窗口(Editing Window):图纸操作区域用于电路的设计和仿真操作,并且可以显示电路的仿真结果,包括了放置元器件,进行连线,绘制原理图,显示运行和仿真结果等功能,这是Proteus ISIS的主要操作和显示区域,在图1.24的“图纸操作区域”内可以看到一个完整的放大器电路。
图1.24 Proteus ISIS的运行界面视图划分
(2)图纸预览窗口(Overview Window):图纸预览窗口用于显示当前的图纸缩略布局或者正在操作的器件/部件相关情况。
(3)当前项目器件库窗口(Components Window):当前项目器件库窗口用于在当前项目加载的各个器件的相关情况,包括器件名称、引脚分布等。
除了3个常用的窗口,Proteus ISIS还有标题栏、菜单栏、快捷工具栏、工具箱、仿真工具栏等常用的辅助操作部件,其详细说明如下。
(1)标题栏:显示当前Proteus ISIS工程项目的名称,位于图1.24中的最上方部分。
(2)菜单栏:给Proteus ISIS软件用户提供相应的操作菜单,单击任何一个菜单栏后都会弹出子菜单栏。
(3)快捷工具栏:给Proteus ISIS软件用户提供相应的操作快捷按钮,单击后会启动对应的快捷操作,其是菜单栏功能对应的快捷方式。
(4)工具箱:给Proteus ISIS软件用户提供了诸如虚拟仪器、图形绘制等工具的启动操作,单击后则可以进入对应的工具模式,同时图纸预览窗口和当前项目器件库窗口会显示该工具对应的信息,如图1.25所示是虚拟仪器模式下对应的图纸预览窗口和当前项目器件库窗口。
图1.25 工具箱的虚拟仪器功能激活后的对应窗口
(5)仿真工具栏:给Proteus ISIS软件用户提供了启动仿真、暂停仿真等操作的快捷按钮,四个按键从左到右分别对应启动、单步、暂停和停止,如图1.26所示,此外在不同的仿真下图纸信息栏也会显示对应的信息。
图1.26 仿真工具栏按钮和对应的信息
(6)信息栏:用于显示当前项目中的相应信息数,通常标志为绿色,如果有警告和错误该栏会变成黄色或者红色,点击信息栏会弹出详细的信息说明窗口,如图1.27所示即为一个弹出的详细信息说明窗口。
图1.27 Proteus ISIS的信息窗口
(7)图纸信息栏:用于显示当前图纸的相应信息,其会随着项目当前的不同状态显示不同的内容,无论在什么阶段,鼠标左键单击该信息栏会弹出图纸对应的硬件结构示意窗口。
Proteus支持以下文件格式。
(1).DSN:Design Files,这是Proteus ISIS的设计文件。
(2).DBK:Backup Files,这是Proteus ISIS的备份文件。
(3).SEC:Section Files,这是Proteus ISIS的部分电路存盘文件。
(4).MOD:Module Files,这是Proteus ISIS的器件仿真模式文件。
(5).LIB:Library Files,这是Proteus ISIS的器件库文件。
(6).SDF:Netlist Flies,这是Proteus ISIS的网络列表文件。
如图1.28所示为Proteus的菜单栏示意,它有文件、视图、编辑、工具、设计、图形、源设置、调试、库元件、模板、系统设置和帮助12个菜单栏。
图1.28 Proteus的菜单栏
Proteus ISIS的快捷工具可分为菜单栏下方的快捷工具栏和左侧的工具箱两部分(见图1.24),其为用户提供了一个快速操作的通道。
Proteus的快捷工具栏位于菜单栏的下方,主要为用户提供文件(File Toolbar)、视图(View Toolbar)、编辑(Edit ToolBar)和设计(Design ToolBar)相关的快捷方式,关闭或者打开全部或者部分。
Proteus的工具箱位于界面的左侧,提供了一些用于图形设计的命令和一些快捷工具箱的命令。
Proteus ISIS原理图设计的完整流程包括新建设计文档、设置编辑环境、放置元器件等8个步骤,如图1.29所示,其详细说明如下。
(1)新建设计文档。在进入原理图设计之前,首先要构思好原理图,即必须知道所设计的项目需要哪些电路来完成,用何种模板;然后在Proteus ISIS编辑环境中画出电路原理图。
(2)设置工作环境。根据实际电路的复杂程度来设置图纸的大小等。在电路图设计的整个过程中,图纸的大小可以不断地进行调整,设置大小合适的图纸是完成原理图设计的第一步。
(3)放置元器件。首先从添加元器件对话框中选取需要添加的元器件,将其布置到图纸的合适位置,并对元器件的名称、标注进行设定;然后根据元器件之间的走线等联系对元器件在工作平面上的位置进行调整和修改,使得原理图美观、易懂。
(4)原理图布线。根据实际电路的需要,利用Proteus ISIS编辑环境所提供的各种工具、命令进行布线,将工作平面上的元器件用导线连接起来,构成一幅完整的电路原理图。
图1.29 Proteus ISIS原理图的设计流程
(5)建立网络表。在完成上述步骤之后,即可看到一张完整的电路图,但要完成印制电路板的设计,还需要生成一个网络表文件。网络表是印制电路板与电路原理图之间的纽带。
(6)电气规则检查。当完成原理图布线后,利用Proteus ISIS编辑环境所提供的电气规则检查命令对设计进行检查,并根据系统提示的错误检查报告修改原理图。
(7)调整。如果原理图已通过电气规则检查,那么原理图的设计就完成了,但是对于一般电路设计而言,尤其是较大的项目,通常需要对电路进行多次修改才能通过电气规则检查。
(8)存盘和输出报表。Proteus ISIS提供了多种报表输出格式,同时可以对设计好的原理图和报表进行存盘和输出打印。