购买
下载掌阅APP,畅读海量书库
立即打开
畅读海量书库
扫码下载掌阅APP

2.6 其他常用电气图

2.6.1 电器元件布置图

1.什么是电器元件布置图

电器元件布置图是某些电器元件按一定原则的组合,是用来表明电气设备上所有部件、电器的实际位置,是电气控制设备制造、安装和维修所必不可少的技术文件。

2.电器元件布置图的绘制原则是什么

1)电器元件布置图可根据电气设备的复杂程度集中绘制或分别绘制。

2)电器元件布置图一般用双点画线画出设备轮廓,但不需要严格按照比例(在图中往往留有10%以上的备用面积及导线管(槽)的位置,以供改进设计时用)。用粗实线描绘所有可见的或需要表达的电器元件外形轮廓,要求所有电器元件及设备代号必须与电气控制原理图或明细表上代号一致。

3)绘制电器元件布置图时,电动机要和被拖动的机械装置画在一起;行程开关应画在获取信息的地方;操作手柄应画在便于操作的地方。

4)绘制电器元件布置图时,各电器元件之间,上、下、左、右应保持一定的间距,并且应考虑电器元件的发热和散热因素,应便于布线、接线和检修。

图2-20所示为某车床电器元件布置图。图中,FU1~FU4为熔断器、KM为接触器、FR为热继电器、TC为照明变压器、XT为接线端子板。

图2-20 某机床电器元件布置图

3.绘制电器元件布置图要注意哪些事项

1)体积大和较重的电器元件应安装在电器板的下面,而发热元件应安装在电器板的上面。

2)强电弱电分开并注意屏蔽,防止外界干扰。

3)需要经常维护、检修、调整的电器元件安装位置不宜过高或过低。

4)电器元件的布置应考虑整齐、美观、对称。外形尺寸与结构类似的电器安放在一起,以利加工、安装和配线。

5)电器元件布置不宜过密,要留有一定的间距。若采用板前走线槽配线方式,应适当加大各排电器间距,以利布线和维护。

6)在电器布置图设计中,还要根据部件进出线的数量(由部件原理图统计出来)和采用的导线规格,选择进出线方式,并选用适当接线端子板或接插件,按一定顺序标上进出线的接线号。

2.6.2 电气平面图

1.电气平面图有哪些种类

电气平面图是表示各种电气设备与线路平面位置的,是进行建筑电气设备安装的重要依据。电气平面图包括外电总电气平面图和专业电气平面图。

(1)外电总电气平面图

外电总电气平面图是以建筑总平面图为基础,绘出变电所、架空线路、地下电力电缆等的具体位置并注明有关施工方法的图样。在有些外电总电气平面图中还注明了建筑物的面积、电气负荷分类、电气设备容量等。

(2)专业电气平面图

专业电气平面图是有动力电气平面图、照明电气平面图、变电所电气平面图、防雷与接地平面图等。

专业电气平面图是在建筑平面图的基础上绘制的。由于电气平面图缩小的比例较大,因此不能表现电气设备的具体位置,只能反映电气设备之间的相对位置关系。

2.电气平面图的表示方法有哪些

电气设备和线路的平面布置,在图上的表示方法通常有以下两种。

1)完全按实物的形状和位置,用正投影法绘制的图。

2)不考虑实物的形状,只考虑实物的位置,按图形符号的布局对应于实物实际位置的表示方法而绘制的简图。许多电气平面图都是采用的这种绘图方法。

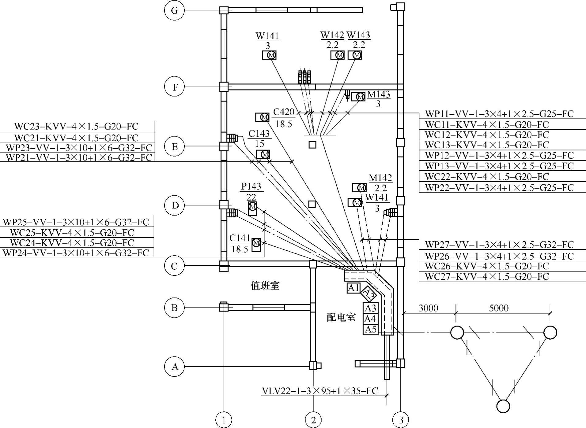
注意,在平面图上标注的内容要与系统图上标注的内容相一致,以便于施工安装时相互对照。图2-21所示为某车间的动力配电平面图。

3.照明电气平面图和实际接线图有何区别

表2-9所示为照明电气平面图和实际接线图对比,可以看出,随着开关控制灯具数量的不同,放线根数有所不同。其中最简单的图1,是用一个开关控制一盏灯。开关为单极情况下,电源进线及开关至灯具间导线根数均为两根。在设计上,导线为两根时一般不标注,只有在三根以上时才用短斜线段表示根数(本例图为说明方便,在两根情况下也注出导线根数)。如表2-9的图6所示,在两地分别由一个开关控制两个灯头时,由实际接线图可以推测出放线根数。两个灯具之间为四根导线,双控开关至每个灯具为三根导线,进线电源仍为两个。在接插座的线路中,插座的相线若由开关盒中引出,切记不能在开关后桩头接出,否则,插座也受开关控制了。

图2-21 某车间的动力配电平面图

表2-9 照明电气平面图和实际接线图对比 eFhhIZLm5o/Rd+MbGvNA2s80AQqLCcZbHXR53rg0LFR3EuKI3DJRY4ZvQyOqsouu

点击中间区域
呼出菜单
上一章
目录
下一章
×