购买
下载掌阅APP,畅读海量书库
立即打开
畅读海量书库
扫码下载掌阅APP

2.4 接线图(表)

2.4.1 接线图(表)的信息容量

1.什么是接线图,什么是接线表

表示电气设备、元器件或装置等项目之间的连接关系,用来进行安装接线、线路检查、线路维修和故障检修的一种简图,称为接线图。

接线图的特点是图中只表示电器元件的安装地点、实际尺寸、位置和配线方式等,但不能直观地表示出电路的原理和电器元件间的控制关系。

如果项目之间的连接关系采用表格的形式表示,一般称为接线表。

接线图和接线表是表示相同内容的两种表示方式,两者功能相同,可以单独使用,也可以组合起来使用。一般以接线图为主,接线表作为接线图的补充说明文件。

2.接线图(表)的信息容量有哪些

在接线图中,可以提供的信息很多,主要包括以下八个方面的信息。

1)各个连接点以及所用导线或电缆的信息。

2)导线和电缆的种类信息。

3)导线号、电缆号或项目代号。

4)连接点的标记或表示方法。

5)导线的敷设、走向、端头处理、捆扎、绞合、屏蔽等说明或方法。

6)导线或电缆长度。

7)信号代号或信号的技术数据。

8)需补充说明的其他信息。

2.4.2 接线图(表)的种类

1.什么是单元接线图

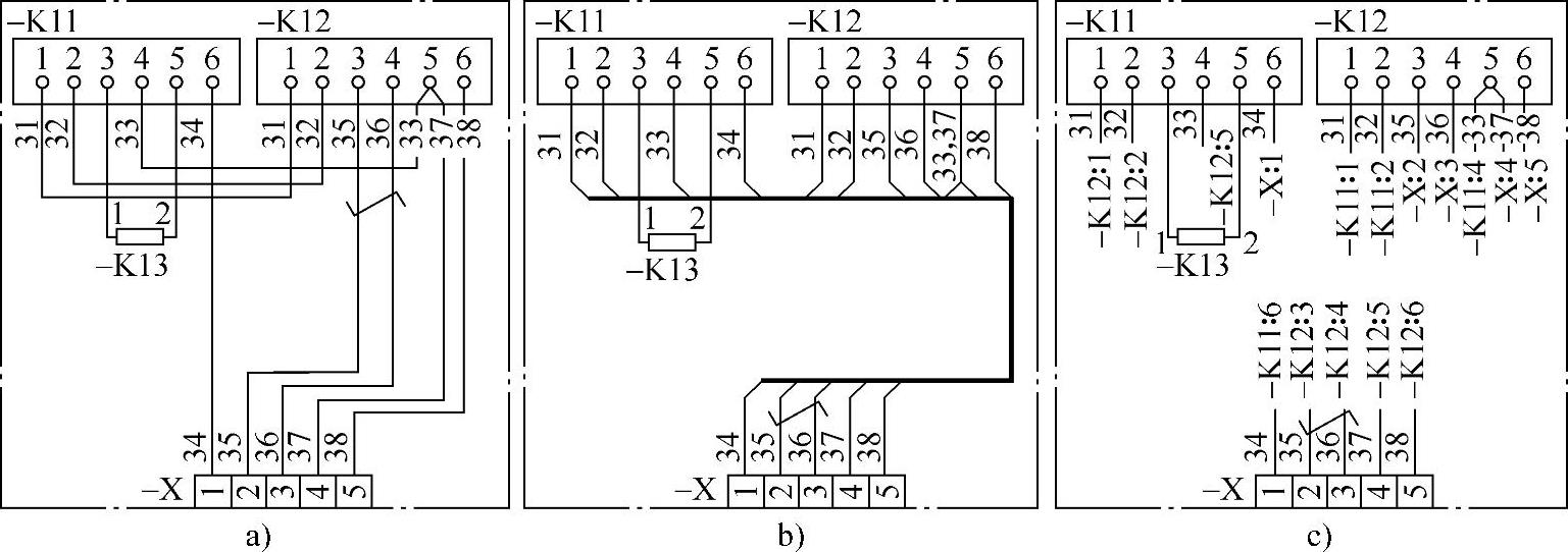
单元接线图是表示成套设备或设备中一个结构单元内部各元器件间连接关系的图。这里的结构单元是指可以独立运行的组件或某种组合体,如电动机、继电器、接触器等。单元接线图通常不包括单元之间的外部连接,但可给出与之有关的互连接线图的图号。

在单元接线图中,导线采用编号进行标注,如图2-10所示。其中,图2-10a为连续线段的表示方法,图2-10b为导线束的表示方法,图2-10c为中断线的表示方法。

图2-10 单元接线图示例

2.什么是单元接线表

单元内部的连接关系也可用单元接线表来表示。表2-7就是根据图2-10所示的单元接线图列出的单元接线表,它是按照连接线号顺序排列的。该表共有十根连接线。其中—K11和—K13之间的两根连接线很短,没有编号,其余的八根连接线采用独立标记法进行编号,按顺序编为31~38。项目—K12的第五个端子同时连接线号为“33”和“37”的连接线。线号为33的连接线的“参考”栏内标有数字“37”,其含义为可参考线号为37的连接线。由线号为33和37的两根连接线所连接的端子,是一个共同的接线端子,即—K12的第五号端子。

表2-7 单元接线表

接线表的“附注”栏主要表示连接线的其他信息,如“短接线”、“绞合线”、“屏蔽”、“屏蔽接地”等其他信息。

3.什么是互连接线图(表)

互连接线图(表)是表示成套装置或设备内两个或两个以上单元之间的连接关系的图(表),它一般不包括各单元内部的连接关系。各单元用点画线围框表示。单元之间的连接线既可用连续线表示,也可用中断线表示,如图2-11所示。

图2-11 互连接线图

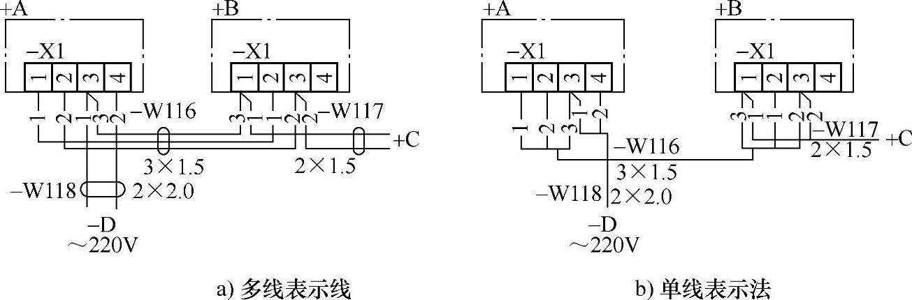
4.什么是端子接线图(表)

端子接线图(表)是用于表示成套装置或设备的端子及其与外部导线的连接关系的图(表),通常不包括单元或设备的内部连接,但可提供与它相关的图样编号。端子接线表可以和接线图组合起来绘制在一起,如图2-12所示,图中的端子接线板为X。端子接线也可单独用端子接线表绘制,见表2-8。

图2-12 端子接线表和接线图组合起来绘制

表2-8 以端子为主的端子接线表举例

2.4.3 正确运用电气接线图

1.绘制电气接线图应遵循的原则有哪些

1)必须遵循相关国家标准绘制电气安装接线图。各电器元件的位置、文字符号必须和电气原理图中的标注一致。

2)各电器元件均按其在安装底板中的实际位置绘出。元器件所占图面按实际尺寸以统一比例绘制。

3)一个元器件的所有部件绘在一起,并用点画线框起来,有时将多个电器元件用点画线框起来,表示它们是安装在同一安装底板上的。

4)不在同一安装板或电气柜上的电器元件或信号的电气连接一般应通过端子排连接,并按照电气原理图中的接线编号连接。安装底板上有几条接至外电路的引线,端子板上就应绘出几个线的接点。

5)走向相同、功能相同的多根导线可用单线或线束表示。画连接线时,应标明导线的规格、型号、颜色、根数和穿线管的尺寸。

2.如何识读安装接线图

1)识读安装接线图要对照电气原理图,按照先一次回路,再二次回路的顺序识读。

2)识读安装接线图要结合电气原理图详细了解其端子标志意义、回路符号。

3)对一次电路要从电源端顺次识读,了解线路连接和走向,直至用电设备端。

4)对二次回路要从电源一端识读直至电源另一端。

5)接线图中所有相同线号的导线,原则上都可以连接在一起。

3.如何正确使用接线图

1)接线图通常用来指导电气安装、接线、查线等工作。

2)在实际工作中,接线图要与电气原理图结合起来使用。因为接线图是以电路原理为依据绘制而成的,是现场维修中不可缺少的重要资料。接线图中各元器件图形、位置及相互间连接关系与元器件的实际形状、实际安装位置及实际连接关系相一致。

3)接线图通常还要与电气平面位置图结合起来使用。否则,仅仅依据接线图或者接线表,要分析电路工作原理、处理和排除故障,这对初学者来说是比较困难的。

4)接线图有时还要与接线表结合起来使用,如图2-13所示。

图2-13 接线图与接线表配合使用

图2-13 续

记忆口诀

接线图与接线表,依据原理来绘制。

信息容量很全面,其他图样看仔细。

安装接线不复杂,保养维修有头绪。 362gu0VqyBbfvHZ5dw+SiltAdekFq6116IFn63KMPdeYwY7Ndn4oZAKI86X3XwPN

点击中间区域
呼出菜单
上一章
目录
下一章
×