



1.电路图有何基本特征
电路图也称为电气原理图或原理图,它是采用图形符号和文字符号并按照工作顺序(从上到下、从左到右)排列,表示电路、设备或装置的全部基本组成和连接关系,而不表明电气设备和电器元件的实际安装位置和接线方式的一种简图。
电路图可单独绘制,也可与接线图、功能图(表)等组合绘制。
2.电路图有何作用
1)电路图主要用于详细表示电路、设备或成套装置及其组成部分的工作原理,并为测试和寻找故障提供信息。
2)电路图可作为分析和计算电路特性并为编制接线图提供依据。
3)电路图看起来比较直观,读图时对整个电路的构成容易形成一个清晰的整体印象。
在电路图中,至少应包含表示电器元件或功能元件的图形符号、元器件或功能元件之间的连接线、项目代号和端子代号、信号电平约定、位置标记以及了解功能元件必需的补充信息等内容。为了能够清楚表述上述内容,电路图的基本表达形式有集中式、半集中式和分开式等三种表示法。
1.什么是集中式表示法
所谓集中式表示法,是指将一个元器件各个组成部分的图形符号绘制在一起的一种表示法。
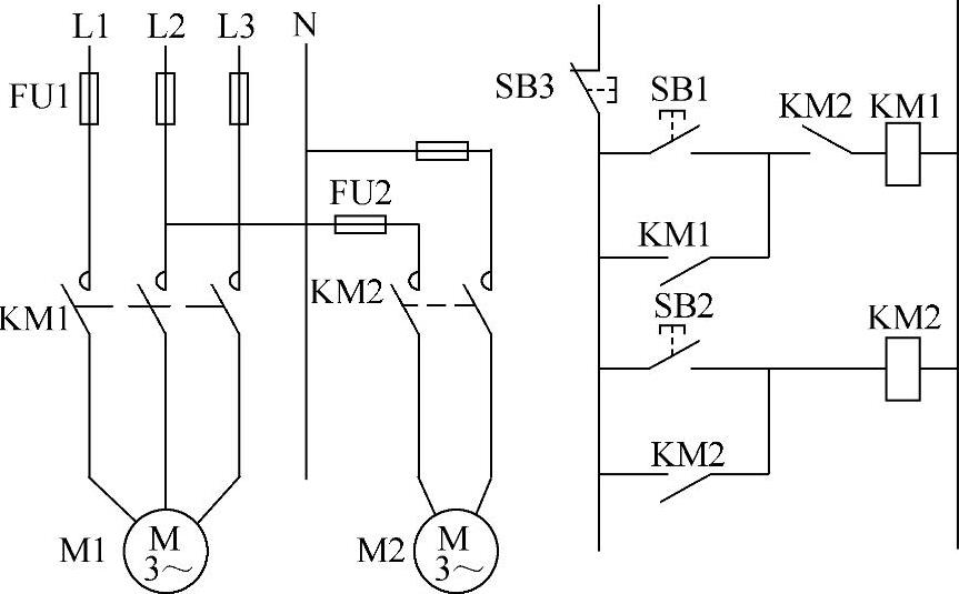
图2-4所示为两台电动机互锁电路原理图,采用的集中式表示法,主要用于说明电动机M1和电动机M2供电、控制及互相联锁的电路构成和工作原理。
该电路按照供电电源和功能划分为两部分:主电路按电流流向绘制,表示电能经过熔断器FU1和FU2,以及接触器KM1和KM2至电动机M1和M2的供电关系;辅助电路按动作顺序,即功能关系绘制。
主电路采用垂直布置,辅助电路采用水平布置。这种布局方法主要是为了说明装置的工作原理,而与元器件的实际位置无关。各元器件均用图形符号表示,与它们的外形结构无关。
图中详细表示了各元器件及有关的技术参数(图中另外用附表给出),还表示了各元器件的连接关系,但是它不能代替接线图。
图2-4 集中式表示法电路图示例
2.什么是半集中式表示法
所谓半集中式表示法,是指将一个元器件各组成部分的图形符号在图上分开布置,其间的关系用机械连接线的表示方法,目的是为了简化电路,从而得到一个清晰的电路布局。
半集中式表示法适用于内部具有机械联系的元器件。机械连接线可以是直线,也可以是折弯、分支和交叉,如图2-5所示。
3.什么是分开式表示法
所谓分开式表示法,就是把一个项目中某些部分的图形符号,在简图上分开布置,并仅用项目代号表示它们之间关系的方法。
分开式表示法与采用集中式表示法或半集中式表示法的图给出的信息量要等量。
分开式表示法表示的元器件的各组成部分之间在功能上也是相关的,元器件图形符号的各部分分散在简图中,有功能联系的各部分之间用项目代号加以标记,如图2-6所示。
图2-5 半集中式表示法电路图示例
图2-6 分开式表示法的电路图示例
1.如何绘制电路图
1)控制系统内的全部电器元件,应全部按照国家标准规定的图形符号和文字符号进行绘制和标注。
2)电路图一般按主电路和控制电路(辅助电路)两部分画出。主电路画在图的左边或上边,用粗实线表示;控制电路(辅助电路)画在图的右边或下边,用细实线表示,电路图中的线条要粗、细分明,图面要整洁。
3)整个电路与电网断开,各元器件都按没有通电或不受外力作用时的正常状态画出。
4)在电路图中,一般按动作顺序从上到下、从左到右依次排开各个元器件。有直接电联系的导线交叉连接点(十字形连接点)用小黑圆点表示,如图2-7所示。对交叉而是不连接的两条连接线,在交叉处不能加实心小圆点,并应避免在交叉处改变方向,也应避免穿过其他连接线的连接点。
图2-7 导线交叉连接点用小黑圆点表示
为了作图美观,应事先规划好各种元器件符号的位置,让各符号在整幅图中布置均匀。
5)属于同一元器件的不同部件,按其在电路中的作用而在不同的电路部位上标以相同的文字符号并用数字加以区别。元器件的文字符号标注的数字,应该根据它们在图中的排列位置,自上而下、从左到右进行编号。
2.如何画电路图中的电源
在电路图中,电源主要有以下六种表示方法。
1)用“+”、“-”“L”、“N”等符号表示。
2)用线条表示,如图2-8a所示。
3)同时用线条和符号表示,如图2-8b所示。
图2-8 电路图中电源的表示法
4)所有的电源线可集中绘制在电路的上部或下部,多相电源按相序从上至下或从左至右排列,中性线绘制在相线的下方或右方。
5)连接到方框符号的电源线一般与信号流向成直角绘制,如图2-8c所示。
6)对于公用的供电线(例如电源线等),可用电源的电压值来表示,如图2-8d所示。
3.如何画电路图中的触点
电路图中的触点具有接通和断开电路的功能,尤其是有触点的电气系统,如继电器-接触器控制系统、配电操作系统等。
触点有两种:动合触点(常开触点)和动断触点(常闭触点)。
在电路图中,触点是按照未动作时的状态(又称为常态)来绘制的。
表2-6给出国家标准GB/T 4278.7-2008《电气简图用图形符号第7部分:开关、控制和保护器件》中部分常用触点的国家标准图形符号,供大家绘制电路图时选用。
表2-6 部分常用触点的国家标准图形符号
(续)
在绘图时,有些触点的符号可以旋转45°的倍数角后使用,如动合触点旋转90°后可得到的符号为“
”。有时受到实际图幅的限制,为确保绘制的电路图不出现拥挤现象,表示延时的限定符号画在一般符号的左边,也可画在一般符号的右边,如图2-9所示。
图2-9 时间继电器触点的变形画法
记忆口诀
练习绘制电路图,规则清楚符号明。
主路居左辅路右,触点常态不说明。
按照动作的顺序,上下左右原理明。
图线连着元器件,符号编号来标明。