



1.项目代号有何作用
项目代号是用来识别简图、表图、表格和设备中的项目种类,并提供项目的层次关系、种类、实际位置等信息的一种特定代码,是电气技术领域中极为重要的代号。项目代号是以一个系统、成套装置或设备的依次分解为基础来编定的,它建立了图形符号与实物间一一对应的关系,因此可以用来识别、查找各种图形符号所表示的电器元件、装置和设备,以及它们的隶属关系、安装位置。
在系统中,每个项目的代号必须是唯一的,以免造成混乱或混淆。
2.项目代号由哪四个代号段组成
项目代号由高层代号、位置代号、种类代号、端子代号根据不同场合的需要组合而成,它们分别用不同的前缀符号来识别。完整的项目代号包括四个相关信息的代号段,每个代号段都用特定的前缀符号加以区别。
完整项目代号的组成见表1-6。
表1-6 完整项目代号的组成
在项目代号分配之前,首先要将项目按其所属关系划分为各个层次,建立项目代号的结构系统,习惯上称为系统的项目结构“树”。树状结构的构建过程,就是项目的划分过程。划分过程的步数是任意的,但为使用方便,一般可按照功能原则划分结构或者按照位置原则划分结构,在不违反划分原则的条件下,步数应最少。
1.如何按功能原则划分项目结构
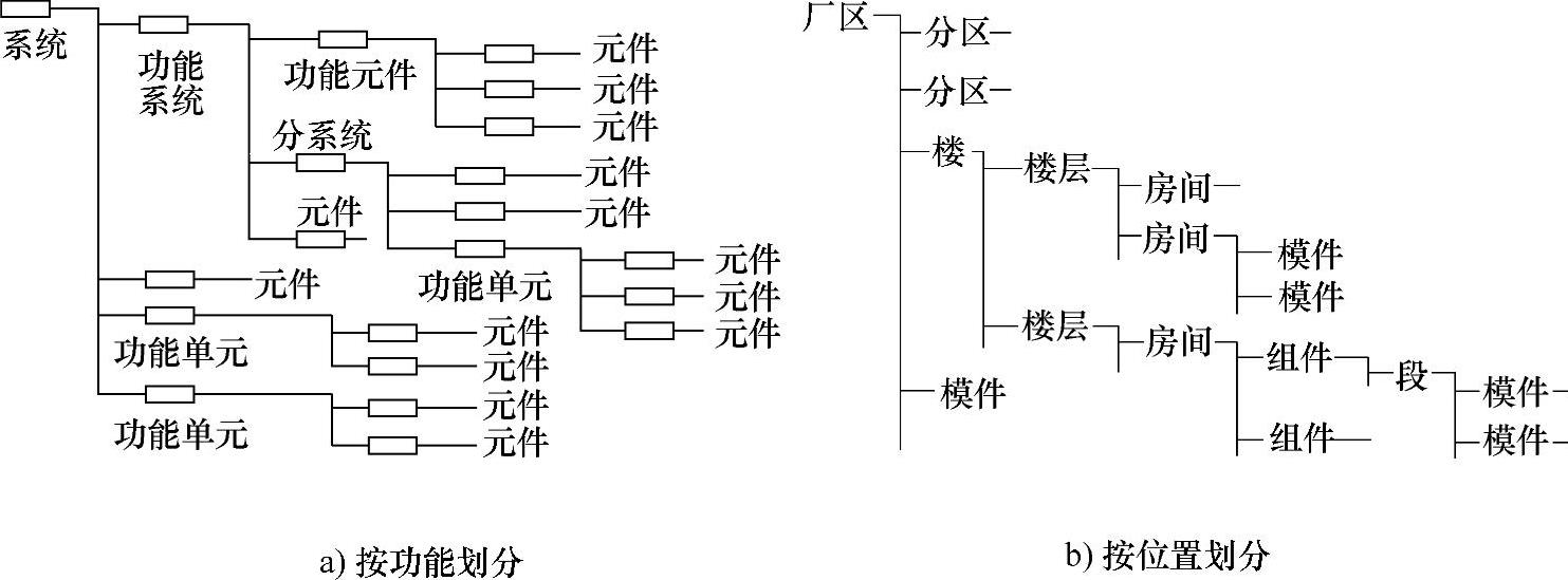
按项目之间的功能关系划分项目结构,一个系统可以划分为功能系统、功能分系统、功能单元、器件、元件等,如图1-19a所示。对于软件项目(如计算机程序、程序模块、程序单元)应按硬件项目同样方法处理。软件项目一般按功能原则划分结构。
2.如何按位置原则划分项目结构
按位置原则划分项目结构,就是按项目之间的位置关系划分项目。例如一个厂的系统可划分为厂区、分区、楼号、层号、房间、组合件、组件段和模块等,如图1-19b所示。
图1-19 项目代号的划分
3.如何正确使用项目代号
1)在电气图中作标注时,有时并不需要将项目代号中的四个代号段全部标注出来。通常可针对项目,按分层说明、适当组合、符合规范、就近标注、有利看图的原则,有目的地进行选注。
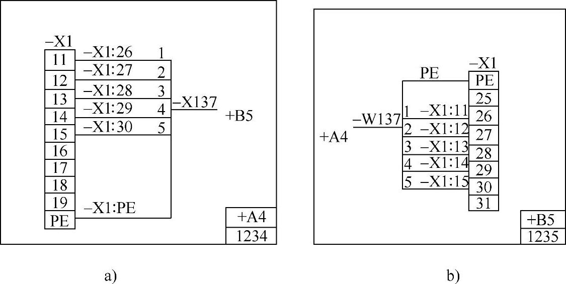
一个项目代号可以由一个代号段组成,也可以由几个代号段组成。通常,种类代号可以单独表示一个项目,而其余大多应与种类代号组合起来,才能较完整地表示一个项目。例如,图1-20a中各端子代号为“-X1∶26”、“-X1∶27”…,电缆-W137的相应芯线接到远端+B5-X1的端子26~30及PE上,如图1-20b所示。
图1-20 端子代号标注举例
2)为了能够很方便地根据电气图对电路进行安装、检修、分析与查找故障,在电气图上要标注项目代号。但根据使用场合及详略要求的不同,在一张图上的某一项目不一定都有四个代号段。比如,不需要知道设备的实际安装位置时,可以省掉位置代号;当图中所有高层项目相同时,可以省掉高层代号而只需另外加以说明即可。
3)在集中表示法和半集中表示法的图中,项目代号只在图形符号旁标注一次,并用机械连接线连接起来。在分开表示法的图中,项目代号应在项目每一部分旁都标注出来。
4)在不会引起误解的前提下,项目代号采用单一代号段标注时,端子代号的前缀“:”规定不标出来。其他代号段单独作为项目代号标注时,其前缀既可标出来,也可省略不标。
5)在大部分电路图中,项目代号一般都在项目的图形符号或图框边就近标注,但接线图中要注意尽量避免标注在有端子的连接线或引线的一边,以避免读图时误将种类代号段与端子代号组合。如果没有端子的连接线或引线的限制,则项目代号通常标注在所表示的项目的上方或左边。在一些高层次的电气图中,种类代号可与高层代号组合,或再组合进位置代号(包括设计后期添加的),标注在项目的图形符号或单元的图框旁。
记忆口诀
复杂项目分层次,唯一代号结构树。
结构划分两方法,功能位置一步步。
四个号段表项目,方便识图就近注。
代号实物相对应,安装维修受帮助。