



在机床控制电路中,经常要求电动机有顺序地起动,如某些机床主轴必须在油泵工作后才能工作;龙门刨床工作台移动时,导轨内必须有充足的润滑油;铣床的主轴旋转后,工作台方可移动等,都要求电动机有顺序地起动。
常用的顺序控制电路有两种,一种是主电路的顺序控制,一种是控制电路的顺序控制。
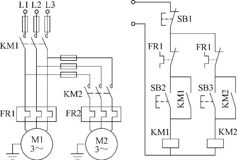
主电路顺序起动控制电路如图2-30所示。
只有当KM1闭合,电动机M1起动运转后,KM2才能使M2得电起动,满足电动机M1、M2顺序起动的要求。
控制电路来实现电动机顺序起动控制又分为手动顺序和自动延时顺序控制。
图2-31a所示为两台电动机手动顺序起动控制电路。
接触器KM1控制油泵电动机的起、停,保护油泵电动机的热继电器是FR1。KM2及FR2控制主轴电动机的起动、停车与过载保护。由图可知,只有KM1得电,油泵电动机起动后,KM2接触器才有可能得电,使主轴电动机起动。停车时,主轴电动机可单独停止(按下SB3),但若油泵电动机停车时,则主轴电动机立即停车。
图2-30 主电路顺序起动控制电路
图2-31 两台电动机手动顺序起动电路
图2-31b所示为两台电动机顺序延时起动控制电路。
其工作原理是:按下SB2后,KM1得电自保,电动机M1起动,同时,时间继电器KT得电,到达KT的整定时间后,KT的常开触头闭合,KM2得电自保,同时KM2的常闭触头断开,使时间继电器KT复位。按SB3电动机M2停车,按SB1则电动机M1、M2同时停车。图2-31中利用接触器KM1的动合触头实现顺序控制。