



随着大规模风电场的建设,风力发电系统对电网电能质量与稳定性的影响也越来越严重,同时由于风电的随机性和不确定性,如何确定风电系统的穿透功率及接入电网的风电系统的最大容量,成为风电大规模利用必须解决的问题。因此,通过建立风力发电系统数学模型,利用数值方法对风力发电机组、风电场并网运行进行模拟和分析,是目前大规模风能利用中的重要科学问题。
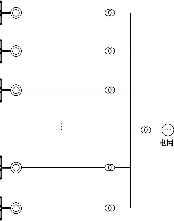
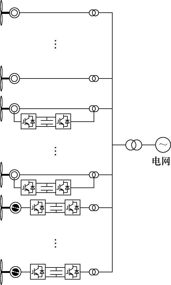
图2-20 多个DFIG级联构成的 大型风电场示意图
以变速恒频双馈异步风力发电机的数学建模为例。DFIG的定子侧直接与电网连接,转子由两个“背靠背”连接的电压型PWM变流器转子侧变流器(Rotor-side converter)和网侧变流器(Grid-side converter),总称为双PWM变流器(Dual PWM converter)进行励磁,转子侧变流器向转子绕组馈入所需的励磁电流,完成定子磁链定向矢量控制任务,实现最大风能捕获和定子输出无功的调节。转子侧变流器向转子绕组馈入所需的励磁电流,完成双馈电机矢量控制任务,实现最大风能捕获和定子无功功率的调节。网侧变流器控制着直流母线电压的稳定。多个DFIG风力发电系统通过级联方式便可构成如图2-20所示的大型风电场。
图2-21所示为由三个DFIG背靠背变流器组成的独立的风力发电系统通过级联方式可建立的相应的MATLAB仿真模型,可分别针对转子侧变流器、网侧变流器、DFIG以及风力发电机进行数学建模。
图2-21 大型风电场仿真模型结构图
逆变器三相输出电压应满足
逆变器直流侧电流 i inv 作为网侧变流器直流侧的负载电流,且满足
式中, S k 、 i k 分别为转子侧逆变器三相桥臂开关函数和三相负载电流。在本章中,双馈电机的转子作为逆变器的负载,因此 i k 即为双馈电机转子三相电流。
依据式(2-5)和式(2-6)可得图2-22所示转子侧变流器的仿真模型,即典型三相电压源型逆变器模型。 V dc 为直流母线电压,Sa、Sb、Sc是三相桥臂开关函数。
图2-22 转子侧变流器仿真模型
对于三相电压源型变流器,存在下述关系,即
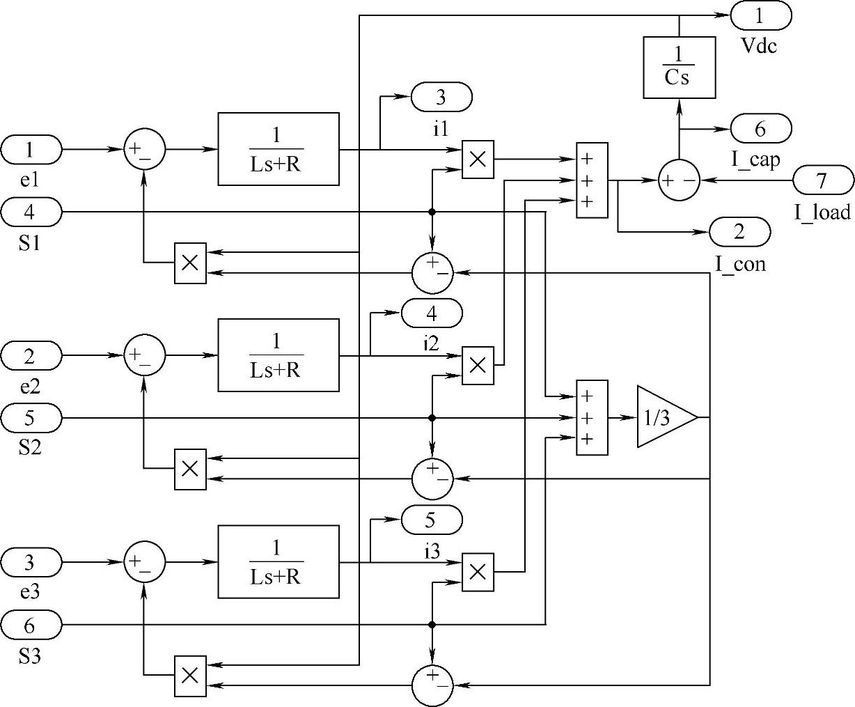
依据式(2-7)和式(2-8)可得图2-23所示网侧变流器的仿真模型。图中,e1、e2、e3和i1、i2、i3分别是交流输入侧三相电压和电流,S1、S2、S3是三相桥臂开关函数,L、R为进线电感和等效电阻,C为直流侧滤波电容, V dc 为输出直流电压,I—con、I—cap、I—load分别为直流侧变流器电流、电容电流和负载电流。
图2-23 网侧变流器仿真模型
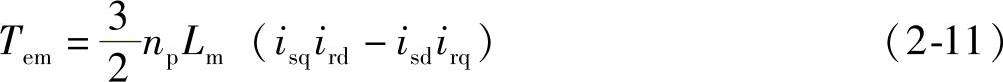
在dq坐标系中,双馈电机电压方程为
磁链方程为
电磁转矩方程为
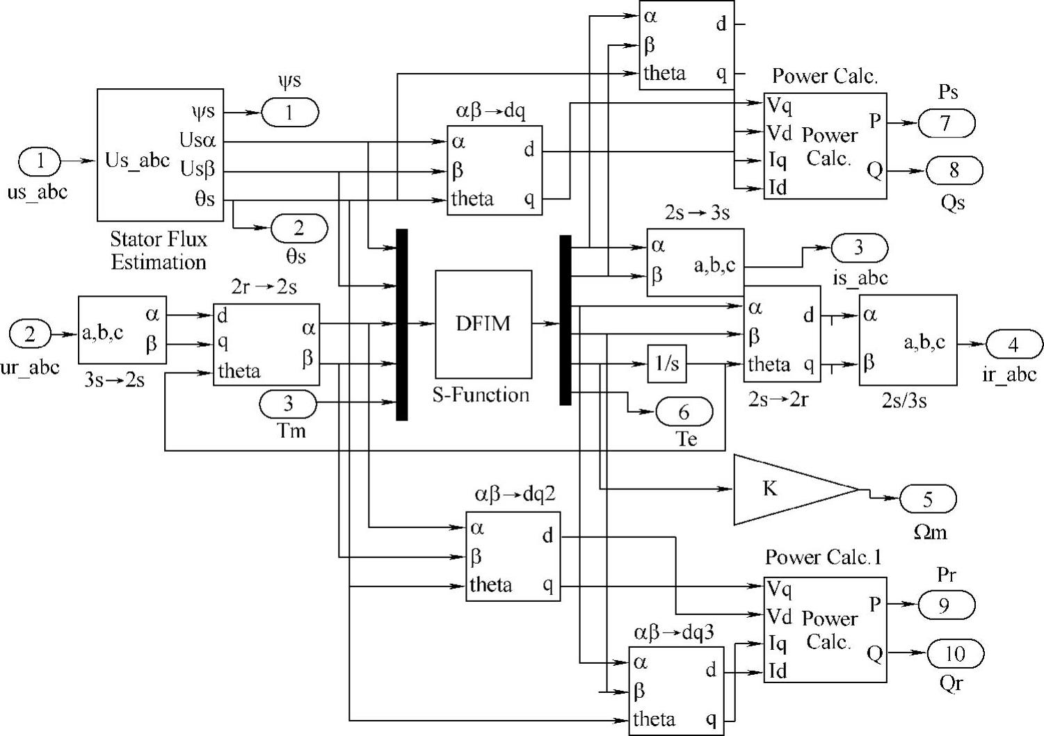
依据式(2-9)~式(2-11),可以编制双馈电机的MATLAB S-函数数学模型如图2-24所示。鉴于篇幅原因,省去了S-函数的源代码。
图2-24 DFIG仿真模型
根据贝兹(Betz)理论,风力发电机单位时间内捕获的风能为 P t =0.5 C p ρAv 3 (2-12)式中, ρ 为空气密度; A 为风轮的扫掠面积; v 为风速; C p 为风力机的风能利用系数,它是叶尖速比 λ 和叶片节距角 α 的函数。叶尖速比为
式中, ω t 为风轮旋转机械角速度; R 为风轮叶片半径。
因此,当节距角和风速一定时,风力发电机只有运行在对应于最佳 λ 的转速下才能捕获到最大的风能。风力发电机与发电机轴之间通过增速比为1∶ N 的变速齿轮箱相互连接,通过控制双馈异步发电机的转速即可以实现最大风能的捕获。
由于MATLAB中没有风力发电机模型,因此依据式(2-12)和式(2-13)采用Simulink基本模块搭建了如图2-25所示风力发电机的仿真模型。
图2-25 风力发电机仿真模型
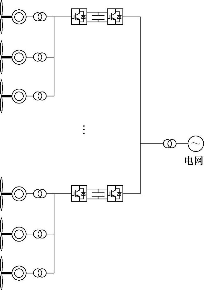
变速恒频双馈异步风力发电机构成的风电场,只是多种风电场类型中的一种。图2-26和图2-27所示是其他类型风电场的拓扑结构。其仿真方法与变速恒频永磁风力发电机构成风电场的仿真方法类似。
图2-26失速型群控风力发电机构成的风电场
图2-27 失速型风力发电机构成的风电场
图2-26所示风电场为失速型风力发电机组每三个一组,各自通过升压变压器升压后连接在一起,然后经过PWM整流逆变后再接入更高电压等级,其余机组也按相同规则,接入更高电压等级,然后通过升压变压器接入大电网。以50MW风电场为例,可以采用典型750kW失速机组,每三台构成一组,共23组这样的风电簇构成,这种接法需要大功率的背靠背变流器,以提供稳定的电能。图2-27所示风电场则直接由失速型风力发电机组构成,没有背靠背PWM变流环节,接线较为简单,但控制与失速型机组的普通控制一致,不够灵活,提供的电能质量较差。不过它的突出优点在于接线简单,灵活方便,当今失速型风电场多采用这种接线方式。
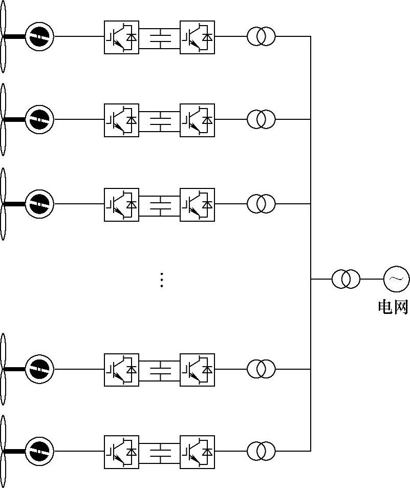
图2-28所示风电场是由永磁直驱型风力发电机组构成,每台机组配备有PWM背靠背全功率变流器,然后通过升压变压器后直接连接在一起,再通过更高电压等级的升压变压器接入电网,这种接线方式灵活、简洁,是当今风电场的主流方式。只是在实际中,会依据风电场升压变的容量以及具体地理位置会将某几台机组接入某个馈线,分组接入。图2-29所示风电场为直驱型、双馈型以及失速型机组混合构成,这种结构也是实际中经常见到的接线方式。很多风场是分批建设的,所以会出现不同类型、不同厂家机组共存的现象,因此针对这种复杂工况,对实际风电场进行多种类型风电机组仿真建模是十分必要的。
图2-28 变速恒频永磁风力发电机构成的风电场
图2-29 多类型风力发电机构成的风电场