



(1)一个开关控制一盏灯的表示法,如图1-3所示。
图1-3 一个开关控制一盏灯
(2)一个开关控制多盏灯的表示法,如图1-4所示。
图1-4 一个开关控制多盏灯
(1)多个开关控制多盏灯的方式。多个开关控制多盏灯的方式如图1-5所示,从原理图中可以看出从开关发出的导线数为灯数加1,以后逐级减少,最末端的灯剩2根导线。
图1-5 多个开关控制多盏灯的方式
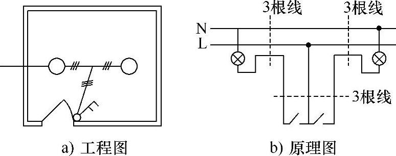
多个开关控制多盏灯的方式,一般零线可以公用,但开关则需要分开控制,进线用一根相线(俗称火线)分开后,则有几个开关再加几根线,因此开关回路是开关数加1。图1-6所示为多个开关控制多盏灯的工程实例,图中虚线为描述的导线根数。
图1-6 多个开关控制多盏灯的工程实例
(2)两个双控开关控制一盏灯。电路中要使用双控开关,开关应接在相线上,当开关同时接在上或下的位置即接通电路,只要开关位置不同则电路断开。两个双控开关控制一盏灯的表示法,如图1-7所示。
图1-7 两个双控开关控制一盏灯
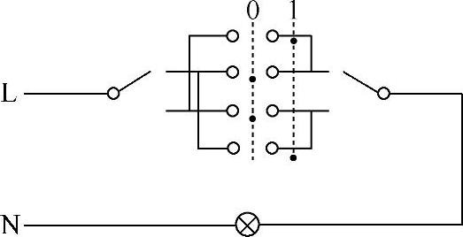
(3)三个双控开关控制一盏灯。三地控制线路与两地控制的区别是比两地控制又增加了一个双控开关,通过位置0和1的转换(相当于使两线交换)实现三地控制,如图1-8所示。
图1-8 三地控制线路
应用技巧
灯具的相线应经墙壁开关控制。为了安全和使用方便,任何场所的窗、镜箱、吊柜上方及管道背后、单扇门后均不应装有控制灯具的开关。潮湿场所和户外应选用防水瓷质拉线开关或加装保护箱;在特别潮湿的场所,开关应分别采用密闭型或安装在其他场所控制。