



电气图通常是指用图形符号、带注释的围框或简化外形表示系统或设备中各组成部分之间相互关系及其连接关系的一种简图。
按照国家标准(GB/T 6988)中的规定,电气图分为以下15种,见表1-8。
表1-8 电气图的分类
本节主要介绍电工在日常工作中比较常用的电路图、概略图(框图)、接线图和逻辑图这4种基本电气图。
1.电路图的基本特征
电路图是采用图形符号和文字符号并按照工作顺序排列构成的一种简图。电路图可单独绘制,也可与接线图、功能图(表)等组合绘制。
2.电路图的基本内容
电路图一般主要包括以下内容:
1)表示电路中元器件或功能件的图形符号。
2)表示元器件或功能件之间的连接线,单线或多线,连续线或中断线。
3)表示项目代号,如高层代号、种类代号和必要的位置代号、端子代号。
4)表示用于信号的电平约定。
5)表示了解功能件必需的补充信息。
3.电路图的特点
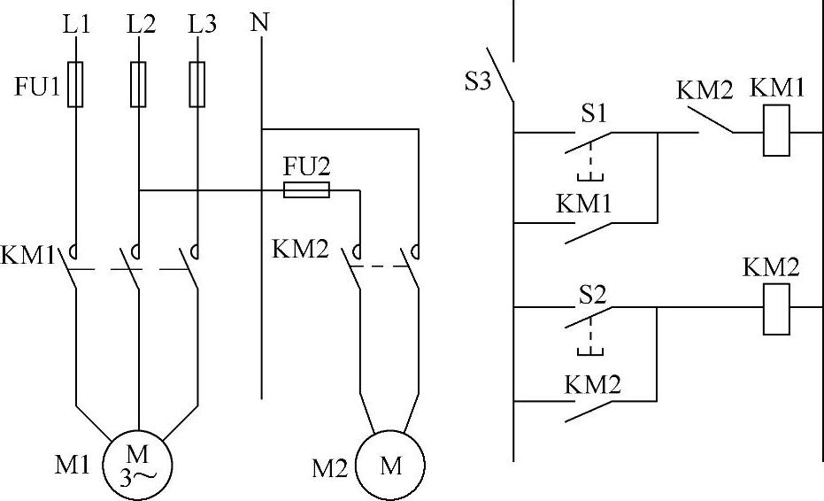
如前所述,电路图是用图形符号并按工作顺序排列,详细表示电路、设备或成套装置的全部基本组成和连接关系,而不考虑其实际位置的一种简图。下面以图1-15所示的电动机联锁电路图为例,介绍电路图的特点。
这个电路图主要是说明压缩机电动机(M1)和风机电动机(M2)供电、控制及互相联锁的电路构成和工作原理。这个图具有以下特点:
图1-15 电动机联锁控制电路图
1)按供电电源和功能划分为主电路和辅助电路两部分。主电路按能量流(即电流)流向绘制,表示了电能经熔断器FU1和FU2、接触器KM1和KM2至电动机M1和M2的供电关系;辅助电路按动作顺序,即功能关系绘制。
2)主电路采用垂直布置,辅助电路采用水平布置。这种布局方法主要是为了阐述装置的工作原理,而与元器件的实际位置无关。各元器件均用图形符号表示,与它们的外形结构无关。因而这种图是一种简图。
3)图中详细表示了各元器件及有关的技术参数(图中附表给出),还表示了各元器件的连接关系,但是它不能代替接线图。
1.用一般符号绘制的概略图
用一般符号绘制的概略图通常采用单线表示法绘制。图1-16所示是电力供电系统示意图。若分别用图形符号代表发电机(G)、变压器(T)、线路(W)、负荷(P),并标注一定的文字符号,就可以把图1-16绘制成为如图1-17所示的概略图。
图1-16 电力供电系统示意图
图1-17 电力供电系统概略图
2.框图
通常用框图来表示系统或分系统的组成。图1-18所示为根据图1-16绘制的电力供电系统框图。
图1-18 电力供电系统框图
接线图(表)是表示电气设备、元器件或装置的连接关系,用来进行安装接线、线路检查、线路维修和故障检修的一种简图(表)。接线图和接线表是表示相同内容的两种表示方式,两者功能相同,可以单独使用,也可以组合起来使用,一般以接线图为主,接线表给予补充。
接线图和接线表通常要和电路图、平面位置图结合起来使用,根据所表示的内容不同,可分为3类,见表1-9。
表1-9 常用接线图(表)
端子接线表可以和接线图组合起来绘制在一起,如图1-19中的端子接线板“X”;端子接线也可单独绘制,见表1-10。
图1-19 端子接线表和接线图组合起来绘制
表1-10 以端子为主的端子接线表举例
接线图的特点是图中只表示电器元件的安装地点和实际尺寸、位置和配线方式等,但不能直观地表示出电路的原理和电器元件间的控制关系。
电器元件布置图是用来表明电气设备上所有电动机、电器的实际位置,是电气控制设备制造、安装和维修所必不可少的技术文件。
电器元件布置图一般用双点画线画出设备轮廓,但不需要严格比例。用粗实线描绘所有可见的或需要表达的电器元件外形轮廓,要求所有电器元件及设备代号必须与电气控制原理图或明细表上代号一致。
依据上面介绍的方法,根据图1-20所示的交流接触器控制三相异步电动机起动、停止电路原理图,可绘制出图1-21所示的控制元件板面布置图。
图1-20 交流接触器控制三相异步电动机起动、停止电路原理图
电气平面图是表示各种电气设备与线路平面位置的,是进行建筑电气设备安装的重要依据。电气平面图包括外电总电气平面图和各专业电气平面图。
外电总电气平面图是以建筑总平面图为基础,绘出变电所、架空线路、地下电力电缆等的具体位置并注明有关施工方法的图样。在有些外电总电气平面图中还注明了建筑物的面积、电气负荷分类、电气设备容量等。
专业电气平面图有动力配电平面图、照明电气平面图、变电所电气平面图、防雷与接地平面图等。专业电气平面图在建筑平面图的基础上绘制。由于电气平面图缩小的比例较大,因此不能表现电气设备的具体位置,只能反映电气设备之间的相对位置关系。
图1-21 交流接触器控制三相异步电动机起动、停止电路电器元件布置图
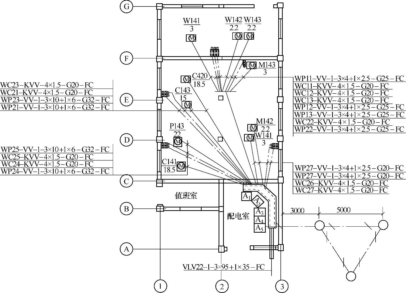
图1-22所示为某车间的动力配电平面图。
图1-22 某车间的动力配电平面图
在平面图上标注的内容要与系统图上标注的内容相一致,以便于施工安装时相互对照。