



照明线路一般由电源、导线、开关和负载(照明灯)组成,常见的照明控制电路主要有,一只开关控制一盏灯线路、一只开关控制两盏及两盏灯以上的照明线路、两个(或多个)开关异地控制一盏灯的照明线路等多种形式。常用的白炽灯、节能灯、荧光灯以及LED灯等照明灯具,都可以采用这些控制电路。
线路简介
采用一只开关来控制一盏灯的照明线路,这是最常用也是使用量最大基本照明控制电路,在室内照明灯具及部分室外照明灯具的控制电路中应用广泛,如图1-1所示。
图1-1 一只开关控制一盏灯的照明线路
线路原理
开关与相线(俗称火线)串联,闭合或断开开关能控制照明灯的点亮和熄灭。开关接在相线上,当拉开开关切断线路时,线路各部分都脱离相线,这样人体不小心碰到这些部分就不会触电,检修线路也比较安全。
为了保证用电安全,线路中设置有熔断器,用于线路短路保护。
应用技巧
一只开关控制一盏灯的线路是最基本、最常用的照明控制电路,安装简单、使用方便。
“相线进开关,零线进灯座,灯泡的铜螺套接零线”,这是照明线路的最基本安装方法,如图1-2所示。在接线中要注意灯座上的标号,将相线接在L的接线端子上,将零线接在N的接线端子上。螺口灯座的铜螺套接到零线上。因为一般情况下,零线连着地,这样人体不小心碰到灯座的铜螺套上,人也不会触电。
图1-2 灯座的接线
友情提示
(1)安装时,开关及灯座的安装位置及高度应符合有关安全规定,同时应方便使用,下同。
(2)照明线路均采用并联方式进行连接与安装,由于照明线路基本上是采用单极开关作为控制电器,为了用电安全,开关必须与相线串联,千万不能将开关与零线串联。否则,我们在维修线路和更换灯泡时容易触电。
线路简介
在一些公共场合或家庭的客厅、饭厅(如在客厅吊顶中安装的筒灯、射灯),用一只开关同时控制两盏灯或两盏以上照明灯比较常用,线路原理如图1-3所示。
图1-3 一只开关控制多盏灯的照明线路
线路原理
该线路使用的电器较少,控制方法简单可行。用一只开关就能同时控制所有照明灯的点亮和熄灭。
开关串联在相线上,位于照明灯线路的前端,被控制的照明灯共用一根相线和一根零线。
应用技巧
由于线路中被控制的灯具比较多,因此所选用开关的额定电流必须大于所控制灯泡额定电流的总和,否则开关容易损坏。为延长开关的使用寿命,禁忌连续频繁使用开关。
友情提示
在选择导线的截面时,要求能够满足导线的安全载流量。
室内照明应用时,一只开关控制多盏照明灯的数量应尽量减少;如果照明灯数量较多,宜采用分组控制的方法,以达到节约用电的目的。
线路简介
两个或多个开关异地控制一盏灯的照明线路,适用于楼上楼下或在室内的不同地方控制同一盏灯,例如楼梯灯、客厅灯、交换厅过道灯,线路如图1-4所示。不管灯的状态是点亮或是熄灭,都可以用任何一个开关控制电灯的开与关,即变为相反的状态。例如,在楼上/楼下把灯打开/关闭,到楼下/楼上可以把灯关闭/打开。
图1-4 两个或多个开关异地控制一盏灯的照明线路
图1-4 两个或多个开关异地控制一盏灯的照明线路(续)
线路原理
在图1-4a中,当S 1 置于位置“1”,S 2 置于位置“3”时,线路接通,电灯点亮。此时,再扳动任何一个开关都会使线路断开,电灯熄灭。
在图1-4b中,在开关S 1 和S 2 之间接入了双刀双掷开关S 3 ,就可以实现三地控制同一盏灯。S 1 、S 2 、S 3 处于图①位置时,线路是断开的,此时无论扳动哪一个开关都可以使线路接通,电灯点亮。S 1 、S 2 、S 3 处于图②位置时,线路是接通的,此时无论扳动哪一个开关都可以使线路断开,电灯熄灭。
在图1-4c中,根据实际需要可在开关S 1 和S 2 之间接入多个双刀双掷开关,达到多地控制同一盏灯的目的。
该线路具有以下特点:
(1)使用方便,但线路较复杂。
(2)普通开关是无法实现这一线路功能的,只能用单刀双掷开关(亦称双联开关)才能实现楼上、楼下都可控制一盏灯。
单刀双掷开关有三个接线桩头,如图1-5所示,其中桩头a为连铜片(简称连片),它就像一个活动的桥梁一样,无论怎样按动开关,连片a总要跟桩头b、c中的一个保持接触,从而达到控制线路通或断的目的。
图1-5 双联开关接线示意图
(3)每个控制开关之间有两条线连接,任意一个开关坏了或一条线断了,照明灯就无法点亮。
应用技巧
开关在线路中通常可分为单联开关与双联开关两种。从开关的外部结构来看两者没有太大区别。但其内部及在线路中的图形符号却有很大的不同,如图1-6所示。
安装双联开关时,可先把零线与照明灯的零线端连接,再安装开关控制线。每两个开关之间应该布2根线,如图1-7所示。
图1-6 单联开关和双联开关
图1-7 两个开关控制一盏灯接线图
知识窗
配电线路导线颜色的选择:
敷设配电线路的导线时,相线L、零线N和保护零线PE应采用不同颜色的导线。导线颜色的相关规定见表1-1。
表1-1 配电线路导线颜色的选择
线路简介
在日常生活和生产中,一只开关一盏灯一个插座或多个插座的线路也是很常见的,如图1-8所示。为了安全起见,有时可安装带开关的插座。
图1-8 一只开关一盏灯一插座线路
线路原理
(1)开关与照明灯的相线连接,能控制照明灯的点亮和熄灭。
(2)一般情况下,无论线路中其他用电器(灯的点亮和熄灭)的工作情况如何,插座将始终处于带电状态。灯的点熄及其他用电器是否用电无关。
(3)插座可以安装在照明灯线路的前面,也可以安装在照明灯线路的后面。
应用技巧
通常情况下,可采用插座线与开关线共一个接线柱的方法,如图1-9所示。采用这种“借桩头”的安装方法,最好是不要将电线剪断,否则容易留下接触不良的故障隐患。
图1-9 开关线与插座线共接线柱
友情提示
在实际应用时,可选用带开关的5孔插座,也可以选用不带开关的5孔插座(将插座安装在便于使用的位置),如图1-10所示。
图1-10 插座
知识窗
多个开关控制一盏灯的电路:
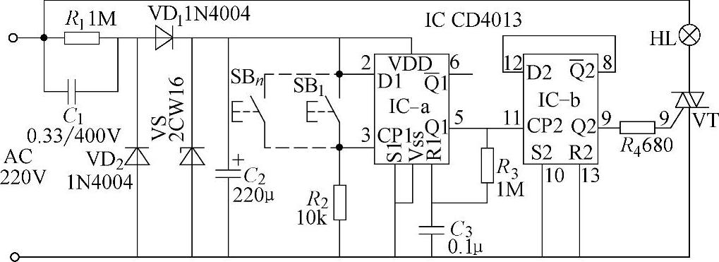
用两个开关控制的电路容易连接,三个以上开关控制的电路就很麻烦了。采用如图1-11所示电路可妥善解决这一问题,开关数可以无限增加。该电路在旅馆、医院病房、走廊等场所尤其需要。
AC220V经降压、整流、滤波、稳压后,在 C 2 上得到9V电压作IC的电源,IC是一块双主从D触发器CD4013,IC-a构成单稳电路,IC-b构成双稳电路。单稳电路的D1端接电源正端,故按动SB 1 ~SB n 中的任一个按钮(开关)都有Q1=D1=1,Q1端高电平经 R 3 对 C 3 充电,当IC-a的复位端 R 1 达到复位转换电平时,便有Q1=0。Q1高电平同时加到IC-b的CP2端,使Q2=1,双向晶闸管受触发导通,灯亮。再按任一个按钮,Q1又输出“1”(以后自动恢复为“0”),CP2又受触发一次,Q2=0,晶闸管VT关断,灯熄。
单稳电路的作用是避免开关触头抖动引起触发状态的紊乱,使按钮的作用准确可靠。双向晶闸管VT的选型视负载大小而定。
图1-11 采用芯片控制的多个开关控制一盏灯的电路