



1.阻抗分相起动式控制电路
电路简介
图2-1所示为单相异步电动机阻抗分相起动控制电路,该方式结构简单,起动转矩小、起动电流大,用于电冰箱、小型陈列柜、电风扇、空调器、洗衣机等设备的电动机。
图2-1 阻抗分相起动控制电路
电路原理
当接通交流电源时,主、副绕组同时通入电流,由于两绕组的电感和电阻的阻抗不相同,使通过两绕组的电流滞后于电压的角度也不同。这样就使电流在通过两绕组时变为具有相位差的两相电流。以实现主、副绕组电流间的相位差,所以称为单相电阻起动异步电动机。这两相电流可产生椭圆形的旋转磁场。旋转磁场与转子绕组相互作用,使转子起动旋转起来。当转子转速达到额定转速的70%~80%时,由起动元件(电流电压继电器、热敏电阻(PTC)、离心开关等)将副绕组切断,使电动机继续运行到额定转速,电动机便由主绕组工作。
2.电容起动式控制电路
电路简介
图2-2所示为单相异步电动机电容起动式控制电路,这种起动方式有较大的转矩。起动电流小,常用在冰箱、冷饮机等设备上。
图2-2 电容起动式控制电路
电路原理
在起动绕组中串接一电容器,电动机静止时离心开关是接通的,通电后起动电容参与起动工作,当转子转速达到额定值的70%~80%时离心开关便会自动跳开,起动电容完成任务,并被断开。起动绕组不参与运行工作,而电动机以运行绕组继续运行。
3.电容起动运转式控制电路
图2-3所示为单相异步电动机电容起动运转式控制电路,这种起动方式由于刚通电时,两只电容并联,有足够大的电容量参与起动。所以起动转矩大,起动电流小,适用于大型空调器以及制冰机等设备。
图2-3 电容起动运转式控制电路
电路原理
在起动绕组上串联起动电容,以提高起动转矩。所不同的是,在正常起动后,起动绕组并不断开,而是和运行绕组一起共同参与电动机的正常运行。
4.电容运转式控制电路
电路简介
图2-4所示为单相异步电动机电容运转式控制电路,这种方式的起动转矩小、效率高。常用于小型空调器中。
图2-4 电容运转式控制电路
电路原理
在起动绕组上串联起动电容,以提高起动转矩。所不同的是,在正常起动后,起动绕组并不断开,而是和运行绕组一起共同参与电动机的正常运行。
应用技巧
电容是采用电容分相的单相异步电动机必不可少的元件。电容选择是否恰当,对单相异步电动机的起动或运行有很大的影响。
单相电容起动异步电动机起动电容选配见表2-1,单相电容运转异步电动机运转电容选配表2-2,单相双值电容异步电动机电容选配见表2-3。
表2-1 单相电容起动异步电动机起动电容选配
表2-2 单相电容运转异步电动机运转电容选配
表2-3 单相双值电容异步电动机电容选配
知识窗
电动机的分类:
电动机是一种实现能量转换或信号转换的电磁装置,其应用非常广泛,种类繁多。我们一般是根据电动机的分类来区别电动机的。电动机的分类见表2-4。
表2-4 电动机分类
(续)
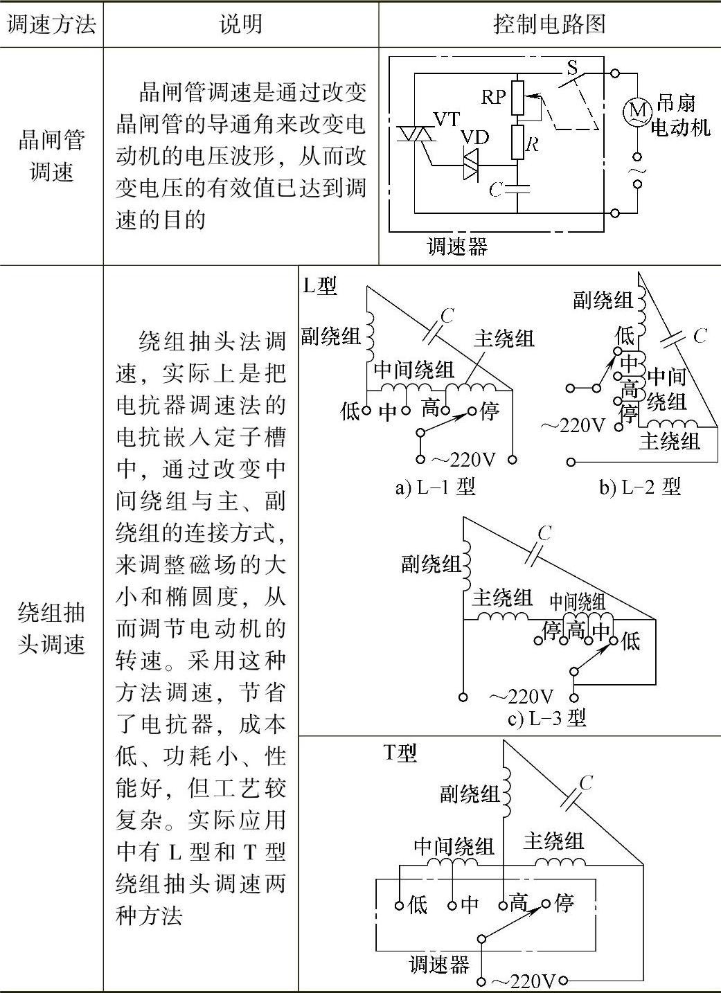
通过改变电源电压或电动机结构参数的方法,从而改变电动机转速的过程,称为调速。单相异步电动机常用的调速方法有四种,见表2-5。
表2-5 单相异步电动机常用的调速方法
(续)
单相异步电动机的调速方法很多,表2-5中介绍的是几种比较常见的方法。此外,自耦变压器调压调速、串电容器调速和变极调速等方法在某些场合也常有运用。
知识窗
单相异步电动机的种类:
单相异步电动机种类很多,但在家用电器中使用的单相异步电动机按照起动和运行分,基本上只有两大类六种,见表2-6。这些电动机的结构虽有差别,但是其基本工作原理是相同的。
表2-6 家用电器中使用的单相异步电动机
(续)
电路简介
图2-5所示为单相异步电动机正反转控制电路,这种电路多用于对电容式电动机的控制,特别广泛地用于洗衣机的电动机,因为这种电动机的主、副绕组可以交替使用。
图2-5 单相异步电动机正反转控制电路(一)
电路原理
异步电动机的旋转原理是在定子绕组中形成一个旋转磁场,旋转磁场的方向决定了电动机的转向。只要改变旋转磁场的方向,就能改变电动机的旋转方向。三相电动机只要改变相序,就能改变旋转磁场的方向,从而也改变了三相电动机的正、反转。而单相电动机是通过分相元件、电容或绕组本身的电阻,将单相电分为相差小于90°的两相电。主绕组代表一相电,副绕组代表另一相电。所以,单相电动机实质是“二相电动机”。
当开关S置于触头“1”时为正转,此时是以绕组A为运行绕组,B为起动绕组,起动绕组在整个时间都运行。选择合适的电容,可使B电流超前于A90°。
当开关S置于触头“2”时,A作为起动绕组,B作为运行绕组,A电流超前于B90°,电动机发生反转。
友情提示
要想改变单相电动机的转向,只能改变主、副绕组的连接形式,将主绕组头尾对调,或将副绕组的头尾对调,即可改变单相电动机的旋转方向。对于额定功率比较大的单相异步电动机,由于主绕组的电流比副绕组的电流大得多,所以一般采用改变副绕组的接线来改变单相电动机的旋转方向,如图2-6所示。
图2-6 单相电动机的正反转控制电路(二)
知识窗
单相罩极式异步电动机如何实现反转控制:
单相罩极式异步电动机,对调运行绕组接到电源的两个出线端,不能改变它的转向。因为这类电动机的定子用硅钢片叠压成具有突出形状的“凸极”,主绕组就绕在凸极上。每一极的一侧开有小槽,嵌放副绕组——短路铜环,通常称“罩极圈”,如图2-7所示。这类电动机依靠其结构上的这种特点形成“旋转磁场”,使转子起动。如果要改变电动机的转向,则需拆下定子上叶凸极铁心,调转方向再装进去,也就是把短路环由一侧换到另一侧,电动机的旋向就会与原旋向相反。
图2-7 单相罩极式异步电动机的结构