购买
下载掌阅APP,畅读海量书库
立即打开
畅读海量书库
扫码下载掌阅APP

1.3 自动开关照明控制电路

传统照明线路工作都需要使用机械开关,靠人工控制,有时使用起来极不方便。电子信息技术是使照明控制实现了高度智能化,在减少甚至不需要人为干预下使照明线路能独立处理各种工作。如我们所熟知的走道灯照明线路,其智能化实现方法是利用了声学-光学-电子学原理的综合。

触摸开关用于控制楼道灯,可有效解决声控、光控楼道灯容易受外界干扰而浪费电能的问题。同时,采用了触摸开关的触摸灯也可用于居室内,以解决短时的照明问题。

采用红外移动探测加光控电路的照明控制,则是近几年才出现的照明控制技术。

1.3.1 声控开关照明控制电路

电路简介

声控照明线路的主要原理是利用了声学和电子学的原理,即用声音传感器将声音信号转换成电信号从而启动触发器触发使线路导通工作。智能化声控照明线路具有以下功能。

(1)能在声音的控制下实现电路的导通与截止。

(2)能够接受的声音应是多方面的,如脚步声、物体打击声、口哨声等。

(3)响应时间应越短越好。在选择电路元器件时,应选择灵敏度较高的声音传感器组成声控照明线路控制电路的前端,同时还要为该传感器设置传感条件(如声音响度必须在20dB以上才能响应等)。中间端采用触发器构成,利用触发器不触不发,一触即发的特点去推动照明线路工作,触发器的选择也应选择灵敏度高,响应时间短的触发器如D触发器、JK触发器等。

(4)声控、光控与延时电路相结合,可有效节省电能资源。

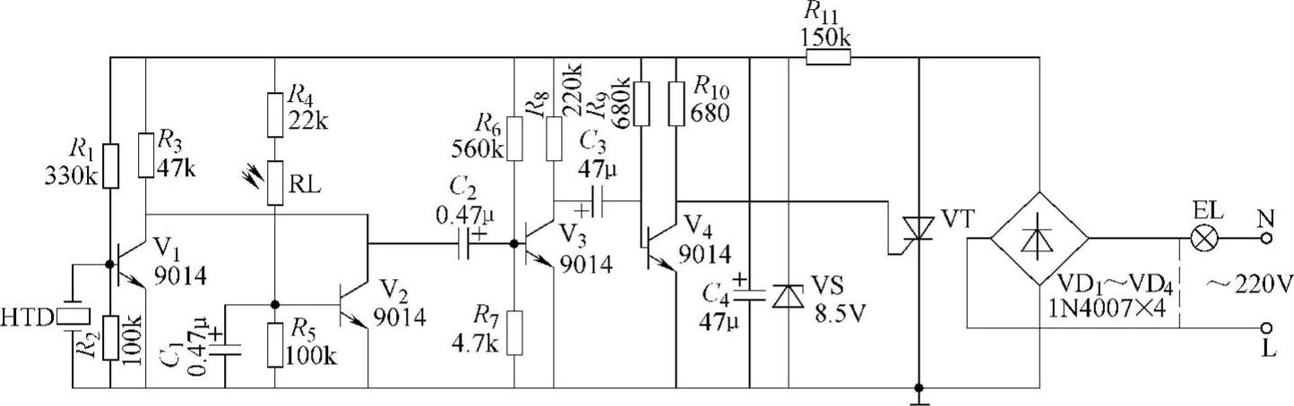
如图1-18所示为以音乐集成电路作为声控元件同时兼有延时作用的声控延时门灯线路,将它安装在室内门框边,能在夜晚有人敲门或进出门时点亮门灯,并延时一定时间后自动熄灯。

图1-18 声控延时门灯电路

电路原理

该电路属于声控、光控与延时相结合的电路,这一技术在目前短时间使用的照明灯线路中应用比较广泛,如楼道灯、门厅灯。控制部分采用全分立元件制作,成本低、使用效果好。

(1)稳压电路。220V交流电经 C 1 R 1 、VD 1 、VD 2 、VS 1 C 2 组成的电容降压12V简单稳压电源供给控制电路。 R 2 、VS 2 构成3V稳压电源,供给音乐IC。

(2)声音发出电路。本电路采用音乐集成电路KD9300作为声源,每触发一次便自动演奏一首乐曲,其演奏速度由外接振荡电阻 R 3 来决定。演奏时间的长短由 R 3 的阻值决定,增大 R 3 阻值时,演奏时间会延长。

(3)声音控制电路。当压电片HTD受到一定强度的声音振动时,能将音频信号转换成电信号,该信号加在音乐IC的触发端,其3脚约为+1V的直流电压输出,使V 1 饱和导通。这样12V电压几乎全部加在了电位器RP两端。从RP的滑动端取出一定的电压送到V 2 等组成的开关电路,V 2 导通,继电器K吸合而点亮门灯。

(4)白天亮灯控制电路

RL是光敏电阻器,接在V 2 的基极与发射极之间,用以控制开关管V 2 。当白天有光照时,RL阻值很小,V 2 基-射极间电压较小,V 2 始终截止。白天或者室内光照较强时,不管是否有人敲门,音乐IC是否有输出,继电器K均不会得电,门灯不亮;到了夜晚光敏电阻器RL阻值增大,当音乐IC受声控触发而直流电压输出时,V 1 导通,经RP、 R 4 、RL分压,V 2 的基-射极间电压超过0.7V时,V 2 导通,K吸合。它的一组常开触头K-1点亮了门灯,另一组转换触头K-2断开了RL,点亮了发光管VL。这样一方面可使V 2 的饱和程度更深,另一方面使开关电路不受门灯光照的影响。经数分钟延时,音乐IC复位,其3脚无电压输出,V 1 、V 2 均截止,门灯熄灭,电路恢复初始状态。

(5)手动控制电路

图中S是原门灯用的开关,保留该开关,以备不时之需。

应用技巧

该电路中的继电器损坏后,可用有两组触头的12V继电器代换。

市场上出售的声控开关,可用于控制荧光灯、节能灯、白炽灯等功率为40W以内灯具,吸顶灯、楼道灯、走道灯、楼梯间灯、卫生间灯、出入口灯、车库灯等是最理想用途场合。新布线时对安装的高度及位置无明确的限制,如果是改装,可装在原有开关预埋盒上要方便些。

1.3.2 光控开关照明控制电路

电路简介

光控照明电路的主要功能是实现当外界光照强度降低到一定程度时,使照明电路导通工作。该控制电路的关键元件是光敏电阻器,它是利用半导体的光电效应制成的一种电阻值随入射光的强弱而改变的电阻器,如图1-19所示。常用的光敏电阻器型号有密封型的MG41、MG42、MG43和非密封型的MG45。它们的额定功率均小于200mW。

图1-19 光敏电阻器

图1-20 光控节能灯电路

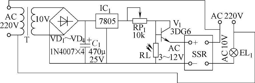
图1-20所示为由一只晶体管V 1 构成的光控节能灯电路,适用于作各种场合照明灯使用。

该电路比较简单,主要分为两个部分,即供电线路和光电开关控制电路。前者由电源变压器T、VD 1 ~VD 4 、IC 1 C 1 组成,后者由V 1 、RL、SSR等组成。

电路原理

(1)供电线路。220V交流电源一路通过固态继电器SSR与灯泡EL 1 连接;另一路加到电源变压器T的一次侧,从变压器二次侧输出10V交流低压,经VD 1 ~VD 4 桥式整流、 C 1 滤波、IC 1 稳压,得到的5V直流电源提供给光控电路。

(2)光控电路。光控电路由光敏电阻器RL和晶体管V 1 及微调电阻RP 1 等组成。在白天,RL受光照呈低电阻状态,V 1 截止,故固态继电器SSR不工作;在夜晚,RL无较强光线照射呈较高电阻状态,V 1 到了合适的偏流而导通,从而使固态继电器输入端内的发光二极管导通发光,SSR受控接通EL 1 的供电,使电灯得电点亮。

应用技巧

电路调试时,在室内正常自然光照射到光敏电阻RL的情况下,调节RP 1 的阻值,让固态继电器SSR处于临界状态即可。

1.3.3 声光联控延时照明控制电路

电路简介

在实际使用时,声、光、延时三部分电路是相互联系的。没有光控,电路智能化实现不完善;没有声控电路,也谈不上延时;而没有延时电路,也谈不上智能化照明。该电路在电能节约方面处理得较好,但该电路也存在一定的缺陷:如要使电灯常亮,则该电路就无法实现了;要对电路进行维护,在白天需要灯亮,则该电路也无法实现;为此要对该线路进行升级,所谓升级就是对电路的功能进行进一步完善。可以为其添加一些硬件,使在不影响电路正常智能化实现的前提下,电路能受人为所控制,以至更好地为人们服务。

声光联控延时照明电路的主要原理就是利用光控部件控制电路白天不工作,而夜晚则由声控部件控制其工作,再由延时部件控制其工作时间。

延时电路的原理就是利用电子计数器的原理来实现定时功能。延时电路说白了就是一个计数器,其构成方案一般有三种:硬件构成、软件构成和软硬相结合构成。对于由硬件构成的定时器,一般是用改变 R C 元件值控制定时的,其效率较高,但灵活性、通用性较差,如555定时器;而由软件构成的定时器是用执行一段程序来实现定时的,其灵活性通用性较高,但效率较差;故现在设计定时器一般都是采用软硬相结合的方法,集两者之长通过编程设定不同的延时常数,而由硬件控制定时过程,其效率和灵活性都得到了较大的提高。

在一个实际的电路中,延时不是主要目的,而主要目的是为了完善电路功能。故作为一个延时电路,在整个电路中其应在延时结束后能发出一个结束信号,控制电路是否继续工作下去。所以前述声控、光控线路尽管也能实现控制电路的功能,但其功能是不完善的,为此应对其进行改进。实施有三种方案可行:声控延时、光控延时和声光联控延时,这三种方案可用于不同的场合。

如图1-21所示为由晶闸管组成的声、光控照明灯电路,常用于楼道等场合的照明控制。该电路由电源整流、声-电转换、信号驱动放大、晶闸管开关电路等组成。

电路原理

交流220V电源通过照明灯泡和VD 1 ~VD 4 整流后分为两路,一路给单向晶闸管VT供电,另一路经 R 11 C 4 、VS稳压滤波后为声-电转换及放大电路提供8.2V的工作电源。

压电陶瓷片HTD和晶体管V 1 组成声音拾取和信号放大线路。光敏电阻RG和VT2组成光控线路。

晶体管V 3 、V 4 、电容 C 3 组成单向晶闸管VT的触发控制线路。

在白天光线较强时,由于光敏电阻RL的阻值较小,V 2 处于导通状态,将V 1 的集电极下拉为低电平,使V 1 截止。又由于V 3 基极的上偏置电阻较大,在静态时V 3 处于截止状态,而V 4 处于导通状态,其集电极为低电平,单向晶闸管VT没有高电平触发信号而截止,电灯EL不发光。此时电容 C 3 充电到一定的电压,为左正右负。

图1-21 由晶闸管组成的声光控延时照明灯电路

在夜间或者光线较暗时,光敏电阻RL阻值变得很大,V 2 由导通变为截止,从而失去了对V 1 的控制作用。压电陶瓷片HTD接收到脚步声等声音时,将声音转换为电信号经V 1 放大,再经电容 C 2 耦合到V 3 的基极,V 1 输出信号的正半周使V 3 导通,其集电极跳变为低电平,电容 C 3 通过V 3 的c-e结放电。实际上是电源经 R 9 、V 3 C 3 充电,极性为左负右正。在V 3 导通的瞬间,V 4 的基极受到反向偏置而截止,其集电极变为高电平,触发晶闸管VT导通,电灯EL被点亮。随着电容 C 3 的充电,V 4 的基极电压逐渐升高,V 4 又导通,其集电极恢复低电平,晶闸管VT截止,灯EL熄灭,电路回到等待状态,等待再次触发。

应用技巧

电灯的点亮时间与电容 C 3 的容量有关,本线路中电灯点亮时间约为1min,若需延长亮灯时间,只需将 C 3 的容量适当增大即可。

1.3.4 触摸开关照明控制电路

电路简介

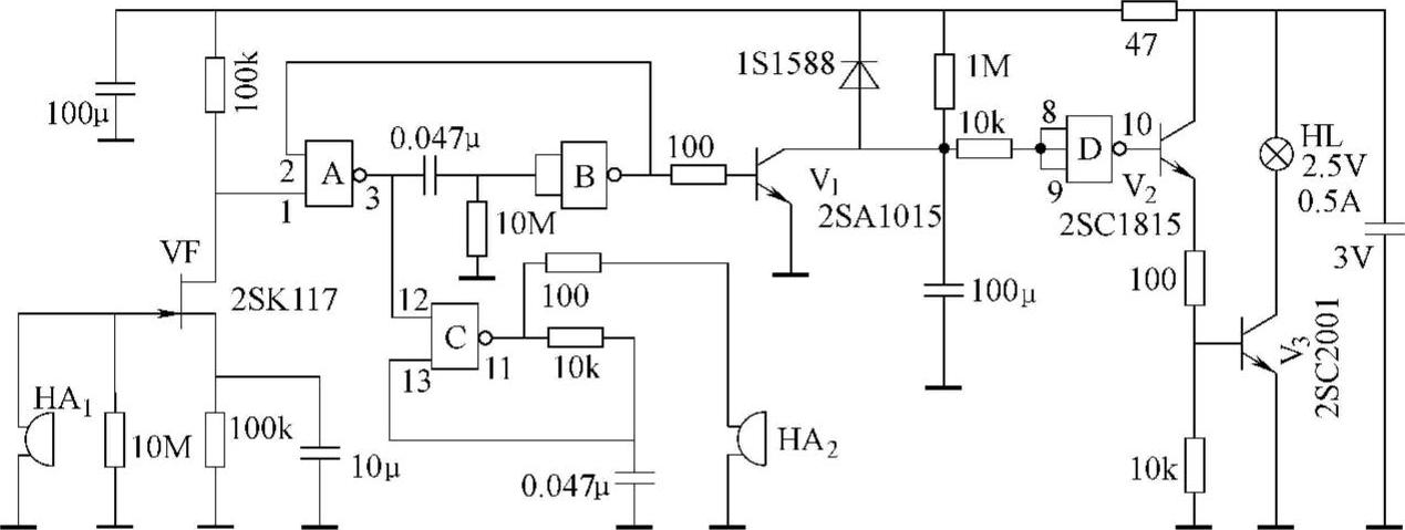
如图1-22所示为触摸灯电路,适合于安装在门厅入口、阳台门口、床头附件等地方,使用很方便。

图1-22 触摸灯电路

触摸灯电路主要由触摸感应部分、线路转换部分和执行线路部分等组成,其工作原理见表1-2。

表1-2 触摸灯电路的组成及原理

电路原理

该装置利用压电蜂鸣器HA 1 ,将人手触摸盒身时的振动转换成电信号,然后经场效应晶体管VF(2SK117)放大整形,其输出低电平经与非门A反相,A门输出的高电平使接成振荡器的C门启动1s左右,同时由蜂鸣器HA 2 发出“噼、噼”声。在发声的同时,B门输出低电平脉冲,使V 1 (2SA1015)导通,其发射极所接100μF电容器放电,门D输出高电平,V 2 (2SC1815)和V 3 (2SC2001)导通,灯HL点亮。

触摸信号消失后,VF、V 1 ,门A、B状态均改变,V 1 发射极所接电位逐渐升高。一旦升至门D翻转电平,V 2 、V 3 将截止,灯HL也随之熄灭。

应用技巧

该触摸灯由于使用了CMOS集成电路,灯灭期间的耗电几乎为零,两节2号电池可使用一年时间。该触摸灯装好后无须调试即可使用。如果觉得灵敏度还不够高,可将压电蜂鸣器HA 1 的接线对调一试。

1.3.5 红外移动探测控制电路

电路简介

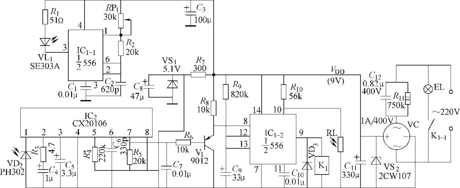
在一些场所,采用红外移动探测加光控电路较为理想,该电路如图1-23所示。它由交流降压整流电路、红外发射电路、红外接收电路、单稳态定时电路和继电控制电路等组成。当有人走近该电路时,由于人体对红外光的反射,控制电路启动,照明灯点亮,为行人照明,30s后灯自动熄灭。

电路原理

IC 1 为双极型双时基集成电路556, 和RP 1 R 2 C 4 组成一个无稳态多谐振荡器,其振荡频率为

图1-23 照明反射式红外探测控制电路

调节RP 1 ,使多谐振荡器振荡在38kHz。

振荡脉冲从IC 1-1 的引脚3输出,可直接驱动红外发光二极管VL,发出载频为38kHz的红外光脉冲信号,射向需要控制的空间(如楼道口等地方)。

VD 2 为红外光敏二极管,与IC 2 组成红外光接收、放大电路。IC 2 采用专用红外接收放大集成电路CX20106,内含前置放大器、限幅放大器、带通滤波器、检波器、积分器以及比较整形电路等。当有人走进厅堂或走过楼道时,人体将VL发出的红外光脉冲信号反射至光敏二极管VD 2 ,VD 2 将该红外光脉冲信号转换成相应的电信号,并加至IC 2 的信号输入端引脚1。经IC 2 内部放大、带通滤波和信号处理后,当带通滤波器的中心频率(取决于 R 4 的阻值) f 0 与输入的信号的频率(38kHz)一致时,则其引脚7转呈低电平。该下跳变脉冲使V 1 (PNP型)饱和导通,其集电极转呈低电位(约0.3V),使 翻转置位。

IC 1-2 R 9 C 9 R 10 和光敏电阻器RL组成光控式单稳态触发线路。所谓光控是指IC 1-2 的复位端 (引脚10)的外加电压低于0.4V时,不论其R端(引脚12)、S端(引脚8)为何种电平,IC 1-2 均处于复位状态,即引脚9恒呈低电平(“0”)。白天,光敏电阻器RL的亮阻 R L ≤2kΩ,它与 R 10 的分压电压仅为0.3V左右,使单稳态电路呈复位状态。黄昏后,RL的暗阻 R D ≥100kΩ,使IC 1-2 的引脚10电压达3.2V(>0.4V)以上,IC 1-2 处于待触发状态。一旦IC 1-2 的引脚8被低电平触发,IC 1-2 便翻转置位,其引脚9呈高电平(约8.6V),使继电器K通电、吸合,其触头K 1-1 接通,照明灯EL通电点亮,为行人照明。

单稳态电路维持高电平的时间即暂稳时间取决于充电电路 R 9 C 9 的充电时间常数,其值为 t d =1.1 R 9 C 9 。图1-23所示参数的暂稳时间为30s。30s后,行人已走远,照明灯EL自熄。

该控制电路的供电电压( V DD =9V)由交流降压整流电路整流出+13V电压,再由稳压二极管VS 2 稳压出+9V电压提供。

应用技巧

在该电路中,VL、VD 2 采用配对的红外发光二极管SE303A和光敏二极管PH302,也可采用配对的TLN104/TLP104或TLN107/TLP107;IC 1 采用LM556、NE556或FD556,也可使用2只LM555、NE555或FD555等,但应选用双基型器件,不宜采用CMOS型器件(因为其驱动能力差);V 1 采用小功率管9012(PNP型),要求 h fc ≥100;K 1 选用超小型中、小功率继电器,如4098; R L 选用MG型光敏电阻器,如MG42-02或MG44-02,其亮阻 R L ≤2kΩ,暗阻 R D ≥200kΩ;VS 2 选用稳压二极管2CW107(9V/100mA);VC采用1A/400V全桥整流模块; C 11 采用CBB型400V、0.82μF的电容器。

知识窗

家庭智能照明开关的种类:

目前,家庭智能照明开关的种类繁多,已有上百种,而且其品牌还在源源不断地增加,其中市场所使用的智能开关主要有电力载波开关、无线开关和总线开关三种。

(1)电力载波开关,是采用电力线来传输信号的,开关需要设置编码器,会受电力线杂波干扰,使工作十分不稳定,经常导致开关失控。价格很高,附加设备较多(如阻波器、滤波器等)。安装设备多了,出现问题概率比较高,带来的售后问题就非常麻烦,需要专业人士来安装。

(2)无线开关,是采用射频方式来传输信号的,开关经常受无线电波干扰,使其频率稳定而容易失去控制,操作十分繁琐,价格也很高。附加设备也多(接收模块、调制解调器、集中控制器)。售后也非常麻烦,需要专业人士来安装。

(3)总线开关,也称之为第三代开关,是采用信号线来传输信号,起到稳定性和抗干扰能力比较强,最早的总线是把所有的电线都集中一个位置,再从这个位置分信号线到每个开关的位置(例如宾馆的床头开关),这样造成布线安装比较麻烦,需要专业人士来安装。

总线制的优点是稳定性和抗干扰能力强,信号走专门的信号线来传输,达到开关与开关之间相互通信。采用普通开关的布线方式安装,普通电工就能安装。 ZUmkNhDbII85hfN/d0F5cBYwCK1q999tczzZ/yt0e9uQuUxLBFRz3xUeQ9sI1ptq

点击中间区域
呼出菜单
上一章
目录
下一章
×