



由于白光LED的正向压降匹配较差,早期的白光LED驱动器采用限流电阻进行电流匹配,以补偿正向电压的差异,从而保证白光LED亮度的一致性。最新研制的白光LED驱动IC可以不受供电电压的影响而保持恒定的亮度,提升并调节电池电压的驱动器IC可以是开环或闭环控制器、电荷泵或带有电压或电流输出的电感式变换器。
在大多数应用中,白光LED是通过并联或串联在一起的。但在个别情况下,也可采用混联配置方式,还可采用交叉阵列形式连接。LED采用哪种连接方式取决于应用的需要,每种配置方案都有其本身的优点和不足之处。
白光LED具有类似二极管的正向电压和电流特性。由于白光LED亮度几乎完全由电流控制,因此,只要使用相同或匹配的电流,两个白光LED即可获得相同的亮度,而无须考虑其正向电压的差异。
1.电路连接
白光LED采用串联方式连接可保证其电流相同,因此全部白光LED的亮度都是一致的。
图1-27a所示为LED采用全部串联方式,其优点是通过每个LED的工作电流相等,一般应串入限流电阻R,要求LED驱动器输出较高的电压。当LED的一致性差别较大时,分配在不同LED两端的电压也不同,但通过每只LED的电流相同,各LED的亮度一致。
图1-27 LED串联方式连接
2.电路分析
当某一只LED短路时,如果采用稳压驱动方式(如常用的阻容降压方式),由于驱动器输出电压不变,那么分配在剩余的LED两端的电压将升高,驱动器的输出电流将增大,容易损坏余下所有的LED。如采用恒流方式驱动LED,当某一只LED因品质不良而短路时,由于驱动器输出电流保持不变,所以不影响余下所有LED正常工作。
当某一只LED断开后,串联在一起的LED将全部不亮。解决的办法是在每只LED两端并联一个稳压二极管,如图1-27b所示。注意,稳压二极管的导通电压应比LED的导通电压高,否则LED就不会亮。
友情提示
串联方式能确保各只LED的电流一致。如果4只LED串联后总的正向电压 U F 为12V,就必须使用具有升压功能的驱动电路,以便为每只LED提供充足的电压。但由于LED的 U F 值存在一个变化范围,各只LED之间的压差会随之变化,对亮度的均匀性有一定的影响。
1.电路连接
采取多只LED并联,用独立的驱动电路来驱动,如图1-28所示。并联设计基于低驱动电压,因此无需带电感的升压电路。此外,并联设计具有低电磁干扰、低噪声和高效率等特点,且容错性较强。
图1-28 LED并联方式连接
2.电路分析
LED采用全部并联方式,其特点是每个LED的工作电压相等,总电流为∑ I F 。为了实现每只LED的工作电流 I F 一致,要求每只LED的正向电压也要一致。但是,器件之间的特性参数存在一定差别,且LED的正向电压 U F 会随温度上升而下降,不同LED可能因为散热条件的差别而引发工作电流 I F 的差别。散热条件较差的LED的温升较大,正向电压 U F 下降得也较大,造成工作电流 I F 上升。而工作电流 I F 的上升又会加剧温升,如此循环可能导致LED烧毁。
LED采用全部并联方式时,要求LED驱动器输出较大的电流,负载电压较低。由于分配在所有LED两端的电压相同,当LED的一致性差别较大时,而通过每只LED的电流不一致,LED的亮度也不同,可挑选一致性较好的LED。LED采用全部并联方式适合于电源电压较低的产品供电场合(如太阳能或电池)。
假设某一只LED断开时,如果采用稳压式LED驱动方式(例如稳压式开关电源),驱动器的输出电流将减小,但不影响余下的所有LED的正常工作。如果是采用恒流式LED驱动方式,由于驱动器的输出电流保持不变,分配在余下的LED中的电流将增大,容易损坏所有LED。解决办法是尽量多并联LED,当断开某一只LED时,分配在余下的LED中的电流不大,不至于影响余下的LED正常工作。所以功率型LED作并联负载时,不宜选用恒流式驱动器。
假设某一只LED短路时,所有的LED将不亮,但如果并联LED的数量较多,通过短路的LED的电流较大,足以将短路的LED烧成断路。
大多数并联白光LED配置都采用恒电压或恒电流的驱动器,而驱动器的采用取决于具体的应用要求。在恒压拓扑中驱动并联白光LED非常简单,驱动器可以是开环电压输出的开关式DC/DC稳压变换器。每个白光LED都串接一个限流电阻,用以设置电流值并匹配白光LED之间的电流。采用具有高限流电阻值的恒压驱动器,可以获得良好的电流匹配,但其负面作用是影响效率。相反,较低的限流电阻值将提供较高的效率,但白光LED的电流(亮度)匹配效果较差。
友情提示
白光LED需要的正向电压相对较高,最新的技术趋势是将白光LED的正向电压降低至3V以下。因单个锂离子电池的电压范围为2.7~4.2V,其标称电压值为3.6V,则如果白光LED的正向电压低于3V,可采用锂离子电池直接驱动白光LED电路(无需升压),从而减少部件数量和成本。
与传统白光LED驱动器IC不同,目前的白光LED驱动器采用了主动匹配技术,且为了实现白光LED恒定的亮度,采用了内置的数字、模拟和PWM控制单元对白光LED亮度进行调节。飞兆半导体的最新的FAN5608LED驱动器整合了所有的亮度控制方式(数字、模拟、PWM),并支持特殊配置方案。它采用两个恒流源驱动两个白光LED串联支路,每个LED串联支路都具有独立的亮度控制,每个白光LED串联支路上串联有4个白光LED,从而可满足驱动8个白光LED的要求。
1.电路连接
在需要使用比较多的LED产品中,如果将所有的LED串联,将需要LED驱动器输出较高的电压;如果将所有的LED并联,则需要LED驱动器输出较大的电流。将所有的LED串联或并联,不但限制着LED的使用量,而且并联LED负载电流较大,驱动器的成本也会增加。解决办法是采用混联方式。如图1-29所示,串、并联的LED数量平均分配,分配在一个LED串联支路上的电压相同,同一个串联支路中每个LED上的电流也基本相同,亮度一致,同时通过每个串联支路的电流也相近。
图1-29 LED混联方式连接
2.电路分析
当某一串联支路上有一只LED品质不良而短路时,不管采用稳压式驱动方式还是恒流式驱动方式,该串联支路相当于少了一只LED,通过该串联电路的电流将增大,很容易损坏该串联支路中的LED。大电流通过损坏的这串LED后,由于通过的电流较大,多表现为断路。
断开一个LED串联支路后,如果采用稳压式驱动方式,驱动器的输出电流将减小,而不影响余下的所有LED正常工作。
如果采用恒流式LED驱动方式,由于驱动器的输出电流保持不变,分配在余下的LED中的电流将增大,容易损坏所有的LED。解决办法是尽量多并联LED,这样当断开某一只LED时,分配在余下的LED中的电流不大,不至于影响余下的LED正常工作。
友情提示
先串联后并联的线路的优点是线路简单、亮度稳定、可靠性高,并且对器件的一致性要求较低,不需要特别挑选器件,即使个别LED单管失效,对整个发光组件的影响也较小。在工作环境因素变化较大的情况下,使用这种连接形式的发光组件效果较为理想。
先并后串混合连接构成的发光组件的问题主要在单组并联LED中,由于器件和使用条件的差别,单组中个别LED芯片可能丧失PN结特性,出现短路。个别器件短路会使未失效的LED失去工作电流 I F ,导致整组LED熄灭,总电流全部从短路器件中通过,而较长时间的短路电流又会使器件内部的键合金属丝或其他部分烧毁,出现开路。这时,未失效的LED重新获得电流,恢复正常发光,只是工作电流 I F 较原来大一点。这就是这种连接形式的发光组件出现先是一组中几只LED一起熄灭,一段时间后除其中一只LED不亮外,其他LED又恢复正常的原因。
应用技巧
混联方式还有另外一种接法,即是将LED平均分配后,分组并联,再将每组串联在一起。当有一只LED品质不良而短路时,不管是采用稳压式驱动方式还是恒流式驱动方式,并联在这一支路中的LED将全部不亮。如果采用恒流式LED驱动方式,由于驱动器输出电流保持不变,除了并联在短路LED上的这一并联支路外,其余的LED均正常工作。假设并联的LED数量较多,驱动器的驱动电流较大,通过这只短路LED的电流将增大。大电流通过这只短路的LED后,很容易就变成断路。由于并联的LED较多,断开一只LED后,平均分配电流变化不大,依然可以正常工作,那么整个LED灯中,仅有一只LED不亮。
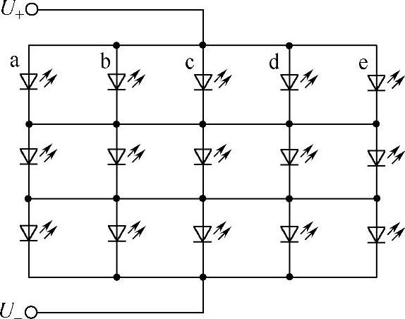
交叉阵列形式电路如图1-30所示,每串以3只LED为一组,共同电流输入来源于a、b、c、d、e,输出也同样分别连接至a、b、c、d、e,构成交叉连接阵列。这种交叉连接方式的目的是,即使个别LED开路或短路,也不会造成发光组件整体失效。
图1-30 LED交叉阵列形式连接