



逻辑代数式是逻辑运算关系的代数符号表示式。上节中所给出的表示逻辑关系的式子即逻辑代数式。基本逻辑运算关系的逻辑代数式如下。
“与”运算 :F = A·B
“或”运算 :F = A + B
“非”运算 :F =
对于“与”“或”运算的表示,“·”和“+”已得到普遍认可,对此不再有其他异议。但对于“非”运算,不同的资料书籍中表示不相同,除了采用
外,也有采用~A,A’等,但采用
较多。“
”读作“A非”或“A反”均可。
逻辑代数式是逻辑函数的一种表示方法。在逻辑代数式中,F表示逻辑函数的因变量,而A、B表示逻辑函数的自变量,统称为逻辑变量。与普通代数变量不同,逻辑变量只有两种取值,“0”和“1”。这里的“0”和“1”表示两种逻辑关系。例如开关的通为 1,断为0;电机的转为 1,停为 0。与普通的代数函数一样,逻辑自变量的值确定后,其因变量必定有一个唯一的值被确定。
逻辑代数非常方便地在继电控制电路和梯形图上得到应用。
PLC的输入端口均为开关量端口,而其输出端口也是开关量端口。通常,输出端口(又称驱动输出)的状态是受输入端口的状态(又称驱动条件)所控制的,而它们之间的关系则完全可以用逻辑代数式来表示。
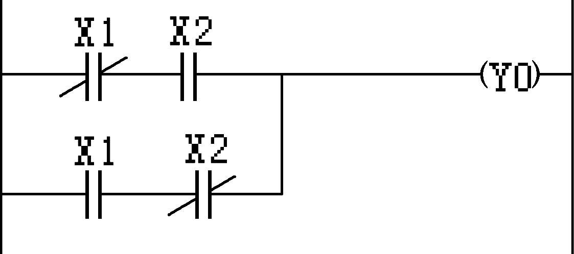
【 例 1.1-21 】 如图 1.1-6 所示的梯形图,请写出输出Y0 与输入X0,X1 和X2 的逻辑代数表达式。
图 1.1-6 梯形图逻辑关系示意图
根据表 1.1-12 的对应关系,很容易写出Y0 与X0,X1,X2 的逻辑代数式。
(a):Y0 =
·
·
(b):Y0 = (X0+Y0)·
根据逻辑代数式,很容易分析出各种不同的输入状态情况下,输出Y0 的状态。例如,对图(a)来说,仅当X0=0,X1=0,X2=1 时,Y0 才有输出(接通)。X0=X1=0,表示这两个端口是断开的;X2=1,表示其端口是接通的。也就是说,仅当X0,X1 端口断开且X2 端口接通,Y0 才接通。
图 1.1-6 所示的两种逻辑关系也代表了逻辑控制关系的两大类型。
图(a)的输出Y0 的状态仅与输入的当前状态有关,而与输入输出的以前状态无关。这种逻辑控制关系称作组合逻辑控制。
图(b)的输出Y0 的状态不但与输入的当前状态有关,还和输入输出的过去状态有关。在其逻辑代数式中,不但有输入逻辑变量,还有输出逻辑变量,如式中的(X0+Y0)。这种表达式中含有输出逻辑变量的逻辑控制关系称作时序逻辑控制。
在实际应用中,组合逻辑控制可以直接应用逻辑代数的基本知识,易学易掌握,在梯形图的设计中有一定的方法和步骤。而时序逻辑控制到目前为止仍然没有易学易掌握的方法和步骤。关于这两种逻辑控制的更多知识,读者可参看数字电子技术相关书籍和资料。
下面举例说明组合逻辑控制在梯形图设计中的应用。
【 例 1.1-22 】 两地控制一盏灯,控制要求是:灯灭时任一处拨动一次开关,灯亮;灯亮时,任一处拨动一次开关,灯灭。
解: 设逻辑动作为:开关向下拨为 0,向上拨为 1,灯亮为 1,灯灭为 0。开关不拨动,维持原状。
根据题意可列出其逻辑关系见表 1.1-13。
表 1.1-13 逻辑关系
根据表 1.1-13.可知,仅处理灯亮时的逻辑关系。则灯亮与开关X1,开关X2 之间的逻辑关系式是
所设计的梯形图如图 1.1-7 所示。
图 1.1-7 例 22 梯形图
【试试,你行的】
(1)在逻辑代数中,所有变量取值的特点是什么?
(2)试说明三种基本逻辑运算的运算口诀。
(3)试写出图P1-1 所示梯形图的逻辑关系表达式。
图P1-1
(4)三个地方A,B,C有三个开关,同时控制一盏灯,控制要求是:如果灯是灭的,则按任何一个开关均可将其打开:如果灯是亮的,则按任何一个开关均可将其关闭。试设计梯形图程序。