



本节结合S7-200系列PLC电源、输出电压等的特点讲述S7-200的外部接线情况。根据PLC控制系统的特性,S7-200的外部接线分为输入接线图和输出接线图,下面分别介绍。
图2-8所示为24V DC输入接线图。24V DC输入接线有两种方式:一种是汇点输入,它是一种由PLC内部提供输入信号源,全部输入信号的一端汇总到输入的公共连接端输入形式;另一种是源输入,它是一种由外部提供输入信号电源或使用PLC内部提供给输入回路的电源,全部输入信号为“有源”信号,并独立输入PLC的输入连接形式。1M为输入端子组的电源端,若有 n 组输入端子组,则每组的电源端为 n M。在实际应用中,每组输入端子使用的电源电压相同,因此常常合用电源端。
图2-8 24VDC输入接线图
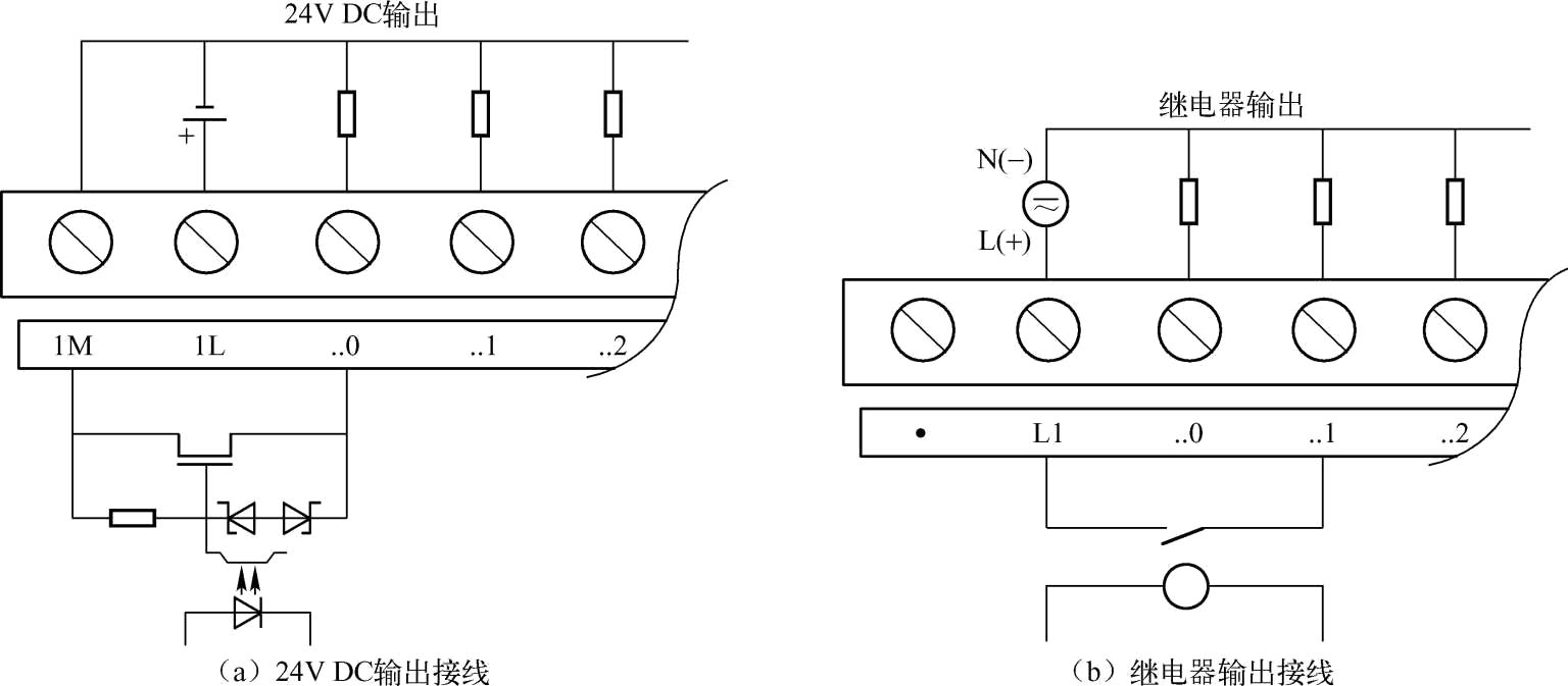
图2-9所示为S7-200系列PLC输出接线图。S7-200系列PLC的输出接线也有两种方式,一种是24V DC输出接线,另一种是继电器输出接线。
图2-9输出接线图
1)24V DC输出接线 24V DC输出的电源端是( n M, n L),其中 n 由输出隔离组决定。若有3组输出,则电源端分别是(1M,1L+)、(2M,2L+)和(3M,3L+)。因为输出电压常常相同,所以通常会将这些公共端连接起来。
2)继电器输出接线 继电器输出采用的是交流电源,电源端子为(L n ),其中 n 由输出隔离组决定。根据输入接线与输出接线方法,CPU221外部接线如图2-10所示。图2-10(a)所示是供电电源为直流电源,采用直流汇点输入/直流输出的布线图,且有24V DC传感器电源输出。图2-10(b)所示是供电电源为交流,采用直流汇点输入/继电器输出的接线图,且有24V DC传感器电源输出。
图2-10 CPU221外部接线图