



电源线滤波器的电路在上节已经讲解过了,这是一个十分简单的电路。在一般的电源线滤波器中,由于电感和电容的非理想性,导致滤波器的插入损耗在 1MHz 以上降低,而这种降低是不利于设备顺利通过辐射发射试验的。因此,电源线滤波器的高频特性十分重要。实际上,不同滤波器厂家的产品水平主要体现在高频(10MHz 以上)滤波特性上。因为,当滤波器的电路结构和参数确定时,它的低频特性就确定了,而高频特性取决于器件的种类、电路的安装形式,以及使用时的安装方式。提高滤波器的高频性能主要从以下几方面采取措施。
(1)减小电感、电容的非理想性。
(2)减小或消除滤波器电路内部分布参数造成的空间耦合。
(3)滤波器在安装结构上便于隔离滤波器的输入端和输出端。
为了提高滤波器的高频特性,要尽量减小电感上的分布电容和电容上的寄生电感,所采取的措施如图5-34所示。
图5-34 实现滤波器时需要注意的问题
电感绕线时,要按照前面所介绍的控制电感分布电容的方法精心绕制,必要时,使用多个电感串联的方式拓宽有效频率范围。
滤波电容引线要尽量短,如果滤波器安装在电路板上,电路板上的走线也会成为电容的等效引线。这时,要注意保证实际的电容引线最短。尤其是安装共模滤波电容时更要注意这一点,因为共模干扰几乎都是从空间感应到电源线上的,这注定了共模干扰的频率较高;共模电感的电感量一般较大,因此它的高频特性较差(分布电容较大),主要利用共模滤波电容提供高频衰减。
使用三端电容作为共模滤波电容可以明显改善高频滤波效果,但是要注意三端电容的接地线尽量短,而其他两根线的长短几乎没有影响。必要时可以使用穿心电容制作高性能的电源线滤波器,这时,滤波器本身的性能可以维持到 1GHz 以上,如图 5-35 所示。这种高性能的电源线滤波器对于含有数字电路的设备顺利通过辐射发射试验往往是必要的。
图5-35 穿心电容构成的电源线滤波器的插入损耗
导致滤波器高频特性降低的另一个主要原因是,电路内部分布参数造成了电路前后之间的耦合。为了克服这个问题,滤波器内器件的布局就显得十分重要了,一定要避免输入端和输出端之间的耦合问题。实际安装时,滤波电路中的器件要按照器件在电路中的顺序摆放,前后折返会导致高频滤波性能严重降低。
另外,器件之间的距离对于滤波器的高频特性的影响也比较明显,前后级的器件靠得越近,滤波器的高频性能越差。因此,在空间允许的条件下,电路前后的电感与电容之间应保持一定的距离。必要时,可设置一个金属隔离板,减小空间耦合,隔离板要与滤波器的金属外壳在若干点上连接起来。如果使用穿心电容作为共模滤波电容,应将穿心电容安装在隔离板上,这样可以提供良好的空间隔离。
电源线滤波器的电路比较简单,因此许多工程师愿意将滤波电容直接安装在电路板上,但是滤波效果往往达不到要求,不能顺利通过试验。导致电路板上滤波器性能低的原因有如下两种。
(1)滤波器安装在电路板上时,空间的一些干扰会直接耦合进滤波电路及滤波器的输出,特别是滤波器电路的布线不当而形成较大的接收环路面积时,空间干扰会在滤波器中形成频率较高的差模电流,大部分滤波器对这种高频的差模电流滤波效果很差。另外,有磁芯的电感通常也是磁场的易感器件,外界磁场容易进入到电感中,以上这些因素导致滤波器的输出中有较多的高频成分,如图5-36所示。
图5-36 空间干扰直接耦合进滤波器电路和输出端
(2)大部分电路板设计人员不了解电源线滤波器的真正原理,不能进行最佳布线,常见的错误是共模滤波电容的接地引线过长,甚至不将共模滤波电容的地线连接到设备外壳上,如图5-37所示。
图5-37 滤波电路的布线问题
因此,将滤波器安装在电路板上使用并不是一件容易的事,要妥善处理上述问题才行。
为了避免空间的干扰耦合进滤波器电路,滤波器的外壳几乎都是金属外壳,有些安装在电路板上的滤波器使用塑料外壳,这也相当于将滤波电路直接安装在电路板上,有时甚至还不如直接安装在电路板上,因为成品滤波器为了追求小型化,内部排列过于紧凑,会导致很强的空间耦合。
对于高频滤波,输入端和输出端之间的耦合是导致滤波器高频特性降低的一个重要原因,因此滤波器的输入端和输出端应避免靠得太近,如在外壳的同一个面上。一般滤波器的输入线和输出线分别在滤波器相对的两侧。理想的滤波器结构是面板安装方式的,如图5-38 所示,使滤波器的输入端和输出端分别安装在面板的两侧,利用金属面板起到隔离的作用,同时保证滤波器的接地阻抗最小。但是需要注意,只有内部采用了穿心电容的高性能滤波器才需要按照图 5-38 所示的方式安装,否则由于内部电路之间的耦合远大于外部输入端和输出端之间的耦合,即使外部隔离了也起不到良好的高频滤波作用。
图5-38 面板安装方式的滤波器
电源线滤波器从电路结构上看虽然是一个简单的两端口网络,在电路图表示上就是将滤波器串联进需要滤波的电路,但是在实际应用中,滤波器的性能与其安装方式有很大的关系,这也是滤波器不同于其他电子器件的一个特点。也正是由于许多人没有认识到这一点,才会发生许多本来可以避免的电磁兼容问题。图5-39所示是几种常见的错误安装方式。
图5-39 常见的电源线滤波器错误安装方式
(1)图 5-39(a)的错误在于滤波器与电源端口之间的连线过长。由于连线过长,当外界的电磁干扰沿着电源线进入设备时,在经过滤波之前,就已经通过空间耦合的方式进入电路板的电路中,造成抗扰度的问题了。另外,机箱内的电磁干扰会感应到滤波器与电网的连接侧,直接传出机箱,造成干扰发射(传导或辐射骚扰)超标。
这是一个很常见的错误,因为许多设备的电源线输入端在设备的后面板,而开关、电源指示灯等在设备的前面板,这样电源线从后面板进入设备后,往往首先连接到前面板的显示灯、开关上,然后再连接到滤波器上。如果由于某种原因不能避免过长的连线,就应当将滤波器与电源端口之间用屏蔽线连接起来,且屏蔽层在两端与机箱良好搭接。
对于塑料机箱,可以在电路板和电源模块的下方放置较大的金属板,并将滤波器安装在这块金属板上,只有这样滤波器的共模滤波电容才会起作用,注意滤波器的电源输入线不要距离电路板过近。
(2)图 5-39(b)的错误在于滤波器的输入/输出线靠得太近。导致这个错误的原因往往是在布置设备内部连线时,为了整齐和美观,将滤波器的输入线和输出线捆扎在一起,这样做的结果是输入线和输出线之间有较大的分布电容,形成了耦合通路,使高频电磁干扰能量直接从滤波器输入线耦合到了输出线,等于把滤波器给旁路掉了,从而导致滤波器的高频滤波性能变差。
(3)图 5-39(c)的错误在于滤波器的外壳没有直接与金属机箱接触,而是通过一根较长的导线连接,导致这个错误的原因往往是机箱为了防腐蚀而全面喷涂了绝缘漆,使滤波器无法与机箱接触,这样做的后果是等于增加了共模电容的接地引线长度,从而使滤波器的高频滤波效果变差。
滤波器的理想安装方式见图 5-38,将滤波器直接安装在面板上,利用机箱的金属面板将滤波器的输入端和输出端隔离开。
1.滤波器的选用
滤波器的电路虽然简单,但是要获得良好的效果并不容易,因此,大部分工程师都会直接选用成品滤波器,一方面,成品滤波器都封装在金属外壳内,可以避免空间干扰直接耦合的问题;另一方面,成品滤波器都是经过精心设计和组装的,滤波效果比较理想。但是如何选用成品滤波器,往往会使许多技术人员感到困惑。下面是一些滤波器选择中常见的错误认识,望工程师们在实际工程中加以注意。
错误认识一:滤波器中的电容或电感的值越大,干扰滤除得越干净。
电容或电感的值越大,只表明这个滤波器的截止频率越低,对频率较低的干扰更有效,但是与电容、电感较小的滤波器相比,往往高频的滤波效果会较差。
错误认识二:滤波器的级数越多,干扰滤除得越干净。
滤波器的级数越多,只是过渡带越短,高频的插入损耗越大。如果干扰的频率低于这个滤波器的截止频率,级数再多也不起作用。
错误认识三:滤波器的体积越小越好。
滤波器的体积小意味着这个滤波器中有用的电容、电感的体积都比较小,并且安装得比较紧凑。电容、电感的体积小一般是以减小电容值、电感量为代价的,因此牺牲的是低频滤波性能,器件安装得过于紧凑,增加了空间耦合,牺牲的是高频滤波性能。因此,体积很小的滤波器往往滤波性能不是很好。
错误认识四:只要滤波器的电路相同,它们的性能就相同。
滤波器的电路结构和参数只决定了滤波器在低频段(1MHz 以下)的特性,而滤波器的高频特性与电容的种类(普通电容、三端电容、穿心电容等)、电感的构造(磁芯、绕制方法等)、电路的安装方式等因素密切相关。通常高频特性对设备的辐射发射影响更大。
错误认识五:在直流供电线上,可以用交流滤波器替代直流滤波器使用。
从安全上讲这样做是没有问题的,但这样做会使成本有所增加,并且滤波性能还不一定好,且会占用更大的安装空间。交流滤波器由于受到安全规范的限制(包括耐压、漏电流、绝缘等方面),所使用器件的体积较大,共模滤波电容容量较小,因此,在同样的额定工作电流条件下,交流滤波器的性能会差很多,体积也比较大,价格也高不少。
2.滤波器使用的注意事项
除了上面讲的几个常见的错误认识,在使用滤波器时还应注意以下几点。
(1)应选择通过安全认证的电源线滤波器产品。
(2)选择滤波器除注意插入损耗外,额定电压和额定电流也是一个主要的参数。工作电流超过额定电流时,不仅使滤波器过热,还会因电流过大造成磁芯饱和,实际电感量减小,影响低频段的滤波特性。
(3)安装滤波器时,在设备滤波器的电源线进线和出线尽量远离的基础上,如果使用屏蔽线无法保证屏蔽层接地良好,可以采用双绞电源线,以避免高频干扰在线间直接耦合。
(4)滤波器用来抑制高频电磁干扰比较有效,而在雷击浪涌试验中就不适用了,这时必须在使用滤波器的同时配合使用压敏电阻等瞬态干扰抑制器件。在这种情况下经常碰到一个问题:浪涌试验通过了,安全试验通不过。实际上,采用压敏电阻的目的就是要抑制超过正常电压的浪涌干扰,所以在进行安全耐压试验时的工频高电压必然会使压敏电阻产生动作,造成耐压试验不合格的假象。正确的做法是:在做安全试验时应将压敏电阻等瞬态抑制器件断开,而在做浪涌试验时再将压敏电阻接入。因为压敏电阻只是用来抑制浪涌电压的,以保护设备在浪涌情况下不产生误动作,也不会被高电压击坏。
有浪涌抑制功能和无浪涌抑制功能的滤波器在考核指标方向上是完全不同的。通常,无浪涌抑制功能的滤滤器的 L、N-E(火线、零线对地)耐压试验采用 2000~2500V AC,L-N(火线对零线)采用1700V DC或760V AC。而对于内部安装了压敏电阻或其他防雷元件的滤波器,考核指标就不同了。以瑞士夏弗纳公司的FN332Z带浪涌保护的滤波器为例,它的 L、N-E 试验电压为 2000V AC,而 L-N 为 350V DC。又如,FN700Z(高性能滤波器,在线间及线、地之间都带有浪涌保护)规定L-N-E为590V AC,L-N为590V AC。这两种滤波器的耐压指标不同,是因为内部浪涌抑制器件的参数不同的缘故。
前面几节讲解了滤波器的设计,在实际调试滤波器时,有时也会遇到自制滤波器的滤波特性不理想的情况,由于源阻抗、负载阻抗与标准规定的测试电路严重失配,滤波器衰减特性明显变差,甚至个别点上还出现衰减特性为负的情况,即在这些频点上,滤波器对干扰不但没有衰减,反而还“放大”了。解决这个问题的一个方法是改变滤波电路的参数,将谐振频率移动到没有干扰的频率上;另一个方法是增加滤波器的电阻性损耗(降低 Q 值),具体的方法在后面的章节中会详细讲解,在此就不做论述了。
自行设计滤波器应遵循的设计原则:不要过于追求滤波效果而导致成本过高,只要达到电磁兼容标准的限值要求并有一定的裕量(一般可控制在6dB左右)即可。
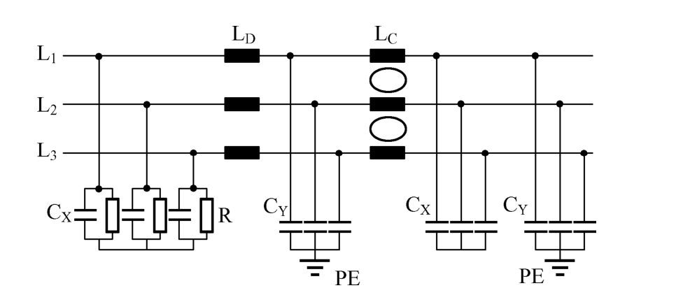
下面再举一个三相电源线滤波器电路结构的例子,供有这方面需要的读者参考。如图 5-40 所示,其中,L C =1.5mH,L D =100μH,R=1MΩ,C X =0.47μF,C Y =4.7nF。图 5-40中,L D 为差模滤波电感,与 C X 、R 组成差模滤波电路;L C 为共模滤波电感,与两组 C Y 组成共模滤波电路,电感、电容都为三组,即每一相的线路具有滤波效果。
图5-40 三相电源线滤波器