



Proteus电路设计是在ISIS软件环境中进行的,该软件编辑环境具有友好的交互式人机界面,设计功能强大,使用方便。
    在计算机中安装好Proteus 8.0软件后,执行菜单命令“开始”→“程序”→“Proteus7Professional”→“Proteus 8 Professional”或在桌面上双击图标
     ,弹出图2-1所示的Proteus 8Professional启动界面。
    ,弹出图2-1所示的Proteus 8Professional启动界面。
   
 
    图2-1 Proteus 8 Professional启动界面
    从图2-1中可以看出,Proteus软件主要由
     (Intelligent Schematic Input System,ISIS)和
    (Intelligent Schematic Input System,ISIS)和
     (Advanced Routing and Editing Software,ARES)两个软件构成,其中ISIS是一款智能原理图输入系统软件,可作为电子系统仿真平台;ARES是一款高级布线编辑软件,用于制作PCB。由于本书主要是应用Proteus进行程序仿真,所以本书只讲述与ISIS相关的内容,而ARES的内容在本书中不做介绍。
    (Advanced Routing and Editing Software,ARES)两个软件构成,其中ISIS是一款智能原理图输入系统软件,可作为电子系统仿真平台;ARES是一款高级布线编辑软件,用于制作PCB。由于本书主要是应用Proteus进行程序仿真,所以本书只讲述与ISIS相关的内容,而ARES的内容在本书中不做介绍。
   
1.Proteus ISIS编辑环境
在Proteus 8 Professional启动界面上单击ISIS图标,进入ISIS 8 Professional窗口,如图2-2所示。它由菜单栏、主工具栏、预览窗口、元器件选择按钮、工具箱、原理图编辑窗口、对象选择器、仿真按钮、方向工具栏和状态栏等部分组成。
 
    图2-2 ISIS 8 Professional窗口
1)菜单栏 Proteus ISIS共有11项菜单,每项都有下一级菜单。
“File”(文件)菜单:包括项目新建、保存、导入、导出、打印等操作,快捷键为“Alt”+“F”。
“View”(查看)菜单:对原理图编辑窗口定位、栅格的调整及图形的缩放等操作,快捷键为“Alt”+“V”,图中栅格尺寸1in=2.54cm。
“Edit”(编辑)菜单:对原理图编辑窗口中元器件的剪切、复制、粘贴、撤销、恢复等操作,快捷键为“Alt”+“E”。
“Tools”(工具)菜单:具有实时标注、自动布线、搜索并标志、属性分配工具、全局标注、ASCII文本数据导入、材料清单、电气规则检查、网络表编译、模型编译、将网络表导入PCB、从PCB返回原理图设计等功能,快捷键为“Alt”+“T”。
“Design”(设计)菜单:具有编辑设计属性、编辑面板属性、编辑设计注释、配置电源线、新建原理图、删除原理图、转到前一个原理图、转到下一个原理图、转到原理图、设计浏览等功能,快捷键为“Alt”+“D”。
“Graph”(图形)菜单:具有编辑仿真图形、增加跟踪曲线、仿真图形、查看日志、导出数据、清除数据、图形一致性分析、批处理模式一致性分析等功能,快捷键为“Alt”+“G”。
“Debug”(调试)菜单:具有调试、运行、断点设置等功能,快捷键为“Alt”+“B”。
“Library”(库)菜单:具有选择元器件/符号、制作元器件、制作符号、封装工具、分解元器件、编译到库、自动放置到库、验证封装、库管理等功能,快捷键为“Alt”+“L”。
“Template”(模板)菜单:具有完成图形、颜色、字体、连线等功能,快捷键为“Alt”+“M”。
“System”(系统)菜单:具有系统信息、文本浏览、设置系统环境、设置路径等功能,快捷键为“Alt”+“Y”。
“Help”(帮助)菜单:为用户提供帮助文档,同时每个元器件均可通过属性中的Help获得帮助,快捷键为“Alt”+“H”。
2)主工具栏 包括文本工具条(File Toolbar)、查看工具条(View Toolbar)、编辑工具条(Edit Toolbar)和调试工具条(Design Toolbar)4部分。这4部分工具条的打开与关闭的方法是,执行菜单命令“View”→“Toolbar…”,在弹出的“Show/Hide Toolbars”对话框中进行设置即可(复选框中打“√”表示该工具条打开)。
    
     3)预览窗口
    
    预览窗口可显示两部分的内容:①在“对象选择器”中单击某个元器件,或者在“工具箱”中选择元器件
     、元器件终端
    、元器件终端
     、绘制子电路
    、绘制子电路
     、虚拟仪器
    、虚拟仪器
     等对象时,预览窗口会显示该对象的符号,如图2-3(a)所示;②当光标落在原理图编辑窗口或在“工具箱”中单击按钮
    等对象时,预览窗口会显示该对象的符号,如图2-3(a)所示;②当光标落在原理图编辑窗口或在“工具箱”中单击按钮
     时,它会显示整张原理图的缩略图,并显示一个绿色方框和一个蓝色方框,绿色方框中的内容就是当前原理图编辑窗口中显示的内容,可用鼠标在它上面单击来改变绿色方框的位置,从而改变原理图的可视范围,蓝色方框内是可编辑区的缩略图,如图2-3(b)所示。
    时,它会显示整张原理图的缩略图,并显示一个绿色方框和一个蓝色方框,绿色方框中的内容就是当前原理图编辑窗口中显示的内容,可用鼠标在它上面单击来改变绿色方框的位置,从而改变原理图的可视范围,蓝色方框内是可编辑区的缩略图,如图2-3(b)所示。
   
 
    图2-3 预览窗口
    
     4)“元器件选择”按钮
    
    在工具箱中单击元器件图标
     时,才会出现“元器件选择”按钮。“元器件选择”按钮中“P”为对象选择按钮,“L”为库管理按钮。单击“P”按钮时,将弹出图2-4所示的“Pick Devices”对话框,在“Keywords”栏中输入元器件名,单击“OK”按钮即可从库中选择元器件,并将所选器件名逐一列在“对象选择器”窗口中。
    
     5)工具箱
    
    在ISIS 8中提供了许多工具按钮,这些按钮对应的操作如下所述。
    时,才会出现“元器件选择”按钮。“元器件选择”按钮中“P”为对象选择按钮,“L”为库管理按钮。单击“P”按钮时,将弹出图2-4所示的“Pick Devices”对话框,在“Keywords”栏中输入元器件名,单击“OK”按钮即可从库中选择元器件,并将所选器件名逐一列在“对象选择器”窗口中。
    
     5)工具箱
    
    在ISIS 8中提供了许多工具按钮,这些按钮对应的操作如下所述。
   
 
    图2-4“Pick Devices”对话框
     选择按钮(Selection Mode):使用户可以在原理图编辑窗口中单击任意元器件并编辑元器件的属性。
    选择按钮(Selection Mode):使用户可以在原理图编辑窗口中单击任意元器件并编辑元器件的属性。
   
     选择元器件(Components Mode):使用户可以在元器件选择按钮中单击“P”按钮时,根据需要从库中添加元器件列表中,也可在列表中选择元器件。
    选择元器件(Components Mode):使用户可以在元器件选择按钮中单击“P”按钮时,根据需要从库中添加元器件列表中,也可在列表中选择元器件。
   
     连接点(Junction Dot Mode):在原理图中放置连接点,也可在不用边线工具的前提下,方便地在节点之间或节点到电路中任意点或线之间连线。
    连接点(Junction Dot Mode):在原理图中放置连接点,也可在不用边线工具的前提下,方便地在节点之间或节点到电路中任意点或线之间连线。
   
     连线的网络标号(Wire Label Mode):在绘制电路图时,使用网络标号可使连线简单化。例如,在从AT89C51单片机的P1.0和二极管的阳极处绘制一条短线,并标注相同网络标号,那就说明AT89C51单片机的P1.0和二极管的阳极已经连接在一起,不用再绘制一条线将它们连接起来。
    连线的网络标号(Wire Label Mode):在绘制电路图时,使用网络标号可使连线简单化。例如,在从AT89C51单片机的P1.0和二极管的阳极处绘制一条短线,并标注相同网络标号,那就说明AT89C51单片机的P1.0和二极管的阳极已经连接在一起,不用再绘制一条线将它们连接起来。
   
     插入文本(Text Script Mode):在电路中输入脚本。
    插入文本(Text Script Mode):在电路中输入脚本。
   
     总线(Buses Mode):总线在电路图中显示出来就是一条粗线,它是一组口线,由多根单线组成。使用总线时,总线分支线都要标注好相应的网络标号。
    总线(Buses Mode):总线在电路图中显示出来就是一条粗线,它是一组口线,由多根单线组成。使用总线时,总线分支线都要标注好相应的网络标号。
   
     绘制子电路(Sub circuits Mode):用于绘制子电路块。
    绘制子电路(Sub circuits Mode):用于绘制子电路块。
   
     终端(Terminals Mode):绘制电路图时,通常会涉及各种端子,如输入、输出、电源和地等。单击此图标,将弹出“Terminals Selector”窗口,此窗口中提供了各种常用的端子供用户选择,其中DEFAULT为默认的无定义端子;INPUT为输入端子;OUTPUT为输出端子;BIDIR为双向端子;POWER为电源端子;GROUND为接地端子;BUS为总线端子。
    终端(Terminals Mode):绘制电路图时,通常会涉及各种端子,如输入、输出、电源和地等。单击此图标,将弹出“Terminals Selector”窗口,此窗口中提供了各种常用的端子供用户选择,其中DEFAULT为默认的无定义端子;INPUT为输入端子;OUTPUT为输出端子;BIDIR为双向端子;POWER为电源端子;GROUND为接地端子;BUS为总线端子。
   
     选择元器件引脚(Device Pins Mode):选择该图标时,在弹出的窗口中将出现各种引脚供用户选择(如普通引脚、时钟引脚、反电压引脚和短接引脚等)。
    选择元器件引脚(Device Pins Mode):选择该图标时,在弹出的窗口中将出现各种引脚供用户选择(如普通引脚、时钟引脚、反电压引脚和短接引脚等)。
   
     图表(Graph Mode):单击该图标,在弹出的“Graph”窗口中将出现各种仿真分析所需的图表供用户选择,其中ANALOGUE为模拟图表;DIGITAL为数字图表;MIXED为混合图表;FREQUENCY为频率图表;TRANSFER为转换图表;NOISE为噪声图表;DISTORTION失真图表;FOURIER傅里叶图表;AUDIO为声波图表;INTERACTIVE交互式图表;CONFORMANCE一致性图表;DC SWEEP为直流扫描图表;AC SWEEP为交流扫描图表。
    图表(Graph Mode):单击该图标,在弹出的“Graph”窗口中将出现各种仿真分析所需的图表供用户选择,其中ANALOGUE为模拟图表;DIGITAL为数字图表;MIXED为混合图表;FREQUENCY为频率图表;TRANSFER为转换图表;NOISE为噪声图表;DISTORTION失真图表;FOURIER傅里叶图表;AUDIO为声波图表;INTERACTIVE交互式图表;CONFORMANCE一致性图表;DC SWEEP为直流扫描图表;AC SWEEP为交流扫描图表。
   
     信号源(Generator Mode):单击该图标,在弹出的“Generator”窗口中将出现各种激励源供用户选择,如DC为直流激励源、SINE为正弦激励源、PULSE为脉冲激励源、EXP为指数激励源等。
    信号源(Generator Mode):单击该图标,在弹出的“Generator”窗口中将出现各种激励源供用户选择,如DC为直流激励源、SINE为正弦激励源、PULSE为脉冲激励源、EXP为指数激励源等。
   
     电压探针(Voltage Probe Mode):在原理图中添加电压探针,在电路仿真时可显示各探针处的电压值。
    电压探针(Voltage Probe Mode):在原理图中添加电压探针,在电路仿真时可显示各探针处的电压值。
   
     虚拟仪器(Virtual Instruments):单击该图标,在弹出的“Instruments”窗口中将出现虚拟仪器供用户选择,如OSCILLOSCOPE为示波器、LOGIC ANALYSER为逻辑分析仪、COUNTER TIMER为计数/定时器、SPI DEBUGGER为SPI总线调试器、I2C DEBUGGER为I2C总线调试器、SIGNAL GENERATOR为信号发生器等。
    虚拟仪器(Virtual Instruments):单击该图标,在弹出的“Instruments”窗口中将出现虚拟仪器供用户选择,如OSCILLOSCOPE为示波器、LOGIC ANALYSER为逻辑分析仪、COUNTER TIMER为计数/定时器、SPI DEBUGGER为SPI总线调试器、I2C DEBUGGER为I2C总线调试器、SIGNAL GENERATOR为信号发生器等。
   
     画线按钮(2D Graphics Line Mode):用于创建元器件或表示图表时绘线。单击该图标,在弹出的窗口中将出现多种画线工具供用户选择,其中COMPONENT为元器件连线;PIN为引脚连线;PORT为端口连线;MARKER为标志连线;ACTUATOR为激励源连线;INDICATOR为指示器连线;VPROBE为电压探针连线;IPROBE为电源探针连线;TAPE为录音机连线;GENERATOR为信号发生器的连线;TERMINAL为端子连线;SUBCIRCUIT为支路连线;2D GRAPHIC为二维图连线;WIRE DOT为线连接点的连线;WIRE为一般连线;BUS WIRE为总线连线;BORDER为边界连线;TEMPLATE为模板连线。
    画线按钮(2D Graphics Line Mode):用于创建元器件或表示图表时绘线。单击该图标,在弹出的窗口中将出现多种画线工具供用户选择,其中COMPONENT为元器件连线;PIN为引脚连线;PORT为端口连线;MARKER为标志连线;ACTUATOR为激励源连线;INDICATOR为指示器连线;VPROBE为电压探针连线;IPROBE为电源探针连线;TAPE为录音机连线;GENERATOR为信号发生器的连线;TERMINAL为端子连线;SUBCIRCUIT为支路连线;2D GRAPHIC为二维图连线;WIRE DOT为线连接点的连线;WIRE为一般连线;BUS WIRE为总线连线;BORDER为边界连线;TEMPLATE为模板连线。
   
     方框按钮(2D Graphics Box Mode):用于创建元器件或表示图表时绘制方框。
    方框按钮(2D Graphics Box Mode):用于创建元器件或表示图表时绘制方框。
   
     圆按钮(2D Graphics Circle Mode):用于创建元器件或表示图表时绘制圆。
    圆按钮(2D Graphics Circle Mode):用于创建元器件或表示图表时绘制圆。
   
     弧线按钮(2D Graphics Arc Mode):用于创建元器件或表示图表时绘制弧线。
    弧线按钮(2D Graphics Arc Mode):用于创建元器件或表示图表时绘制弧线。
   
     曲线按钮(2D Graphics Path Mode):用于创建元器件或表示图表时绘制任意形状的曲线。
    曲线按钮(2D Graphics Path Mode):用于创建元器件或表示图表时绘制任意形状的曲线。
   
     放置字符文字按钮(2D Graphics Text Mode):用于插入各种文字说明。
    放置字符文字按钮(2D Graphics Text Mode):用于插入各种文字说明。
   
     符号按钮(2D Graphics Symbol Mode):用于选择各种符号/元器件。
    符号按钮(2D Graphics Symbol Mode):用于选择各种符号/元器件。
   
     坐标原点按钮:用于产生各种标志图标。
    坐标原点按钮:用于产生各种标志图标。
   
6)原理图编辑窗口 原理图编辑窗口用于放置元器件,进行连线,绘制原理图。窗口中蓝色方框内为可编辑区,电路设计必须在此窗口内完成。该窗口没有滚动条,用户单击预览窗口,拖动鼠标移动预览窗口中的绿色方框即可改变可视电路图区域。
在原理图编辑窗口中的操作与常用的Windows应用程序不同,其操作特点如下所述。
3D鼠标的中间滚轮用于放大或缩小原理图。
单击鼠标左键用于放置元器件、连线。
单击鼠标右键用于选择元器件、连线和其他对象。若操作对象已被选中,默认情况下将以红色显示。
双击鼠标右键,用于删除元器件、连线。
先单击鼠标右键,然后单击鼠标左键,用于编辑元器件属性。
按住鼠标右键拖出方框,用于选中方框中的多个元器件及其连线。
先单击鼠标右键选中对象,按住鼠标左键移动,用于拖动元器件、连线。
    
     7)仿真按钮
    
    仿真按钮
     用于仿真运行控制。
    用于仿真运行控制。
   
     :运行
    :运行
   
     :单步运行
    :单步运行
   
     :暂停
    :暂停
   
     :停止
    :停止
   
8)方向工具栏
     旋转控制:第1个和第2个图标是旋转按钮,第3个图标用于输入的旋转角度,旋转角度只能是90°的整数倍。直接单击旋转按钮,则以90°为递增量进行旋转。
    旋转控制:第1个和第2个图标是旋转按钮,第3个图标用于输入的旋转角度,旋转角度只能是90°的整数倍。直接单击旋转按钮,则以90°为递增量进行旋转。
   
     翻转控制:用于水平翻转和垂直翻转。
    翻转控制:用于水平翻转和垂直翻转。
   
使用方法:先用鼠标右键单击元器件,再单击相应的旋转按钮。
2.Proteus ISIS参数设置
Proteus ISIS参数设置主要是对编辑环境和系统参数进行设置。
1)编辑环境设置 Proteus ISIS编辑环境的设置主要是对模板、图纸、文本编辑器和网格点的设置。
(1)模板的设置:执行菜单命令“Template”→“Set Design Colours”,弹出图2-5所示的窗口,进行设计默认值的设置。在此窗口中可设置纸张(Paper)、网格点(Grid Dot)、工作区(Work Box)、提示(Highlight)、拖动(Drag)等项目的颜色;设置电路仿真(Animation)时正(Positive)、负(Negative)、地(Ground)、逻辑高(1)/低(0)等项目的颜色;设置隐藏对象(Hidden Objects)是否显示及颜色;设置默认字体(Font)。
执行菜单命令“Template”→“Set Graph&Trace Colours”,弹出图2-6所示的窗口,进行图形颜色的设置。在此窗口中可设置图形轮廓(Graph Outline)、底色(Background)、图形标题(Graph Title)、图形文本(Graph Text)的颜色;设置模拟跟踪曲线(Analogue Traces)中不同曲线的颜色;设置数字跟踪曲线(Digital Traces)的颜色。
 
    图2-5“Edit Design Defaults”窗口
 
    图2-6“Graph Colour Configuration”窗口
执行菜单命令“Template”→“Set Graphics Styles”,弹出图2-7所示的窗口,进行图形格式的设置。在此窗口的“Style”下拉列表框中可选择不同的系统图形风格,可设置线型(Line style)、线宽(Width)、线的颜色(Colour);设置图形填充方式(Fill style)、填充颜色(Fg.colour)。
执行菜单命令“Template”→“Set Text Styles”,弹出图2-8所示的窗口,进行全局文本格式的设置。在此窗口中可以选择字体(Font face),设置字体的高度(Height)、宽度(Width)和颜色(Colour),以及字体是否加粗(Bold)、倾斜(Italic)、下划线(Underline)、横线(Strikeout)及是否显示(Visible)。
 
    图2-7“Edit Global Graphics Styles”窗口
 
    图2-8“Edit Global Text Styles”窗口
执行菜单命令“Template”→“Set 2D Graphics Defaults”,弹出图2-9所示的窗口,进行图形文本的设置。在此窗口中可以选择字体(Font face);设置字体在文本框中的水平位置(Horizontal)和垂直位置(Vertical),水平位置分左(Left)、中心(Centre)、右(Right)3个位置,垂直位置分上(Top)、中(Middle)、下(Bottom)3个位置;设置字体是否加粗(Bold)、倾斜(Italic)、下划线(Underline)、横线(Strikeout)及是否显示(Visible);设置字体的高度(Height)和宽度(Width)。
执行菜单命令“Template”→“Set Junction Dots Styles”,弹出图2-10所示的窗口,进行连接点的设置。在此窗口中可进行连接点大小(Size)的设置;连接点形状(Shape)的设置,连接点的形状可选方形(Square)、圆点(Round)、菱形(Diamond)。
 
    图2-9“Set 2D Graphics Initialisation”窗口
 
    图2-10“Configure Junction”窗口
(2)图纸尺寸的设置:执行菜单命令“System”→“Set Sheet Sizes”,弹出图2-11 所示的窗口,进行图纸的设置。系统提供了美制图纸A0~A4,其中A4 的尺寸最小。
(3)文本编辑器的设置:执行菜单命令“System”→“Set Text Editor”,弹出图2-12所示的“字体”对话框,进行字体的设置。在该对话框中可设置字体、字形、大小、颜色和效果。
 
    图2-11“Sheet Size Configuration”窗口
 
    图2-12“字体”对话框
(4)网格点的设置:执行菜单命令“View”→“Toggle Grid”,可显示/隐藏原理图编辑器中的网格点。显示网格点时,执行菜单命令“View”→“Snap 10th”或“Snap 50th”、“Snap 0.1in”、“Snap 0.5in”,可设置网格点的间距。
2)系统参数设置 Proteus ISIS系统参数的设置主要是对热键(Keyboard)、标注选项(Animation)、仿真参数(Simulator)的设置。
 
    图2-13“Edit Keyboard Map”对话框
(1)热键(Keyboard)的设置:执行菜单命令“System”→“Set Keyboard Mapping…”,弹 出图2-13所示的对话框,进行热键(快捷键)的设置。单击“Command Groups”下拉列表,可选择相应的菜单项;“Available Commands”列表框中为可设置热键项;“Key sequence for selected command”栏中为热键的设置。例如,要将“Edit”菜单中“Copy”项设置的热键为“Ctrl”+“C”,其操作为,在“Command Groups”下拉列表中选择“Edit”菜单项,在“Available Commands”列表框中单击“Copy To Clipboard”,然后在“Key sequence for selected command”栏中输入“Ctrl+C”,最后单击“Assign”按钮和“OK”按钮。
(2)标注选项(Animation)的设置:执行菜单命令“System”→“Set Animation Options”,弹出图2-14所示的对话框,进行标注选项的设置。在此对话框中可设置仿真速度、电压/电流的范围,也可对其他功能进行设置。
Show Voltage&Current on Probe:用于设置是否在探测点显示电压值和电流值。
Show Logic State of Pins:设置是否显示引脚的逻辑状态。
Show Wire Voltage by Colour:设置是否用不同的颜色表示线的电压。
Show Wire Current with Arrow:设置是否用箭头表示线的电流方向。
(3)仿真参数(Simulator)的设置:执行菜单命令“System”→“Set Simulator Options”,弹出图2-15所示的对话框,进行仿真参数的设置。
 
    图2-14“Animated Circuits Configuration”对话框
 
    图2-15“Default Simulator Options”对话框
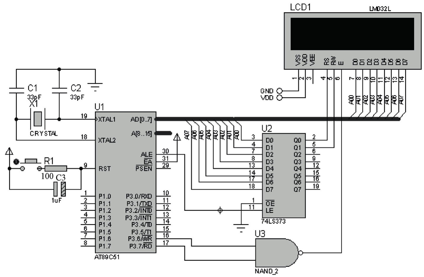
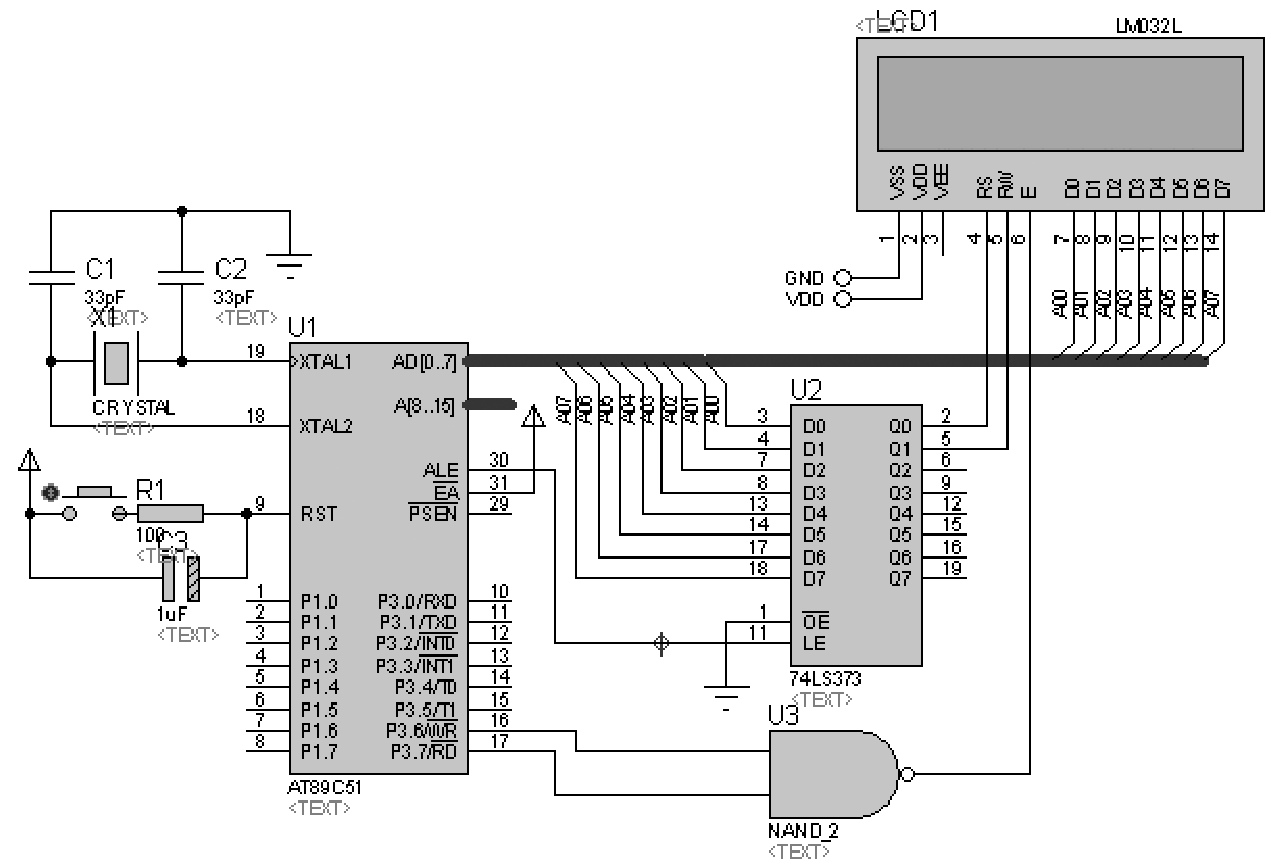
下面以图2-16为例,介绍Proteus ISIS原理图的绘制方法。
 
    图2-16 动手绘制一幅原理图
1.新建项目
    在桌面上双击图标
     ,打开ISIS 8 Professional窗口。执行菜单命令“File”→“New Project”,弹出如图2-17所示的项目创建向导—开始对话框。在此对话框中,可以设置项目名(Name)及项目保存路径(Path)。
    ,打开ISIS 8 Professional窗口。执行菜单命令“File”→“New Project”,弹出如图2-17所示的项目创建向导—开始对话框。在此对话框中,可以设置项目名(Name)及项目保存路径(Path)。
   
 
    图2-17 项目创建向导—开始对话框
设置项目名及保存路径后,单击“Next”按钮,将弹出如图2-18所示对话框以进行原理图模板设置。选中“Do not create a schematic”选项时,不再新建原理图;选中“Create a schematic from the selected template”选项时,新建原理图,并从列表中选择合适的模板样式。横向图纸为“Landscape”,纵向图纸为“Portrait”,“DEFAULT”为默认模板。A0~A4 为图纸尺寸大小,其中A4 的尺寸为最小,A0 的尺寸为最大。
 
    图2-18 项目创建向导—原理图模板设置对话框
在图2-18中选中“Create a schematic from the selected template”选项,并选择“DEFAULT”,单击“Next”按钮,弹出如图2-19所示的PCB版图设置对话框。选中“Do not create a PCB Layout”选项时,不再新建PCB版图;选中“Create a PCB Layout from the selected template”选项时,新建PCB版图,并从列表中选择合适的版图样式。
在图2-19中选择“Do not create a PCB Layout”选项,不再创建PCB版图,并单击“Next”按钮,将弹出如图2-20所示的固件设置对话框。选中“No Firmware Project”选项时,选择项目中不包含固件;选中“Create Firmware Project”选项时,选择创建包含固件的项目,并可设置相应的固件系列(Family)、控制器(Contoller)和编译器(Compiler)。
 
    图2-19 项目创建向导—PCB版图设置对话框
 
    图2-20 项目创建向导—固件设置对话框
在图2-20 中选中“No Firmware Project”选项,并单击“Next”按钮,将弹出如图2-21所示的项目概要对话框。在此对话框中显示选择保存路径为“F:\BOOK\51\基于Proteus的51 系列单片机设计与仿真(第3 版)\程序与仿真”目录下,保存项目名为“example”。文件保存后在ISIS 8 Professional窗口的标题栏上显示为“example”。
 
    图2-21 项目创建向导—项目概要
2.添加元器件
本例中使用的元器件见表2-1。
表2-1 本例所用元器件列表
 
   
    在元器件选择按钮
     中单击“P”按钮,或者执行菜单命令“Library”→“Pick Device/Symbol”,弹出图2-22所示的对话框。在此对话框中添加元器件的方法有以下两种。
    中单击“P”按钮,或者执行菜单命令“Library”→“Pick Device/Symbol”,弹出图2-22所示的对话框。在此对话框中添加元器件的方法有以下两种。
   
 
    图2-22 元器件库选择对话框
(1)在关键字中输入元器件名称,如“AT89C51.BUS”,则出现与关键字相匹配的元器件列表,如图2-23所示。选中并双击AT89C51.BUS所在行后,单击“OK”按钮或按“Enter”键,即可将器件AT89C51.BUS加入到ISIS对象选择器中。
(2)在元器件类列表中选择元器件所属类,然后在子类列表中选择所属子类,若对元器件的制造商有要求时,在制造商区域选择期望的厂商,即可在元器件列表区域得到相应的元器件。
按照上述方法添加元器件到ISIS对象选择器中。
3.放置、移动、旋转、删除对象
元器件添加到ISIS对象选择器中后,在对象选择器中单击要放置的元器件,蓝色条出现在该元器件名称上,再在原理图编辑窗口中单击即可放置了一个元器件。也可以在按住鼠标左键的同时移动鼠标,在合适位置释放,将元器件放置在预定位置上。
 
    图2-23 输入元器件名称
在原理图编辑窗口中若要移动元器件或连线时,先用鼠标右键单击对象,使元器件或连线处于选中状态(默认情况下为红色),再按住鼠标左键进行拖动,元器件或连线就跟随光标移动,到达合适位置时,松开鼠标左键即可。
    放置元器件前,单击要放置的元器件,蓝色条出现在该元器件名称上,单击方向工具栏上相应的转向按钮即可旋转元器件,再在原理图编辑窗口中单击就放置了一个已经更改方向的元器件。若在原理图编辑窗口中需要更改元器件方向时,单击选中该元器件,再单击块旋转图标
     ,在弹出的对话框中输入旋转的角度,也可实现元器件方向的更改。
    ,在弹出的对话框中输入旋转的角度,也可实现元器件方向的更改。
   
在原理图编辑窗口中要删除元器件时,用鼠标右键双击该元器件即可删除该元器件,或者先单击选中该元器件,再按“Delete”键也可删除元器件。
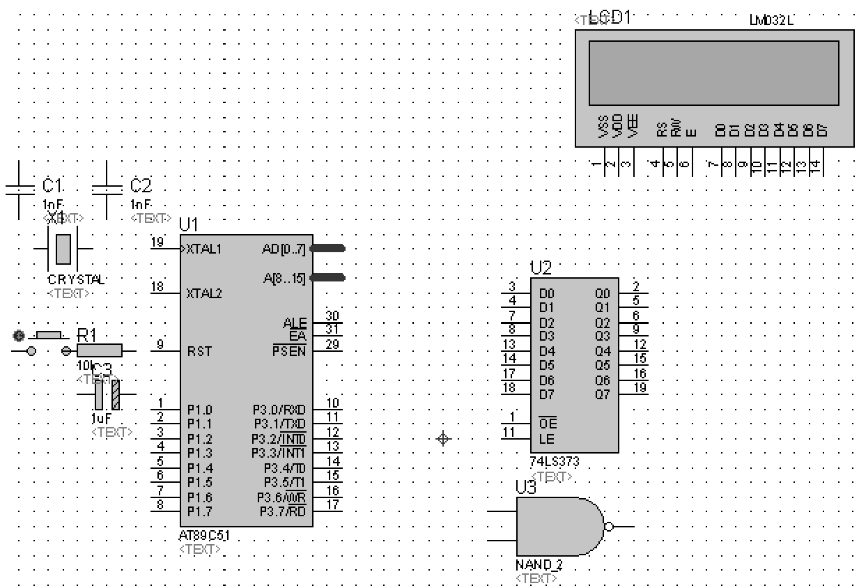
通过放置、移动、旋转、删除元器件后,可将各元器件放置在ISIS原理图编辑窗口中合适的位置,如图2-24所示。
4.放置电源、地
    单击工具箱中图标
     ,在对象选择器中单击“POWER”,使其出现蓝色条,再在原理图编辑窗口合适位置单击鼠标,即可将“电源”放置在原理图中。同样,在对象选择器中单击“GROUND”,再在原理图编辑窗口合适位置单击鼠标,即可将“地”放置在原理图中。
    ,在对象选择器中单击“POWER”,使其出现蓝色条,再在原理图编辑窗口合适位置单击鼠标,即可将“电源”放置在原理图中。同样,在对象选择器中单击“GROUND”,再在原理图编辑窗口合适位置单击鼠标,即可将“地”放置在原理图中。
   
5.布线
    在ISIS原理图编辑窗口中没有专门的布线按钮,但系统默认自动布线
     有效,因此可直接绘制连线。
    有效,因此可直接绘制连线。
   
 
    图2-24 各元器件放置在原理图编辑窗口中合适的位置
1)在两个对象间连线
    (1)将光标靠近一个对象引脚末端,该处自动出现一个“
     ”,单击鼠标左键。
    ”,单击鼠标左键。
   
    (2)移动鼠标至另一对象的引脚末端,该端出现一个“
     ”时再单击鼠标,即可绘制一个连线,如图2-25(a)所示;若想手动设定布线路径,左移动鼠标过程中在想要拐点处单击,设定布线路径,到达连线的另一端时单击鼠标左键,就绘制好一个连线,如图2-25(b)所示。在移动鼠标过程中,按住“Ctrl”键,在连线的另一端出现一个“
    ”时再单击鼠标,即可绘制一个连线,如图2-25(a)所示;若想手动设定布线路径,左移动鼠标过程中在想要拐点处单击,设定布线路径,到达连线的另一端时单击鼠标左键,就绘制好一个连线,如图2-25(b)所示。在移动鼠标过程中,按住“Ctrl”键,在连线的另一端出现一个“
     ”时单击鼠标左键,可手动绘制一任意角度的连线,如图2-25(c)所示。
    ”时单击鼠标左键,可手动绘制一任意角度的连线,如图2-25(c)所示。
   
 
    图2-25 布线
2)移动连线、更改线型
(1)单击鼠标左键选中连线,将光标靠近该连线,出现双箭头,如图2-25(d)所示。
(2)按住鼠标左键,拖曳鼠标,该连线就随之移动。
    (3)若要同时移动多根线,应先框选这些连线,再单击块移动按钮
     ,拖曳鼠标,在合适位置单击鼠标左键,即可改变线条的位置。
    ,拖曳鼠标,在合适位置单击鼠标左键,即可改变线条的位置。
   
3)绘制总线及其分支线
绘制总线的步骤如下所述。
    (1)将光标靠近一个对象引脚末端,该处自动出现一个“
     ”,单击鼠标左键。
    ”,单击鼠标左键。
   
(2)移动鼠标,在合适位置双击鼠标左键,绘制出一条直线。
(3)如果该线为单线,要设置为总线时,应先选中该线,单击鼠标右键,在弹出的菜单中选择“Edit Wire Style”,如图2-26(a)所示,再在弹出的“Edit Wire Style”对话框的“Global Style”下拉列表中选择“BUS WIRE”,如图2-26(b)所示。绘制的总线如图2-27所示。
 
    图2-26 绘制总线的操作
 
    图2-27 绘制的总线
绘制总线分支线的步骤如下所述。
    (1)将光标靠近一个对象引脚末端,该处自动出现一个“
     ”,单击鼠标左键。
    ”,单击鼠标左键。
   
(2)移动鼠标,在靠近总线合适位置双击鼠标左键,绘制出一条直线。
    (3)将光标靠近该直线末端,该处自动出现一个“
     ”,单击鼠标左键。
    ”,单击鼠标左键。
   
    (4)移动鼠标,同时按住“Ctrl”键,在总线出现一个“
     ”时单击鼠标左键,就绘制好一个分支线,如图2-28所示。
    ”时单击鼠标左键,就绘制好一个分支线,如图2-28所示。
   
    (5)在工具箱中单击图标
     ,再在总线或各分支线上单击鼠标左键,弹出图2-29所示的对话框。在“Label”选项卡的“String”栏中输入相应的线路标号,如总线为AD[0..7](表示有AD0~AD7 共8 根数据线),分支线为 AD0~AD7。
    ,再在总线或各分支线上单击鼠标左键,弹出图2-29所示的对话框。在“Label”选项卡的“String”栏中输入相应的线路标号,如总线为AD[0..7](表示有AD0~AD7 共8 根数据线),分支线为 AD0~AD7。
   
6.设置、修改元器件属性
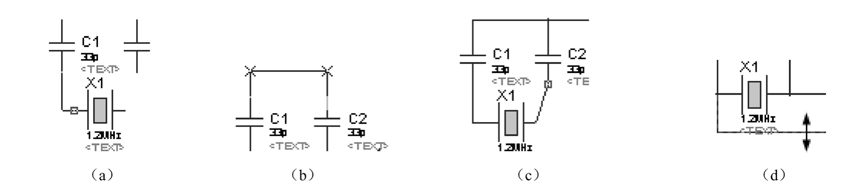
在需要修改属性的元器件上单击鼠标右键,在弹出的菜单中选择“Edit Properties”,或者按快捷键“Ctrl”+“E”,将出现“Edit Component”对话框,在此对话框中可以设置相关信息。例如,修改电容为33pF,如图2-30所示。
 
    图2-28 绘制总线分支线
 
    图2-29“Edit Wire Label”对话框
 
    图2-30“Edit Component”对话框
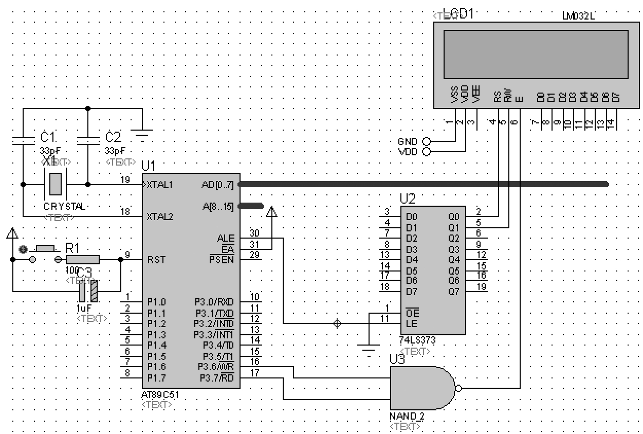
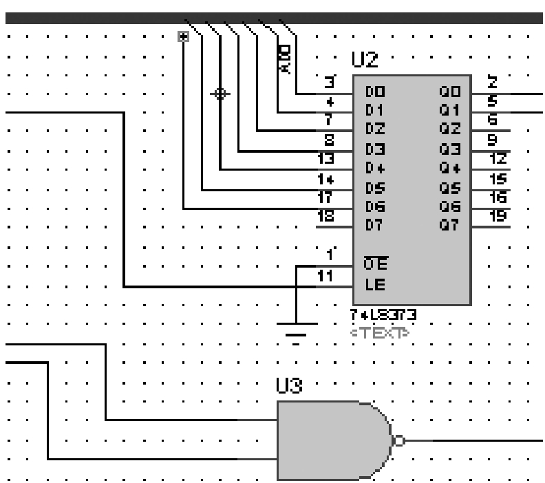
根据上述步骤及方法在原理图编辑窗口中绘制出图2-31所示的电路图。
 
    图2-31 实际绘制的电路图
7.隐藏文本
执行菜单命令“Template”→“Set Design Colours”,弹出图2-32所示的对话框。在此对话框中不选中“Show hidden text”复选框,单击“OK”按钮,则图2-32中的<TEXT>全部隐藏,绘制的效果与图2-16完全一致。
8.建立网络表
网络就是一个设计中有电气连接的电路,如在电路中8051的P3.7与NAND_2的一个输入引脚连在一起。执行菜单命令“Tools”→“Netlist Compiler”,弹出图2-33所示的对话框,在此对话框中可设置网络表的输出形式、模式、范围、深度和格式等,在此不进行修改,单击“OK”按钮,以默认方式输出图2-34所示内容。
 
    图2-32“Edit Design Defaults”对话框
 
    图2-33“Netlist Compiler”对话框
 
    图2-34 输出网络表内容
9.电气检测
    绘制好电路图并生成网络表后,可以进行电气检查。执行菜单命令“Tools”→“Electrical Rule Check”或单击按钮
     ,弹出图2-35所示电气检查结果窗口。此窗口中,前面是一些文本信息,接着是电气检查结果,若有错,会有详细的说明。从窗口内容中可看出,网络表已产生,并且无电气错误。
    ,弹出图2-35所示电气检查结果窗口。此窗口中,前面是一些文本信息,接着是电气检查结果,若有错,会有详细的说明。从窗口内容中可看出,网络表已产生,并且无电气错误。
   
 
    图2-35 电气检测结果窗口


