



1.1 缩短加热时间方法
热处理加热温度和加热保温时间是一般热处理最重要的工艺参数。在保证工件质量的前提下,若能将加热时间缩短,则是一个明显的节能措施。
缩短加热时间的途径有以下几种:
①采取零保温淬火与正火方法;
②快速加热缩短时间;
③减少和取消一些不必要的预热、分段加热的工艺过程;
④尽量不采用随炉升温加热方式;
⑤减少工装夹具和料盘的重量,使工件本身的加热时间缩短;
⑥提高设备利用率,尽可能采用连续生产方式,使工件基本上保持在炉体稳定蓄热期间工作;
⑦对工艺长的化学热处理采用催渗方法;
⑧充分利用感应加热、激光、电子束等快速加热方式,缩短加热时间。
以上缩短加热时间方法将在下面陆续加以叙述。
需要注意的是,对于缩短加热时间,应根据钢种、工件尺寸、装炉量等情况通过实验确定,经优化后的工艺参数一旦确定后要认真执行,只有这样才能取得显著的节能降耗效果。
在工件热处理时,由于加热电炉功率大、保温时间长,在整个过程中,能源消耗巨大,在相当长的一段时间里,热处理时如何节约能源一直都是一道难题。直到20世纪70年代,日本学者大和重雄提出了结构钢淬火加热的保温时间可以为零的设想,才使节能问题有了重大突破。
所谓“零保温”淬火,就是指工件加热时,其表面和心部达到淬火加热温度后,不需保温,立即淬火冷却的热处理工艺。传统的奥氏体理论认为,工件在加热过程中必须有较长的保温时间,以便完成奥氏体晶粒的形核、长大、剩余渗碳体的溶解和奥氏体的均匀化。现行钢件的淬火加热工艺,都是在这一理论指导下产生的。与现行的淬火工艺相比,“零保温”淬火省去了奥氏体组织的均匀化所需要的保温时间,不仅能节约能源20%~30%、提高生产效率20%~30%,而且还可以减少或消除工件在保温过程中产生的氧化、脱碳、变形等缺陷,有利于产品质量的提高。
碳素钢和低合金结构钢在加热到Ac 1 或Ac 3 以上时,奥氏体的均匀化过程和珠光体中碳化物溶解都比较快。当钢件尺寸属于薄件范围时,在计算加热时间时无须考虑保温,即实现零保温淬火。例如45钢工件直径或厚度不大于100mm时,在空气炉中加热,其表面和心部的温度是几乎同时达到的,因而其均匀时间可以不予考虑,与采用大加热系数(α)的传统生产工艺(τ=αD)相比,可缩短近20%~25%淬火加热时间。
相关理论分析及试验结果表明,结构钢淬火及正火加热采用“零保温”是完全可行的。特别是45、45Mn2碳素结构钢或单元素合金结构钢,采用“零保温”工艺可以保证其力学性能要求;45、35CrMo、GCr15等结构钢工件,采用“零保温”加热比传统加热可节约加热时间50%左右,总节约电能10%~15%,提高工效20%~30%,同时“零保温”淬火工艺有助于细化晶粒,提高强度。
锥齿轮,外形尺寸为φ32.93mm×20mm,内孔直径φ10mm,材料为45钢,要求调质硬度220~250HBW,齿部高频淬火硬度40~46HRC。
(1)原加工工艺路线。锻坯→正火→粗车→调质→机加工→高频淬火→磨削内孔。由于加工工序繁多,能耗大,成本高,生产效率低。
(2)零保温淬火工艺。取消正火和调质工序,以及感应加热淬火工序,采取零保温淬火工艺。即采用箱式电阻炉(840±10)℃加热,保温2min,水淬油冷;(320±10)℃保温1h回火。
(3)检验结果。经检查齿部硬度41~44HRC,经磁粉探伤检查,未发现淬火裂纹,这是由于齿轮在(840±10)℃加热时,齿表面快速升温,齿心部还处于相变点以下,这时淬火避开了45钢淬火裂纹的危险的相变点,且齿轮变形减小。其次,水淬油冷淬火方式,减小了淬火应力,减少了淬火开裂倾向。零保温淬火时,轮齿表面保温时间几乎为零,因而晶粒细小。用此工艺处理的3000余件齿轮,未发现一件裂纹,经抽查,硬度全部合格。
(4)节能效果。由于取消了正火和调质工序,以及感应加热淬火工序,采取零保温淬火和中温回火,与原工艺相比,不仅节能30%以上,成本降低近30%,而且避免了齿轮产生淬火裂纹,降低了废品率。
(1)原工艺及存在问题。原曲轴热处理采用正火+高温回火。为保证曲轴综合力学性能,正火冷却采用喷雾冷却;高温回火是为了降低硬度和消除喷雾冷却造成的应力。因此,原工艺周期长,能耗高,生产效率低,成本高。
(2)零保温正火、不回火工艺。南宁机械厂由于使用海南低锰生铁,采用箱式电阻炉加热,零保温正火、不回火工艺为(940±10)℃加热后空冷。
(3)检验结果。曲轴热处理质量稳定,金相组织为:片状珠光体≥75%(体积分数),渗碳体≤1%(体积分数),磷共晶≤1%(体积分数);抗拉强度为700~900MPa,伸长率2.4%~5.7%,硬度229~290HBW,疲劳强度达到65.4MPa,以上结果均达到QT700-2和QT800-2的水平。
(4)节能效果。每支曲轴可节电4.4kW·h,10年来生产曲轴超过100万支,节电近300万kW·h。之后又使用铁模覆砂铸造工艺,即可利用铸造余热正火工艺,从根本上取消正火工艺,每支曲轴可节电9.37kW·h,按年产20万台柴油机计算,年节电近200万kW·h。
通常在计算淬火加热时间的公式τ=αD中,D为工件直径或有效厚度,α为加热系数,所计算出的时间既包括加热时间,也包括保温时间,故一般工具书所提供的数据都比较保守,如在800~900℃加热时,一般α值取1.0~1.2,即每1mm直径(或有效厚度)取1min。考虑到钢奥氏体化加热不需要均匀化,而且可实施零保温,则在700℃加热时,α值可降到0.6~0.8;840℃加热时,α≈0.5~0.65;950℃加热时,α≈0.4~0.55,就可以满足要求。由于加热时间缩短,故可降低能源消耗。
热处理工件的加热时间,应包括两方面的内容,即工件加热的到温时间(τ 升 ,回升时间)和完成显微组织转变的时间(τ 保 ,保温时间)。然而,在传统的加热时间计算中,二者常混为一谈。在实际生产中,加热时间的计算又往往从炉温回升到指定温度开始计算。这样就使得工件在炉内实际保温时间相差很大。传统加热时间的计算法(τ=αD,式中α为加热系数,D为工件有效厚度),是以工件的有效厚度为基础进行计算的。然而工件在炉内的加热速度,实际上取决于受热面积(F)和工件体积(V)的比值,即F/V。只有当工件无限长,因端面受热可以忽略不计,上述公式才是正确的。而实际上绝大部分工件端面受热是不容忽略的,因为相同有效尺寸而其他尺寸不同的零件加热时,到温的时间相差是很大的。因此,以有效尺寸为基准的计算方法是不合理的。
传统加热时间往往过分地强调“均热”过程,也就是工件表面到温后,还必须有一定的时间通过热传导使心部也达到相同的温度。而实际上由于钢的导热系数非常大,而一般的加热炉加热速度均比较缓慢,因此这个均热时间仅仅是瞬间的事,因而可以认为大部分热处理可以忽略均热时间。过分强调“均热”而盲目增加保温时间是不合理的。在缓慢加热条件下,表面到温就可以认为心部也已达到了近似温度。
传统工艺往往又过分地强调工件到温后,为了完成组织转变、碳化物的溶解和奥氏体均匀化所需的时间,不同的资料分别规定了保温时间不得少于总加热时间的1/2、1/3或1/5。实际上组织转变的时间是很短的,如45钢、T8钢等淬火时铁素体消失的时间仅在10s以内。热处理淬火加热时,只需要碳化物的溶解和奥氏体的均匀化达到一定的程度即可。
由于受到上述传统思想的束缚,传统加热时间的计算往往是宁长勿短。这样不仅浪费了大量的能量,降低了生产效率,而且由于加热时间长,也使得材料表面严重氧化与脱碳,既浪费了原材料,又使工件淬火后表面硬度下降。
通过科学试验,研究其影响加热时间因素,并合理确定工件的节能加热时间计算公式(τ=KW,式中τ为工件在炉内总加热时间;W为几何指数;K为综合物理学因子),以达到既保证工件热处理质量,又可以降低能源消耗。表1-1为加热时间的节能计算式和炉中加热钢件的K值。表1-2为节能加热时间计算表,即KW节能时间计算表。
表1-1 加热时间的节能计算式和炉中加热钢件的K值
表1-2 节能加热时间计算表
注:表1-1和表1-2中:D为工件有效厚度,B为板厚度,δ为壁厚,l为管长度。
(1)在盐浴炉中的节能加热时间计算公式。表1-3为一些典型形状、尺寸的实际零件的加热时间试验结果。并与传统加热时间计算法(τ=αD)作了比较(碳钢α取0.3,合金钢α取0.4)。从表1-3的技术中可以看出,用KW法计算时间比用传统法时间要短,但均能保证工件到温并略有保温。从管状零件看,虽然KW计算时间比传统法计算时间有时还要长一些,但传统法计算的没有使工件到温。总之,KW计算法比传统法计算时间更符合加热的真实情况,因此可以达到节能降耗的效果。
表1-3 典型零件盐浴炉淬火加热时间示例
注:M——马氏体;Ar——残余奥氏体;Cr——残余碳化物。
(2)在空气炉中的节能加热时间计算公式。表1-4为一些典型零件在空气炉中加热时间的例子。表1-4中传统加热法(τ=αD)的加热系数α,碳钢取1min/mm,合金钢取1.5min/mm。从表1-4中可以看出,KW节能法计算时间能够保证工件到温并有适当保温时间。同时,特别是柱状零件,KW节能法比传统法计算时间要短,另外还要看到,少量工件分散放置,也可以用KW法,但要注意分散程度应适当。不能在加热炉内将工件堆放在一起。
表1-4 典型零件空气炉加热时间示例
续表
(1)工件材料及技术要求。筒形零件的尺寸为φ135mm×10mm(壁厚),材料为30CrMnSiA钢,技术要求:热处理后的抗拉强度833MPa,断面收缩率≥45%。
(2)原工艺及存在问题。原工艺采用盐浴炉进行淬火加热,加热温度为(900±10)℃,淬火加热保温时间为12~14min,油冷,然后进行高温回火。虽然各项指标都能达到设计要求,但热处理的大量能源消耗在加热过程,特别是盐浴炉本身耗能较大。
(3)节能淬火工艺。工件加热时间与工件的有效厚度、钢种、装炉方式、装炉量、装炉温度、炉子的性能及密封程度等因素有关。
工件保温时间可按下面经验公式计算:
式中,τ为加热时间(min);K为反映装炉时的修正系数,通常在1.0~1.3内选取;α为加热系数(min/mm),加热系数α可根据钢种与加热介质、加热温度、参照表1-5选取;D为工件有效厚度(mm)。
表1-5 不同钢号计算加热时间的加热系数
依据表1-5计算合金钢在盐浴炉中淬火加热的保温时间为5~7.5min。这里被处理的工件为薄壁件,有效厚度为10mm,保温时间取大于或等于5min,因为7件一起进行加热,故原工艺规定总的加热时间为12~14min。
实质上,实际加热温度达910℃,相当于高温快速加热,工件进入加热炉后,炉温下降的最低温度也在880℃以上,也就是说,工件从入炉到出炉全过程都在淬火温度范围内,可以认为入炉就开始了保温过程,所以,原工艺规定的加热时间12~14min太长。
按正交法进行试验,既要满足设计要求的力学性能,又要适宜大批量生产的节能工艺,最终确定淬火温度为(900±10)℃,淬火加热保温时间由12~14min缩短为10min,油冷;高温回火温度(520±10)℃,保温时间2h,水冷。
(4)节能节材效果。改进后工艺与原工艺相比,不仅热处理质量优良,生产效率提高,其经济效益也非常明显。
①节能。原工艺淬火加热保温时间为14min,新工艺按10min计算,可节能10%左右。
②省工时。新旧工艺对比,工时降低20%左右。
③节材。由于提高了生产效率,相对于处理万件筒形零件产品,盐浴炉辅助材料的消耗也降低了。
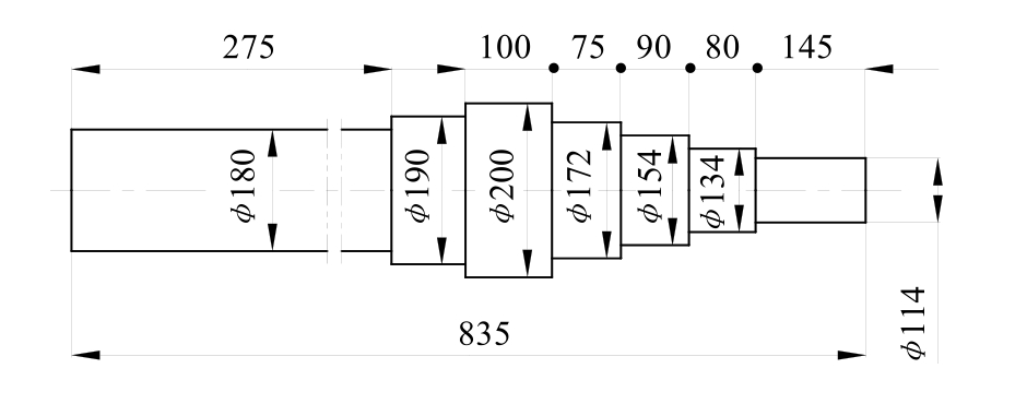
江西新钢机制公司制作的轴头(图1-2),生产数量670件,材料为45钢,热处理要求:调质硬度197~229HBW。
图1-2 45钢制轴头简图
(1)调质工艺。调质加热设备采用75kW箱式电阻炉;淬火温度为820℃;淬火冷却介质为水;回火温度为570℃;回火后出炉,在空气中冷却。
(2)淬火加热时间的计算
①传统计算法。传统计算法是按αD法计算加热时间的,此时加热系数取最保守的值α=1,D=200。τ=αD=1×200=200(min)。
②节能法。节能法是按KW法计算加热时间的,τ=KW=0.78D=0.78×200=156(min)。
(3)检验结果。试样力学性能检验数据如下:抗拉强度700MPa,屈服强度445MPa,伸长率19.2%,收缩率50%,冲击韧度60J/cm 2 ,硬度210~225HBW。其性能均达到图样技术要求。
(4)节能降耗效果。按传统法和节能法计算时间对照表如表1-6所示。从表1-6中可以看出,按节能法计算时间可比传统计算法节能29%。
表1-6 按传统法和节能法计算时间对照表
热处理工艺选择不当,加热和保温时间的计算过于保守,将会造成能源浪费。大连圣洁热处理公司通过十几年的研究、试验,总结了用于热处理加热时保温时间的简单计算法则——“369”节能法则。实际生产表明,该法则的实施有助于节约能源、降低生产成本、提高产品质量和生产效率。
(1)各种金属材料在空气炉中加热淬火保温的“369”节能法则。
①碳素钢和低合金钢(45、T7、T8等)。传统的碳素钢淬火加热时间的计算公式:τ=KαD。式中τ为加热时间(min),K为反映装炉状况的修正系数,通常在1.0~1.3内选取;α为加热系数,一般在0.7~0.8min/mm;D为工件有效厚度(mm)。
按“369”节能法则,对于碳素钢和低合金钢,保温时间仅需传统保温时间30%即可。
例如:采用箱式电阻炉加热φ60mm的45钢工件,其淬火和保温时间共需60×30%=18(min)。实际上,在炉温仪表指示的温度到温后,按工件每3mm有效厚度透烧时间为1min即足够。
②合金结构钢(40Cr、40MnB、35CrMo等)。按“369”节能法则,合金结构钢加热的保温时间可以是原来传统保温时间的60%。
例如:用传统的公式计算的40Cr的保温时间如果为100min,按“369”节能法则,那么新的保温时间为100min×60%=60min。
③高合金工具钢(9SiCr、CrWMn、Cr12MoV、W6、W8等)。按“369”节能法则的保温时间是原来传统保温时间的90%。
④特殊性能钢(不锈钢、耐热钢、耐磨钢等)。这些钢种的“369”节能法则可按照合金工具钢的公式计算,即以传统公式计算的加热保温时间×90%作为保温时间。
⑤预热淬火。对于大型工件(有效直径≥1m)调质处理的预热保温时间的“369”节能法则:T 1 =3D;T 2 =6D;T 3 =9D。
式中,T 1 为第一次预热时间(h);T 2 为第二次预热时间(h);T 3 为最终保温时间(h);D为工件的有效厚度(m)。
实际生产证明,对于空气炉加热的中、小零件(有效尺寸≤500mm),预热和加热时的保温时间也可以按“369”节能法则计算。
(2)真空加热保温时的“369”节能法则。传统的真空炉加热保温时间的计算公式如下:
式中,T 1 为第一次预热时间(min);T 2 为第二次预热时间(min);T 3 为最终保温时间(min);D为工件的有效厚度(mm)。
按“369”节能法则1,装炉量在100~200kg,工件有效尺寸在100mm左右时,按下式计算:T 真1 =T 真2 =T 真3 =0.4G+D。
式中,G为装炉工件净重量(kg),其他符号意义与上述相同。
按“369”节能法则2,工件尺寸基本相同,摆放整齐,并留有一定空隙(摆放空隙<D)时,按下式计算:
式中,G为装炉总质量(kg),包括工件、料筐、料架及料盘的所有质量;D为工件有效直径(mm)。
在实际生产过程中,对于变形要求严格的工模具,第一次预热时间应取上限值,第二次预热取中限值,最终热处理取下限值。
对于普通合金结构钢工件或变形要求不太严格的工件,第一次预热的时间可以取下限值,而在最终加热时取上限值。
对于一次仅装一件的大型工件,第一次与第二次预热时间可以取下限,最终加热时,则根据实际要求取中限或上限值。
(3)密封箱式多用炉的“369”节能法则。工件在密封箱式炉中加热的热效率比真空炉高,故其369法则的参数可以按真空炉“369”节能法则中的下限选取,即当G=301~600kg时,T 真1 =T 真2 =T 真3 =30+D;当G=601~900kg时,T 真1 =T 真2 =T 真3 =60+D;当G≥901kg时,T 真1 =T 真2 =T 真3 =90+D。
式中,G、D符号意义同“369”节能法则2。
湖南浦沅集团公司热处理技术人员通过长期现场热处理工艺探索发现,钢的淬火加热时间与黄金数字有着密切的联系。在后来的试验中以黄金数字作为加热系数,计算钢的淬火加热时间,取得了较好的效果,在获得同样的淬硬层深度的情况下,加热时间缩短了很多。如盐浴炉加热淬火,加热时间缩短了50%以上,而工件表面硬度还稍有提高。
1)钢的淬火加热时间
本计算法采用下列公式计算淬火加热时间:
式中,t为加热时间,min;
α为加热系数,α=1.618(1.5~2.0)min/cm;
K为修整系数,在空气炉中加热时,当工件进炉时炉温已经达到规定温度,但没有影响炉温,或炉温稍有下降而在较多时间内又重新升到规定温度时,K值取4;其他情况K值取1;
D为工件的有效尺寸,cm。
2)黄金数字
在《计算法》一书中,0.618和1.618是最基本的两个数,它们还可以衍生出0.382、2.618、3.236等数字,这些数字统称为黄金数字,它们是自然界中一种固定的比例。黄金数字在诸如金融交易活动、生产和科学试验等人类社会活动中,获得了广泛应用。
本方法正是利用1.618这个作为钢的淬火加热系数,进行了部分试验工作。试验中将它控制在1.5~2.0,而低于1.5时可靠性差一些;超过2.0加热时间偏长;当工件尺寸较小或含碳量和合金元素含量较高时取上限。
3)试验数据及结果
试验主要对45钢、40Cr、42CrMo、GCr15、40CrMnMo和T10钢等几种常用材料进行淬火试验。采用比较法,即试件的化学成分、形状尺寸、加热温度、冷却条件完全相同,同时进炉,只是加热时间不同,进行对比试验。下面仅将部分试验数据及结果列举如下。
(1)盐浴炉加热淬火。淬火加热系数取1.618(1.5~2.0),修正系数取1。
①材料为40Cr钢,φ75mm,加热温度820℃,饱和氯化钙水溶液冷却。21 # 试样的加热:1.5×7.5min=11.25min;24 # 试样的加热时间:4×7.5min=30min。淬火后两试样表面硬度均在58~63HRC,淬硬层深度约为7.0~8.0mm,截面上硬度分布见图1-3。由图 1-3可见,φ75mm的40Cr钢试样的加热系数取接近黄金数字1.5时,与加热系数取4.0时,热处理结果相近,但却节省时间:30-11.25=18.75(min)。
图1-3 40Cr钢淬火硬度分布曲线
②材料45钢,φ75mm,加热温度820℃,盐水冷却。7 # 试样的加热时间:1.5×7.5min=11.25min;10 # 试样的加热时间:4.0×7.5min=30min。淬火后两试样表面硬度均在59~64HRC,淬硬层深度约为2.4~2.6mm。
φ75mm的45钢试样的加热系数取接近黄金数字1.5时,与加热系数取4.0时,热处理结果相近,但却节省时间:30-11.25=18.75(min)。
③材料为40CrMnMo钢,φ55mm,加热温度850℃,油冷。31 # 试样加热时间:1.5×5.5min=8.25min;32 # 试样的加热时间:4.5×5.5min=24.75min。淬火后两试样表面硬度为55~59HRC,完全淬透。
φ55mm的40CrMnMo钢试样的加热系数取接近黄金数字1.5时,与加热系数取4.5时,热处理结果相近,但却节省时间:24.75-8.25=16.5(min)。
④材料为GCr15钢,φ36mm,加热温度820℃,饱和氯化钙水溶液冷却。5 # 试样的加热时间:2.0×3.6min=7.2min;88 # 试样的加热时间:7.0×3.6min=25.2min。淬火后两试样表面硬度为63~67.5HRC,心部淬透。
φ36mm的GCr15钢试样的加热系数取接近黄金数字2.0时,与加热系数取7.0时,热处理结果相近,但却节省时间:25.2-7.2=18(min)。
(2)电炉加热淬火。电炉加热淬火,随炉升温,一般到温后开始计算加热时间。淬火加热系数取1.618(1.5~2.0),修正系数取1。
①材料为45钢,φ35mm,加热温度820℃,盐水冷却。0 # 试样的加热时间:1.618×3.5min≈5.6min;4 # 试样的加热时间:10×3.5min=35min。淬火后两试样表面硬度为55HRC以上,淬硬层深度约为2.5~3.0mm。
φ35mm的45钢试样的加热系数取接近黄金数字1.618时,与加热系数取10时,热处理结果相近,但却节省时间:35-5.6=29.4(min)。
②材料为40Cr钢,φ45mm,加热温度820℃,饱和氯化钙水溶液冷却。0 # 试样的加热时间:1.618×4.5min≈7.3min;3 # 试样的加热时间:12×4.5min=54min。两试样淬火后淬硬层深度为15~17mm。
φ45mm的40Cr钢试样的加热系数取接近黄金数字1.618时,与加热系数取12时,热处理结果相近,但却节省时间:54-7.3=46.7(min)。
③材料为GCr15钢,φ36mm,加热温度820℃,饱和氯化钙水溶液冷却。6 # 试样的加热时间:2.0×3.6min=7.2min;80 # 试样的加热时间:14×3.6min=50.4min。两试样淬火后表面硬度为62HRC以上。
φ36mm的GCr15钢试样的加热系数取接近黄金数字2.0时,与加热系数取14时,热处理结果相近,但却节省时间:50.4-7.2=43.2(min)。
(3)电炉加热淬火,仪表指示温度到温后进炉,立即开始计算加热时间。淬火加热系数取1.618(1.5~2.0),修正系数取4。
①材料45钢,φ35mm,加热温度820℃,盐水冷却。7 # 试样的加热时间:1.5×4×3.5≈21min;19 # 试样的加热时间:14×3.5min=49min。两试样淬火后表面硬度为60HRC以上,淬硬层深度约为2.4~2.6mm。
φ35mm的45钢试样的加热系数取接近黄金数字1.5时,与加热系数取14时,热处理结果相近,但却节省时间:49-21=28(min)。
②材料40Cr钢,φ45mm,加热温度820℃,饱和氯化钙水溶液冷却。4 # 试样的加热时间:1.618×4×4.5min≈29min;5 # 试样的加热时间:15×4.5min=67.5min。淬火后淬硬层深度可达17~20mm。
φ45mm的40Cr钢试样的加热系数取接近黄金数字1.618时,与加热系数取15时,热处理结果相近,但却节省时间:67.5-29=38.5(min)。
③材料GCr15钢,φ36mm,加热温度820℃,饱和氯化钙水溶液冷却。22 # 试样的加热时间:2.0×4×3.6min=28.8min;33 # 试样的加热时间:15×3.6min=54min。淬火后试样表面硬度为63HRC以上,完全淬透。
φ36mm的GCr15钢试样的加热系数取接近黄金数字2.0时,与加热系数取15时,热处理结果相近,但却节省时间:54-28.8=25.2(min)。
4)节能效果及注意事项
通过试验和测得的数据,可以看出以黄金数字作为钢的淬火加热系数来计算加热时间,不但淬火效果较好,而且缩短了加热时间,即减少钢在高温下的氧化脱碳,又节省了能源。该方法的应用,不仅适用于本次试验用钢,对大多数钢种也适用。
空气炉加热分为两种情况,应区别对待:
(1)在低温进炉工件随同加热炉一起升温,升温速度慢,往往需要数小时,当炉温达到规定温度时,工件的温度已接近炉温,因此加热系数取1.618也是合适的。当然,从节能角度考虑,尽量不采取随炉升温方式。
(2)炉子已升到规定温度,再将冷态工件进炉,加热时间会长一些。试验中利用一个修正系数进行修整,经过多次试验确定,修正系数取4左右比较合适。
从试验结果看,高碳钢淬火效果稍微差一点,加热时间不同而工件表面硬度几乎相同,只是心部硬度偏低。其原因可能是高碳钢中的碳化物含量高,加热时溶解量少。解决办法:在淬火前必须进行充分的球化退火,使碳化物呈细小颗粒状均匀地分布在基体上;因加热时间较短不会引起过热,可以适当地提高加热温度。
内燃机中28种精铸零件(包括曲轴带轮、曲轴启动爪、气门摇臂、液压泵出油管凸缘、分离杆支架等),材料均为ZG310-570钢,单件重量0.021~1.33kg,要求正火或调质处理;图样只有硬度要求。
这些精铸零件具有以下特点:批量大,每年处理零件二百多万件;单件重量轻。
(1)老工艺及存在问题。原正火是按传统的加热公式τ=KαD计算加热时间,式中K=2.0,α=1.4~1.8,故加热时间长、耗电量大。精铸热处理工件每吨耗电量达1052kW·h/t。
(2)新工艺。通过多次试验和反复生产验证发现,传统加热计算公式中K值偏大,新工艺K值确定为1.4~1.8,因此可以缩短加热时间。最后制订了箱式电阻炉中多层散装堆料,加热时间计算公式:τ=(1.4~1.8)×(10+0.6D+0.2G)。式中,K为加热时的修正系数;D为工件的有效厚度(mm);G为工件装炉总重量(kg)。
(3)检验结果。新、老工艺方案的性能比较如表1-7所示。通过表1-7可知,新、老工艺处理后力学性能相当,新工艺完全可以保证产品质量。
表1-7 新、老工艺方案的性能比较
(4)节能降耗效果。新、老工艺方案的经济效益如表1-8所示。28种内燃机零件热处理平均每吨耗电量从1020.59kW·h/t下降到451.13kW·h/t,达到了节电54.83%的效果,工时节约56.13%,年节电18万多元,年节约工时近9000h。因此,节能带来的经济效益巨大。
表1-8 新、老工艺各类技术经济指标对比
提高炉温,可大大加快工件表面升温速度,把炉温从900℃提高到925℃时,可使钢的奥氏体化加热时间从2h缩短到0.5h,因此该方法节能效果显著。
生产实践证明,只要将淬火温度、回火温度或渗碳温度比常用温度提高几十度,就可以明显缩短加热时间。由于快速加热时形核多,而加热时间短晶粒来不及长大,所以实际上快速加热总是得到晶粒度更为细小的组织。表1-9的结果证明,提高温度不仅能显著缩短加热时间,也完全能保证零件的性能要求。表1-10为回火温度、时间和端面铣刀耐用度及耐磨性的关系。从表1-10可以看出,提高回火温度可以大大缩短回火时间,并能保证高的耐用度。
表1-9 45钢、40Cr钢经快速加热后的力学性能
表1-10 回火温度、时间和端面铣刀耐用度
同样,提高加热温度对于缩短化学热处理周期也是十分有利的。有资料介绍,将渗碳温度从920℃提高到950℃,渗碳时间可以缩短,并可节约20%的能源;如果将渗碳温度提高到980~1010℃,可使渗碳时间缩短40%~50%。
(1)工件材料与技术要求。矫直辊用于铜合金管材的矫直,其全长415mm,辊身长200mm,最大直径136mm,辊面呈凹弧形(R=350mm),材料为Cr12MoV钢。热处理技术要求:整体调质硬度360~390HBW,工作表面淬火硬度57~62HRC。
(2)快速加热淬火依据。Cr12MoV是高碳高铬莱氏体钢,淬火加热的奥氏体化过程主要是碳化物的溶解和合金元素及碳的扩散,这实质上是一种热激活过程,即扩散控制过程。故在一定条件下,Cr12MoV钢奥氏体化的温度和时间参数是可以相互调节或转换的。试验也已表明,为了获得最高硬化效果(≥63HRC),Cr12MoV钢的淬火温度与所需加热保温时间之间具有规律性的关系,即随着淬火温度的提高,加热温度可明显缩短。
根据Cr12MoV钢一次硬化淬火加热温度与加热保温时间的关系,其淬火温度提高到近1100℃时,可以实现零保温加热淬火。若盐浴温度超过1100℃,则能对Cr12MoV钢快速加热。
(3)快速加热温度的选择。根据试验结果,对Cr12MoV钢采用1200~1220℃高温盐浴进行快速加热,加热时间系数K=3s/mm,这时不但加热速度快,而且加热效果也较稳定。
(4)辊身径向加热深度和转动速度。根据辊身表面淬火的技术要求,设计了专用辅具,使矫直辊横向架置在高温盐浴炉口上,当辊面径向浸入盐浴面一定深度时,以辊子两端的轴颈为支撑进行转动,从而实现辊面沿周局部快速加热。
为了使辊面的淬硬层达到10mm左右,辊身径向浸入盐面的深度为20~25mm,即局部加热圆周面对应的圆心角为120°。辊身快速加热的转动速度选择1.5r/s为佳。
(5)辊身快速加热时间的估算。Cr12MoV钢矫直辊高温淬火转动快速加热的时间(t)按下述估算:
式中,K 1 为决定于快速加热温度的加热系数;
K 2 为与转速(n)有关的系数;
α为径向局部加热弧面对应的圆心角度;
D为辊身的平均直径(128mm)。
当Cr12MoV钢矫直辊快速加热淬火温度选择为1200~1220℃、辊身径向局部弧面对应的圆心角为α=120°、转速n=1.5r/s左右时,K 1 =3s/mm,K 2 =0.6代入上式即可估算出快速加热的时间t≈11.5min。
(6)淬火冷却和回火。矫直辊快速加热后在油中冷却,冷却时间为100~120s,带温入200℃炉中回火2h后空冷,再进行一次250℃×5h回火,以达到要求的回火硬度。
淬火前进行200℃低温预热,以去除工件可能带有的水分,保证盐炉操作安全。
(7)快速矫直淬火的效果。快速加热淬火后辊面的硬度为63~64.5HRC,经250℃回火后硬度为59~61HRC,金相组织为隐针马氏体+未溶碳化物+少量残余奥氏体,高于57HRC的高硬度层的深度接近10mm。
矫直辊采用盐炉整体淬火加热时间t=136mm×16s/mm≈36min,预热时间约60min,与盐炉整体加热淬火相比,高温快速盐浴淬火加热时间可缩短60%以上,所以新工艺不仅显著节约能源,所用装备简单,而且加工成本降低,满足了对外加工要求。
(1)原工艺及存在问题。常规工艺采用920℃盐浴炉加热淬火,加热系数30s/mm,在质量分数10%盐水中淬火;160℃×90min回火处理。经检验,15mm吊钩淬硬层深度浅(为6~7mm),心部硬度低(为42~44HRC),且生产周期长,耗能多。
(2)高温短时加热淬火工艺。针对以上问题,提高淬火加热温度,从原工艺的920℃提高至960~980℃,加热系数3.5~5s/mm,经检验,淬硬层深度和心部硬度均显著提高,分别为8~12mm和42~48HRC,吊钩的组织和性能如表1-11所示。
表1-11 16Mn钢吊钩经不同工艺处理后的组织和性能
(3)使用与节能效果。经高温短时加热淬火,产品质量稳定,一次合格率和工效均有显著提高,吊钩经过50次超负荷25%吊重物试验,均未发现永久变形。
高温短时加热淬火工艺不仅提高了产品质量,而且缩短加热时间80%,故显著降低了能耗。
工件渗碳淬火量大、面广、耗能大,是热处理行业节能降耗突破口之一。对部分要求深层渗碳工件在设备使用温度允许及所渗钢种奥氏体晶粒不长大条件下,采用高温渗碳工艺,如在1010~1050℃进行高温渗碳,可比在930℃常规渗碳工艺时间缩短30%~50%,因此显著降低能源消耗和生产成本。
渗碳(包括碳氮共渗)淬火的经济性主要取决于加热工件的能耗,其主要影响是渗碳的时间,而形成渗碳层所需的时间取决于碳在工件中的扩散速度。根据F.E.Harris扩散定律,扩散主要由温度和浓度梯度这两个参数来决定的。对于温度和时间对渗层深度的影响,温度的影响要远大于时间的影响。钢的渗碳(包括碳氮共渗)就是在奥氏体状态下碳从钢表面向内层的扩散过程。其速度快慢取决于温度的高低。按普遍应用的哈里斯(F.E.Harris)公式,钢的渗碳层深度δ(mm)与渗碳时间t(h)的关系取决于温度T(K),即
式中,K=660×e- 8287/T ,通过K=660×e- 8287/T 可以看出,在一定温度(T)渗碳时K是常数。K随温度的升高而明显增大,也就是说,在相同渗碳时间下,温度稍许提高,渗层就显著变厚。由此关系可知,随着渗碳温度的提高,渗碳时间明显缩短。例如把渗碳温度由常用的930℃提高到1040℃,可减少渗碳时间50%,提高渗碳温度,常数K的增长速率远大于加热设备电耗的增加(见图1-4),故节能效果显著。生产实践证明,高温渗碳工艺(碳氮共渗)可取得高效、节能、节材、降低渗层成本的显著效果。
图1-4 渗碳时Harris的K值(
)
随着要求的渗碳层深度的增加,高温渗碳所节省的时间越加显著(表1-12)。并且,提高渗碳后的直接淬火温度也可显著缩短周期时间。
表1-12 高温渗碳所节省的时间与层深的关系
高温渗碳可以选择的设备有真空渗碳炉、盐浴炉及高温可控气氛多用炉等。对高温可控气氛多用炉进行的系统经济分析表明,将渗碳温度由925℃提高到1040℃后,如需获得2mm渗碳层及相同的生产率,可节能20%;如需获得1.5mm渗层,可节能24%,生产率可提高48%。
(1)工件材料及技术要求。齿轮轴,材料为20CrNi2Mo钢,渗碳层深度要求2.0~2.5mm。
(2)渗碳热处理设备。高温可控气氛渗碳采用QS6110-H型高温可控气氛多用炉,其最高使用温度为1200℃,常用工作温度为800~1150℃,炉温均匀性为±5℃,碳势控制精度为±0.05%,渗层偏差为±10%渗层深度,装炉量为600kg。
(3)传统渗碳工艺。传统渗碳热处理采用可控气氛多用炉的最高使用温度为950℃,其渗碳热处理工艺如图1-5所示,总工艺时间为26h。
图1-5 20CrNi2Mo钢齿轮轴的传统渗碳工艺
图1-6 20CrNi2Mo钢齿轮轴的高温渗碳工艺
(4)高温渗碳工艺。高温渗碳采用高温可控气氛多用炉,其高温渗碳工艺如图1-6所示。总工艺时间为15h。
(5)节能降耗效果。与传统渗碳工艺(26h)相比,高温渗碳工艺(15h)周期缩短40%以上,节能30%~50%,提高设备生产能力30%以上,同时也减少了渗碳剂的消耗。
图1-7 销套简图
天津市金鑫铝业有限公司采用CY-10-1200型高温可控气氛多用炉进行高温渗碳,在同等的技术要求条件下缩短工艺时间1/3~1/2,节能降耗效果显著。
(1)设备。高温渗碳采用CY-10-1200型高温可控气氛多用炉,该设备最高使用温度1200℃,常用工作温度为800~1150℃,炉温均匀性为±5℃,碳势控制精度为±0.05%~±0.1%C,渗层偏差为±10%渗层深度,装炉量为1000kg。
(2)工件材料及技术要求。销套(见图1-7)材料为20CrMnTi钢,技术要求:表面与心部硬度分别为58~63HRC和30~42HRC,有效硬化层深度为2.7~3.4mm,马氏体与残余奥氏体≤2级,心部铁素体<5级,表面脱碳层为0。
(3)UBE-600型多用炉普通工艺渗碳淬火。其工艺曲线见图1-8,总有效时间32h。淬火时油中冷却0.5h,淬火油温≤60℃,淬火油槽搅拌频率40Hz。产品经渗碳、淬火及回火后检验,有效硬化层深度为2.62mm(HV550),表面硬度为58~61HRC,马氏体与残余奥氏体2级,心部铁素体4级。检验结果均符合产品技术要求。
图1-8 多用炉普通渗碳、淬火工艺曲线
(4)高温渗碳工艺。高温渗碳采用CY-10-1200型高温可控气氛多用炉,工件高温渗碳工艺曲线如图1-9所示,总有效时间16h,渗碳后二次加热淬火工艺曲线见图1-10,总有效时间2h,淬火油温≤60℃,油槽搅拌频率40Hz,淬火冷却0.7h。工件经渗碳、淬火和回火后检验,表面与心部硬度分别为59HRC(平均值)和38.5HRC(平均值),碳化物1级,表面无脱碳,心部100%为低碳马氏体,表面马氏体及残余奥氏体为2级,心部铁素体1级,有效硬化层深度为2.94mm,因此各项检验结果均合格。销套高温渗碳淬火内径缩小,外径变形微小。
图1-9 高温渗碳工艺曲线
图1-10 高温渗碳二次加热淬火工艺曲线
(5)节能降耗效果。同930℃普通渗碳淬火相比,采用950℃高温渗碳淬火后,渗碳淬火总时间缩短8h;采用980~1010℃高温渗碳淬火后,渗碳淬火总时间缩短13.7h。因此,采用高温渗碳淬火工艺后,节能降耗效果显著。表1-13为普通渗碳和高温渗碳的检测结果对比。
表1-13 普通渗碳和高温渗碳的检测结果对比
河北三河新鑫热处理有限公司采用QS6110-H型高温可控气氛多用炉,对齿轮轴进行高温气体渗碳,缩短了渗碳时间,节能60%以上。
(1)工件材料与技术要求。齿轮轴材料为20CrMnTi钢,渗碳层深度要求为3.8~4.2mm,要求渗碳、淬火与回火处理。
(2)传统渗碳工艺及存在问题。齿轮轴渗碳、淬火原采用井式气体渗碳炉,按照传统渗碳工艺曲线(见图1-11)生产时,总工艺时间为73h,该工艺特点是生产周期长、成本高、齿轮轴变形大。
图1-11 20CrMnTi钢的传统渗碳工艺曲线
(3)高温渗碳工艺及检验结果。现渗碳采用QS6110-H型高温可控气氛多用炉,该设备最高使用温度1200℃,装炉量600kg。齿轮轴高温渗碳工艺曲线见图1-12所示。按高温渗碳工艺处理后,渗碳层深度4mm,其他指标均满足要求。
图1-12 20CrMnTi钢的高温渗碳工艺曲线
(4)节能效果。高温渗碳总工艺时间为16h。同传统工艺相比,渗碳时间缩短57h,节能60%以上,提高设备生产能力2倍以上,同时减少了齿轮轴的热处理变形,即可减小后续机械加工余量,也降低了生产成本。
(1)工件材料与技术要求。钢套外形尺寸φ35mm×6.5mm(壁厚)×79mm,材料为SCM415钢(相当于15CrMo钢),技术要求:渗碳淬火有效硬化层深度1.8~2.2mm,表面硬度>58HRC,心部硬度>30HRC,碳化物1~5级,残余奥氏体与马氏体1~5级,表面非马氏体组织深度≤20μm。
(2)常规渗碳工艺。常规渗碳工艺温度为930℃,渗碳总时间680min;二次加热温度860℃,常规渗碳工艺及工艺参数分别见图1-13b和表1-14。
图1-13 SCM415钢高温渗碳(a)和常规渗碳(b)工艺
表1-14 SCM415钢高温及常规渗碳工艺参数
(3)高温渗碳工艺。高温渗碳采用CY-QS10H型高温可控气氛多用炉。高温渗碳温度为980~1010℃,渗碳总时间为480min。高温渗碳工艺及工艺参数分别见图1-13a和见表1-14。
(4)检验结果。常规渗碳淬火后表面与心部硬度分别为60.2HRC和42.1HRC;高温渗碳淬火后表面与心部硬度分别为61.5HRC和43HRC,虽然高温渗碳、淬火后心部组织粗于常规渗碳、淬火,但心部硬度并没有降低;高温与常规渗碳淬火后残余奥氏体分别均为 2级;高温与常规渗碳淬火后表面非马氏体组织深度分别为 7.73μm 和 6.48μm。因此,高温渗碳工艺后各项指标均符合技术要求。
(5)节能效果。高温渗碳可以明显提高生产效率和节约能源,在渗碳层深度1.8~2.2mm条件下,可缩短生产周期约26%,因此高温渗碳工艺节能降耗效果显著。
高温渗碳工艺采用的是高温高碳势,在其他工艺相同条件下,温度越高,碳势越高,则渗碳速度越快。
东风汽车公司生产的行星轮轴,材料为20CrMnTi钢,渗碳淬火有效硬化层深度要求为1.4~1.7mm。
(1)原渗碳工艺及存在问题。原渗碳工艺为传统工艺(见图1-14),自多用炉生产线购置调试后基本上已经定型。其缺点是强渗与扩散时间长,渗碳效率低。
(2)高温渗碳工艺。众所周知,影响气体渗碳时间的主要因素是渗碳温度、渗碳碳势和渗碳时间。为此,该厂从渗碳温度和渗碳碳势两个重要因素上寻找突破口。同时规定工件在进入渗碳主炉之前,先在回火炉中400℃预热,这主要是考虑到预热一段时间后,表面大部分是生铁,有比较好的表面活性,可促进碳原子在工件表面的吸附和聚集,利于加快渗碳。调整后工艺如图1-15所示。调整后的工艺为:渗碳温度从原工艺的935℃提高到950℃,强渗期碳势(C p )从原工艺的1.25%提高到1.50%,扩散期碳势从原工艺的0.85%提高到1.00%。
图1-14 行星轮轴原渗碳工艺
图1-15 行星轮轴调整后渗碳工艺
(3)节能降耗效果。通过提高渗碳温度,调整强渗时间与扩散时间的比例,整个热处理周期缩短了近6.5h,节约成本如下。
①节约能耗成本。RTQF-13型Ipsen多用炉生产线渗碳主炉加热功率为140kW,每炉次降低用电为(11+3-6-1.5)×140=910(kW·h);以平均电价0.77元/kW·h计算,每炉节约电成本910×0.77=700.7(元)。
②节约辅料成本。多用炉丙烷气流量工艺要求为0.2m 3 /h,丙烷气采购价格为7.168元/kg,丙烷气密度1.76t/m 3 ,每炉节约丙烷气成本为(11+3-6-1.5)×0.2×1.76×1.168=16.4(元)。
2011年度行星轮轴在该厂仅处理14炉次,节约能耗成本700.7×14=9810(元);节约辅料成本16.4×14=230(元),总计降低热处理成本9810+230=10040(元)。
东风汽车集团公司生产的中桥齿轮是最大外径为φ170mm,内径为φ53mm,整体高度为231mm的主动圆柱螺旋齿轮,材料为SCM420H钢(相当于20CrMo钢),渗碳淬火有效硬化层深度要求为1.2~1.6mm,用于东风某系列重载商用车的驱动桥上。
(1)原渗碳工艺及存在问题。中桥齿轮渗碳热处理采用氮-甲醇气氛的UBE-1000型丰东多用炉,原工艺曲线见图1-16。采用原工艺生产时,周期长,不能满足现生产要求。
图1-16 中桥齿轮原热处理工艺
图1-17 中桥齿轮优化热处理工艺
(2)高温渗碳工艺。优化工艺参数后的工艺曲线如图1-17所示。为提高生产效率,降低能耗,新工艺渗碳温度从930℃提高到950℃,强渗期碳势(C p )从原工艺的1.2%提高到1.5%,扩散期碳势从原工艺的0.80%提高到0.85%。
(3)节能降耗效果。工艺优化后,总计缩短处理时间110min,其节能降耗计算如下。
①节约能耗成本。热处理用电价格平均按0.77元/kW·h计算。多用炉渗碳主炉的加热功率为209kW,每炉次降低用电费用(110/60)×209=383.71(kW·h);每炉次降低用电成本为383.17×0.77=295.04(元)。
②节约辅料成本。甲醇流量工艺要求为2~3L/h,甲醇采购价格为4元/kg,甲醇密度为0.8kg/L,则每炉次节约甲醇成本为(110/60)×2×0.8×4=11.73(元)。
丙烷气流量工艺要求为8L/min,丙烷气采购价格为7.168元/kg,丙烷气密度为1.76t/m 3 ,则每炉次节约丙烷气成本为[(110/60×60×8)]/1000×1.76×7.168=11.10(元)。
自工艺优化后,处理中桥齿轮总计148炉次,提高渗碳效率后,总计降低能耗成本295.04×148=43666(元),降低甲醇成本11.73×148=1736(元),降低丙烷气成本11.10×148=1643(元),总计降低制造成本47045(元)。
与渗碳比较,渗氮过程的时间要长得很多。例如要获得0.6mm深的渗氮层深度,在520℃需要70~80h,而渗碳处理保温6h便可获得1.0mm以上的渗层。因此,缩短渗氮过程对节能降耗就显得尤为重要。
以提高表面硬度和强度为目的的常规气体渗氮工艺温度一般在520℃左右,而高温渗氮是指采用更高的工艺温度(一般在540~580℃),在相同的氨分解率下,提高温度可以提高钢件表面吸附氮原子能力和氮原子的扩散能力,因而提高了渗氮速度,相应降低了能源消耗。高温渗氮的最高工艺温度一般根据零件变形情况和预备热处理温度(调质处理时的回火温度)进行选择。
高温渗氮具有以下优点:
①提高氮原子在γ′相和γ相的扩散速度,大幅度缩短渗氮时间,提高渗氮效率。
②可以降低能源消耗。
③降低因渗氮时间过长造成表面硬度下降的风险。
南京高速齿轮制造有限公司对大型风电增速箱内齿圈采用550℃高温渗氮工艺,达到相同的层深,工艺时间可节约49.3%,显著降低能耗,大幅度提高了生产效率。
(1)工件材料及技术要求。大型风电增速箱内齿圈,外形尺寸为φ2300mm×420mm(外径×齿宽度),模数16mm,材料为42CrMo钢,要求渗氮层深度≥0.6mm。
(2)常规渗氮工艺及存在问题。常规气体渗氮温度为520℃,渗氮时间75h,氨分解率30%~50%。渗氮层深度可达到0.61mm。常规渗氮周期长达75h,不仅能耗大,成本高,而且生产效率低。
(3)高温渗氮工艺。42CrMo钢内齿圈预备热处理为调质,回火温度为580℃,比渗氮温度高28℃,调质处理后硬度为290HBW左右。高温渗氮工艺:渗氮温度550℃,渗氮时间38h,氨分解率30%~50%。
(4)检验结果。渗氮层深度界定按ISO 6336—5标准执行,其余指标按GB/T 11354—2005标准进行检测。经检验,渗氮层深度0.60mm,白亮层厚度0.0125mm,氮化物2级,脆性级别1级,疏松级别1级,表面硬度为630HV。经过对高温渗氮后的齿圈变形检测,节圆跳动、基准端面跳动均在0.04mm范围内,符合技术要求。
(5)节能降耗效果。与常规渗氮工艺相比,采用550℃高温渗氮工艺,达到相同的渗氮层深度,渗氮时间可节省近50%,从而大幅度降低了电能和氨气的消耗,并显著提高了生产效率。
上海汽轮机有限公司对汽轮机组中零件的气体渗氮工艺进行优化,增加150℃预热、提高渗氮温度,渗氮保温时间大大缩短,仅为原工艺的50%,节省了大量能源和原料气的消耗。
(1)原渗氮工艺及存在问题。汽轮机组零件材料为25Cr2MoVA、25Cr2Mo1VA、34CrNi3Mo钢,25Cr2MoVA钢渗氮层深要求≥0.40mm,表面硬度≥650HV,脆性≤3级。渗氮炉装炉量约为1500kg。渗氮前进行调质预处理。渗氮介质为氨气。
原渗氮温度为500℃,渗氮时间为93~100h,由于渗氮周期长,能源消耗和原料气消耗大,产品制造成本高,生产效率低。
(2)高温快速渗氮工艺。通过一系列渗氮工艺试验可以看出,随着渗氮温度的升高(520℃→540℃→560℃→580℃)和保温时间的延长(如520℃时,40h→45h→47h→50h),渗层深度不断增加。考虑到渗氮生产的操作连续性以及材料在渗氮前的热处理温度,在确保基体强度的前提下,参考相关资料,最终确定的渗氮工艺见图1-18,炉冷时通微量氨气。
图1-18 25Cr2MoVA钢的快速渗氮工艺
(3)节能降耗效果。对原气体渗氮工艺进行优化,增加150℃预热、渗氮温度由原500℃提高到520℃后,渗氮保温时间大大缩短,由原渗氮的工艺的93h缩短至新工艺的45h,故渗氮时间仅为原工艺的50%,大幅度降低了能源和原料气的消耗,显著提高了生产效率。若气体渗氮电阻炉功率按100kW计,则每炉可节约电能约1700kW·h。每年生产47炉次计,则年节省电能1700×47=8万kW·h。同时,也节省了氨气的消耗。
常规渗碳热处理周期较长,尤其对渗碳层深的工件。低压真空渗碳易于实现1000~1050℃的高温渗碳,从而提高渗碳速度,因此可以大大减少工艺周期,通常缩短工艺时间近50%,同时渗碳气体消耗量也大大降低。目前,该工艺是热处理节能降耗的重要方法之一。
真空热处理技术具有其他热处理不可比拟的突出优点:
①无氧化,无脱碳,工件表面质量好,可以省去后续的清洗工序,减少了高投入的清洗及后处理操作,节约成本超过50%。
②工件变形小,可减少后续加工工时。
③节省能源,与可控气氛相比,不需要可燃气体的气源,由于真空炉热效率较高,可实现快速升温和快速降温。
④生产成本低,耗电少,能耗为常规气体渗碳的50%。
⑤工艺稳定,产品质量高,可有效避免非马氏体组织等缺陷。
低压真空渗碳工艺,包括低压离子渗碳均属于真空热处理技术。采用计算机模拟辅助控制的真空渗碳工艺,用较短的处理时间和较少的渗碳气体消耗,保证取得良好的渗碳质量效果。低压真空渗碳后进行惰性气体的高压气淬,节省了淬火油,且工件变形小,可节省后续机械加工费用,降低生产成本。
1)低压真空渗碳技术特点
(1)工艺特点。与传统的可控气氛渗碳方式不同,低压真空渗碳采用渗碳和扩散以脉冲方式交替进行,渗碳时通丙烷,扩散时通氮气。每个脉冲循环的时间由Infracard工艺软件计算得出。炉内压力控制在0.1~0.2kPa,控制渗碳温度<1000℃。
(2)设备特点。低压真空渗碳炉是在真空炉的基础上,根据真空渗碳的特点发展而来的。与可控气氛渗碳炉相比,低压真空渗碳炉具有操作简单、升温速度快、开炉停炉容易、环保无污染、维护简单方便、能源消耗低、工作环境清洁和无热辐射等特点。
法国ECM公司生产的低压真空渗碳炉有单室真空渗碳炉、周期式的两室低压真空渗碳炉、多室的连续式低压真空渗碳炉等。
2)深层渗碳及节能降耗效果
(1)重载汽车齿轮、齿轴。采用低压真空渗碳加压气淬对18NC3钢(质量分数为w C =0.16%~0.20,w cr =0.5%~1.0%,w Ni =3.0%~3.5%)制造重载汽车齿轮、齿轴进行处理的工艺及处理结果如表1-15所示。
表1-15 重载汽车齿轮、齿轴的工艺参数和处理结果
由表1-15中可以明显看出,渗碳和扩散的总时间仅为385min,而采用推杆式连续可控气氛渗碳炉,相应的渗碳扩散时间则需要720min。采用低压真空渗碳工艺可节约时间近50%。因此,节能降耗效果显著。
(2)渗层达6mm的试验及节能效果。在单室立式PFV1100×1500炉内,对大尺寸工件做渗层深度达6mm厚的低压真空高温渗碳试验。该炉有效加热区为φ1100mm×1500mm,最大装炉量为6t。
工件材料为16NC6(质量分数为w C =0.12%~0.17%,w Mn =0.6%~0.9%,w Cr =0.9%~1.2%,w Ni =1.2%~1.5%),加热时间为7h,渗碳扩散时间为67h,总的处理时间为74h。试样处理后渗层深度为5.5~6mm。与可控气氛炉相比,节约渗碳时间在50%以上,因此节能降耗效果十分显著。
由于等离子化学热处理是在真空中加热,并有高能离子的轰击,不仅使工件表面接受离子动能温度升高,而且使被处理件表面洁净与活化,再加上含渗入元素的活性气体,由于热分解与电离的双重作用,并在直流电场的作用下,使得工件表面附近的空间在短时间内就形成高的渗入元素离子浓度区,从而加速了化学元素离子向工件的渗入与扩散,比一般热扩散渗速快,可节约时间50%左右;热效率高,工作气体消耗量少,一般可节能30%以上,节省工作气体70%~90%;由于热处理变形小,故可减少后续机械加工余量,从而降低生产成本。
例如,离子渗氮只有传统气体渗氮时间的1/2~1/4,因而可节省电能50%~75%,而氨气消耗量仅占5%~20%。因此,离子渗氮也是一种节能降耗的工艺。离子渗氮工艺现已广泛应用于汽车、机械制造、精密仪器、挤压成形机、模具等众多领域。离子氮化取代传统的气体氮化已成为一种必然趋势。
同样,离子渗碳具有渗碳效率高的优点,高达55%,而真空渗碳小于20%,气体渗碳为10%~20%,同传统气体渗碳相比,可缩短处理时间50%以上,故可达到节电目的。同时,由于离子渗碳时的工作压力只是大气压力的1%,而且是在需要渗碳时才导入渗碳气体,渗碳气体的消耗量非常少,与气体渗碳比较减少90%,故具有降耗的优点。例如880℃离子渗氮1h,就可以获得0.6mm深的硬化层,同常规气体渗碳相比,可以缩短约50%的时间。目前,离子渗碳工艺已经广泛应用于齿轮、轴、轴承、缸套、喷嘴等渗碳件。表1-16为20CrMnTi钢不同渗碳方法主要技术指标的对比。
表1-16 20CrMnTi钢不同渗碳方法主要技术指标的对比
等离子化学热处理属于真空化学热处理,可分为离子渗碳、离子渗氮、离子碳氮共渗、离子渗硅等。该技术已被广泛用于碳素结构钢、合金结构钢、工模具钢、不锈钢、球墨铸铁、灰口铸铁、钛合金、粉末冶金等材料零件的表面强化处理。
(1)零件材料及技术要求。ZG77188型轴承,外圆直径为630mm,每套轴承装有110个滚柱,该滚柱为圆台形,高度60.6mm,1/3高度处的直径为48.6mm,材料为20Cr2Ni4A钢,要求渗碳层深度为4.0~4.5mm。
(2)原渗碳工艺及存在问题。原工艺采用930℃气体渗碳工艺,因渗碳层要求较厚,渗碳工艺周期长达80~100h,不仅能源消耗大,生产效率低,而且热处理变形大。
(3)等离子渗碳工艺。滚柱等离子渗碳采用等离子渗碳炉。供渗剂主要是碳氢化合物气体,如甲烷、丙烷等,并通入氢气或氮气稀释。等离子渗碳工艺过程如下:滚柱经简单的去油处理后放入料筐上入炉,关炉门抽空至6.65~13.3Pa,启动电炉加热升温到900℃以上,使工件表面脱气净化,利于碳原子吸附,再通入少量H 2 气体溅射清洗均温,然后按工艺选定的流量通入渗碳气体,并使炉压保持在一定的压力范围内,接通辉光放电电源产生辉光放电,直流辉光放电电压是在-300~-600V内进行,开始进行离子渗碳。当达到预定保温时间后,停止通入渗碳气体并熄灭辉光进行真空扩散,炉内降温预冷后直接淬火。
采用等离子渗碳及循环热处理复合工艺对滚柱进行渗碳。其工艺过程如下:1050℃的真空条件下等离子渗碳18h,然后油冷;然后进行循环热处理,通入N 2 冷却到550℃;再升温到880℃,保温0.5h,气冷到550℃;二次升温到800℃,保温0.5h,气冷到550℃;三次升温到800℃,保温50min,最好油冷淬火。工艺流程如图1-19所示。滚柱经循环热处理后还需进行两次高温回火、重新加热淬火和低温回火处理。
图1-19 等离子渗碳处理工艺流程
(4)检验结果。滚柱表面硬度61~63HRC,渗碳层深度4.2mm,无晶界氧化,马氏体、残余奥氏体1~2级,心部铁素体1~2级,表面与心部晶粒度分别为5~7级和12级。
(5)节能降耗效果。在获得同样的渗碳层深度条件下,原气体渗碳工艺周期为80~100h,等离子渗碳工艺周期为20h,仅为普通气体渗碳工艺周期的1/4,因此等离子渗碳工艺显著降低了能源消耗。
(1)工件材料及技术要求。某远洋公司的一批锚机减速箱输出齿轮,模数为11mm,齿数为16,单件质量为27.5kg,材料为20CrMnTi钢,要求渗碳、淬火及低温回火处理,齿轮表面硬度为58~63HRC,渗碳淬火有效硬化层深度为1.9~2.4mm。
(2)离子渗碳设备。齿轮离子渗碳采用ZLSC-30/20型双室卧式真空离子渗碳炉。
(3)离子渗碳工艺。共渗剂采用丙烷气,稀释、冷却气体采用N 2 ,齿轮真空离子渗碳工艺如图1-20所示。
(4)检验结果。齿轮表面与心部硬度分别为60.5HRC和40HRC,渗碳淬火有效硬化层深度为2.3mm,表层与心部晶粒度分别为9~10级和10级。
(5)节能降耗效果。齿轮的真空离子渗碳工艺周期仅为常规气体渗碳工艺周期的1/3~1/4,因此节能降耗效果十分显著。
图1-20 20CrMnTi钢齿轮离子渗碳工艺
载货汽车后桥从动齿轮,模数9.8947mm,材料为20CrMnTi钢,技术要求:渗层深度1.2~1.6mm,表面硬度58~63HRC。
(1)原工艺及存在问题。原工艺采用920℃气体渗碳+850℃碳氮共渗,需要11h左右,出炉后压床喷油淬火,由于变形及金相组织超差,产品合格率低,返修率高,成本升高,同时因生产周期较长,能耗较高。
(2)离子碳氮共渗工艺。离子化学热处理具有生产周期短、热处理变形小、产品热处理质量高、成本低的优点。故采用离子碳氮共渗后直接淬火工艺,其工艺为强渗880℃×3h(气氛:丙烷气/氮气比率为8%)+扩散880℃×4h(丙烷气/氮气比率为2%)。
(3)检验结果。渗层深度1.19mm,淬火后表面硬度64HRC,回火后硬度60.5~61HRC;金相组织达到图样技术要求。由于离子碳氮共渗工艺温度低,且时间短,热处理变形小,合格率高,均达到技术要求。
(4)节能效果。新工艺较原工艺缩短时间4h,可节能20%;采用新工艺后生产成本降低20%左右。
大马力推土机履带销套,尺寸为φ71.2mm×165mm,内孔φ48mm,材料为SCM415钢(相当于15CrMo钢),技术要求:渗碳层深度2.5~3.2mm,表面硬度58~63HRC。
(1)原工艺及存在问题。原渗碳工艺采用常规气体渗碳工艺,渗碳周期长达35h左右,不仅耗能大,成本高,生产效率低,而且热处理变形大,机械加工余量大,增加加工成本。
(2)离子渗碳工艺。为解决以上问题,采用先进、节能降耗的离子渗碳工艺,其生产工艺如图1-21所示。离子渗碳工艺参数:渗碳气氛为丙烷气1200mL/min,丙烷气/氮气比率为10%、扩散期丙烷气/氮气比率为2.5%以下;放电参数为540V,5A(电流密度约为0.78mA/cm 2 );炉压357~400Pa。渗碳与扩散时间只需12h以上,总时间为14h。
(3)检验结果。渗碳层深度2.904mm,淬火硬度66~67HRC,经200~220℃回火后表面硬度为62~63HRC。
(4)节能降耗效果。与原工艺相比,生产周期由原工艺的35h缩短为现工艺的14h,因此缩短生产周期21h,节能50%以上,同时也减少了丙烷气的消耗,故大幅度降低了产品成本。
图1-21 SCM415钢销套离子渗碳工艺曲线
注:图中数字比为渗碳-扩散时间比
中国船舶工业总公司466厂,对海军用12V180高速柴油机上180缸套(材料为38CrMoAlA钢),采用离子渗氮工艺取代常规气体渗氮工艺,不仅解决了常规渗氮薄壁缸套变形问题,而且显著缩短了渗氮周期,节省能耗,提高了生产效率,降低了生产成本。
(1)工件材料及技术要求。180缸套外形尺寸为φ199.5mm(外径)/φ179.75±0.03mm(内径)×327mm(长),该缸套壁厚仅为9.88mm,180缸套渗氮层深度要求0.40~0.65mm,表面硬度≥850HV,脆性等级Ⅰ级,内孔变形
。
(2)原工艺及存在问题。原热处理采用常规气体渗氮工艺,二段渗氮保温时间共53h,每炉周期约7天,由于处理时间长,缸套变形大,能耗高,成本较高。
(3)离子渗氮工艺。离子渗氮设备LD2-100A真空离子渗氮炉。为使缸套均匀加热,设计合理的辅助阴极,对工件外表面、端面屏蔽,尽可能高的渗氮温度和短的保温时间,并经多次试验总结出最终离子渗氮工艺:离子渗氮温度(510±10)℃,保温时间16h,电流为46A。装炉量为9件。
离子渗氮能够较好地解决变形超差问题,且渗氮速度大大提高,离子渗氮保温时间共16h,每炉周期为24h。
(4)检验结果及节能效果。批量生产缸套1000余件(共112炉),缸套内孔变形检测100%合格。用离子渗氮取代气体渗氮处理180缸套,使生产周期缩短6倍,综合经济效益达15万元。
采用离子渗碳工艺取代常规气体渗碳工艺,不仅解决了常规渗碳齿轮变形问题,而且显著缩短了渗碳工艺周期,节省能耗,提高了生产效率,降低了生产成本。
(1)工件材料及技术要求。重载齿轮轴,材料为20Cr2Ni4钢,要求渗碳淬火热处理。
(2)原渗碳工艺。原渗碳采用RJJ-60-9型井式气体渗碳炉,设备功率60kW,装炉量为120kg,采用常规气体渗碳工艺。
(3)离子渗碳工艺。离子渗碳采用(30+60)kW离子渗碳炉,装炉量为120kg,其离子渗碳工艺如图1-22所示,离子渗碳温度为945℃。
图1-22 20Cr2Ni4钢齿轮轴离子渗碳工艺曲线
(4)节能效果。原工艺采用气体渗碳,成本约为0.87元/kg,而离子渗碳成本约为0.48元/kg,与渗碳工艺相比,离子渗碳可降低成本近50%。因此,离子渗碳不仅生产效率高、节电、节省渗剂,还可以获得满意的渗层质量。
渗氮、氮碳共渗是一种周期长、效率低、耗能大的化学热处理工艺。人们通过试验发现,某些化学物质(如氯化物等)对气体渗氮、氮碳共渗等化学热处理具有催渗作用,通过催渗,可缩短热处理时间、降低能耗、提高生产效率、降低生产成本,是一种简单易行、成本低廉的节能工艺方法。
催渗剂的作用是能够破坏钢表面钝化膜、提高表面活性,从而加速氮原子的吸附过程,因此只能加速氮化的前阶段,对于渗层要求较深的渗氮(氮碳共渗)过程,则效果并不显著。目前常用的催渗剂有氯化铵(NH 4 Cl)、四氯化碳(CCl 4 )及四氯化钛(TiCl 4 )等。
(1)普通气体渗氮工艺。普通渗氮采用RQ3-75-9型井式炉,普通气体渗氮工艺见表1-17。普通气体渗氮工艺周期长,能耗高。
(2)NH 4 Cl催渗气体氮碳共渗工艺。NH 4 Cl催渗气体氮碳共渗采用RQ3-75-9型井式炉。用工业纯NH 4 Cl作催渗剂,将NH 4 Cl粉溶于工业酒精(一般按每立方米炉内容积加入130~150gNH 4 Cl计算)。图1-23为催渗气体氮碳共渗工艺。
图1-23 催渗气体氮碳共渗工艺
(3)检验结果。NH 4 Cl催渗气体氮碳共渗与普通气体渗氮后共渗层深度与硬度对比如表1-17所示。
(4)节能降耗效果。通过表1-17可知,同普通气体渗氮工艺相比,催渗气体氮碳共渗可节省时间50%左右,每炉节省电能约225kW·h,同时节省氨气消耗5m 3 左右,故该工艺节能降耗效果显著。
表1-17 催渗气体氮碳共渗与普通气体渗氮结果对比
气体渗氮的基本过程是由氨的分解、工件对氮原子的吸收及氮原子向工件内部扩散这三个基本阶段组成的。在常规气体渗氮过程中,氨气的分解反应式为2NH 3 —→3H 2 +2[N]。氨分解后,只有部分与工件表面接触的新生氮原子能被工件表面所吸收,另外的活性氮原子很快又结合成氮分子。因此,新生的活性氮原子未能有效地富集于工件表面是气体氮化渗入速度较慢的原因之一。
考虑到工件表面的氧化膜对氨的分解有催化作用,如果在氮化前先对工件进行表面氧化,使工件表面产生一层氧化膜,那么不仅能有效地去除工件表面的钝化膜,使工件表面保持活化状态,而且在随后的渗氮中,被氧化膜分解的氮原子会充分富集于工件表面,并迅速向工件内部渗透扩散,从而得到与离子渗氮前期快速渗入类似的效果。因此,在常规渗氮过程中,在工件入炉后升温至300~350℃进行氧化处理,然后进行氮化处理,可以缩短渗氮时间。
四川(涪陵)东方电工股份有限公司对齿轮、螺杆、螺筒及轴类等采用预氧化快速渗氮工艺,不仅解决了常规渗氮出现的渗层脆性问题,而且显著地缩短了渗氮周期,降低了电能消耗和生产成本。
(1)原工艺及存在问题。氮化零件为弧齿锥齿轮、斜齿轮、螺杆、螺筒及轴类等。材料为38CrMoAl、40Cr和42CrMo钢,渗氮层深度要求0.4~0.6mm,采用常规渗氮工艺最短需要保温44h(见图1-24),生产周期长,能量消耗大。并且工件渗氮处理后时常出现渗层脆性超标的情况。
图1-24 原渗氮工艺
图1-25 预氧化快速渗氮工艺
(2)预氧化快速渗氮工艺。工件表面的氧化膜对氨的分解有催化作用。这一点在生产实践中得到了证实,如表1-18所示,另外适当提高渗氮温度,增大氮原子的扩散能力,使氮原子较快地向工件内部扩散,从而获得较快的渗氮速度,达到快速渗氮的目的。
通过表1-18可以看出,与常规未氧化的渗氮工艺相比,采用预氧化渗氮处理后,渗氮速度显著提高(约50%)。图1-25为预氧化快速渗氮工艺。
表1-18 预氧化与未氧化两段渗氮渗速的比较
工艺操作要领如下:
①严格控制各阶段的氮化温度;②在300~350℃氧化1.5h后,应立即封炉通氨气进行排气,排去炉中空气;③在300~520℃升温阶段,氨的分解率要严格控制在零的范围。由于这时炉温较低且不均匀,若不控制氨分解率,则分解率很低从而使炉内氮势很高,使工件表面氮浓度很高却又难以向工件内部扩散,将影响渗氮工艺过程和渗氮后期扩散速度。
(3)预氧化快速渗氮后的情况及节能降耗效果。对38CrMoAl、40Cr、42CrMo钢等工件经预氧化快速渗氮工艺处理后,金相组织和力学性能完全达到产品质量要求,渗氮保温时间较原工艺缩短50%以上,因此显著降低了电能和氨气消耗,达到了节能降耗的目的。表1-19为随炉试样检测结果。
表1-19 随炉试样检测结果
甘肃天水水锻压机床厂采用预氧化多段变温循环快速气体渗氮工艺,对剪板机、折弯机的柱塞、导杆及齿轮等零件进行处理,使渗氮周期缩短50%,不仅节能降耗效果显著,而且工艺质量稳定,取得了明显的综合效益。
(1)零件材料及技术要求。柱塞、导杆和齿轮等零件材料选用40Cr钢,表面渗氮处理,渗层深度≥0.35mm,表面硬度≥500HV0.1。
(2)零件加工工艺流程。下料→粗加工→调质→半精加工→时效→精加工→气体渗氮→抛光→装配。
(3)原渗氮工艺及存在问题。气体渗氮采用常规二段氮化工艺(见图1-26),处理时间长达35h。生产周期长,能耗大。
(4)新工艺及检验结果。40Cr钢零件预氧化多段变温循环快速气体渗氮工艺(简称新工艺)及其参数,如图1-27所示。表1-20为新、旧渗氮工艺结果比较。
图1-26 40Cr钢常规气体渗氮工艺
图1-27 40Cr钢零件预氧化及热循环快速气体渗氮工艺
表1-20 新、旧渗氮工艺结果比较
新的渗氮工艺特点是在原有设备基础上,增加预先氧化工序,循环执行温度、供氮量、炉压及氨分解率等渗氮工艺参数即可进行。其中,每个工序段为1h,每四个工序段为一个大循环周期,渗氮总时间约16h。
常规二段气体渗氮结束后,工件仍需通氨炉冷至200℃出炉,既浪费氨气,又占有大量时间。新工艺采用通氨炉冷至480℃出炉油冷,由于温度低,零件变形极小(≤0.01mm),未发现渗层脆性增加。经新工艺处理的40Cr钢柱塞、导杆及齿轮等零件装机运行使用达三年,一切正常,完全达到原渗氮工艺效果。
另外,新工艺对其他钢种的气体渗氮处理也完全适用,只需根据钢材的合金元素种类及其含量情况将温度与时间做适当调整。
(5)节能降耗效果。与40Cr钢零件的原渗氮工艺周期35h相比,新工艺周期为16h,缩短时间50%以上,因此显著降低了能耗,提高了生产效率。
哈尔滨工业大学发明的稀土催渗技术,打破了传统渗碳工艺。与传统渗碳工艺相比,在渗碳温度不降低情况下,可提高渗碳速度20%以上;在渗碳温度降低40~60℃条件下,渗碳速度不降低。因此,可以大幅度降低能源消耗,节能可达20%~35%,同时可减少工件变形1/2~1/3,还可以明显改善渗层金相组织并大幅度提高使用性能。
稀土催渗氮可有效提高渗氮速度,在同样温度下稀土渗氮可提高渗速15%~20%;渗氮温度高出传统温度10~20℃,渗氮速度可提高60%以上。
稀土催渗技术现广泛应用于汽车、拖拉机、工程机械等零部件,以及模具等的渗碳、碳氮共渗、渗氮及氮碳共渗等,已取得显著的经济效益。
稀土催渗的基本原理如下。
稀土是一种活性很强的元素,又是一种强效微合金元素。在化学热处理过程中使用稀土,其贡献如下:
(1)稀土对炉气的作用。在还原性气氛中稀土可以有效地加强对渗剂的裂解作用,提高CH 4 及CO含量,升高炉气碳势,从而加速渗碳过程。
(2)稀土清洁表面增加表面活性。稀土的活性比铁高,在炉气中稀土离子可以还原工件表面的氧化铁,产生新生铁,起到清洁工件表面功效,有利于碳原子的吸附。
(3)稀土渗入金属表面形成的晶格畸变。由于稀土元素的原子半径比Fe原子半径大得多,它的存在会引起其周围的原子晶格畸变。这种晶格畸变,一方面由于C(或N)间隙原子在畸变区的偏聚导致表面C(或N)浓度增高,加快C(或N)原子的扩散;另一方面,由于晶体缺陷对原子扩散的通道作用,促使间隙原子沿着位错等缺陷快速扩散。
在气体渗氮过程中,采用大连圣洁热处理高新技术研究所的专利技术——稀土催渗快速气体渗氮技术,加入一种稀土催渗剂能够活化工件表面,加快氮原子吸收速度,不但能够缩短渗氮周期,还能够在工件表面形成细小弥散的氮化物,改善渗氮后组织,其中脆性级别、氮化物级别和疏松级别都可控制到1级,并提高表面硬度(比常规渗氮工艺提高30~100HV)。对于一般结构钢渗层要求0.3mm时,采用常规渗氮工艺保温时间在30h以上,但加入稀土催渗剂后,渗氮保温时间仅用14h,缩短时间53%,节电40%,节省氨气35%以上,同时减少排放废气35%,整个渗氮周期缩短32.7%。
哈尔滨汇隆汽车箱桥有限公司生产的CA-457型“解放”牌重载汽车后桥从动弧齿锥齿轮,外形尺寸为φ457mm×62mm,材料为20CrMnTiH3钢,技术要求:渗碳淬硬层深度1.70~2.10mm,表面与心部硬度分别为58~63HRC和35~40HRC,碳化物1~5级,马氏体及残余奥氏体1~5级。
(1)工艺路线。齿轮渗碳淬火及回火采用双排连续式渗碳自动生产线,每盘装6件齿轮,其工艺路线为450~500℃预处理→880~900℃预热(1区)→920~925℃预渗碳(2区)→925~930℃渗碳(3区)→890~910℃扩散(4区)→840~850℃预冷(5区)→870℃保温室压床淬火→60~70℃清洗→180℃×6h回火→喷丸清理→交检。
(2)稀土快速渗碳工艺。原渗碳工艺与稀土快速渗碳工艺参数对比如表1-21所示。通过表1-21可以看出,采用稀土渗碳工艺后,推料周期由原工艺38min缩短至30min,每一盘齿轮在炉内加热时间减少6h,提高渗碳速度20%,即提高热处理生产效率20%,同时降低了齿轮变形,减少了表面非马氏体组织。
(3)节能效果。表1-22为项目实施前后单位物料及用电消耗情况。按同比产品产量2000t/年计算,每年可降低能耗65万kW·h,节省电费45.5万元,同时减少渗碳剂的消耗。因此,该工艺节能降耗效果十分显著。
表1-21 原渗碳工艺与稀土快速渗碳工艺参数对比
表1-22 项目实施前后单位物料及用电消耗情况
(1)零件材料与技术要求。矿用牙轮钻头的牙爪零件,材料为20CrNiMo钢,要求渗碳淬火。
(2)稀土渗碳剂制备。滴注剂由煤油、甲醇和稀土化合物组成。稀土原料分别为富La稀土化合物、纯Ce和Y的化合物、混合稀土化合物,先把稀土化合物制备成稀土原液,在每升甲醇中加入一定量的稀土原液,配制成甲醇-稀土渗剂。
(3)设备。工艺试验用RJJ-35-9T型井式气体渗碳炉,生产应用在RJJ-105-9T型井式气体渗碳炉。
(4)稀土的催渗效果。在研制稀土渗碳剂时,安排了几组试验。首先测定了富La稀土加入量对渗碳速度的影响,结果见图1-28。由图1-28可见,稀土的加入量存在一个最佳范围,当每升中加入60mL稀土原液时,渗碳层最深,与不加稀土的相比,渗层深度提高22%~25%,但稀土加入量过多,对渗碳过程也有抑制作用。为考察不同稀土原料的催渗效果,参考上述的最佳稀土加入量,用不同的稀土做试验,结果见图1-29。由图1-29可见,所选用的各种稀土原料效果相似,均有较好的催渗作用。
图1-28 不同稀土加入量对渗层深度的影响
图1-29 不同稀土原料对渗层深度的影响
(5)生产试验和效果。
①生产试验。生产试验在牙轮钻头的牙爪零件上,表面碳浓度要求0.90%~1.15%(质量分数),渗碳层深度1.9~2.3mm,热处理工序为渗碳、渗硼、淬火和低温回火。稀土原液与甲醇的配比为25∶1000,渗碳剂为煤油。在工厂常规的装炉量(牙爪510kg)和常规工艺参数(见图1-30)条件下进行,并与不加稀土的常规渗碳比较,结果列于表1-23。
图1-30 20CrNiMo钢渗碳工艺
表1-23 20CrNiMo钢渗碳结果对比
②节能降耗效果。试验结果表明,稀土渗碳比常规渗碳的时间短、渗层深、保持碳浓度高,表征扩散系数的K值大,渗碳质量符合工序控制标准。每炉渗碳时间可缩短2~2.5h,工厂估算,年渗碳750炉,可节电140~180MW·h,同时可节省工时和减少设备等消耗,因此稀土渗碳是节能降耗的好技术。
上述稀土渗碳的牙爪经920℃×7h渗硼和860℃淬火后,组装成钻头进行矿山试验,结果列于表1-24。结果显示,稀土渗碳的轴承寿命平均提高6.7~7.4h,提高率达24.8%~27.8%,钻头的穿孔进尺平均增加了153~190m,提高率达25%~28%,强化效果显著。
表1-24 矿山试验结果对比
山东某齿轮厂使用稀土快速碳氮共渗工艺代替传统气体渗碳工艺,并自制稀土共渗剂,渗速进一步提高,达到0.20~0.25mm/h,不仅降低了材料消耗,还节约了电能,收到了明显的经济效益。
(1)设备与工艺。生产用设备为经改造的RJJ-105-9T型井式气体渗碳炉,齿轮材料为20CrMnTi钢,其稀土快速碳氮共渗工艺如图1-31所示。
图1-31 20CrMnTi钢齿轮稀土快速碳氮共渗工艺
(2)共渗剂的配制。稀土碳氮共渗剂由甲醇、甲酰胺、尿素和稀土组成,并通过试验确定甲醇和甲酰胺最佳质量比例为1000∶160±30。在此基础上又对尿素、稀土的配制比例进行了试验,试验得出最佳配比(g)为甲醇∶甲酰胺∶尿素∶稀土=1000∶(160±30)∶(130±30)∶(7±3)。用此渗剂共渗速度可达0.20~0.25mm/h,渗层组织、硬度、硬度梯度均能达到要求。
(3)节能降耗效果。自制稀土碳氮共渗剂成本仅为外购的1/4,每年可节约数万元。
用外购的稀土碳氮共渗剂,渗速仅为0.17~0.18mm/h,工艺周期为8h。在相同条件下,用自制的共渗剂,渗速提高到0.20~0.25mm/h,工艺周期为7.5h,每炉节时0.5h,即节电52.5kW·h,每年按1200炉计算,全年节约电费3万余元。
南京高速齿轮制造有限公司生产的风电增速箱内齿圈,材料为42CrMo钢,要求渗氮层深度≥0.5mm。
(1)稀土快速渗氮催渗机理及优点。稀土元素特有的电子层结构决定了稀土元素在化学热处理过程中有很强的活化催渗作用。稀土元素在室温下就能吸附氢,在250~300℃时容易与氢发生反应,并生成REH 2 和REH 3 等类型的化合物。在渗氮气氛中,稀土元素与氢结合,使氢分压下降,有利于氮势的提高,促进渗氮。有学者提出“气团”模型,稀土的渗入加速其他待渗原子的扩散。添加稀土可使气体渗氮速度提高20%~50%,同时节省氨气消耗。
稀土渗氮优点如下:提高渗氮速度,缩短工艺周期,降低能耗;提高表面硬度;改善渗层的组织与渗层耐磨性能和冲击韧性等。
(2)常规渗氮工艺。齿圈渗氮温度为520℃,渗氮时间70h,氨分解率30%~50%。渗氮层深度可达到0.542mm。
(3)稀土渗氮工艺。齿圈稀土渗氮温度为520℃,渗氮时间45h,氨分解率30%~50%,渗氮层深0.547mm。
(4)稀土渗氮节能降耗效果。稀土渗氮后齿圈的表面硬度平均可提高100HV,渗氮时间缩短25h,同常规渗氮工艺相比,渗氮时间可以节省36%,相应降低了电能和渗氮介质的消耗,同时提高生产效率30%以上。
四川石油管理局成都天然气压缩机厂对天然气压缩机、空压机活塞杆和曲轴采用稀土快速氮碳共渗工艺,不仅可以缩短渗氮工艺周期,节省能源,而且还可以提高零件表面硬度,改善渗层组织。
(1)稀土渗氮设备。渗氮设备采用RN6-280-6型井式气体渗氮炉。
(2)工件材料及技术要求。天然气压缩机和空压机活塞杆材料为38CrMoAl钢;空压机曲轴材料为42CrMo钢。以上两种材料零件均要求渗氮处理。
(3)稀土渗氮工艺及其节能效果。氨气流量为2.3~2.6m 3 /h,炉压1.2~1.8kPa。
① 38CrMoAl钢天然气压缩机和空压机活塞杆未加稀土催渗剂的渗氮温度为540℃,渗氮6h后,渗氮层深度0.25mm;常规渗氮(未加稀土)温度为520℃,渗氮8h后,渗氮层深度0.12mm。
在获得相同渗氮层深度情况下,稀土工艺较常规渗氮工艺周期缩短2h,表面硬度提高200HV以上,生产效率提高25%,节能25%。
② 42CrMo钢空压机曲轴的稀土渗氮温度为540℃,渗氮6h后,渗氮层深度0.28mm;常规渗氮温度为520℃,渗氮16h后,渗氮层深度0.21mm。
在获得相同渗氮层深度情况下,稀土工艺较常规渗氮工艺周期缩短10h、表面硬度提高30HV以上、生产效率提高160%、节能62.5%。
综合上述,采用稀土渗氮工艺不仅可以显著缩短渗氮工艺周期,节省能源,而且还可以提高零件表面硬度,改善渗层组织。
西安北恒热处理工程公司发明的BH催渗技术,为国内外首创,是一项在不增加设备投资的情况下,通过给热处理气氛中添加BH催渗剂并调整工艺,从而实现快速渗碳或碳氮共渗的新型节能降耗工艺。
(1)BH催渗剂催渗机理。渗碳是一种化学上最典型的“气固相反应”,即发生在工件(固相)与气氛之间的化学反应。渗碳可分为以下四个主要过程:
①气相中的反应:渗剂充分分解。产生活性碳原子、离子。
②活性碳原子、离子在气相(气氛)中的传递、扩散。
③气固相表面渗碳反应。活性碳原子、离子与工件表面接触,在气固相界面发生反应,碳被工件表面吸收,并产生副产物CO和H 2 。
④被吸收的碳原子、离子在工件内部扩散,此过程一般很慢。
在实际反应时,第1、2步的速度较快,第3、4步较慢,是影响渗速的瓶颈。要求提高渗速就必须解决第3、4步的问题。
BH催渗剂从以下3个方面影响着渗碳过程:
①对渗剂分解和碳原子活性的作用。渗剂(甲醇、丙酮、煤油、RX气体或天然气)分解是渗碳的第一步,渗剂的充分分解和断链需要在较高的温度和催化剂下进行。
BH催渗剂中含有一组高效复合分解催化剂,它可以促使渗剂在较低温度(800℃)下分解,并增加碳原子的活性和数量,减少炭黑,提高渗剂产气量。
②对气固相表面反应的影响。边界气模层学说是近代气固相化学反应速度研究领域的新学说,它同样适用于渗碳这样一个化学热处理;渗碳时气氛中的有效成分与工件表面接触,在气相与固相间会发生以下反应后,碳被工件吸收:
碳渗入工件后,反应副产物——残余气体CO 2 、H 2 、H 2 O会在工件表面不断累积,形成一个有效渗碳成分相对较低的中间气膜层,即“边界气膜层”。由于边界气膜层的存在,气氛中的活性成分(CO、CH 4 等)只有穿过工件气膜层后,才能达到工件表面和工件接触并参与渗碳。边界气膜层的存在阻碍了活性成分与工件的接触,降低了活性成分的实际有效渗碳浓度。
BH催渗剂中有一种可以间歇性产生冲击波、破坏气膜层的物质,它可以增加活性成分与工件表面的接触机会,提高渗碳有效反应概率。
③对扩散的作用。BH 催渗剂中有一种新的化学物质,它可以改变渗剂的分解历程,使渗剂充分分解,并在分解过程中产生部分正四价碳离子。正四价碳离子体积只有碳原子(半径7.7Å)的1/135,因而活性高,扩散阻力小,扩散速度快,从而解决了影响渗速关键的问题,且没有反应副产物,不增加边界气膜层。
(2)BH催渗剂的配制。将1份(1袋或1瓶)BH催渗剂倒入200L(1标准油桶约165kg)相应的甲醇、煤油、丙酮等渗剂中,用一个竹片或木棒搅拌5min以上即可使用。
(3)BH催渗技术优点。与普通渗碳(碳氮共渗)相比,有如下优点。
①在同样温度条件下,可提高渗速20%以上。
②在温度降低40℃以上的条件下保持原工艺渗速不减,可减小产品变形。
③气氛活性高、炭黑少,工艺稳定性好。
④可细化组织,并显著减少晶界氧化和非马氏体组织。
⑤对浅层渗层(≤0.60mm)和中、厚(≥4.0mm)渗层同样有效。
⑥高效节能,无环境污染。
江苏飞船齿轮股份有限公司在连续式渗碳炉上采用BH催渗技术对TS半轴齿轮进行渗碳淬火、回火处理,不仅提高了产品质量,而且提高渗碳速度22%以上,节约了能源。
(1)齿轮材料及技术要求。TS半轴齿轮,材料为20CrMnTi钢,技术要求:渗碳层深度1.0~1.4mm,表面与心部硬度分别为58~64HRC和33~48HRC,花键孔变形量≤0.05mm。
(2)快速BH催渗工艺。每个料盘上180只齿轮。渗碳热处理设备为LSX-15型连续式渗碳自动生产线。原渗碳工艺和快速催渗工艺分别列于表1-25和表1-26中。
表1-25 TS半轴齿轮原渗碳工艺
表1-26 TS半轴齿轮快速BH催渗工艺
(3)检验结果。表1-27为两种渗碳工艺检验结果。采用快速BH催渗工艺后,渗层显微组织得到改善。
表1-27 两种工艺处理后检验结果对比
(4)节能效果。通过表1-25、表1-26和表1-27可以看出,两工艺获得的渗碳层深度基本相同,而采用快速BH催渗工艺后推料周期(生产节拍)从原工艺的36min减至28min,渗碳周期由原工艺的13.2h缩短至10.26h,缩短工艺周期2.94h,提高渗碳速度22%以上,该生产线功率为500kW,每处理32400件齿轮,可节约电能约440kW·h。
辽宁瓦房店轴承集团公司在连续式渗碳炉采用BH催渗快速渗碳工艺处理G20CrNiMo钢轴承零件,不仅解决了生产效率低的问题,而且缩短了渗碳周期,节约了能源。
(1)原渗碳工艺及存在问题。原G20CrNiMo钢HM129848/HM129814轴承零件渗碳工艺(未加BH催渗剂)如表1-28所示,装炉量为8套/盘,节拍时间为43~45min。
表1-28 原渗碳工艺(未加BH)
原渗碳工艺最大缺点是装炉量小,节拍时间长,生产效率低,容易产生炭黑。
(2)BH催渗快速渗碳工艺。BH催渗快速渗碳工艺的实施,装炉量可由8套/盘提高到10套/盘,处理零件为HM129848/HM129814轴承零件,生产节拍时间缩短为37min,HM129848产品内圈渗碳工艺如表1-29所示。
表1-29 BH催渗快速渗碳工艺
(3)检验结果与节能效果。采用BH催渗快速渗碳工艺后,表层碳浓度提高,显微组织细小,一般为2级。与原渗碳工艺相比,生产周期缩短20%,每年节约能源20万元,产量提高20%。
东风汽车半轴齿轮,材料为20CrMo钢,要求渗碳淬火有效硬化层深度1.0~1.4mm,齿表面与心部硬度分别为58~63HRC和28~33HRC,碳化物、马氏体及残余奥氏体1~5级。
(1)BH催渗工艺。将BH催渗剂按1∶200的体积比例分别添加到煤油和甲醇中,在RQ3-105-9型井式气体渗碳炉中使用,不同渗碳工艺如图1-32和图1-33所示。
(2)节能效果。50炉次试验结果见表1-30。由表1-30可知,采用BH催渗技术后生产效率提高了20%,每炉节电90kW·h,产品质量提高,且工艺稳定。
图1-32 原渗碳工艺
图1-33 BH催渗渗碳工艺
表1-30 采用不同渗碳工艺后50炉次对比检验结果
机械能助渗是20世纪90年代我国首先开发的一项表面处理新技术。它是用运动的粉末粒子冲击被加热的工件表面,将机械能(动能)传给表面点阵原子,使其激活脱位,形成大量原子扩散所需的空位,降低了扩散激活能,将纯热扩渗的点阵扩散变为点阵缺陷扩散。该技术将机械能(动能)与热能(温度)巧妙地相结合,从而大幅度降低扩散温度[如由常规的950~1050℃(高温奥氏体状态)降低至新技术的460~600℃(低温铁素体状态)],明显缩短扩散时间(如由常规的4~10h缩短到新技术的1~4h),耗能可减少1/2~3/4,故节能效果十分显著。
(1)机械助渗特点。
①由于该方法处理温度低(460~600℃),时间短(1~4h),因此热处理变形小,处理件可直接装配使用,减少了后续机械加工费用。
②可节约筑炉用的贵重的高合金钢,设备简单,投资少。
③可以实现渗金属(Zn、Al、Mn、Cu等)、渗碳、渗氮等几乎所有常规化学热处理。
目前,山东大学已经研制成功滚筒式机械能助渗箱式电阻炉(主要由箱式电阻炉、拖板及机械滚动装置组成)并应用于生产,不仅生产效率高,而且能有效控制渗层厚度及表面质量,节能效果显著。
(2)机械能助渗的机理。与常规化学热处理相比,机械能助渗大幅度降低了扩散温度,缩短了扩散时间,主要有以下两方面原因:
①改变了传热方式。常规热处理在低温(低于 650℃)加热,主要靠传导方式传热。机械能助渗时,粉末粒子的流动将传热方式改变为固体粒子间流动接触传热,增加了传热速度,明显缩短了加热和透烧时间。例如直径为 500mm、装有粉末渗剂与工件的滚筒,常规加热到400℃,透烧时间应不少于8h,而用滚动法加热时,到400℃的升温时间为1~2h,渗锌层为80μm的保温时间(包括透烧时间或扩散时间)只需1~1.5h。
②改变了扩散机制。机械能助渗对化学热处理的分解、吸附和扩散这三个阶段都有影响,其中对扩散过程影响最大,起主导作用。粉末粒子运动增加渗剂各组元之间的接触机会,加速它们之间的化学反应,增加渗剂的活性和新生态渗入元素原子的浓度。运动粉末粒子冲击工件表面可去除表面氧化膜、净化表面,产生表面缺陷,有利于渗入原子的吸附,提高渗入元素的吸附浓度。因此,提高了扩散速率。可以相应缩短扩渗时间。而化学热处理,大多受扩散过程所控制,为了提高扩散速率,往往要采用相当高的扩散温度,如900℃以上。
机械能助渗技术主要包括机械能助渗锌、机械能助渗铝、机械能助渗硅、机械能助渗锰、机械能助渗锌铝共渗等。
(1)机械能助渗锌及其应用效果。机械能助渗锌温度比常规粉末渗锌稍有降低,为360~430℃,渗锌时间缩短为0.5~2h,与常规粉末渗锌相比,保温时间缩短为原来的1/2~1/5,节能1/2以上。机械能助渗锌层组织致密,与基体有明显的边界,一般为两层,表层为FeZn 4 ,并含少量Zn,总的含Zn量为86%;内层有一定薄层,含Zn量76%的可能是Γ相。渗锌件表面呈暗灰色,随渗层厚度增加颜色加深,无光泽,用混有添加剂的渗锌剂处理的工件,表面呈浅灰色,渗层浅(20~30μm)时呈白色,也无光泽;经钝化处理后,表面光滑,颜色变浅,有金属光泽;经抛光和钝化处理,表面光滑,呈白色,有金属光泽。
镀锌是钢铁材料防腐蚀的最经济和最普遍的方法。1988年世界每年镀锌产品已超过2000万t,大多数采用热镀和电镀,大件采用热喷涂方法。
与热镀、热喷涂相比,机械能助渗锌具有如下优点:
①耗锌量低。热镀锌国际上先进耗锌量为6%~7%;我国为8%~10%;机械能助渗锌只有2%~4%;
②渗层均匀性好,表面无结瘤等缺陷。机械能助渗锌厚度误差在10%以内;
③耐蚀性好;
④渗层结合强度好,用锤击试验,渗层无起皮,无剥落。
机械能助渗锌成本还不到热镀锌的1/2,是代替热镀锌的理想工艺,可以处理除丝、薄板以外所有的热镀锌件,特殊小件和形状复杂的工件,如紧固件、管接头、套筒、标准件,以及大型件(如输电线路构件、高速公路护栏)。目前市场上已有直径500mm和长1.5m、3m、6m滚筒的机械能助渗设备。
(2)机械能助渗铝及其应用效果。机械能助渗铝,将渗铝温度由常规的粉末渗铝的900~1050℃(高温奥氏体状态),降低到440~600℃(低温铁素体状态)。在440℃×4h下,20钢可以得到10~15μm的渗铝层深度,在560~600℃渗速较快,在580℃×4h,20钢可得到90~100μm渗铝层。渗铝层的含铝量达50%以上,为Fe 2 Al 5 相。
机械能助渗铝可将加热和保温时间由8~20h缩短到1~4h以内,节能效果十分显著,能耗仅为常规渗铝的1/3~1/5。机械能助渗铝有利于渗铝件的质量提高,设备投资和消耗减少。不仅可以替代固体渗铝,也可以替代热浸铝。
渗铝比渗锌耐大气腐蚀性好,是代替热镀锌、热镀铝的良好工艺。渗铝层由于耐高温抗氧性好,在发电厂锅炉管试用,效果良好。可用于汽车的减振器、尾气管、热电偶、炉底板等。
(3)机械能助渗硅及其应用效果。常规的粉末渗硅温度为950~1050℃(奥氏体状态),机械能助渗硅是在400~540℃(铁素体状态)。500℃×3h可得到200μm渗硅层。机械能助渗硅是含Si量为18%左右的Fe 3 Si层,表面硬度为700HV0.1。机械能助渗硅可将渗硅时间缩短到2~4h。
机械能助渗硅的渗硅层组织致密,未发现气孔和缩松。渗硅可提高钢铁件的耐酸、海水、熔盐及熔融金属的耐蚀性,并可提高其抗高温氧化能力。
(4)机械能助渗锰及其应用效果。机械能助渗锰将渗锰温度由常规的1000℃左右,降低到420~460℃。经460℃×3h处理的20钢,可获得60μm的渗锰层,为β-FeMn+α-Fe相。渗锰可用于海水中混凝土钢筋的防护处理。
(5)机械能助渗锌铝共渗及其应用效果。机械能助渗在400~460℃实现了常规化学热处理时扩渗温度相差很大的锌(400℃左右)和铝(1000℃)的锌铝共渗。经 420℃×60min处理的20钢可获得50μm锌铝共渗层,含Al量为5%左右,含Zn量为3%~60%,相组成为FeZn 4 加少量FeAl 3 。锌铝共渗层表面为白色,比渗锌层白,其耐大气腐蚀性好,是代替热镀锌和热镀铝合金的良好工艺。
碳钢表面渗铝是提高工件表面抗高温氧化性的一种行之有效的途径,目前已在石油化工、冶金、电力等行业中得到广泛应用。碳钢表面渗铝的方法主要有热浸铝法、热喷涂法和固体填充粉末渗铝三种。传统的填充法粉末渗铝存在渗铝温度高、渗速慢、处理时间长等缺点,机械能助渗铝的方法是通过滚动将机械能与热能相结合的新工艺进行粉末渗铝,可以显著降低粉末渗铝的温度,并缩短保温时间。
(1)渗铝产品及其要求。电厂及各类锅炉钢管,要求抗高温氧化性好,可在780℃以下长期使用,要求进行表面渗铝处理。
(2)设备与工艺。设备采用山东大学研制的滚筒式机械能助渗箱式电阻炉(主要由箱式电阻炉、拖板及机械滚动装置组成),渗铝工艺采用机械能助渗铝工艺,其是利用运动的粉末粒子的机械能冲击工件表面进行助渗铝,可将渗铝温度由常规的粉末渗铝的900~1050℃,降低到440~600℃,扩渗时间由4~10h,缩短到1~4h。
机械能助渗铝所得渗铝层主要由富铝的Fe 2 Al 5 相形成,渗层中铝含量高,具有良好的抗高温氧化性能和适宜的力学性能。渗层均匀、致密、孔隙率低,渗铝层与基体的结合处,由于铝铁化合物层与基体的结合力加强,使渗铝层不易剥落。
(3)节能效果。与常规高温(950~1100℃)渗铝工艺相比较,节约电能60%~70%。与常规高温渗铝相比,由于机械能助渗铝温度低,相应减少了工件热处理变形,以及热处理设备的维护费用。
(1)工件材料与技术要求。钻头的材料为W6Mo5Cr4V2高速钢,要求表面硬度64~67HRC,要求进行表面碳氮共渗处理。
(2)常规工艺及存在问题。W6Mo5Cr4V2高速钢钻头常规热处理工艺:低温预热600~650℃,中温预热800~850℃,高温加热淬火1210~1230℃,540~560℃回火三次,常规工艺不仅生产工序多,而且耗能也大,生产效率低。
(3)机械能助渗设备及工艺。设备采用山东大学研制的滚筒式机械能助渗箱式电阻炉,钻头表面处理工艺采用机械能助碳氮共渗,其工艺为520℃×1h。
(4)检验与效果。表面硬度1000HV0.1左右,获得30~40μm的扩散层,且无化合物层,钻头使用寿命提高1倍左右,节约能耗60%以上。
电解气相催渗化学热处理是利用电解液电解时产生的气体作为催渗剂,由载气(氨气或氮气)输入炉中实现快速化学热处理的工艺。这是提高氮活性,从而提高气氛氮势的一种快速渗氮方法。
例如,与常规气体渗氮相比,电解气相催渗可缩短时间1/2~1/3,各种渗氮钢均可应用此法。只需添置一台密封电解槽(见图1-34)即可生产。渗氮过程的加速不只是催渗气相的作用,同时还由于此法获得的表面硬度较高,并且随着渗氮温度升高而使硬度降低的趋势比较平缓,故可提高温度进行渗氮,即在获得同样渗层深度条件下,渗氮时间可以缩短,因此节约了能源消耗。
图1-34 电解气相催渗渗氮装置示意
1—氨瓶 2—贮气罐 3—电解槽 4—冷凝罐5—渗氮炉 6—压力计 7—氨分解率测定器 8—气泡瓶
(1)常用的弱碱性电解气相催渗渗氮的电解液配方。1g海绵体+8mL盐酸+32mL甘油络合氢氧化钠饱和水溶液(pH大于或等于10),再加5g氯化铵饱和水溶液,水120mL(pH约8~9)。
(2)电解槽一般用塑料或玻璃钢制作,电解槽容积及电解电流与渗氮炉大小(或用功率表示)有关,实际应用的数据见表1-31。
表1-31 电解槽尺寸
(3)不同钢种的电解气相催渗渗氮工艺规范及效果见表1-32。
表1-32 不同钢种的电解气相催渗渗氮工艺规范及效果
(4)电解气相催渗渗氮与普通气体渗氮的效果比较见表1-33。通过表1-33可以看出,电解气相催渗渗氮工艺与普通渗氮工艺相比,可缩短生产周期50%以上。
表1-33 电解气相催渗渗氮与普通渗氮的效果比较
注:*第一排数据表示获得相同效果的原渗氮工艺,下面三排数据表示原渗氮工艺温度、时间与电解气相催渗渗氮相同时所获得的结果。
汽轮机主汽门阀杆、阀碟,材料均为15Cr11MoV钢,技术要求:渗氮后硬度≥650HV,渗氮层深度≥0.30mm,脆性≤3级。
(1)原渗氮工艺及问题。原渗氮工艺采用普通两段渗氮工艺:(530±10)℃×20h,氨分解率25%~30%;(600±10)℃×37h,氨分解率50%~60%,渗氮工艺周期为57h。该工艺生产周期长,能耗和成本高,生产效率低。
(2)电解气相催渗氮工艺。新工艺采用电解气相催渗氮工艺。电解液配方(质量分数):20%HCl+80%H 2 O+200g/LNaCl;电解槽容积为氮化罐容积的1%;电解电流9~11A;载体气流量0.2m 3 /h;560℃×9h条件下NH 3 分解率为50%~60%;600℃×15h情况下NH 3 分解率为70%~80%。
(3)检验结果。渗氮层深度0.4mm,硬度1000HV0.1,脆性<3级。
(4)节能降耗效果。与原工艺相比,渗氮时间由原工艺的57h缩短到现工艺的24h,节省渗氮时间近58%,同时也减少了氨气的消耗,故新工艺节能降耗效果显著。
德国劳瑞德布尔热处理技术公司益科工业技术研究所研制开发的电解质气相离子催渗技术(简称ECA催渗技术)。该项技术不需要附加设备,使用简便,可提高渗碳速度35%,减少渗剂用量1/3,有效细化晶粒,在原工艺温度降低30℃的条件下,仍能维持原渗速不变,减少热处理变形,是环保产品。在欧洲被喻为气氛渗碳热处理的“味精”。
(1)ECA催渗机理。ECA催渗剂随渗碳剂通入炉内,使炉内气氛产生电解质气相,在气氛中各物质都是以离子态存在,而不是以分子态存在,碳以正四价碳离子形式存在。由于工件都是含碳钢或合金钢,工件沉浸在电解质气相中发生原电池反应,产生正负极性,由于工件极性的存在,正四价碳离子极易吸附在工件表面,碳离子在工件内部迁移过程受两个方面的力驱动,一个是电场力,另一个是由于表面与心部存在碳的浓度梯度产生的扩散力。碳离子向内部迁移的途径也有两条,除沿晶界扩散外,还因为正四价碳离子半径只有碳原子的1/5,正四价碳离子可以穿透晶粒内部向工件内层扩散,也正由于快速的扩散速度,工件表层不易积聚高的碳而形成网状或块状碳化物。
气体渗碳一般分为三个阶段,第一步是碳的富化剂分解产生活性碳原子,第二步是活性碳原子被工件表面吸附,第三步是活性碳原子沿晶界向内部扩散,几乎所用的催渗技术的研究都是围绕这三个步骤进行的。物理催渗如电离催渗是通过强的外界电场力的作用下催渗,主要是提高第二步和第三步的速度,是目前渗碳速度最快的,但需要昂贵的设备投入,而且处理的零件批量小,不适合大批量生产。ECA催渗技术可提高三个阶段速度,特别是对渗层深度起决定作用的扩散阶段的渗速,因此较之其他催渗技术更快。
(2)ECA系列产品型号及适用设备。ECA系列产品主要有五种,其适用设备如下。
①ECA-1用于氮-甲醇气氛渗碳炉,如多用炉;②ECA-2用于甲醇+丙烷气氛渗碳炉,如多用炉;③ECA-3用于煤油+甲醇渗碳炉,如井式渗碳炉;④ECA-4用于滴注型渗碳炉;⑤ECA-5用于丙酮+空气型,如多用炉的直生式气氛渗碳工艺。
(1)工件材料与技术要求。摩托车配套件曲柄销(见图1-35),材料为20CrMo钢,技术要求:表面与心部硬度分别为60~64HRC和35~40HRC,渗层深度0.8~1.2mm,马氏体、残余奥氏体、碳化物和铁素体1~3级。
(2)原工艺及存在问题。渗碳热处理采用Unicase多用炉,甲醇滴注流量为2500mL/h,原渗碳工艺如图1-36所示。经检验,表面与心部硬度分别为61~63HRC和39~40HRC,渗层深度1.0mm,碳化物1级,马氏体与残余奥氏体4级,铁素体1级。从检验结果可以看出,马氏体与残余奥氏体级别超差,在多方调整热处理工艺也无法解决问题的情况下,只能采用加大热后磨削量(磨削量为0.2mm)的方法来降低表面金相组织的级别,这样不但增加了生产工序成本而且增加了原材料的消耗,严重降低了生产效率。
图1-35 摩托车曲柄销简图
(3)加ECA催渗剂工艺。甲醇滴注流量为1500mL/h,其渗碳热处理工艺见图1-37。经检验,表面与心部硬度分别为61~64HRC和37~40HRC,渗层深度1.0mm,马氏体与残余奥氏体2级,碳化物1级,铁素体 1 级。从检验结果可以看出,马氏体和残余奥氏体等均达到技术要求。有效解决了存在的问题。
图1-36 原渗碳热处理工艺
图1-37 加ECA催渗剂渗碳热处理工艺
(4)节能降耗效果。从工艺及有效硬化层深度可以看出,同样获得1.0mm的渗层深度情况下,ECA催渗剂可缩短1/3的工艺周期。表1-34为采用ECA催渗剂前后成本比较。其中电费价格为0.8元/kW·h,甲醇价格为3元/L。
表1-34 采用ECA催渗剂前后成本比较
从表1-34可以看出,使用ECA催渗剂后每炉可节约成本119元(15+104),由于ECA催渗剂缩短了生产周期,使原来每天只有两炉多一点的生产量提高到每天三炉,从而每天可节约成本3×119元/天=357元/天,减去120元/天的ECA催渗剂的用量,实际每天可节约成本237元。
若一年的有效工作日按10个月计算,则每年可节约成本为237×10×30=71100(元),而且还不包括由于提高产品质量所带来的间接效益。
海南亚龙集团公司在连续式渗碳炉上采用电解质气相离子催渗技术生产拖拉机齿轮,不仅解决了齿轮变形问题,而且显著降低了能耗,获得较好的经济效益。
(1)工件材料与技术要求。121型拖拉机最终从动齿轮,外形尺寸φ185mm×44mm,材料为20CrMnTi钢,热处理技术要求:马氏体和残余奥氏体1~5级,碳化物1~5级,心部铁素体1~4级,表面与心部硬度分别为58~64HRC和33~48HRC,渗碳层深度0.8~1.3mm。
(2)原工艺。原工艺如表1-35所示,其推料节拍32min,每盘装载量为230kg。
表1-35 原工艺
(3)催渗工艺。催渗工艺如表1-36所示,其推料节拍为24min,每盘装载量230kg。
表1-36 催渗工艺
(4)检验结果。两种工艺产品的检验结果如表1-37所示。
表1-37 两种工艺处理的齿轮检验结果
检验结果表明,电解质气相催渗技术由于其快速的催渗作用,缩短渗碳时间1/4,可在原工艺基础上提高产量25%,同时降低了碳化物级别,并使表面马氏体和渗碳层的硬度梯度均得到了改善,增加了齿轮疲劳强度,提高了产品质量。
(5)节能降耗效果。
①甲醇的消耗:原工艺每天消耗250L,催渗工艺每天消耗160L,甲醇密度0.791kg/L,甲醇单价2.52元/kg,则催渗工艺每天可节约甲醇费用=(250-160)×0.791×2.52=178(元)。
②丙酮的消耗:原工艺每天消耗30L,催渗工艺每天消耗35L,丙酮密度0.789kg/L,丙酮单价7元/kg,则每天多消耗丙酮费用=(35-30)×0.789×7=27(元)。
③电能消耗:连续式渗碳炉总功率750kW,保温功率500kW。电价0.6元/kW·h,催渗工艺提高生产效率1/4,催渗工艺每天可节约电费=1/4×0.6×500×24=1800(元)。
④催渗剂:每天用量450元。
采用催渗工艺每天获得直接净效益=①+②+③+④=178-27+1800-450=1551(元)。
每年工作日按300天计算,则采用催渗剂工艺每年获得直接净效益=1551×300=465300(元)。
采用快速回火装置回火、淬火钢的高温快速回火及感应回火等方法,不仅可以达到常规回火效果,而且可以显著缩短回火时间,降低能源消耗,提高生产效率。
(1)采用快速回火装置回火方法。德国材料技术研究所推出一种非等温快速回火的方法,在190℃回火10min可代替160℃回火2h,不仅节约了电能,而且显著提高了生产效率。
该方法是通过在加热气氛和工件之间采用高速对流、涌流等方式,设计更高效的热转换器促进加热可以显著减少回火时间,同时还能大大改善整个工件加热温度的均匀性。快速回火采用高精度加热炉,不仅要求回火炉温度均匀,而且传热也均匀。通过使用涡轮可以实现快速传热。在Pyro系统(Pyro回火软件集成了Pyrotemp回火计算软件和Pyrograph热交换软件。Pyro回火软件是涉及回火科学和热交换科学的边缘科学。)中工件加热速度和温度均匀性得到了优化。
(2)快速回火装置应用。采用快速回火装置及工艺能够显著提高热处理效率和工件性能,而且还可以节约电能和地面空间。图1-38为汽车连接件用快速回火装置,工件回火周期为6~8min。图1-39为轿车及叉车后轴用快速回火装置,工件回火周期为20min。
图1-38 汽车CV连接件用快速回火装置
图1-39 轿车及叉车后轴用快速回火装置
淬火钢的高温快速回火是指,淬火后的钢件在Ac 1 点以上温度,根据工件的厚度代入经验公式计算出所需的回火时间,几十秒或几百秒的回火,可以达到按传统工艺在低温、中温和高温回火几小时的效果,节能显著。
(1)回火温度的选定。其选用的原则是,短时间的高温回火与长时间的低温回火达到相同的组织结构和力学性能。依据生产上对钢件性能的需要在Ac 1 以上某一温度,准确控制一定的回火时间,使其得到马氏体、托氏体和索氏体的组织,从而获得高的耐磨性、高的弹性极限和优良的综合力学性能。
(2)回火时间的确定。可用如下经验公式计算:
式中,T为回火时间(s);K s 为回火时间基数(s),A s 为回火时间系数(s/mm),D为工件有效厚度(mm)。
例如,45钢用高温快速回火时,温度为860℃,选用K s =30s,A s =0.3s/mm,D=10mm,则T=30+0.3×10=33(s),即高温回火时间为33s,回火后硬度为52HRC。若用传统工艺回火时,回火温度为200℃,回火后硬度为52HRC。
应用技术:对40Cr、45钢及T10钢件采用高温箱式电阻炉加热回火,当炉温达到指定的温度后,根据所需力学性能(硬度)按表1-38所给数据来确定保温时间。
表1-38 高温快速回火法和传统工艺回火法与时间对照表
按照表1-38所给的数据和工件厚度,计算出回火时间,回火后就可以得出在不同时间回火后的力学性能,经与传统回火工艺所得力学性能对比,具有相近的力学性能。
高温快速回火法不产生回火脆性,省时、节电。但对高合金钢和大件回火暂不适用。
应用效果:对经纬纺织机上所用的Roll,以及一些传动的轴类零件的回火采用高温快速回火工艺,效果非常好,不仅达到了产品质量要求,而且缩短了回火加热时间,节约了能源。
回火与淬火加热相比较,回火保温时间一般较长(数小时)。生产中常用积累相当数量淬火件后一起装入回火炉的方法解决工序节拍及设备利用率问题,而这又常会引起淬火件的“置裂”。为缩短工艺周期,或用一次回火代替多次回火,常采用提高回火温度的方法,即快速回火法。
在保持等硬度的条件下,回火温度与回火时间呈下列关系
式中,P为回火参数;T为回火温度(K);t为回火时间(s);K为常数,仅与钢中的含碳量有关,并呈线性关系,如图1-40所示。
图1-40 常数K与钢中含碳量的关系
在回火参数相同时,应用如图1-41所示的回火参数诺模图,能够迅速地求出在等硬度条件下的另外的回火温度和回火时间。
图1-41 回火参数的诺模图
例如,某中碳合金钢(由图1-40可知K=20),在550℃回火10h。应用图1-41可求出在等硬度条件下另外的回火温度与回火时间的组合。方法:在图1-41上用直线连接A(550℃)与B(10h)点,直线AB与P(回火参数)轴相交于C点;C点即为550℃×10h的回火参数数值(17.3×10 3 )。通过C点做一条直线,分别与温度轴和时间轴相交于E点和F点;应用E点和F点所对应的回火温度600℃和时间0.6h进行回火,可得到与550℃×10h相同的回火效果,这就是快速回火方法。
但回火转变较复杂的钢种(如高速钢)快速回火尚未获得良好解决。
快速回火方法,不仅解决了传统回火工艺易引起淬火件的“置裂”问题,缩短回火工艺周期,提高生产效率,而且降低了能源消耗。
轴承钢、工具钢、高速钢采用常规退火工艺生产时,生产周期长,工序多,成本高,生产效率低。根据这些钢的材质情况、锻造情况及使用要求等,通过采用高温短时快速退火工艺方法,可以简化工序,满足其硬度、显微组织等要求,从而达到降耗、提高生产效率、降低成本的目的。
高速钢常规球化退火工艺周期长、效率低、能耗大,而且碳化物分布的均匀性也较差。对此,可采用如图1-42和图1-43所示的高速钢快速球化退火工艺。
图1-42 高温锻造快速球化退火工艺
图1-43 温加工后快速退火工艺
图1-43所示的工艺要点为控制锻材的终锻温度。终锻后立即将坯料转入880℃的加热炉中等温保持,之后控温冷却(45~60℃/h)到650℃出炉空冷。
图1-42所示退火工艺与图1-43相似,差别在于后者为钢材经温加工的工艺。这种快速球化退火,工艺周期是5~6h,仅为常规工艺方法的1/3~1/4,节能效果异常显著。毛坯经快速球化退火后碳化物分布均匀,硬度适中便于机械加工。此外,与常规球化退火方法相比较,快速球化退火的高速钢经最终热处理后强韧性也较高。
哈尔滨工业大学与辽宁鞍山钢铁公司采用快速预冷等温球化处理工艺处理Cr12模具钢,使退火时间缩短到传统退火工艺的1/7~1/10,节省了能源消耗,取得了显著的经济效益。
Cr12模具钢,试样外形尺寸为10mm×10mm×20mm,要求球化退火处理。
(1)常规退火工艺及存在问题。冷作模具钢的预处理及钢中碳化物的大小、形态分布对Cr12钢的最终性能有明显影响。目前对冷作模具钢的预处理是锻后球化退火,但该工艺周期长,耗能多,效率低,而且很难得到小粒度、分布均匀的碳化物组织。Cr12模具钢常规退火工艺见图1-44(a)。采用高温固溶淬火和高温回火或高温固溶淬火和等温退火工艺,代替常规球化退火工艺,虽然可以细化碳化物,有利于钢中碳化物的形态、大小和分布的改变,但这种工艺由于淬火温度高,容易造成工件氧化、脱碳与开裂等问题。
图1-44 Cr12钢常规等温退火工艺(a)和改进后的退火工艺(b)
(2)新工艺。采用快速预冷等温球化退火工艺,通过快速预冷增加过冷度,提高球化速度,可获得一种省时、节能、球化效果好的新的球化处理工艺,可取代传统的球化退火工艺。Cr12模具钢新工艺见图1-44b。
(3)检验结果。新工艺将加热温度从860℃提高到940℃,保温10min后出炉快速入油冷却,冷至400℃左右,在还未来得及发生马氏体转变时,迅速转入730℃的箱式电阻炉中,等温1~1.5h后,空冷至室温。经检验,可获得颗粒细小、碳化物分布均匀,硬度适当(200HBW以下,而常规工艺硬度偏高为223HBW)的球化组织。但加热温度过高或保温时间过长,易造成大部分碳化物溶解,不利于粒状碳化物的析出。
(4)节能效果。采用新工艺,通过快速预冷增加过冷度,可以提高球化速度,使退火时间缩短至传统的1/7~1/10,故节能效果十分显著。
T10A模具钢,锻坯尺寸为42mm×60mm,要求球化退火处理。
(1)传统工艺及存在问题。为消除T10A模具钢锻造后的内应力和网状碳化物,使其钢的内部成分均匀,以获得球状珠光体,为最终热处理作好组织准备,传统球化退火工艺如图1-45所示。传统球化退火工艺处理的T10A金相组织为球状珠光体,硬度为180~187HBW,各项性能基本符合技术要求。但球化退火时间长,需要15~18h,能耗大,生产效率低,成本高,且质量不稳定。
(2)新工艺。根据钢在淬火并进行高温回火后可获得球状珠光体的机理,对球化等温退火热处理改进为调质球化工艺(新工艺见图1-46)。在传统球化等温退火工艺中,因球化过程需要钢中碳原子作较长距离的扩散迁移,这就要求有足够的保温时间,且冷却较缓慢。
而在T10A钢淬火后,其组织为马氏体+托氏体,分散度大且不稳定,未完全溶解的碳化物使基体组织的成分不均匀,在随后的高温回火过程中以原有的细小碳化物质点为核心或在基体组织中碳原子富集的地方产生新生的核心而聚集球化,形成粒度和分布较均匀且更细小的球化组织。
图1-45 传统球化等温退火工艺
图1-46 快速球化退火工艺
(3)检验结果。传统与新工艺检验结果见表1-39。与传统工艺相比,经新工艺处理后的T10A钢模具,其球化组织更细小,其力学性能更佳,可加工性更好。若在加工成形后再进行低温淬火,可获得晶粒度和碳化物双细化的效果,模具使用寿命成倍提高。
表1-39 T10A钢模具新旧工艺热处理检验结果
(4)节能效果。新工艺生产周期由原来15~18h缩短到5~6h。与传统工艺相比,新工艺节电50%,节约工时60%以上,同时模具的退火质量得到提高。
热模具钢存在组织不均匀和尺寸敏感性问题,这与模具的冷却条件和截面大小有关。采用一般的高温加热缓冷退火和等温球化退火是难以消除的,而且还存在生产周期长(20h左右)、氧化烧损大(脱碳层深0.8~2.0mm,全层损耗达1.5%~5%)、模具强韧性低和使用寿命不高的问题。采用快速均细球化退火工艺,可有效地解决这一问题,有利于模具寿命的提高,且有节能、省时的优点,具有极大的技术经济效益。
(1)快速均细球化退火工艺。HM3钢经1030℃加热、油淬预处理后,硬度为47~49HRC,经800~850℃的再加热和炉冷的快速退火处理,硬度为180~200HBW。快速均细球化退火后的碳化物细、小、均、圆,分布也非常均匀,并可以提高模具的淬火硬度及强韧性。
(2)节能效果。与传统的高温加热缓冷退火和等温球化退火相比,快速退火具有球化退火组织均匀、碳化物颗粒均细、硬度低、易于切削加工、且可缩短退火周期1/3以上等优点,此外可节电20%左右,并可减少氧化脱碳50%以上。
φ100mm的HM3钢圆棒料,在快速均细球化退火后,心部硬度为167~169HBW,表面硬度为187HBW。
(3)快速均细球化退火工艺的生产应用。48″吊扇上下盖的铝合金压铸模在采用了如图1-47(a)所示的快速均细球化退火的预处理工艺,并随后分别进行真空淬火和离子氮碳共渗处理后[见图1-47(b)],心部与表面硬度分别为42HRC和1037HV,渗层深度为0.21mm,模具的使用寿命可达23万件以上,且模具表面质量好,脱模容易,未出现热疲劳和冲蚀现象。实践证明,提高产品质量就是最有效的节能途径。
图1-47 HM3钢铝合金压铸模的热处理工艺
(1)传统球化退火工艺。目前多数冶金企业在工业生产中对GCr15轴承钢采用双相区等温球化退火工艺,这种工艺易于控制,但是球化时间长,处理时间长达22h、能耗大、效率低。
(2)快速球化退火工艺。在RX2-36-10型贯通箱式电阻炉上对GCr15轴承钢进行快速球化退火处理。快速球化退火工艺见图1-48。其工艺周期为16h。
图1-48 GCr15钢快速球化退火工艺曲线
(3)两种工艺比较。采用两种组织形态的热轧钢材(均为合格产品)进行球化退火工艺的对比实验,含有较多网状碳化物且珠光体片层相对粗大的热轧钢材编号为A,含有网状碳化物少的细片状珠光体组织热轧钢材编号为B,试样的规格为φ10mm×10mm。将试样分别经过等温球化退火(多数冶金企业现行工艺,全程约22h)、周期球化退火(全程约16h)、快速周期球化退火(见图1-48,全程约16h)的处理,按照GB/T 18254—2002《高碳铬轴承钢》对GCr15轴承钢退火材料的要求,检验金相组织等,其光学显微组织应为2~4级、碳化物网应2.5级。表1-40为几种退火工艺处理后的显微组织及硬度检测结果。
表1-40 几种退火工艺处理后的显微组织及硬度检测结果
由表1-40可见,对于热轧钢材B,无论哪种工艺,均满足要求,且晶界处的碳化物多呈现零星分布的蠕虫状或点状,特别是经快速球化退火获得的渗碳体颗粒更加均匀细小,并且碳化物的网状仅为0.5级;对于热轧钢材A,无论哪种工艺,退火后晶界处的碳化物仍为封闭或半封闭的网状存在,网状级别都不能满足要求,但快速球化退火工艺基本接近于要求。等温退火处理件的显微组织不合格,而周期退火和快速球化退火工艺均满足要求。
按照GB/T 18254—2002的规定,GCr15钢材退火布氏硬度应在179~207HBW。由表1-40可见,无论哪种热轧钢材,经球化退火处理后均能满足国标要求,但数值稍有差异。同一种热轧钢材,球化退火后的硬度从高到低依次为等温球化退火>快速周期球化退火>周期球化退火。
(4)节能效果。快速周期球化退火工艺时间比冶金现行等温球化退火工艺缩短4.5h左右(这个时间与工件大小无关),生产效率提高,节能降耗效果显著。
在化学热处理过程中,提高炉内压力,不仅可以提高工件表面活性碳(或氮)原子的数量,而且可以提高吸附速度,增大工件表面的吸附量,提高工件表面的碳(或氮)浓度,同时也增大工件表面的碳原子(或氮原子)向内部扩散速度,从而缩短渗碳(或渗氮)生产周期。
常规气体渗氮大多是在一个耐热钢罐中通入氨气,排空空气后加热。由于罐体热容量大,外热式加热的热传导慢,故升温、降温缓慢。又因气氛压力低,吸附与界面反应速率低,所以渗速较慢。
加压渗氮是指渗氮炉通氨气后,使氨工作压力提高到300~5000kPa,此时氨分解率降低,气氛活度提高,渗速快,渗层质量好,加压渗氮温度通常在500~600℃。
在气体渗氮控制重要参数中,主要有温度、时间、流量及氨分解率、炉压等。炉压对气体渗氮的作用主要有以下4方面:
①提高炉内气压可以增加零件表面的吸附量。
②提高炉压,可增加气体分子的动能。
③提高炉压可提高界面反应速率。
④增高炉压可提高渗氮气氛的活度等。
因此,提高炉压可以提高渗氮速度,升温与降温时间大大减少,同时保温期间的平均渗速提高,渗层硬度高。以38CrMoAl钢和40Cr钢为例,保温期间的平均渗速可分别达到0.03~0.04mm/h和0.06~0.08mm/h以上,渗层硬度可分别达到1000HV和600HV。
35CrMo钢进行增压气体渗氮后发现,随着炉内压力的提高,氨分解率降低,氨消耗量减少,工艺效果明显增强。正压30~50kPa渗氮与相同时间的常压渗氮相比,渗层深度提高60%以上,即渗氮速度显著提高。
农机变速箱齿轮,材料为20CrMnTi钢,技术要求:表面硬度58~64HRC,渗碳层深度0.8~1.2mm,花键孔要求检验塞规能够穿过。
(1)常规渗碳工艺。常规渗碳工艺参数见表1-41,其生产周期为7~8h。
(2)快速压力渗碳工艺(新工艺)。渗碳设备采用RQ3-75-9型井式气体渗碳炉,渗碳剂为煤油,炉压的控制通过炉盖上两个排气孔阀门关闭程度的不同来实现。
齿轮渗碳工艺见图1-49。表1-41为快速压力渗碳工艺参数。快速压力渗碳工艺是经过改进的提高炉内压力进行快速压力渗碳的工艺。当排气结束和炉内温度达到图1-49中的G点时,关小或关闭排气管阀门,以提高炉内压力至1.5~1.7kPa,同时适当提高煤油滴量,齿轮经渗碳后预冷至830℃并保温30min后直接淬火。随着渗碳压力的提高,强渗期和扩散时间缩短了近50%,整个工艺周期缩短到4~5h。
图1-49 20CrMnTi钢齿轮渗碳工艺
表1-41 20CrMnTi钢齿轮渗碳工艺参数
(3)检验结果。齿轮经两种工艺处理后的检验结果见表1-42。通过表1-42可以看出,快速压力渗碳工艺可以满足齿轮技术要求。
表1-42 齿轮经不同工艺处理后检验结果
注:表1-42中,K为碳化物;M为马氏体;Ar为残余奥氏体。
(4)节能效果。与常规渗碳工艺相比,可缩短渗氮工艺周期30%~40%,从而提高生产效率,增加产量,每炉节电约150元,渗碳成本降低1/3。
广东佛山杨戈炉业有限公司研制开发了低真空变压热处理技术(包括WLV-Ⅰ型设备),在真空度为(1~2)×10 4 Pa的低真空下,通入中性气体(氮气)自动换气2~3次,再注入适量有机体或渗入介质,通过变(炉内)压(力)工艺去除炉内残余氧和水分,随后通入工作气体进行真空低压快速渗氮或氮碳共渗,在加热下的变压抽气不但对钢件表面有脱气和净化作用,提高了工件表面活性和对所渗元素的吸附能力,而且在炉内低真空状态下,气体分子的平均自由程增加,扩散速度加快,提高渗速15%以上。
配制的抽真空装置,可迅速抽出炉内的空气及老化气氛,换气时间比常规缩短60%以上。
由于排气阶段借助于抽真空系统,且在共渗处理过程中气体渗剂为间断通入(每一变压周期,供气时间所占比例约为60%),可大幅度降低工艺材料(如NH 3 )消耗,与常规炉相比,可节约工艺材料30%左右,大大降低了生产成本。
综合上述,低真空变压快速渗氮工艺(包括设备)可大幅度地缩短渗氮过程的换气、保温、降温等时间,以减少渗剂消耗,节能达30%以上。故具有降能耗、成本低、质量好的优点。
主驱动齿轮,材料为38CrMoAl钢,技术要求:渗氮层深度0.38~0.50mm,表层硬度≥90.5HR15N,表面脆性级别≤2级,公法线偏差<30μm,齿形齿向偏差≤3μm。
(1)渗氮设备。齿轮渗氮采用WLV-75Ⅰ型低真空变压多用炉,设备额定功率75kW,额定温度700℃,工作区尺寸φ800mm×1200mm,最大装炉量1200kg,极限真空度-0.08MPa,炉温均匀性±3℃。
(2)工艺流程与渗氮工艺
①齿轮加工工艺流程。下料→锻造→正火→粗车→调质→精车→滚齿→剃齿→渗氮→精加工。
②渗氮工艺流程。清洗→烘干→装炉→预氧化→排气→渗氮→降温→换气→出炉。
③渗氮工艺。渗氮工艺参数见表1-43。渗氮工艺曲线如图1-50所示。
表1-43 齿轮渗氮工艺参数
图1-50 齿轮渗氮工艺曲线
(3)检验结果。各批齿轮渗氮检验结果如表1-44所示,各项检测项目均满足技术要求。
表1-44 各批齿轮渗氮检验结果
(4)节能降耗效果。该工艺处理时间28h,而采用普通气体渗氮工艺,渗氮层深度达到≥0.40mm,则需要70h,因此可缩短时间60%,相应节省能源30%以上,减少氨气消耗约30%。
摩托车主驱动齿轮,材料为 40Cr 钢,技术要求:白亮层深度≥10μm,表层硬度≥450HV0.3,表面疏松≤2级;公法线变形<30μm,齿形齿向变形≤30μm。
(1)加工工艺流程。下料→锻造→正火→粗车→调质(24~28HRC)→精车→滚齿→剃齿→氮碳共渗→精加工。
(2)变压快速氮碳共渗工艺及设备。齿轮热处理采用WLV-45Ⅰ型低真空变压表面处理多用炉,设备额定功率为45kW,装炉量400kg。
齿轮氮碳共渗工艺流程:清洗→烘干→装炉→预氧化→排气→氮碳共渗→鼓风降温→换气→出炉。其氮碳共渗工艺参数见表1-45。氮碳共渗工艺曲线如图1-51所示。
表1-45 主驱动齿轮氮碳共渗工艺参数
图1-51 40Cr钢主驱动齿轮气体氮碳共渗工艺曲线
(3)检验结果。批量氮碳共渗处理齿轮的检验结果见表1-46。由表1-46可以看出,检验结果满足技术要求。
表1-46 批量齿轮氮碳共渗检验结果
(4)节能效果。40Cr钢件经570℃×4h低真空变压氮碳共渗,白亮层>0.12μm,而常规气体氮碳共渗则需8h,故可节约能耗30%以上。由于排气阶段借助于抽真空系统,且在共渗处理过程中气体渗剂为间断通入(每一变压周期,供气时间所占比例约为60%),可大幅度降低工艺材料(如 NH 3 、CO 2 等)消耗,与常规炉相比,可节约工艺材料 30%左右,大大降低了生产成本。
对于深层(≥0.70mm)渗氮,若采用常规气体渗氮方法,则工艺周期长达80~100h,采用离子渗氮工艺,在渗氮层较薄时,离子渗氮渗速快、工艺周期短、工艺过程易于控制、节能。但是,当渗氮层深达到一定深度后,氮原子通过渗氮层向内层的扩散速度大为减慢,深层离子渗氮的应用受到了限制。对此,可采用下述快速深层离子渗氮工艺,以缩短工艺周期,达到节能降耗的目的。
(1)工件材料及技术要求。石油钻机齿轮(或齿圈),齿轮工作条件为重负荷,材料为25Cr2MoVA钢,要求渗氮深度≥0.70mm。
(2)深层离子渗氮设备与工艺。齿轮的加工工艺流程为锻造→热处理(正火+高温回火)→机加工→热处理(调质)→精加工→探伤→离子渗氮→装配。
精加工后的齿轮经表面清洗,并装入LD-150A离子渗氮炉中,装炉量约500kg。装炉后对炉子抽真空,待真空度达67Pa时,向炉内通入少量氨气,并通电对工件进行离子轰击,进一步清洁工件表面。闪弧结束后,适当提高炉内氨供应量和加热电流,使工件升温。在快速深层离子渗氮保温阶段的工艺参数为温度520℃、电流35A、电压650V。经不同时间快速深层离子渗氮后的渗层深度、表面硬度如表1-47所示,为了进行对比,表1-47中还列入了快速深层离子渗氮的所得数据。
表1-47 快速深层离子渗氮后的渗层深度和硬度
注:*为常规离子渗氮。
经装车使用1年多检验,齿轮完好无损,因此齿轮经深层渗氮处理可代替渗碳热处理。
(3)节能降耗效果。由表1-47中数据可见,在深层渗氮条件下,快速深层离子渗氮渗速为常规离子渗氮渗速的1倍以上,缩短工艺周期50%以上,可节约电能约1350kW·h。
通常认为,在气体氮碳共渗过程中温度、时间、供氨量和炉压中,温度对化合物层厚度、渗层深度和表面硬度的影响最大,炉压对气体氮碳共渗过程影响不大,只要维持正压即可,通常在196~1200Pa,但在45钢氮碳共渗试验过程中发现,炉压对渗层深度有着显著影响,增大炉压,如炉压提高到3000Pa以上,可以显著缩短工艺周期。
增压快速氮碳共渗工艺原理如下:
从以上化学反应式可以看出,一方面,氨的分解是一个体积增大的过程,炉压增大,使反应向体积缩小的方向进行,即生成氨的方向进行,从而降低了混合气中氢分压,提高了氨分压。炉压升高,气氛的氮势提高,渗氮能力增强,钢件表面氮浓度提高,从而使表面硬度增高。另一方面,钢件表面吸附物质的量与压力变化有很大关系(压力升高,吸附量增加),钢件表面有足够的活性氮、碳原子浓度,使其向表层内渗入加快,渗层的氮、碳含量增加,厚度加厚,表面硬度提高。炉压是一个综合性因素,与供氨量、CO 2 量及设备的气密性有关,增高炉压能够增加压力梯度,提高氨分子及活性氮原子的动能。增高炉压提高相界面上氮原子的吸附量,促进渗氮的反应速度。
湖南江南工业集团有限公司的渗氮及氮碳共渗设备采用改造后的RN-120-7型渗氮炉(有效加热区φ800mm×1800mm),提高了渗氮罐的密封性和炉温均匀性,加装了炉压计和浮子流量计。渗剂采用NH 3 +CO 2 混合气体。用增压气体氮碳共渗工艺代替常压(196~1200Pa)氮碳共渗工艺,显著缩短了工艺时间,减少能源消耗和生产成本。
(1)40Cr钢常规气体渗氮工艺。40Cr钢的预备热处理为调质,常规气体渗氮工艺为500℃×40h,处理后的工件表面硬度636HV0.1,渗氮层深0.43mm。
(2)45钢常压气体氮碳共渗工艺。45钢的预备热处理为退火,常压(196~1200Pa)气体氮碳共渗介质采用甲酰胺,常压气体氮碳共渗为570℃×2.5h,处理后的工件表面硬度365V0.1,共渗层深0.23mm。
(3)45钢增压气体氮碳共渗工艺。45钢的预备热处理为退火,增压氮碳共渗介质选择NH 3 +CO 2 混合气体,增压气体氮碳共渗工艺为570℃×2.5h,处理后的工件表面硬度456HV0.1,共渗层深0.42mm。
(4)40Cr钢增压气体氮碳共渗工艺。40Cr钢的预备热处理为调质,增压氮碳共渗介质选择NH 3 +CO 2 混合气体,增压气体氮碳共渗工艺为570℃×2.5h,处理后的工件表面硬度576HV0.1,共渗层深0.43mm。
图1-52 增压氮碳共渗工艺曲线
增压氮碳共渗工艺曲线如图1-52所示。
(5)节能降耗效果。
①通过以上4个工艺处理结果表明,增压气体氮碳共渗可以显著提高渗层深度,提高工件表面硬度。40Cr钢调质后,渗氮到层深0.43mm,需保温40h,而增压气体氮碳共渗到层深0.43mm,则只需保温2.5h。由此可见,增压气体氮碳共渗与渗氮相比,在达到同样的渗层深度时,不仅表面硬度稍低一些,可提高渗层的韧性,而且还可以显著缩短工艺时间,每炉可减少用电费用约1500元。
②用价格较便宜的NH 3 +CO 2 混合气体代替价格较贵的甲酰胺为氮碳共渗的工艺介质,降低了热处理费用。
渗碳速度与炉压有较大的关系,渗碳速度与渗碳气氛的碳势有关,采用高炉压、大剂量渗剂,以通过提高碳势、增加碳原子活动能力来加快渗碳速度,从而达到节能降耗的目的。
浙江诸暨市热处理厂在生产中采用高压、大剂量煤油滴注的快速渗碳方法(简称HG法),不但提高了生产效率,而且渗层性能大大改善,同时缩短了渗碳周期,降低了能耗。
(1)HG法。
①零件材料及产品技术要求。发动机摇臂轴,材料为20钢,要求渗碳层深度为0.9~1.2mm。
②新、老工艺。老工艺:甲醇滴注量为80滴/min,煤油滴注量为100滴/min,炉压为300Pa;新工艺(HG法):乙醇滴注量为100滴/min,煤油滴注量为650滴/min,炉压为30kPa。图1-53(a)、(b)分别为老工艺和新工艺。经二次加热淬火后,零件表面硬度全部达到60HRC以上,未发现软区。
图1-53 发动机摇臂轴气体渗碳新老工艺
(2)HG法节能降耗效果。经检验,在达到同样渗碳层深度为1.2mm时,老工艺与新工艺的渗碳时间分别为9h45min和4h。因此,新工艺可缩短工艺周期近60%,从而显著地节省了渗碳时间,渗碳效率提高2.5倍。若以炉子功率90kW计算,则每炉降低电耗近260kW·h,降低成本40%。
流态化热处理技术是以流态化工程为基础发展起来的一种节能高效的热处理实用技术。流态粒子炉(流态床、浮动粒子炉)是指以流态化技术为基础与工业加热技术相结合而形成的一种用途广泛的工业炉。
流态粒子炉的特点如下:
①升温速度快、传递系数高、节能效果显著。由于流态炉是依靠粒子与工件进行热交换的,所以效果很好,为空气中传导的5~10倍,与盐浴炉相仿,而明显优于普通热处理炉,当高温加热时,它的加热速度比普通热处理炉快3倍,一般炉型从室温升至900℃不超过1h,对一些大型、特大型炉不超过2h,升温耗电仅为同规格盐炉的1/5~1/6,故节电节能的效果显著,能源消耗等于或少于除真空炉外的所有其他类型炉,例如用流态粒子炉热处理能耗为280~380kW·h/t,而盐炉至少要600kW·h/t,故比盐浴节电50%以上。
②用途广,多功能。目前流态炉可在0~1100℃范围内使用,能够满足金属零件加热、冷却、化学热处理及表面处理多种工艺要求,可用于金属零件的正火、退火、固溶处理、淬火、回火、等温和分级淬火等,如增加必要的附属装置和添加剂,还可进行渗碳、渗氮、碳氮共渗、氮碳共渗、渗硼、渗金属及表面清洗、氧化发蓝等。同时,能够实现无氧化加热,是一种简易、经济的保护气氛炉。
③化学热处理效果优异、渗速快、效率高、节能效果显著。如要求渗层厚度为0.10~0.20mm的H13热模具钢,用普通井式炉气体渗氮时,需要72h,而用流态炉渗氮只需16h。
④温度均匀性好,一般可在±2~±5℃以内,工件变形小,可减少加工余量,处理成本低,约为一般气氛炉的一半。
为适应大批量零件热处理生产的需要,已研制出许多连续式流态热处理炉生产线。
流态化热处理技术适用于多品种、小批量及多工艺类型的热处理,可用于模具、电子器件、飞机和航空零件等的生产。由于流动粒子不断冲击工件表面和更新气氛,同时由于不易形成炭黑而允许提高气氛碳势,所以可显著加速化学热处理过程,在处理温度、周期时间相同条件下,流动粒子渗碳获得的渗层深度明显深于一般气体渗碳。
(1)内燃烧流动粒子渗碳。利用空气和碳氢化合物(甲烷、丙烷气)的混合气体,既作为热源,又作为流动气体和渗碳气氛,是一种既经济又节能的好方法。
内燃烧流动粒子渗碳具有如下优点:
①升温块,1~2h可达渗碳(或碳氮共渗)温度,开炉停炉方便。
②经950℃×2h的处理可获得1mm渗层,比一般气体渗碳深度提高4~5倍,显著缩短了渗碳时间。
③可精确控制碳势,从而节省渗碳气体消耗。
④采用975~1000℃渗碳时,丙烷气∶空气=1∶4~1∶4.5的规范,可以获得最佳效果。
以人造石墨作为流动粒子,用于中温加热。例如,75kW流态粒子炉(φ350mm×450mm),使用30~50目人造石墨粒子,升温至800℃需要20~30min,粒子消耗2kg/h。采用表1-48中的加热系数处理除高速钢以外的各种工具钢小型工具,可以获得变形小、表面光洁的效果,还可以避免盐浴加热时出现的腐蚀现象。与相同功率的盐浴炉加热相比,升温启动时间可缩短80%,节电73%;在保温阶段还可节电34%。
表1-48 小型工具在流态粒子炉的加热系数
(2)流态炉渗氮与节能效果。在流态炉中通渗氮气氛,也可采用脉冲流态炉渗氮,即在保温期使供氨量降到加热时的10%~20%,流态炉渗氮温度为500~600℃,通常可减少70%~80%的氨消耗,节能40%,因此该工艺的实施,节能降耗效果显著。
向石墨粒子流态炉(以下简称流态炉)中通入空气、氨气以及少量催化剂产生的气氛,可以进行高温碳氮共渗,而无须产生渗入气氛的设备,能够节约能源。
(1)工件材料及技术要求。工件材料为20CrMnTi和20Cr钢,要求碳氮共渗处理。
(2)高温碳氮共渗用设备及工艺。采用TH-02-8型流态炉进行高温碳氮共渗,共渗温度为920℃;石墨粒度为0.105~0.149mm;空气流量为10L/min;氨气流量为20L/min;催化剂为:质量分数为2%~3%Na 2 CO 3 (或BaCO 3 )和NH 4 Cl并装于分解器中,经920℃×4h碳氮共渗后,工件出炉油淬。
共渗层深度为0.7mm,比同温度下气体渗碳要快,工件表面氮含量0.3%~0.4%(质量分数),高于普通气体碳氮共渗含量约0.1%,耐磨性高于渗碳。
(3)节能降耗效果。由于沸腾的石墨粒子的冲刷作用,净化了工件表面,使共渗速度快于井式炉,故节省了电能,而且工件的耐磨性、抗弯强度、塑性和接触疲劳极限均比渗碳后的高。
山东某滚珠丝杠厂,将流态粒子炉应用于滚珠丝杆螺母的热处理,不仅解决了产品质量问题,而且达到节能降耗的目的。
(1)原工艺及存在问题。滚珠丝杆螺母带有法兰盘,内有螺纹滚道,径向有多个小孔,结构比较复杂。以前用盐炉加热淬火时,需熔盐升温,工件要堵孔、预热,其间要脱氧、捞渣,时常发生盐液爆溅而伤及人,工件局部发生氧化,淬火后必须及时清洗除盐。结果硬度不均、变形量大,开裂率达20%~30%。
(2)新工艺及节能效果。采用流态粒子炉淬火后,缩短了升温时间(4/5),减少了操作工序(3/4),效率提高了3倍,能耗降低40%以上,提高了产品加工精度,降低了废品率,产品合格率达98%以上。
低碳马氏体也称板条马氏体、位错马氏体、高温马氏体,其硬度为45~50HRC,屈服强度达1000~1300MPa,抗拉强度达1200~1600MPa,具有很好的塑性(伸长率≥10%,收缩率≥40%)、韧性(冲击功≥59J),以及良好的冷加工性、可焊性和热处理变形小等优点。因此,低碳马氏体的应用日益广泛,成为发挥钢材强韧性潜力、节材、延长机器零件寿命的一个重要途径。
低碳马氏体钢(碳的质量分数≤0.25%)包括低碳碳素钢和低碳低合金结构钢,经低碳马氏体强烈淬火处理后,得到80%以上甚至100%强韧性较高的低碳马氏体组织,代替低碳钢渗碳、碳氮共渗、渗氮处理,适用于制造一些零部件,如模具(采用20、20Cr、20CrMnTi钢制造冷热模具)等,可显著地节约钢材,节省能源和资源,显著地提高零部件的力学性能,延长零部件使用寿命。
1)低碳马氏体钢的选择
主要是依据零部件的技术要求、使用状态和截面尺寸。力学性能要求较低,截面尺寸小(≤30mm)的零部件可选择淬透性低的20、25、20Mn、20Mn2、20Cr钢;力学性能要求较高、截面尺寸较大(≤50mm)的零部件可选择淬透性较高的20CrMnTi、20MnVB及20MnTiB钢等。
2)低碳马氏体工艺
(1)淬火温度的选择。淬火加热温度Ac 3 +(80~120)℃,从淬火强化的效果考虑,适当提高淬火加热温度,有利于奥氏体的均匀化,细化晶粒,提高钢的淬透性,缩短加热时间。表1-49为低碳钢淬火加热温度范围,供参考之用。
表1-49 低碳钢淬火加热温度范围
(2)加热时间的计算。
①单件加热:可按公式τ=αD进行计算,式中的τ为加热时间(s),α为加热系数(s/mm),炉温为920℃时,α=60s/mm;960℃时,α=30s/mm;1000℃时,α=15s/mm。D为工件的有效厚度(mm),流水作业间隙时间以1~2min为佳。
②成批连续生产加热时间:τ=αD+τ 1 。τ 1 为附加时间,一般装炉量小于1kg时,τ 1 =0;装炉量1~3kg时,τ 1 =30s;装炉量3~5kg时,τ 1 =60s;装炉量为5~8kg时,τ 1 =90s。
(3)淬火冷却。采用碱液或盐液循环槽,采用激冷、深冷的强烈淬火冷却方法,低碳钢或低碳低合金钢在强烈淬火(使用质量分数为5%~10%的NaCl溶液淬火或质量分数为5%~10%的NaOH溶液淬火,淬火溶液温度≤40℃)后可获得低碳马氏体,冷却时以工件冷透为止。而低碳中、高合金钢由于碳当量较高(>0.45%)淬火冷却时应采用适当的冷却介质,如水-空气、水-油、油冷等;低碳马氏体淬火后可不经回火而直接使用。
(1)轴承支柱。原采用20钢渗碳淬火、回火处理,工序多,耗电大;现改为20钢920~940℃盐浴炉加热淬火,加热时间按35~40s/mm计算,淬入质量分数为6%~10%盐水中,并经180℃×2h回火,硬度为44~46HRC,用20低碳钢马氏体淬火代替20钢渗碳淬火、回火,可缩短工时40%,节省电能,成本降低20%。
(2)筒体扳手。原采用20钢无缝钢管,两端头局部渗碳,920℃×7~8h,820℃淬入碱水,360℃回火,工序多,耗能大,劳动强度高;采用氧乙炔火焰加热两端头,淬入质量分数为5%~10%盐水中。操作时,将头部均匀地加热500~700℃,再用氧乙炔火焰的高温部分将头部加热到900~930℃×40s,淬入质量分数为5%~10%盐水中,180~200℃回火,变形小。用20低碳钢马氏体淬火代替渗碳淬火、回火,可显著节省电能。
低碳马氏体钢包括低碳碳素钢和低碳合金钢,经低碳马氏体强烈淬火处理后,得到强韧性较高的低碳马氏体组织,代替中碳钢调质处理,适用于制造一些零部件,如螺栓等,可显著缩短制造周期,降低制造成本,提高使用寿命。
(1)原工艺及存在问题。钻杆锁紧接头,材料为40Cr中碳钢,原工艺采用调质处理,即850℃加热,油冷+500℃高温回火,油或水冷,调质硬度36HRC。原工艺不仅工序多,耗能大,生产效率低,生产成本高,而且锁紧接头容易产生滑扣失效,使用寿命低。
(2)低碳马氏体淬火。用20Cr低碳钢代替40Cr中碳钢,并进行高温短时马氏体淬火,即920℃加热淬火,在质量分数为10%NaCl水溶液中淬火,350℃回火,硬度为37HRC。
两工艺处理后的力学性能对比如表1-50所示。通过表1-50可知,20Cr钢在350℃回火时,其强度、硬度、韧性和冲击韧度均比40Cr钢调质的高,用20Cr可以取代40Cr制造锁扣,因而可减少甚至可避免滑扣失效。
表1-50 20Cr钢和40Cr钢热处理后的力学性能对比
(3)节能、节材效果。由于20Cr钢经马氏体淬火后具有高的塑性、断裂韧度、多冲抗力和冷脆转化温度较低(<-70℃),可显著提高钻杆锁紧接头使用寿命,即增加了间接经济效益。
20Cr钢经低碳马氏体强化后,具有优良的加工性能,并减少了工序,降低了能耗和成本,即获得了显著的直接经济效益。
大型烧结设备链板运输机用方套(见图1-54),材料为45钢,调质处理后硬度为217~255HBW,φ66mm处表面淬火后硬度为40~50HRC,硬化层深度1~2mm。
图1-54 方套结构示意
(1)原工艺及存在问题。采用45钢棒料制造,进行调质处理(830℃淬火+600℃回火),不仅生产周期长,成本高,而且使用过程中φ66mm外圆1~2mm硬化层一旦被磨损掉,则使用寿命降低。
(2)新工艺。新工艺采用20钢管制造和高温加热强烈淬火及低温回火,可以得到较高硬度和强韧性的板条状低碳马氏体组织。
①20钢制造方套的加工工艺流程。下料→机械加工→焊接四方→热处理→磨削→检验。
②20钢新工艺。高温加热900℃×15min,淬火冷却采用质量分数为10%的NaCl水溶液,低温回火160℃×60min。检验结果见表1-51。通过表1-51可以看出,20钢高温加热淬火后可以获得板条状马氏体组织,硬度为42~46HRC(回火后硬度保持不变),符合方套表面的技术要求。且表里硬度基本一致。强度比调质45钢提高50%,塑性和韧性与调质45钢相当。完全符合方套的使用要求。
表1-51 新、旧工艺处理后组织和力学性能对比
③新工艺效果。用低廉20钢代替45中碳钢,可节约材料费用53%,减少机械加工工时1/2,提高工效1倍;因热处理工艺简化,可节电40%,生产周期大为缩短;力学性能提高,使用安全可靠。
用1000~8000Hz频率的中频电流对均匀截面的钢管材、棒材和型材施行连续式穿透加热淬火和高温回火,以取代炉中加热调质,设备简单,效率高,可在生产线上完成,节能效果明显。
同传统的钢材热处理相比较,感应加热快速热处理具有以下优点:
①显著地改善钢材的力学性能(如提高钢材强度并保持韧性等),提高钢材的表面质量(减少氧化防止脱碳);
②感应加热综合效率高达66.7%(而普通电阻炉综合效率最高40%);
③缩短钢材热处理周期,节约能源40%左右(同传统热处理工艺相比);
④改善劳动条件,减少环境污染;
⑤实现热处理过程机械化与自动化等。
钢材感应加热快速热处理节能方面主要表现在以下几个方面。
(1)感应直流直接加热减少热损失。感应加热是利用交变电源在金属内部产生的感应电流转化的电阻热直接加热金属。因此,在加热金属的过程中,感应电流直接加热时的热损失要低于传统的炉内介质加热。这是感应加热减少热损失、提高热效率的原因之一。
(2)感应加热能力强大,能够实现快速升温节约能源。感应加热通过振荡电路的感应线圈,向被加热金属提供强大的电阻热能。通常单位体积热源空间可提供40~80MJ/cm 3 ·s的热能,是传统油气燃料炉中辐射与传导加热的100倍以上。因此,感应加热时的加热速度可以达到100~200℃/s,钢材的加热系数可以达到1~5s/mm,实现快速升温。
(3)缩短钢材热处理周期节约能源。感应加热快速热处理工艺与传统热处理工艺的重要区别是,前者利用快速升温、提高处理温度来缩短保温时间,进而缩短相变过程,达到相同的热处理效果。生产实践证明,以温度换取保温时间的措施,对大部分钢材的正火、淬火、固溶、回火及退火处理是有效的。这样,采用感应加热快速热处理工艺可以显著地缩短传统热处理工艺的生产周期,节约大量能源。
表1-52为低合金钢不同加热方法的热处理工艺。从表1-52中热处理工艺可以看出,感应加热热处理温度比传统工艺高50~100℃,保温时间感应加热最长为2min,传统加热为40~120min。利用温度换取保温时间,既缩短了热处理生产周期又节约了能源。具体不同加热方法热处理的节能数据详见表1-53。
表1-52 低合金钢不同加热方法的热处理工艺
表1-53 不同加热方法热处理的工序能源单耗与利用率
注:表中数据均为平均值,感应加热温度取上限值,其他加热取下限值。
(4)准确控制热处理温度,减少能源损失。感应加热时,钢材的热处理温度是通过加热功率与钢材测量温度闭环控制系统进行自动控制的。热处理温度能够准确地控制在±5℃的范围内,并且能长期保持稳定。
准确控制钢材热处理温度、减少温度过高是钢材热处理节能的措施之一。根据近期行业统计,我国平均吨钢热处理能耗为800kW·h。若平均热处理温度为800℃,则每吨钢每度温度能耗为1kW·h。感应加热比传统加热进行热处理时,控温精度平均提高15℃,则每吨钢采用感应加热热处理可以节约能源15kW·h。
(5)降低环境热损失,减少能源消耗。感应加热装置只有感应器内少量绝热和绝缘材料,这部分耐火材料吸收的热能很少。感应加热装置损失的热能主要从感应器冷却水带出,带出的热量约占供应能源的20%;约70%的热能用于加热钢材。因此,感应加热装置的环境热损失远低于传统的加热炉。这是感应加热热处理工艺节能的重要原因之一。
从表1-53中的数据可以看出,在钢材调质(淬火+高温回火)处理时,同其他两种加热方法相比,感应加热可降低能源单耗约40%,能源利用率相应提高约40%以上。
山东荣泰感应科技有限公司生产的中频调质生产线已成功应用于石油行业、矿山煤矿机械行业、工程机械行业等的调质处理,生产效率提高2~3倍。中频调质生产线一般由中频感应加热系统、机械传动系统、(校直淬火系统、回火保温系统)、液压系统、温度与硬度检测系统组成,代替原有井式炉加热方式,使工件可以实现连续加热或调质与校直一次性完成,方便、减小能耗。整套生产线由PLC自动控制。
该公司已经研发出厚壁钢管、油缸全面自动调质生产线,以及矿用金属长梁调质生产线、不锈钢管生产线、石油机械类感应加热生产线等。具有显著的节能效果。
材料为奥氏体不锈钢,热轧厚板的厚度为30~50mm,材料为1Cr18Ni9Ti和0Cr18Ni10钢,要求固溶处理。
(1)钢板纵向磁场感应加热固溶处理装置。感应加热方式为纵向磁场加热。钢板感应加热固溶处理装置如图1-55所示。
①感应加热用电源。加热电源由2台500kW、1000Hz的中频电源供电,最大输出功率为900kW。
②加热用感应器。钢板固溶处理采用长方形截面螺旋形感应器。不同规格钢板使用的感应器几何尺寸见表1-54。
图1-55 钢板感应加热固溶处理装置示意
1—电容器 2—喷水器 3—钢板 4—传送辊道 5—感应器
表1-54 热轧奥氏体不锈钢固溶处理用感应器主要尺寸(mm)
(2)钢板感应加热固溶处理工艺参数的选择。奥氏体不锈钢热轧厚板感应加热固溶处理的主要工艺参数有固溶温度、升温速度、冷却条件等。
①固溶处理温度的选择。奥氏体不锈钢板材选择固溶处理温度主要的依据,其一是板材耐晶间腐蚀性能;其二是钢板的室温力学性能。对于不含钛的0Cr18Ni10奥氏体不锈钢的固溶处理温度,应选择在1000~1100℃;含钛的1Cr18Ni9Ti奥氏体不锈钢的固溶处理温度,应选择在1000~1050℃。
②固溶处理加热时升温速度的选择。对于厚度为30~50mm的奥氏体热轧钢板而言,采用表面功率密度为140~160W/cm 2 加热时,钢板前进速度为80~100mm/min,固溶处理平均升温速度为5~6℃/s,可以保持钢板温度的均匀性,边缘与中心的温差在30℃以内。
(3)感应加热固溶处理时板材的变形控制。支承辊轮的间距,对于中厚板在高温区辊轮的间距不应大于100mm;支承辊轮的材料,通常使用1Cr25Ni20Si2、0Cr25Ni20等,可以承受1000~1050℃高温的作用;钢板加热和冷却的均匀性控制,首先喷水嘴的位置、孔径要分布均匀,其次喷水压力不低于0.3MPa。
(4)生产率和单位能耗。当感应加热功率为800kW、固溶温度为1100℃时的生产率约为700kg/h。两种钢材厚板、1100℃固溶处理时的单位能耗为1250~1400MJ/t(相当于446~500kW·h/t)。
厚壁钢管,尺寸为φ170mm×47mm(壁厚)×6100mm,材料为42CrMnMo钢,要求感应调质处理。
(1)感应设备与感应器。在1050kW/100V~280V的卧式感应淬火机床上进行感应热处理。感应线圈为单层结构,以增加有效加热长度;感应线圈采用偏心异形铜管;采用由高硅冷轧有取向的优质硅钢片制成的П字形结构,以增加磁导率,提高电热总效率。
(2)感应加热工艺。采取连续式加热方式;感应淬火温度890~930℃;淬火移动速度190mm/min;感应回火温度655~690℃,回火移动速度165mm/min。
(3)检验结果。感应调质检验结果见表1-55。通过表1-55可以看出,各项指标均满足标准要求。每只感应淬火与回火用电分别为800kW·h和320kW·h。
表1-55 感应调质检验结果
地质钻杆,钢管规格φ71mm,长度6500mm,壁厚5.5mm,材料为35CrMo钢。回火后力学性能指标:抗拉强度≥950MPa,屈服强度≥850MPa,伸长率≥12%。处理后直线度≤0.7mm/m。
(1)中频感应加热调质工艺及设备。35CrMo钢为中碳钢,调质工艺:淬火温度850~950℃,回火温度550~650℃。按2t/h产量设计,淬火加热中频功率为650kW,回火加热中频功率为350kW,加上辅助设备用电,供电变压器为S11-1250kVA/10kV/0.4kV。
生产线组成如下:中频加热设备,喷淋冷却部分、淬火上料部分、机械托辊传送部分、回火卸料部分、中频设备闭式冷却状态、红外线测温系统及计算机控制系统等,如图1-56所示。计算机自动控制采用德国西门子PLC控制系统,配套红外线测温仪对工艺参数连续监控、记录、存储。温度控制温度达到±5℃,硬度波动≤2HRC。处理后直线度≤0.5mm,圆度控制在0.15mm。
图1-56 钢管感应加热调质热处理生产线
1—淬火上料 2—托辊输送 3—淬火加热 4—淬火保温 5—淬火喷淋冷却6—回火卸料 7—设备中心控制 8—回火保温 9—回火加热
(2)检验结果。表1-56为不同加热方式下35CrMo钢管的力学性能。从表1-56可以看出,感应加热调质处理的力学性能明显优于普通电阻炉加热。抗拉强度、屈服强度及塑性分别为提高5.1%~29.1%、15.1%~19.7%和11.5%~22.2%。
感应加热调质处理钢管表面硬度差值在2HRC以内,燃气加热炉调质处理钢管表面硬度差在6HRC以内。感应加热调质钢管表面氧化脱碳轻微,质量优良。
表1-56 不同加热方式下35CrMo钢管的力学性能
(3)节能效果。生产中的35CrMo钢管调质处理能源消耗是490~510kW·h/t,而电阻炉加热调质处理能源消耗高达750~850kW·h/t。感应加热与传统加热调质处理相比,可以节能40%左右。
传统加热(如电加热、燃气加热等)存在单位能耗高、加工余量大、硬度不均匀、产品质量稳定性较差的缺点,采用感应热处理快速加热、节能等的优势进行穿透热处理(正火、调质等),可以显著改善上述问题,并获得稳定的产品质量。
采油用CYG25/8000型抽油杆(见图1-57),材料为国产热轧态的抽油杆专用钢YG42D(化学成分见表1-57),要求正火处理。
图1-57 抽油杆示意
表1-57 YG42D化学成分(质量分数,%)
(1)原工艺及存在问题。为改善抽油杆热轧坯料及两端镦粗造成的组织缺陷,需要细化晶粒以提高力学性能。正火后的高温回火是为了消除正火时产生的内应力。原热工艺采用480kW链传动电阻炉,热处理工艺如图1-58所示。由于加热设备功率高(480kW)、耗能高、工艺周期长、氧化脱碳严重,影响热处理质量。
图1-58 原抽油杆热处理工艺
(2)新工艺。采用中频感应穿透加热正火方法,选用KGPS-250/2.5型可控硅中频加热装置。采取连续加热方法。其工艺参数:加热温度890℃,抽油杆移动速度40mm/s,电压750V,电流190~210A,功率120~140kW,功率因数0.9。感应器直径×长度=φ80mm×1200mm。回火采用电阻炉,其工艺同图1-58。
(3)检验结果。电阻炉加热正火与中频感应穿透加热正火的力学性能见表1-58。由表1-58可以看出,新工艺得到的各项力学性能均优于电阻炉正火,高于国标要求。
(4)节能效果。据统计,新工艺比原工艺节电31%,按年产1.5Mm抽油杆计算,可年节电60万千瓦。
表1-58 两种工艺得到的力学性能
汽车、拖拉机、农用运输车以及柴油机齿轮等都是在粗车台阶和锻造成形后进行调质处理。洛阳拖拉机研究所研制的加热炉,其剖面见图1-59,感应加热炉由两部分组成,第一部分为加热区,工件通过此区,在很多时间内表面加热到规定温度。第二部分为保温区,此处多设了一根辐射管,该特殊结构的辐射管用特殊材料制成,在感应磁场作用下,辐射管本身也被加热到略高于工件的透热温度。工件在辐射管中通过时,降低了感应磁场对工件的影响,其温度较低的区域靠吸收辐射管的辐射热量来保证整个工件的温度趋于均匀一致。
图1-59 中频感应加热炉结构
1—辐射管 2—炉衬 3—炉体 4—感应器
图1-60 农用运输车半轴
(1)山东东平花键轴总厂使用效果。该厂使用该设备代替原来的箱式电阻炉对农用运输车半轴进行调质处理,提高了产品质量和生产效率,节材节能效果显著。
①产品技术要求。农用运输车半轴(见图1-60),材料为40Cr钢,要求调质处理。
②中频感应加热调质处理及其效果。中频透热炉加热到880℃,保温后,水冷淬火;600℃回火。检验结果见表1-59。
表1-59 农用运输车半轴调质处理检验结果
(2)洛阳东方轴承厂齿轮分厂使用效果。该厂使用的S195柴油机齿轮齿坯(见图1-61)调质处理生产线取得了良好的经济效益。
①产品技术要求。S195柴油机齿轮齿坯,材料为45钢,要求调质处理。
②中频感应加热调质处理及其效果。中频透热至860~870℃,水冷淬火,井式炉600℃回火。检验结果见表1-60。
图1-61 齿轮齿坯示意
表1-60 柴油机齿坯调质处理结果
(3)轴类、齿坯零件中频感应加热调质与箱式电阻炉加热调质对比结果见表1-61。
表1-61 中频感应加热调质与箱式电阻炉加热调质对比结果
通过表1-61可以看出,与原用箱式电阻炉加热调质相比,采用中频加热调质后,电耗降低30%。因此,节能降耗效果显著。
工程机械中的装载机和挖掘机使用活塞杆,直径为φ30~φ60mm,材料为40Cr、42CrMo钢,要求调质处理。
(1)感应加热调质处理设备。山东荣泰电炉制造有限公司研制的系列轴类坯料的感应加热调质处理生产线(见图1-62)。淬火感应器由功率为350kW、频率为1000Hz的晶闸管电源供电;回火感应器由功率为250kW、频率为1000Hz的晶闸管电源供电。感应器的加热最大长度为1800mm,最小长度为400mm;淬火最高加热温度1000℃,回火最高加热温度为750℃。
图1-62 短棒材感应加热调质处理生产线
1—上料台 2—夹送辊 3—淬火加热感应器 4—压辊淬火器5—回火加热感应器 6—下料台
(2)调质工艺参数的选择。
①感应加热淬火温度。感应加热淬火温度选定在900~920℃,40Cr钢可选下限,42CrMo钢可选上限。
②淬火冷却条件。感应加热淬火时采用水冷,冷却方式为喷淋式冷却、冷却水压在0.20~0.30MPa;冷却水温为30~45℃,不高于50℃;冷却过程中为防止钢棒产生弯曲变形,采取钢棒在压辊控制下旋转冷却,冷却后钢棒的直线度可控制在不大于0.50mm/m。
③感应加热回火温度。感应加热低合金结构钢时的高温回火温度为600~650℃,回火后硬度控制在26~32HRC,回火后钢棒空冷即可。
(3)活塞杆感应加热调质处理后的性能。对42CrMo钢热轧钢材活塞杆坯料,感应加热调质处理φ50mm×800mm的坯料沿横截面进行硬度和金相组织的分析,结果见表1-62。通过表1-62可以看出,感应加热调质处理工艺对直径φ50mm的钢棒处理结果是有效的。因为从表面到中心20mm(即直径φ40mm)内,金相组织为细小的分布均匀的回火索氏体+少量铁素体。表明在此区域内淬火组织基本上为细小的板条马氏体,残余奥氏体很少。
表1-62 42CrMo钢感应加热调质处理活塞杆的性能
注:抗拉强度为硬度换算值,以供参考,晶粒度为9~9.5级。
摩托车发动机曲轴总成中曲柄销,外形尺寸φ30mm×54mm,材料为20CrMo钢,技术要求:要求渗碳淬火回火后表面与心部硬度分别为60~64HRC和30~45HRC,渗碳层深度1.0~1.4mm,碳化物1~3级,回火马氏体1~4级,心部铁素体1~4级。
(1)原工艺及存在问题。原工艺见图1-63。原工艺为满足重要的渗碳淬火零件的金相组织及力学性能的要求,渗碳后在盐浴炉进行重新加热淬火(即二次加热淬火)。但该工艺生产周期长,生产效率低,零件变形大,能耗大,成本高。
图1-63“二次加热淬火”盐浴加热传统工艺
(2)新工艺。感应加热淬火具有加热速度快、能耗低、生产效率高、表面无氧化脱碳优点,同时外形尺寸φ30mm×54mm圆柱体,提高选择合适的感应加热功率及频率,可使工件达到透热效果,保证工件心部及表面硬度、金相组织。故在渗碳后二次加热淬火时,采用感应加热淬火工艺。
感应加热工艺参数:设备功率200kW,加热功率130kW,工作频率1050Hz,传动频率16Hz。传动速率:2.26s/件,传动速度23.89mm/s。感应淬火最终温度880~900℃。
(3)检验结果。回火后表面与心部硬度分别为60~62HRC和41~42HRC,碳化物2级,渗碳层深度1.25~1.4mm,回火马氏体2~3级,心部铁素体2级,各项指标均满足技术要求。
(4)节能效果。原工艺在盐浴炉中重新加热淬火温度850~860℃,加热保温时间8min。新工艺按年产2940t计算,每年节省用电近10万kW·h,节约电费7.5万元,节省辅料(盐浴炉用盐等)近15万元。
山西北方惠丰机电有限公司生产某铝合金零件时,采用感应加热取代电阻炉加热的节能方法,不仅提高了生产效率,而且显著降低了能源消耗。
(1)原工艺及存在问题。原工艺一直采用20kW电阻炉加热。工作时将每批60件毛坯放入电阻炉中,加热1h左右,然后人工逐一取出,放入锻压机的模具中挤压成形,再向电阻炉放入第二批毛坯进行加热。总取料时间约30min。在生产过程中,由于取料温度较高,对操作工人烘烤比较严重,并且毛坯温度不均匀,表面氧化较严重,部分毛坯尖角过烧,生产效率较低,能耗浪费严重。
(2)感应加热设备及工艺。感应加热设备电源功率为50kW,频率为2500Hz,进线电压380V、50Hz,中频电压700V,中频感应加热温度为450℃。加热方式采用人工摆料,按设备节拍器设定的节拍自动推料,单件加热时间为30s。由于上料时摆放的是室温下的毛坯,工人的工作环境大大改善,而单件的加热时间由原来的1h(最长1.5h)缩短到30s,毛坯的烧损率得到极大降低。
(3)节能降耗效果。通过长期的生产应用,中频加热炉与电阻炉相比较,中频加热炉在毛坯的加热质量、生产效率上都有很大的提高,在节能方面与电阻炉相比较,能耗降低了83.3%,具体见表1-63。
表1-63 某铝合金零件生产所需能耗比较
注:*为电阻炉的生产节拍计算如下。每炉可加热毛坯60件,加热时间在1h左右,每炉毛坯进行
温挤压时为0.5h,则电阻炉生产节拍为(1+0.5)×60÷60min=1.5min。
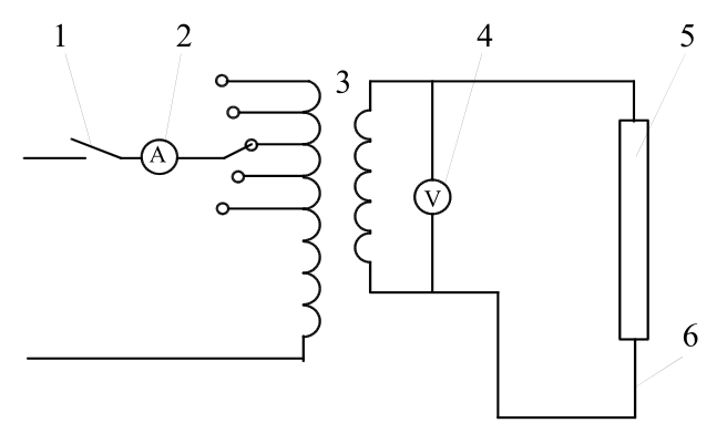
形状简单零件(管件、棒件)直接通电快速加热处理,即电阻加热热处理,其是利用工件本身的电阻进行加热,在工件两端接通一定电压,通电后工件由于其内在电阻发热而达到所要求的温度,随后进行热处理。所用装置如图1-64所示。该工艺适用于管件、杆件热处理,其优点是加热速度快,能大幅度地节约能源。
图1-64 通电加热装置示意图
1—开关 2—电流表 3—变压器 4—电压表 5—工件 6—导线
扭力轴(见图1-65),材料为60Si2MnA钢,技术要求:硬度45~50HRC,表面脱碳层厚度<0.1mm。
图1-65 扭力轴简图
(1)原工艺及存在问题。下料(φ32mm×1040mm)→正火→车外圆(φ22 +0.28 mm)→铣花键→铣四方→淬火→回火→涂覆塑料保护层(φ22mm杆部)。经常规热处理淬火、回火后,由于扭力轴细长,热处理变形大。因工序多,故能耗大、成本高。
(2)直接通电快速加热淬火工艺及设备。利用与RYD-25-8型盐浴炉配套使用的盐浴炉变压器,其型号为ZUDG-25。
通电的工艺参数:电压9V(变压器选择5挡),功率21.25kW,加热时间3min,达到900~910℃油淬,油温控制在30~80℃,工件冷却到150℃后取出空冷;再进行(430±10)℃×60min回火。
(3)检验结果。该工艺淬火硬度均匀,沿轴向各处硬度均为60~61.5HRC,回火后硬度47~48.5HRC,金相组织为回火托氏体+少量铁素体,脱碳层0.05~0.75mm(对要求严格的工件可在加热前于表面涂覆防氧化脱碳的涂料),检验结果均满足技术要求。加热淬火回火后的扭力轴中间杆部弯曲变形≤3mm,比井式盐炉和井式电阻炉加热淬火的变形小。
(4)节能效果。本工艺属于快速加热,比井式盐炉或井式电阻炉的生产效率高、成本低。可以节约用电:1根扭力轴电阻加热淬火只需1.1kW·h。与70kW井式电阻炉比较,每套扭力轴热处理可节电2400kW·h。
通电加热回火是对淬火钢棒、线材等通电(工频电流)加热回火的热处理工艺。通电加热回火后可获得极为细小的碳化物颗粒、细密的α相亚(镶嵌)组织及较大的第二类内应力(点阵畸变),因而使钢材在保持(或略有降低)塑性的条件下,提高钢的强度,并能减小回火脆性缺陷。
通电加热回火时,加热速度很快(达1000℃/s以上),因而喷水冷却(15000~2000℃/s)。这一工艺的主要特点是生产效率高、设备简单、节能、易于安排在自动化生产线中。适用于棒材、线材或调质件毛坯的回火处理。
直接通电加热粉末渗铝是工件接电源,通电被加热而渗铝的工艺方法,其特点的渗速快、工艺周期短、节能效果显著。
(1)工件材料及技术要求。Q235A和1Cr18Ni9Ti钢,要求表面渗铝处理。
(2)直接通电加热粉末渗铝用设备。所用设备示意如图1-66所示。加热用电为低压可调电源,最高输出电压36V。
图1-66 直接通电加热渗铝装置示意
1—渗铝试件 2—渗剂 3—炉管 4—保温层 5—导电接头6—电流表 7—变阻器 8—测温装置 9—可调低压电源 10—电源开关
(3)直接通电加热粉末渗铝工艺。
①渗剂。由Al粉(渗铝剂)、NH 4 Cl(催渗剂)、Al 2 O 3 (填充剂)等组成的粉末状渗剂。
②处理温度。1000℃、1050℃、1100℃,渗铝不同时间。
(4)检验结果及节能效果。处理后对渗层深度、表面含铝量等进行了检测。检测结果指出,Q235A在1050℃×21min渗铝后,表面铝含量约25%(质量分数);在1000℃获得0.23mm厚的渗层所需时间,为其他渗铝工艺方法的1/15。因此,与常规渗铝相比,直接通电加热粉末渗铝可显著缩短工艺周期,大幅度节约能源。
新疆哈密桥梁工厂采用通电快速加热生产弹条扣件(材料为60Si2Mn、60Si2CrA、60Si2CrVA弹簧钢),不仅产品质量好,而且能耗低,生产效率高。
(1)快速加热优点。
①以115.6℃/s速度施行快速加热弹簧钢,可获得细晶粒奥氏体,随淬火温度的升高也不会得到混晶组织;
②由于在几秒内将弹簧钢加热到1000℃,减小了加热过程中的氧化和脱碳;
③快速加热使钢的组织转变在较高的温度下进行,奥氏体起始转变温度可提高40℃左右,珠光体转变结束温度提高35~75℃,铁素体完全溶解温度提高240~290℃;
④珠光体转变为奥氏体所需时间缩短,奥氏体形成速度加快;
⑤快速加热弹簧钢,淬火后仍可发现少量贝氏体。
(2)设备。淬火加热设备为JT-1型电接触加热机,该机采用可编程计算机模块和红外线温控器控制,自动化程度高,温控准确;回火设备采用链式电炉,额定容量140kVA。
(3)快速加热工艺及检验结果。一根φ13mm×432mm 的圆钢,加热到 1040℃,耗时9s,加热速度115.6℃/s。该生产线要求每分钟加热14根。弹条加热到1040℃,经3次冲压成ω形,在余热温度850℃以上进入油槽淬火。淬火介质为N32全损耗系统用油,油温控制在20~80℃,淬火组织为细小针状马氏体及少量未溶铁素体,硬度为60~63HRC。
60Si2Mn钢回火温度为(545±20)℃,60Si2CrA钢为(580±20)℃,回火时间40~50min,为避免二次回火脆性,工件回火后直接进入水中冷却。回火后硬度为41~46HRC,经4.9kN三次静压后,ω形弹条前端永久变形<1mm,脱碳层深度≤0.3mm。
疲劳试验在DME-50型液压疲劳试验机上进行,60Si2Mn钢弹条经200万次疲劳试验后无损坏;60Si2CrA钢弹条经500万次疲劳试验后无损,残余变形<1mm。其金相组织为均匀回火托氏体和索氏体,心部有微量断续铁素体。
(4)节能降耗效果。采用快速加热方法,一根弹条加热耗电0.1~0.15kW·h,回火耗电0.1~0.15kW·h,合计0.2~0.3kW·h,与常规热处理相比,能耗低,质量好,经济效益显著。
陕西关中工具厂热处理车间对T9钢制仪表零件采用通电加热淬火方法,不仅保证了产品质量,而且简化了工序,降低了能耗和成本。
(1)零件材料及技术条件。φ0.2mm×40mm的仪表零件,材料为T9钢,热处理技术要求:硬度55~60HRC,直线度0.55mm。
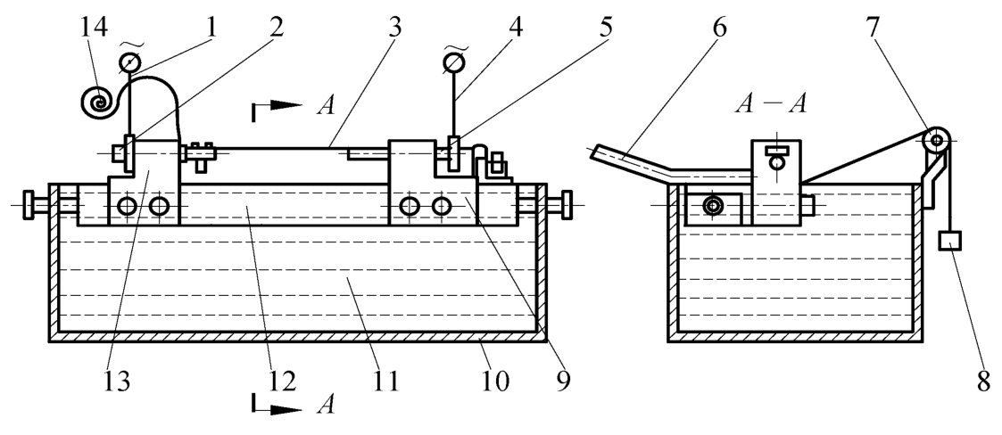
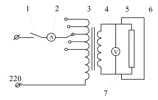
(2)通电加热淬火装置与工艺
①加热装置。图1-67为钢丝通电加热电源原理图。将钢丝夹持在淬火装置上,接在经过变压器降压的电路中,接通电源,钢丝发热至淬火温度,快速冷却即完成钢丝淬火。
图1-67 钢丝通电加热电源原理图
1—开关 2—电流表 3—互耦变压器(2~5kW)4—电压表5—淬火钢丝 6—淬火装置 7—导线
图1-68为钢丝通电加热淬火装置,由3部分组成。一是方形油盒(图1-68中9),内装有煤油作为淬火冷却介质;二是钢丝的夹持、张紧机构(图1-68中2、3、5、6、7),用于夹持钢丝并使之在加热与冷却过程处于张紧状态;三是支承翻转机构(图1-68中8、11、12、14),用于支承夹持张紧机构,并在钢丝加热后翻转淬入煤油中淬火。
②工艺。φ0.2mm的T9钢丝通电加热淬火按以下步骤进行:将钢丝通电加热淬火装置接于互耦变压器输出端;将变压器输出电压调到15~17V;预留钢丝伸缩率,即按钢丝加热伸长量把滑动导体移至左端,将成盘钢丝的一段(420~430mm)单根夹持于两铜导体中间;接通开关2~3s,钢丝被加热到810℃左右(目测温度);断电后迅速抬起手柄把钢丝翻转淬入煤油中;剪断已淬火的钢丝。
将淬火后的数根钢丝,整齐装入φ16mm×450mm不锈钢管内,于170℃硝盐中回火30min。回火后清洗钢丝表面残盐,制成φ0.2mm×40mm钢丝,浸油保护。
图1-68 钢丝通电加热淬火装置
1、4—导线 2—固定铜导体 3—淬火工件(T9钢丝)5—滑动铜导体 6—绝缘手柄 7—滑轮组8—钢丝绳及配重物 9、13—电木支座10—方形油盒 11—煤油 12—角铁转轴 14—成盘钢丝
(3)检验结果及节能效果。硬度688~713HV(59~60HRC),直线度0.05mm,符合产品技术要求。
由于本工艺属于快速加热淬火,比盐炉或井式电阻炉的生产效率高、能耗与成本低。
由于氮在钢的铁素体中扩散很慢,一般气体渗氮周期很长,要求0.5~0.6mm深度的渗层,通常需要60~70h。氮碳、硫氮碳、氧氮碳速度快,在许多低合金钢表面都会形成高硬度的γ-Fe 4 N或ε-Fe 2~3 C化合物层,具有很好的减摩、耐磨和抗咬合作用,可延缓表面疲劳裂纹的形成。因为都在钢的铁素体状态下进行,所以和渗氮一样,工件的变形都很小。以氮碳共渗、硫氮碳共渗和氧氮共渗代替一般气体渗氮,可以把渗氮时间从30~70h缩短到1.5~3h,其工艺周期明显缩短,节能降耗效果显著。
在离子渗氮炉中实施硫氮碳共渗处理(以下简称共渗),可获得耐磨、减摩、抗咬合的表面层,从而提高工件的使用寿命,适用于钢和铸铁制工件及模具。
(1)工件材料及技术要求。易拉罐拉伸凸模(见图1-69),材料为GD钢(6CrNiSiMnMoV钢),要求离子硫氮碳共渗处理。
(2)共渗前预先热处理。先经890~910℃加热淬火,然后进行490~510℃回火处理。
(3)共渗工艺。在LD型离子渗氮炉中进行共渗处理,其共渗工艺曲线如图1-70所示。
共渗介质含氮及含硫氮碳的气体,炉内压力为380~400Pa。共渗后吹入氩气使模具冷却。经不同处理后的GD钢制拉伸凸模使用寿命的对比如表1-64所示。由表1-64可见,离子硫氮碳共渗处理使模具的使用寿命提高了20倍以上。
图1-69 GD钢制易拉罐拉伸凸模简图
图1-70 GD钢制拉伸凸模硫氮碳共渗工艺
表1-64 经不同处理后拉伸凸模使用寿命对比
注:表中M2钢为W6Mo5Cr4V2钢;GD钢为6CrNiSiMnMoV钢。
(4)节能降耗效果。与常规渗氮时间30~70h相比,硫氮碳共渗工艺时间6h,共渗工艺可大幅度缩短工艺时间,从而达到节能降耗的目的。同时,模具使用寿命显著提高,产品质量的提高即是最大的节能降耗。
氧氮碳三元共渗(以下简称共渗)是氧、碳、氮三种元素同时渗入工件表面的热处理工艺,能有效地提高高速钢刀具的切削寿命。共渗前刀具先经淬火-回火处理。
(1)共渗设备。共渗采用RJJ-75-9T型气体渗碳炉,并将介质滴注管的出口加长至距离炉底约250mm处。
(2)共渗工艺。高速钢共渗工艺如图1-71所示。共渗介质及用量如下。
①排气期:甲醇为180~240滴/min;
②共渗期:质量分数为50%甲酰胺水溶液,140~180滴/min;
③净化期:甲醇为180~240滴/min。共渗后刀具出炉空冷。
图1-71 高速钢刀具氧氮碳三元共渗工艺
(3)共渗效果。使用W18Cr4V或W6Mo5Cr4V2钢制17.8mm、1∶8锥度铰刀加工40Cr钢(25~30HRC)制直臂弯臂件,未经共渗的刀具平均加工67件,共渗的刀具平均加工170件。
(4)节能降耗效果。与常规气体渗氮工艺时间30~70h相比,本工艺时间2~3h,共渗工艺可大幅度缩短时间,故节能降耗效果显著。
(1)原工艺及存在问题。载货汽车半轴的感应淬火,原采用圆环感应器进行扫描加热方式,加热功率90kW,加热时间195s。原工艺不仅耗电量大,而且生产效率低,虽然一次投资小,但设备占地面积大。
(2)新工艺。一汽、东风汽车公司改进半轴感应淬火技术,将圆环形感应器改为矩形感应器进行一次式加热方式,加热功率300kW,加热时间50s。回火处理采用自回火方法。
(3)节能效果。表1-65为载货汽车半轴一次加热和扫描加热淬火的电耗比较。虽然加热功率由原工艺的90kW提高到现在的300kW,但加热时间由原工艺的195s缩短到现工艺的50s,同时回火采用自回火工艺,节电效果显著,达到23%,生产效率提高66.7%。
新工艺不但节能效果显著,而且生产效率翻两番,还减少了回火设备与生产用地,当然新工艺只适用于大批量生产。
表1-65 汽车半轴一次加热和扫描加热淬火的电耗比较
注:表中为单件电耗数据。
江铃底盘股份有限公司对TFR汽车后桥半轴中频淬火时,改进加热方式,由原来的连续加热淬火+低温回火改进为整体同时加热淬火(自回火),不仅满足了产品的技术要求,节省了能源,年节约费用近10万元,同时大大提高了生产效率。
(1)工件材料及技术要求。半轴(见图1-72),材料为40Cr钢,先进行调质处理。中频淬火的技术要求为:花键和键槽部分表面硬度不低于41HRC;半轴整个淬火区表面硬度不大于61HRC;淬硬层金相组织:心部索氏体,硬化层内为细马氏体,硬化层深度4~7mm。
(2)感应器及工艺参数。感应淬火设备为16kW—8kHz中频发电机组。根据半轴的结构特点设计的感应器见图1-73(a)和图1-73(b)。
图1-72 皮卡半轴简图
图1-73 半轴连续加热感应器(a)和同时加热感应器(b)示意
使用中的中频淬火工艺参数如下:输入电压650~680V;功率180~200kW;电流300~340A;功率因数0.95滞后;加热温度880~920℃;加热时间30s;冷却时间22s,淬火介质为质量分数4%~5%好富顿水溶性淬火冷却介质。
(3)检验结果。半轴采用整体同时加热淬火,花键及键槽表面硬度为45~50HRC,其他部位表面硬度为50~55HRC,硬化层深度4.2~5.7mm,马氏体级别5~6级,以上各项指标均达到了技术要求。
台架试验结果见表1-66和表1-67。根据汽车半轴国家和行业标准和半轴分等规定,静扭强度后备系数≥1.8,疲劳寿命≥30万次为合格品,≥50万次为一等品,≥100万次为优等品。
表1-66 半轴台架试验结果
表1-67 皮卡后半轴疲劳寿命试验结果
(4)节能效果。采用新工艺后不仅满足了产品的技术要求,节省了能源,年节约费用近10万元,同时大大提高了生产效率。
(1)相变诱发塑性。金属及合金在相变过程中塑性增长,往往在低于母相屈服极限的条件下发生塑性变形,这种现象称为相变诱发塑性。目前对相变诱发塑性的认识尚缺乏反应机理的实验数据,也无完善的理论,但近几年来,相变诱发塑性已在高碳钢中被广泛利用。
(2)零件材料及技术要求
①零件为弹簧钢板,其材料为60Si2Mn钢,供货状态为热轧退火态。
②技术要求。淬火回火后硬度为38~41HRC,回火后翘曲度≤1mm,如果变形超出公差,允许在400℃以上进行矫正,但不允许进行第二次矫正。
(3)设备。所使用设备为RJX-45-9型箱式电阻炉,测温仪表为EWY-103电子电位差计,中温热电偶,以及钳工平台,卡尺,塞尺。
(4)试验方法。取两组弹簧片(每组4片),一组淬火状态,另一组热轧状态。上夹具,加一定静载荷,同时用540℃加热,保温2~3h,对比有相变与无相变时的塑性矫正量,从而证明相变诱发塑性的存在及其对矫正变形的效果。
表1-68为第一次试验参数。
表1-68 第一次试验参数
(5)试验结果。试验结果如下:
①60Si2Mn钢存在相变诱发塑性;
②由于相变诱发塑性的存在,使板簧矫正率平均达97%以上;而采用热塑性矫正,平均矫正率为50%~55%;
③采用新工艺(即相变诱发塑性)矫正后变形量达到技术要求,翘曲度不大于1mm,基本控制在0.5mm以下。
(6)相变诱发塑性机理。相变诱发塑性是在外加力的作用下,由相变过程重组晶格时原子产生移动所致,这种塑性变形具有一定的方向性,即趋向于适应和消除外力的影响。相变诱发塑性效应是一种动态过程中的瞬变现象,只存在于相变过程中。由于这种效应是重组晶格的原子发生定向移动,所以不仅发生于较高温进行的扩散型相变中,也能发生在较低温度下进行的非扩散型相变中。在回火过程中发生的相变诱发塑性效果与回火温度有关,回火温度越高,回火过程中相变引起的内部组织结构变化越剧烈或比容变化越大,相变诱发塑性效应也越显著。
由于热处理相变过程具有这种相变诱发塑性效应,能使钢在热处理相变过程的塑性显著超过钢在相组分相同而处于稳定状态时的塑性,能比相变前后新旧组织塑性提高几倍,也正是利用回火时淬火马氏体发生转变的相变过程所产生的相变诱发塑性进行工件的矫直。
(7)生产60Si2Mn钢弹簧钢板的原工艺及现工艺。生产中仍使用RJX-45-8型和RJX-75-9型箱式电阻炉。
①原工艺。原工艺首先把热轧状态的弹簧钢板上好夹具利用RJX-75-9型炉进行矫直,用650~700℃保温2~3h,出炉空冷至室温,然后重新加热到860℃保温10min后再淬火(油冷),上夹具加应力后,在540℃回火保温3h空冷。其工艺曲线如图1-74~图1-76所示。
②现工艺。利用淬火得到的马氏体,在回火过程中的相变所诱发的塑性,通过上夹具加压回火矫正变形,所以现工艺省去旧工艺的热矫直工艺,其他工艺不变。
图1-74 热矫直工艺(上夹具回火)
图1-75 淬火工艺
图1-76 回火工艺
(8)新工艺的节电效果。
①原工艺热矫直用RJX-75-9炉按工艺升温,按满功率3h,保温3h按1/3功率。热矫直工序耗电量为75kW×3h+(75kW×3h)÷3=300kW·h。
淬火用RJX-45-9炉升温到860℃按满功率升温4h,间断升温0.5h,到温后保温10min按1/3计算,共处理6炉。
该工序耗电量为45kW×4h+45kW×0.5h×6炉+45kW×10/60h×1/3×6炉=330kW·h。
回火用RJX-75-9炉升温到540℃用2h满功率,保温3h为满功率的1/3,该工序消耗电量为75kW×2h+75kW×3h÷3=225kW·h。
原工艺总用电量为热矫直300kW·h+淬火加热330kW·h+回火加热225kW·h=855kW·h。
②新工艺用电量为淬火加热33kW·h+回火加热225kW·h=555kW·h。
节电(855kW·h-555kW·h)÷855=35%。
实验和实际生产证明,60Si2Mn钢具有显著的相变诱发塑性,可应用于生产中矫正翘曲度变形;新工艺可节电35%,人工工时节省30%以上,提高生产效率50%。
南京高精齿轮集团有限公司生产的大模数齿圈,模数25mm,外形尺寸φ2460mm(外径)×φ1900mm(内径)×540mm(宽度),质量约8t,材料为20CrMnMo钢,要求渗碳淬火。
(1)两段渗碳工艺及存在问题。采用德国制造的大型井式渗碳炉,炉膛有效尺寸φ2800mm×2000mm,热处理工艺过程采用计算机在线控制。工艺曲线如图1-77所示。渗碳(强渗、扩散)后,对渗碳件及随炉试棒(φ40mm×110mm)进行了3次球化退火处理。最后,进行淬火及回火处理。
图1-77 20CrMnMo钢大模数齿圈两段渗碳工艺
图1-78 20CrMnMo钢大模数齿圈缓冲渗碳工艺
20CrMnMo钢具有淬透性好,韧脆性转变温度低,价格比高级优质渗碳钢低等优点。然而,20CrMnMo钢大模数齿圈进行深层渗碳(层深≥3.5mm)处理后,渗碳层中的碳化物往往呈网状分布,渗碳后采用球化退火工艺可以改善碳化物分布,但工艺周期长、设备维护成本增加。
(2)缓冲渗碳工艺。缓冲渗碳工艺过程曲线如图1-78所示,该工艺所选用的设备与两段渗碳工艺相同。缓冲渗碳(强渗、多道扩散)后,进行淬火及回火处理。
(3)检验结果。
①两段渗碳+淬火回火工艺处理后。20CrMnMo钢渗层组织由回火马氏体+残余奥氏体+网状、块状碳化物组成,渗层表面与心部硬度分别为750HV和480HV,渗层的有效硬化层深度为5.26mm(550HV)。
②缓冲渗碳+淬火回火工艺处理后。20CrMnMo钢渗层组织由回火马氏体、残余奥氏体以及弥散分布于回火马氏体基体上的细颗粒状碳化物,渗层表面与心部硬度分别为740HV和480HV,渗碳层的有效硬化层深度为5.95mm(550HV)。
(4)节能降耗效果。两段渗碳+球化退火+淬火回火的工艺运行总时间为259h,缓冲渗碳+淬火回火的工艺运行总时间为156h。与两段渗碳工艺相比,缓冲渗碳工艺缩短时间近40%,相应节约了电能和渗碳介质的消耗,降低了齿圈制造成本,同时也提高了生产效率。
中国有色金属(沈阳)冶金机械有限公司对零件的深层渗碳采用高碳势工艺,显著缩短了工艺周期,提高了生产效率。
(1)常规深层渗碳工艺及存在问题。某零件材料为20CrMnTi钢,渗碳层深度要求>5.5mm。其渗碳设备为RQ3-450-9型无底式马弗罐渗碳炉,渗碳富化剂为丙酮,载体介质为甲醇。渗碳工艺过程采用分段控制法,并应用微机碳势控制系统。
零件深层渗碳的常规工艺如图1-79所示。通过微机控制系统模拟,该工艺渗层深度达5.5mm的工艺时间为165h左右,C p 为炉气碳势,渗碳温度为920℃。分段的工艺时间由微机控制系统根据炉温、碳势自动调整。其中强渗阶段完成渗层渗碳的86%需要110h,扩散阶段完成渗层深度的100%需要45h,降温到880℃保温1h出炉。由于渗碳时间长,故能耗大,零件热处理变形大。
图1-79 20CrMnTi钢零件常规深层渗碳工艺
(2)高碳势渗碳工艺。
①高碳势渗碳原理。渗碳过程包括碳原子的分解、吸附和扩散三个过程,在实际生产中碳原子在工件内部的扩散过程是最复杂、影响因素最多、最敏感而又最缓慢的过程。影响扩散的主要因素取决于扩散系数和浓度梯度。影响扩散系数的因素有温度、晶格类型、固溶体类型等,而温度是所有因素中影响最突出的一个。其关系可用扩散系数D与扩散激活能E D 的关系式表达:
式中,R为常数。从该式可以分析出,温度T从920℃提高到1000℃,碳的扩散系数D可以提高7倍以上。但在实际生产中,由于诸多原因(无高温渗碳炉、增大工件变形、长时间渗碳导致工件晶粒粗大,降低材料性能等)不能将渗碳温度提高到1000℃。在其他影响较大的因素里,晶格类型与固溶体类型等均已确定。因此,通过碳浓度梯度来提高渗碳速度。
在常规深层渗碳工艺(见图1-79)中,强渗阶段的碳势C p 为1.2%,扩散阶段的C p 为1.1%。对比之后不难看出,该常规工艺中的碳浓度梯度不大,这样在工件表面的碳浓度不高,扩散驱动力降低。而在渗碳过程中,碳浓度梯度为主要的扩散驱动力。根据菲克第二定律:
扩散是由于浓度梯度所引起的,因此可以考虑提高碳浓度梯度来提高渗碳速度。
式中,c为浓度,t为时间,x为扩散距离,D为扩散系数。
根据其进行估算,当炉气碳势为1.25%时,渗碳时间约为149h;当炉气碳势为1.3%时,渗碳时间约为121h。
在实际生产应用中,不能单纯追求渗层中碳含量和表面硬度,还应该考虑淬硬层的显微组织和性能。首先,过高的碳势会使工件表面含碳量过高,导致形成的碳化物太多、粒度太大,最终一些大于1μm的碳化物成为破断的裂纹源。其次,由于工件对碳原子吸收能力的限制,在工件表面积存大量的碳原子,形成炭黑,使气氛中新产生的活性碳原子被阻隔在工件的表面,反而会使渗碳速度降低。因此,不能将整个渗碳过程都维持在一个高的碳势,可以在渗碳开始阶段迅速提高炉气碳势,形成较大的浓度梯度,然后进行一段时间的扩散,到炉内碳势趋于平衡后,工件内表面和外表面浓度梯度降低。此时再提高炉气碳势,使炉气及工件内表面形成一个较大的浓度梯度,此后降低碳势开始下一段扩散。这样是将强渗分为两个或者 3 个阶段,中间是较长时间的扩散,使每个阶段都有一定的浓度梯度,提高了扩散驱动力,从而提高渗碳速度。
②新工艺设计。结合生产经验,制定出高碳势深层渗碳工艺如图1-80所示。在该工艺中,渗碳温度920℃不变,设计高碳势1.3%的强渗时间为15h。渗碳开始强渗的第一段,在炉内迅速形成1.3%的高碳势,碳原子渗入工件表层形成约1.3mm厚的高碳含量奥氏体基体组织。由于高碳势对工件会产生不利影响,故此时降低炉气碳势至1.2%完成渗层深度的60%,使工件表层的碳原子在碳浓度梯度的驱动下向工件内部扩散,这一段在整个渗碳中设计耗时40h。经过扩散后,工件表面碳浓度下降,碳浓度梯度降低。此时继续提高碳势到1.25%,目的是重新提高工件表面的碳浓度,增加扩散驱动力,这部分需要约25h完成渗层深度的70%。最后将碳势降低,完成剩余渗层深度,进行进一步扩散,调整渗层中碳的分布,这个过程需要70h,主要是调整工件表面碳浓度和渗层的碳浓度分布。通过模拟,该工艺的总时间为150h,这比常规渗碳工艺缩短了近15h。实际生产也表明,该工艺是基本适用的,与微机模拟时间基本吻合。
生产中应用该工艺时要保证载体介质的滴注量,换气次数在5次左右,炉压为98~196Pa,炉温的温差<±2℃。生产中要严格控制高碳势的时间,防止产生过多的炭黑以降低渗碳速度。保证至少每12h定碳一次。
图1-80 高碳势深层渗碳工艺
(3)检验结果与节能降耗效果。经检验,工件表面碳浓度在0.8%~0.9%(质量分数),渗碳层深度为5.5mm,符合技术要求。同时,减少了工件变形。
采用新工艺后,每炉渗碳时间可缩短约15h,降低能耗约2025kW·h,同时也节约了丙酮和甲醇的消耗。因此,新工艺节能降耗显著。
郑州飞机装备有限责任公司对普通井式渗氮炉进行改造,排气时间由3~6h缩短为20~40min,不仅提高了产品质量,而且降低了能源和氨气的消耗。
(1)普通井式渗氮炉的技术改造。目前,采用井式渗氮炉进行气体渗氮是应用广泛的一种化学热处理方法。为防止渗氮罐空气对工件渗氮质量的影响,生产前期阶段需先用氨气将罐内的空气置换干净,经过氨气分解测定计测定为零时,再升温渗氮。通常排气时间3~6h,其效果不是十分理想,经常发生渗氮件轻微氧化现象,尤其是不锈钢零件,渗层深度不均匀,产品质量难以保证。
为缩短排气时间,提高渗氮质量,对井式渗氮炉进行改造(见图1-81)。在原有设备的基础上,增加了一台旋片式真空泵、阀门、磁助电接点压力表,费用约3000元。
图1-81 改造后的井式气体渗氮炉
1—流量计 2—渗氮罐 3—氨分解测定计 4—压力计5—泡泡瓶 6,7—热电偶 8—干燥箱 9—氨瓶 10—真空泵
(2)渗氮新方法试验。
①操作程序。渗氮前,先用真空泵对炉罐抽真空,达到规定的真空度时关闭阀门,充入氨气进行升温渗氮。抽真空时间一般为10~15min。不锈钢渗氮时,为防止边角区域空气残留,采用两次抽真空的方法。即真空泵抽真空到规定值后关闭阀门,充入氨气至压力表为正压,启动真空泵再次抽真空,达到规定真空度关闭阀门。整个排气时间为25~35min。为验证设备改造效果,对试样进行渗氮试样,并与设备改造前渗氮质量进行对比。
②渗氮试验。渗氮试验选用38CrMoAlA和20Cr13(旧牌号1Cr13)两种钢材,每种材料各9件,采用9点试样法进行试验。渗氮前,启动真空泵,抽真空至压力表指示接近0.1MPa,真空泵工作真空度为10~100Pa,关闭阀门,向渗氮罐内通入氨气。20Cr13钢试样渗氮前进行喷砂处理,处理后立即装入渗氮罐内,渗氮前预抽真空两次。其渗氮工艺与渗氮炉改造前相同,具体见表1-69。渗氮技术要求如表1-70所示。
表1-69 渗氮试样工艺参数
表1-70 渗氮试样技术要求
(3)检验结果。按HB 5023检测渗层深度,按HB 5022检测渗层及心部显微组织。经检验,试样表面呈灰白色,符合技术要求。
①渗氮试样渗层深度及均匀性检验结果。采用硬度法检测渗氮层深度,试验力1.96N。
38CrMoAl钢,改造前后渗氮试样渗层深度分别为0.40~0.42mm和0.40~0.43mm,渗层均匀性分别为≤0.02mm和≤0.03mm;20Cr13钢:改造前后渗氮试样渗层深度分别为0.22~0.23mm和0.22~0.24mm,渗层均匀性分别为≤0.01mm和≤0.02mm。从检验结果可以看出,设备改造后渗层深度及均匀性符合表1-70渗氮技术要求。
②渗氮试样硬度检测结果。38CrMoAl钢:改造前后分别为1035~1050HV和1045~1051HV;20Cr13钢:改造前后分别为935~950HV和942~950HV。从检验结果可以看出,设备改造后工件渗氮层硬度与改造前基本相当,符合表1-70技术要求。
③两渗氮试样金相组织为氮化索氏体+氮化物+白层,未发现网状或针状氮化物,金相组织为3级,白层厚度0.012mm,符合HB 5022标准要求。
(4)节能降耗效果。设备改造后,排气时间减少,缩短了工件的渗氮周期,若渗氮炉功率按75kW计算,则每炉可节约电能约300kW·h。同时,提高了生产效率。
(1)工件材料与技术要求。风冷柴油机气门旋转装置中的座体(见图1-82),材料为15钢或20钢,技术要求:碳氮共渗层深度0.4~0.6mm,表面与心部硬度分别为55~60HRC和19~24HRC,表面不允许有炭黑和氧化脱碳,金相组织中不允许存在黑色组织,做模拟旋转考核试验的时间不应低于1000h。
(2)原工艺及存在问题。对座体采用传统气体碳氮共渗工艺(见图1-83和表1-71)。但因其共渗保温时间长,常出现黑色组织,不能适应批量生产需要。为此,对此工艺进行了改进,最终采用了座体的快速碳氮共渗。
图1-82 座体结构示意
图1-83 原碳氮共渗工艺
图1-84 快速碳氮共渗工艺
表1-71 原碳氮共渗工艺参数
注:出炉后淬入质量分数为5%~10%的NaCl水溶液,液温≤40℃,工件淬完不超过5min。
(3)快速碳氮共渗工艺及其效果。座体工艺流程为钢管落料→粗车→软化退火→酸洗→成形→精车→碳氮共渗淬火→氧化→装配入库。
碳氮共渗设备采用RQ3-75-9型井式气体渗碳炉,装炉量为2400件左右,采用≤40℃的质量分数为5%~10%的NaCl水溶液淬火。其快速碳氮共渗工艺见图1-84和表1-72。
表1-72 批量生产快速碳氮共渗工艺参数
采用快速碳氮共渗工艺处理后,表面几乎不出现炭黑,也未出现黑色组织。工件表面硬度、渗层深度等均能达到产品技术要求,经模拟旋转考核试验,时间超过1500h,效果理想。
(4)节能降耗效果。采用快速碳氮共渗工艺后,工艺周期由原来的4.5~5h缩短为3~3.5h,煤油及氨气消耗有所降低。按年产30万件计算,每年可节电9.25万kW·h,节约辅料(如氨气)消耗等费用2.32万元,经济效益显著。
采用天龙科技炉业(无锡)有限公司研发的精密控制渗碳技术,可以实现多产品渗碳层深、金相组织的精确控制,从而提高产品质量、生产效率,并降低能源消耗。
1)渗碳精密控制系统
渗碳设备完整的精密控制系统如图1-85所示。
图1-85 渗碳设备完整的精密控制系统
(1)温度精密控制。渗碳温度精密控制采用马弗内主控+马弗外联控+监控的温度控制系统,主控和联控采用并行控制模式,采用PID调节模拟量触发可控硅控制马弗内工作温度。
(2)碳势精密控制。
①以准确控制的马弗内工作温度,作为气氛碳势控制的温度计算参数。
②对设备配制了两套以上的控制系统,采用氧探头加红外气体分析仪两套系统,形成了两套系统任选作碳势的主控加辅控。
③由单参数控制扩展为多参数控制,采用O 2 、CO 2 、O 2 +CO、CO 2 +CO形成可选择切换运行的四种不同控制方式。
④采用氧探头、红外气体分析、一体化智能控制器、变量计量泵(或比例电磁阀)等实现渗碳过程的PID模拟量调节控制。
(3)集成式智能控制器。智能控制器由通信和温度、气氛、动态过程、机电动作作为各计算模块构成,如图1-86所示。集温度控制、碳势气氛控制、渗碳工艺控制、机电程序控制为一体的控制系统。
图1-86 一体化集成式智能精密控制器
(4)计算机渗碳专家系统软件。实现渗碳工艺过程的动态实时控制。渗碳时使用碳势自动设定功能,无须设定碳势,在线模块会根据炉内炭黑及所渗工件碳化物自动计算出最合适的碳势,自动实现渗碳工艺过程。
2)常规渗碳控制系统
图1-87 渗碳设备常规控制系统
作为比较,渗碳设备常规控制系统如图1-87所示。
(1)温度控制。采用马弗外主控+监控的温度控制系统,采用经验法估计的马弗内外工作温差来设定控制马弗外加热温度。
(2)碳势控制。对设备配制了采用人工计量冨化气供给量或单氧探头来控制碳势;电磁阀位式调节控制碳势。
(3)碳势控制仪。其温度、碳势控制仪分别独立,仪表精度低。
(4)渗碳工艺系统。渗碳工艺程序凭借经验进行编制设定,无法做到准确控制渗碳。
3)不同渗碳控制系统的性能数据
常规渗碳控制和渗碳精密控制的性能参数比较,见表1-73。
表1-73 不同控制技术性能参数表
采用精密控制系统由于精度高,故可以以较高的温度和气氛碳势进行精密渗碳。
4)不同渗碳控制系统工艺及质量对比
(1)渗碳工艺。以17CrNiMo6钢为例,不同控制系统渗碳工艺对比见表1-74。可以看出精密控制比常规控制渗碳工艺周期平均缩短了20%。
表1-74 不同控制系统17CrNiMo6渗碳工艺对比
(2)渗碳工件质量。不同控制系统渗碳工件质量对比如表1-75所示。可以看出精密控制比常规渗碳产品的渗层和表面硬度偏差小,金相组织优良,且工艺质量重现性很好。
表1-75 不同控制系统渗碳工件质量对比
5)精密控制渗碳技术节能降耗效果
精密控制渗碳技术由于其控制的精度提高,故可以以更高的温度和气氛碳势进行渗碳,比常规控制渗碳工艺周期平均缩短了20%,能耗降低12%以上。