购买
下载掌阅APP,畅读海量书库
立即打开
畅读海量书库
扫码下载掌阅APP

1.4 电路基本定律

1.4.1 欧姆定律

我们知道,在电阻(如电灯泡、电阻器)元件的两端加上电压 U 以后,其中一定会有电流 I 通过,那么电阻 R 和电压、电流之间存在什么样的数量关系呢?德国物理学家欧姆做了大量的实验,得出了一个基本规律——欧姆定律。导体中的电流 I 与导体两端的电压 U 成正比,与导体的电阻 R 成反比,即

这个规律叫做欧姆定律。如果知道电压、电流、电阻三个量中的两个,就可以根据欧姆定律求出第三个量,即

在交流电路中,欧姆定律同样成立,但电阻应该改成阻抗 Z ,即

由式(1-18)可见,当所加电压 U 一定时,电阻 R Z )越大,则电流 I 越小。显然,电阻具有对电流起阻碍作用的物理性质。在国际单位制中,电阻的单位是欧姆(Ω)。当电路两端的电压为1V,通过的电流为1A时,这段电路的电阻就为1Ω。计量高电阻时,则以千欧(kΩ)或兆欧(MΩ)为单位。

从电压和电流的定义知道,电阻中电流的方向与电压的方向一致,都是从高电位端指向低电位端。

欧姆定律不但适用于线性电阻元件,而且对于随时间变化的电压、电流也适用,也就是说,任何一个时刻的电流 I 也一定等于这一时刻的电压除以电阻 R

电阻在电路中是消耗功率的。它消耗的功率为

式(1-19)是用来计算电阻消耗功率的公式。可见,对于电阻器来说,在它的电压、电流、功率和电阻这四个量中,只要知道任何两个量,就能确定出另外两个量。

例1 一个100W的电灯泡接在220V的电源上,求这个灯泡的电阻和电流。

1.4.2 结点电流定律

在电路中,一定会有元器件与元器件连接的地方,我们把元器件相接的地方叫做结点。在图1-8中,有a、b、c、d、e、f 6个结点,但习惯上把两个以上元件相接的地方(或者说电流汇集与分叉的地方)叫做结点。这样,图1-8中只有4个结点。

结点可以看做一条没有被元器件隔开的线。在如图1-8所示中,上面的结点是连接E的正极、C、R1和R2的线。

图1-8 电路的结点、支路

结点电流定律:流入结点的电流等于流出该结点的电流。例如,对上面结点有

式中,∑为求和符号。

例2 电路中结点a示于图1-8中, I 1 =10A, I 2 =20A,求 I =?

解: 由结点电流定律,即式(1-20),得

应该指出,结点电流定律对任一电路、任何一个结点、任意一个时刻都是成立的,对直流电成立,对交流电也成立。

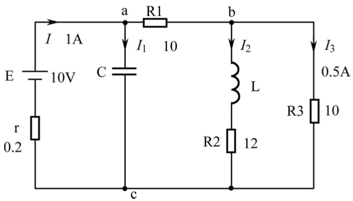
1.4.3 电压定律

在电路中,两个结点之间的电流通路称为支路。如图1-9所示,有4条支路:E和r是一条支路,C是一条支路,R1、R2是一条支路,R3是一条支路。

结点电压定律:电路中任何两结点之间的电压(如a、b之间的电压 U ab )等于从高电位沿着任何一条路径到低电位电压降落的代数和,表示为

图1-9 电压定律电路

1.4.4 叠加原理

叠加原理是分析线性电路时普遍应用的原理。由支路电流法列出的方程是线性代数方程。根据线性代数方程的叠加性可导出电路的叠加原理。其电路如图1-10所示。

图1-10 叠加原理电路

在使用叠加原理时应注意以下几个问题。

(1)当设某一电源单独作用时,其余电源应均设为零。理想电压源应视为短路,理想电流源应视为开路,但电源内阻都必须保留。

(2)每个电源单独作用时所产生电流前面的符号切不可忽视,叠加时应取其代数和。

(3)叠加原理只能用于求解线性电路的电压或电流,而不能对功率进行叠加,更不能在非线性电路中使用。

1.4.5 等效电源定理

(1)在复杂电路中,欲求一条支路电流,可将其余部分视为一个有源二端网络。利用戴维南定理和诺顿定理将此有源二端网络用电压源或电流源等值替代,可使问题的分析大为简化。

(2)戴维南定理叙述了将有源二端网络用一个电动势为 E 、内阻为 R o 的电压源等值替代的条件:电压源的电动势 E 等于有源二端网络的开路电压 U o ,电压源的内阻等于将此有源二端网络化为相应无源二端网络的等值电阻。

(3)诺顿定理叙述了将有源二端网络用一个电流为 I s 、内阻为 R o 的电流源等值替代,电流源的电流 I s 等于有源二端网络的短路电流,电流源的内阻 R o 等于将此有源二端网络化为相应无源二端网络的等值电阻。

(4)将有源二端网络化为相应的无源二端网络时,应注意所有的恒压源短路,所有的恒流源开路,而内阻应予以保留。

(5)在应用等效电源定理时,可去掉与恒压源并联的电路,去掉与恒流源串联的电阻。当电路比较复杂时,可以使用叠加原理或两次运用戴维南定理。 inlfLJ355ZgQFsrVValVVRpaVLN+ZzMpJ4m1MYrE/0V/xLSQ9JbGbMBPEyOtu0Rf

点击中间区域
呼出菜单
上一章
目录
下一章
×