购买
下载掌阅APP,畅读海量书库
立即打开
畅读海量书库
扫码下载掌阅APP

3.4 电力电路识图

对于电类相关专业,都应当了解和掌握一定的电力系统输、配电知识及有关的电力系统图。这对提高自己的综合素质,满足工作需要和方便生活用电等都是非常必要的。本节主要介绍电力系统传输过程,工厂供、配电系统常用电气一、二次接线图,熟悉相应的图形符号及电气接线图的方法。

3.4.1 电力系统

电能的生产、传输和使用是同时进行的。发电厂生产的电能,有一小部分供给本厂和附近用户使用,其余绝大部分要经过升压变电站将电压升高(为了减少电能在传输过程中的损耗),由高压输电线路送至距离很远的负荷中心,再经过降压变电站将电压降低到用户所需要的电压等级,分配给电能用户使用。由此可知,电能从生产到应用,一般需要有五个环节,即发电—输电—变电—配电—用电,其中配电又根据电压等级不同分为高压配电和低压配电。

图3-3为从发电厂到用户的电力传输过程示意图。

电力系统就是将这五个环节联系起来的一个整体。由各种电压等级的电力线路,将各种类型的发电厂、变电站和电力用户联系起来的一个发电、输电、变电、配电和用电的整体,称为电力系统。

图3-3 电力传输过程示意图

3.4.2 变电所主接线图

变电所主接线(一次接线)是指由各种开关电器、电力变压器、母线、电力电缆、并联电容等电气设备按一定次序连接的、接受电能与分配电能的电路。它是电气设备选择及确定配电装置、安装方式的依据,也是运行人员进行倒闸操作和事故处理的重要依据。

主接线的基本形式有单母线、双母线和桥式接线三种。

1.单母线接线图

单母线不分段主接线,如图3-4(a)所示。其优点是线路简单,使用设备少,造价低;缺点是供电可靠性和灵活性差,当母线或隔离开关发生故障时将造成用户停电。因此,仅适用于容量较小和对供电可靠要求不高的中、小型工厂。

单母线分段式接线,如图3-4(b)所示。其优点是母线或隔离开关发生故障时,负荷可以不要全部切断。可根据电源数目把母线分段运行。

图3-4 单母线接线图

单母线分段带旁路母线式主接线,电路如图3-5所示。其特点是把主母线用断路器分段,且有一旁路母线配合。当检修设备时,可用旁路母线供电,减少停电时间。它适用于配电线路较多、负荷较重的主变电所或高压配电所。

图3-5 单母线分段带旁路母线式主接线图

2.双母线主接线图

双母线主接线,电路如图3-6所示。这种接线方式运行可靠和灵活。两根母线互为备用,当一条母线停电或有故障时,不影响其他线路的正常供电。它适用于供电可靠性要求很高的大型工厂总降压变电所的3.5~10kV的母线系统。电路如图3-6所示,适用于具有二次回路的电源进线、两台变压器终端的工厂总变电所。其特点是有一条跨接的“桥”。

3.桥式主接线图

(1)内桥主接线

电路如图3-7(a)所示,跨接桥(断路器QF3支路)靠近变压器侧,它可以提高输电线路的灵活性。例如,当线路L1发生故障检修时,把断路器QF1断开,此时可由线路L2通过跨接桥使变压器T1受电而不致停电。当线路L2故障检修时,可由L1供电。它适用于35kV以上的长线路和变压器不需经常操作的系统。

图3-6 双母线主接线图

图3-7 桥式主接线图

(2)外桥主接线

电路如图3-7(b)所示,将跨接桥接在靠近线路侧,使变压器的切除和投入都比较方便。它适用于35kV以上供电线路较短且变压器需要经常操作的系统。

3.4.3 工矿企业变配电一次电路图

如图3-8所示为某厂变配电系统一次电路图。该方案采用两路电源进线,两台变压器T1(SJ—320KVA)、T2(SJ—500KVA),当任意一台变压器停电检修或出现故障时,可通过另一台供电,用隔离开关QS和断路器QF接通另一段低压侧电路,恢复向负载继续供电。

一次电路高压侧采用架空线路引入6~10kV,分别经T1、T2降压变电为380/220V,提供给用户动力和照明用电。

低压侧母线采用分段式接线,用隔离开关和断路器实现电源和负载间的接通与断开。

为了保证变压器不受大气过电压的侵害,在变压器的高压侧装有FS—10型避雷器。图3-8中所示的各电流互感器在线路中供测量仪表使用。

图3-8 某厂变配电系统一次电路图

如图3-8所示为单母线分段放射式供电系统,用隔离开关来联络两段母线。配电屏向用电设备进行供电的线路共有14条支路,系统采用双电源供电、母线分段式接线方式,电源进线和配线采用配电屏,整体结构紧凑,使用方便,便于安装和维护,供电可靠性高。

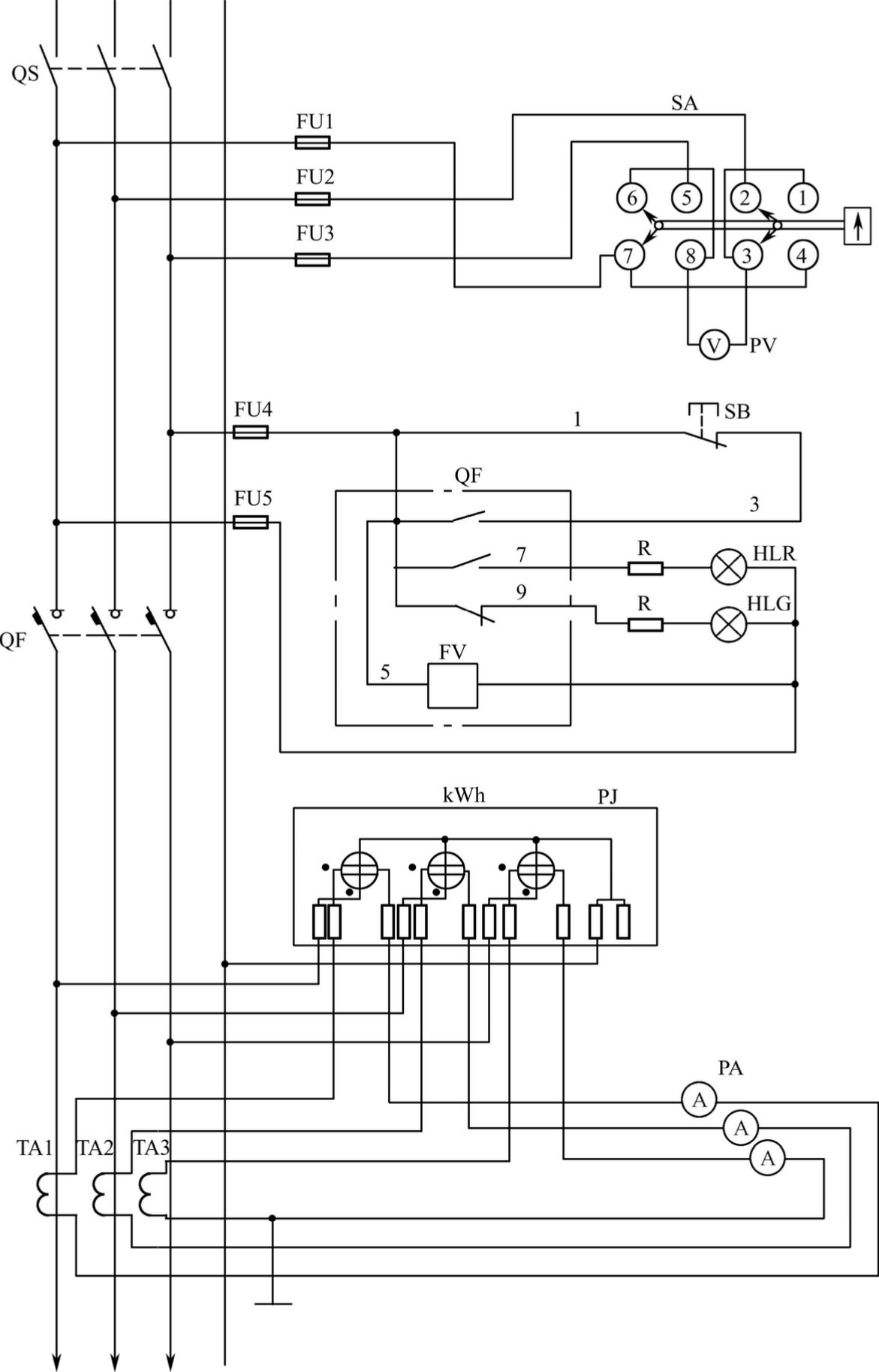
3.4.4 低压二次接线原理图

如图3-9所示是BSL型低压配电屏的接线原理图。包括三部分,即电压测量回路、二次继电保护回路和电能计量回路。

1.电压测量回路

利用电压转换开关SA和一块电压表PV,随时监测三相电源运行状态是否正常,以满足负载所需电压的要求。

2.二次继电保护回路

二次继电保护回路由常开触点、合闸指示信号红灯HLR、分闸指示信号绿灯HLG、限流电阻R等构成。线路通过合闸、分闸信号装置正确、清晰地显示电路工作状态。电气设备与线路在运行过程中,出现过负荷或失压时,通过失电压脱扣器线圈FV与负荷开关QF构成的失电压脱扣器及时切断线路,确保线路、设备和人身安全。

3.电能计量回路

电能计量回路包括一块三相有功电度表PJ和三只电流互感器TA1~TA3及三块电流表PA。利用电度表计量系统用电量情况,利用电流互感器和电流表构成电流测量线路,用以监测线路电流正常与否。

图3-9 某厂二次低压配电屏接线原理图 inlfLJ355ZgQFsrVValVVRpaVLN+ZzMpJ4m1MYrE/0V/xLSQ9JbGbMBPEyOtu0Rf

点击中间区域
呼出菜单
上一章
目录
下一章
×