



变电站的一次系统图,是指由单线流过主电流或一次电流的某些电气设备按照一定顺序连成的电路图,也称一次主接线图。其中单线表示的是电气装置的一相连接方式,而忽略了其他两相,这是因为三相电力设备中的其他两相接线与这一相是相同的。变电站的一次系统图由供电电源、母线、变压器、配电站的配出回路、高低压开关和保护电器,还有常用的电缆电线几部分组成。
变电站的一次系统图能清楚地反映出电能输送、控制和分配的关系及设备的运行情况。它是供电规划、电气数据计算、设备选择、日常操作和回路切换的主要依据。通过查看一次系统图,能够了解整个电气工程的规模、电气工作量的大小,以及电气工程各部分的关系。
在实际生活中,常见到的是单母线分段放射式供电系统,它由两个电源供电,比较适用于一、二级用电负荷的供电。如图1-1所示为6~10kV配变电一次系统图。
图1-1 6~10kV配变电一次系统图
从图1-1可以看出,此配变电一次系统有二回路10kV电源进线,其中一回路工作电源由市电网供电,并通过电缆引入,再由图1-1下方引至高压配电柜中。因为电源引自地方变电站,所以需要装有专用计量柜和进线开关。图中的1号柜为专用计量柜,通过高压配电柜中的电流互感器和电压互感器进行电能损耗的计量,供电业部门的计费及核算;2号高压配电柜为进线保护柜,当变、配电母线出现短路和过载时,进线保护柜中的断路器自动跳闸。另外一个回路工作电源为备用电源,其架空引入后由本企业变电站供给,其电能计量一般以电源出线开关的电度记录为准,或通过和电业部门的协议进行电力计费,因此这里只设置了进线保护柜,它同样对变、配母线进行短路保护和过载保护。
在配电母线上,引出了几路不同的配电回路。
(1)两台10/0.4kV电力变压器。它们供给380V/220V低压负荷用电,接线方式为Y/Y0,由高压断路器进行高压侧的短路保护和过载保护。
(2)三圈电压互感器柜。它的三个单相三绕组电压互感器的接线方式为Y/Y-L,其主要作用是测量和保护。三个单相三绕组电压互感器与三个线电压相连接可用于测量和作为低电压出口(用于高电压电动机)保护使用。三个辅助二次绕组接成开口三角形,构成零序电压过滤器,用于接地(绝缘)保护。电压互感器由熔断器保护。
(3)电容器柜。它的作用是在高压侧进行无功集中补偿,将本系统的功率因数提高到电业部门所规定的数值,一般在0.95左右。当高压配电系统中带有高压电动机和容量较大的变压器时,多采用高压无功集中补偿方式,它的优点是可减少供电系统和输电线路的无功损耗,缺点是不能减少变压器和低电压电网中的无功功率。
(4)高压引出线。它去往其他变电站或杆上变压器,也由高压断路器进行短路保护和过载保护。
在供电系统中,凡是对一次设备进行操作控制、保护、测量的设备及各种信号装置,统称二次设备。二次设备按照一定的顺序连接起来的线路图称为二次系统图,也称辅助接线图。二次系统图是电气工程图的重要部分,是保证一次设备安全可靠运行的必备图纸。
二次设备的特点是工作电压低,电流小,工作电压等级一般为6.3~380V,直流或交流,耗能较小。此外,二次设备接线较复杂,连接导线多。采用的二次设备越多,连接的导线就越多,不像一次设备只在相邻的设备中连接,导线的数量也少。二次设备的连线不仅限于相邻的设备,而且可跨越较远的距离与其他地方的二次设备连接,并且相互间纵横交错,使得其出线和进线端子也都很多。
自动化程度越高,二次系统的接线也会越复杂。因此,读懂二次回路图对于配电系统的操作、控制、保护和日常维护都有着十分重要的意义。
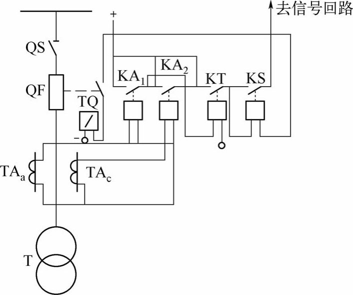
变压器过流保护整体式原理接线图如图1-2所示。该图中的二次设备有两相电流互感器TA a 、TA c ,两相电流继电器KA 1 、KA 2 和时间继电器KT,还有一个信号继电器KS。
图1-2 变压器过流保护整体式原理接线图
由图可知变压器过流保护的工作过程是:两相电流继电器KA的线圈KA 1 、KA 2 分别接于两相电流互感器TA a 、TA c 的二次回路中。当变压器过载时,一次电流增加,二次电流也随之增加,当达到两相电流继电器KA的动作电流整定值时,其触点闭合,接通时间继电器KT的线圈回路。经时间继电器KT延时一段时间(整定时间)后,其通电延时动作触点闭合,接通信号继电器KS和断路用跳闸线圈,断路器跳闸,并通过信号继电器的触点接通信号回路,发出故障信号。
整体式原理接线图主要用于表示二次接线装置的工作原理和构成这套装置所需要的设备,既没有给出设备的内部接线、设备引出端的编号和导线编号,也没有给出与该图有关的电源、信号的具体接线。因此,整体式原理接线图不具备完整的使用价值,不能用于现场的安装接线与查找故障。特别是对于某些复杂的装置而言,其二次设备多、接线复杂,也不可能用这种图完全表达出来,因此在现场安装和排查故障时,实际上是不常使用整体式原理接线图的。
实际运行时最常使用的是展开式原理接线图。如图1-3所示为变压器过载保护展开式原理接线图。
图1-3 变压器过载保护展开式原理接线图
在二次系统的查线、继电器保护、校验及故障处理时都要用到展开式原理接线图。展开式原理接线图是根据整体式原理接线图,将各个元件按照电气连接的关系分解成各组成部分,分别画在交流电流电路、交流电压电路、直流电路等各种回路中后绘制而成的。