购买
下载掌阅APP,畅读海量书库
立即打开
畅读海量书库
扫码下载掌阅APP

2.2 万用表检测故障电路

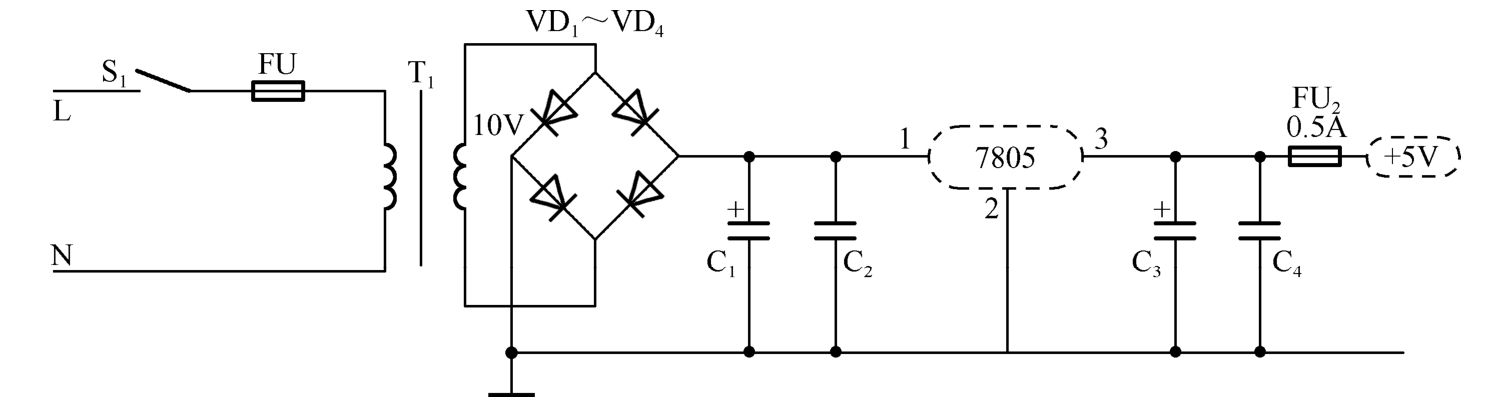
为了更好地讲解用万用表检测故障电路的具体步骤和方法,先引入一个常用电源电路,其原理图如图2-12 所示。

图2-12 常用电源电路原理图

220V 市电经保险管FU 送至降压变压器T 1 的初级,初级的交变磁场传递到次级,次级得到10V 左右的低压交流电压,该低压经整流桥VD 1 ~VD 4 整流后得到低压直流电,经电容C 1 滤波、C 2 高频旁路送至三端稳压器7805 的1 脚输入,经其稳压后从7805 的3 脚输出,经电容C 3 滤波、C 4 高频旁路得到+5V 的直流电压。

常用电源电路的实物如图2-13 所示。下面的现场操作都是以这个原理图为例的。

图2-13 常用电源电路的实物

2.2.1 电压法检测故障电路

电压法是检查电动自行车故障时应用较多的方法之一,它通过测量电路主要端点的电压和元器件的工作电压,并与正常值对比分析,即可得出故障判断的结论。按所测电压的性质不同,电压法常有直流电压法和交流电压法。

所谓关键测试点电压,是指对判断电路工作是否正常具有决定性作用的那些点的电压。通过对这些点电压的测量,便可很快判断出故障的部位,这是缩小故障范围的主要手段。

故障现象:没有+5V 电压输出。

故障分析:主要故障常有电源供电不正常(停电或插座损坏、接触不良等)、开关不能闭合或损坏、保险管烧毁或保险管座损坏(或接触不良)、线路有断路或短路现象、整流桥损坏、电容电解击穿等。

故障检修方法:关键点交流电压法、关键点直流电压法。当然,也可以采用其他方法,但在这里主要用来说明电压法的具体应用。

关键点交流电压法检测故障电路测试图如图2-14 所示。

图2-14 关键点交流电压法检测故障电路测试图

第一步:万用表选择交流250V 挡,测量电源插座是否有220V 市电。如果有正常电压,表明供电电压正常;否则,说明供电异常。

第二步:万用表选择交流250V 挡,测量开关输入端2 与变压器初级3 两端的电压,正常电压值是220V。如果有正常电压,表明电源插头及这部分线路正常;否则,说明电源插头及这部分线路有断路现象。

第三步:万用表选择交流250V 挡,闭合开关S,测量开关输出端4 与变压器初级3 两端的电压,正常电压值是220V。如果有正常电压,说明开关正常;否则,说明开关损坏或这部分线路有断路或开关有接触不良现象等。

若上述电压正常,继续测量下一个关键点电压。一表笔不动还接变压器初级3,另一表笔接变压器5 脚,正常电压值是220V。如果有正常电压,说明保险管正常;否则,说明保险管烧毁或这部分线路有断路或保险管座有接触不良现象等。

若保险管烧毁,则要排查电路是否有短路现象,然后更换保险管。

第四步:万用表选择交流50V 挡,在开关S 闭合的情况下,测量变压器次级6、7 两端的电压,正常电压值是10V。如果有正常电压,则变压器正常;否则,说明变压器初级或次级有短路现象,或这部分线路有断路现象等。

第五步:万用表选择交流50V 挡,在开关S 闭合情况下,测量整流桥8、9 两端的电压,正常电压值是10V。如果有正常电压,说明整流桥已经有输入电压;否则,说明这部分线路有断路现象等。

关键点直流电压法检测故障电路测试图如图2-15 所示。

图2-15 关键点直流电压法检测故障电路测试图

测量前需要知道的关键点直流电压如下。

(1)整流桥整流后的直流电压(不带滤波电容)为 U O =0.9 V I =0.9×10=9V。

(2)整流桥整流、滤波后的直流电压(带滤波电容)为 U O =1.2 V I =1.2×10=12V。

(3)7805 三端稳压器的输出电压为5V。

第一步:万用表选择直流50V 挡,测量整流桥输出1、2 点电压是否有12V 直流电。如果有正常电压,表明整流桥正常;否则,说明整流桥有断路或线路有断路现象等。如果该电压为12V 以下,说明滤波电容C 1 容量不足或有漏电现象等。

注意:本故障设定的前提是后级电路没有发生短路现象,否则,整流桥有可能有短路现象,下同。

第二步:万用表选择直流10V 挡,测量稳压器输出1、4 点电压是否有5V 直流电压。如果有正常电压,表明稳压器正常;否则,说明稳压器有断路或线路有断路现象等。如果该电压为5V 以下,说明滤波电容C 2 容量不足或有漏电现象等。

2.2.2 电流法检测故障电路

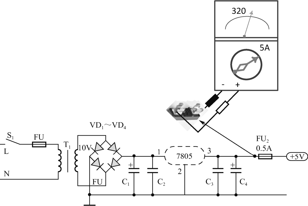
直流电流法检测故障电路如图2-16 所示。

对于有保险管或开关控制的电路,整机电流一般在保险管或开关处进行检测,测量时使开关处于关断状态或去掉保险管。

测量前先估算一下该机的电流,由于FU 2 的标称值是0.5A,因此,后级负载电流应该不会大于500mA。

万用表选择直流500mA 挡,红表笔接保险管座输入端,黑表笔接保险管座输出端,图2-16 中万用表的示数为320mA,小于500mA,表明后级没有短路现象发生。若保险管烧毁,可以更换保险管。

图2-16 直流电流法检测故障电路

2.2.3 电阻法检测故障电路

电阻法检测故障电路如图2-17 所示。

图2-17 电阻法检测故障电路

第一步:判断变压器初级之前的电路是否正常。

万用表选择欧姆×1kΩ 挡,一表笔接变压器的初级1 处,另一表笔接保险管座的输出端2处,电阻值为360Ω,说明变压器初级是基本正常的(匝间短路或轻微短路测量不出来的),否则,有可能是变压器初级有短路(小于正常值许多的)、断路(无穷大)或线路有断路(无穷大)。

继续测量,再用另一表笔接保险管的输入端3 处,电阻值为360Ω,说明保险管是正常的,否则,有可能是保险管断路(无穷大)或线路有断路(无穷大)。

继续测量,再用另一表笔接开关(开关应处于闭合状态下)的输入端4 处,电阻值为360Ω,说明开关是正常的,否则,有可能是开关断路(无穷大)或线路有断路(无穷大)。

第二步:判断变压器次级是否正常。

万用表选择欧姆×10Ω 挡,一表笔接整流桥的5 处,另一表笔接变压器次级6 处,电阻值为5.5Ω,说明变压器次级是基本正常的(匝间短路或轻微短路测量不出来的),否则,有可能是变压器初级有短路(小于正常值许多的)、断路(无穷大)或线路有断路(无穷大)。

继续测量,再用另一表笔接整流桥7 处,电阻值为5.5Ω,7 处与6 处线路是正常的,否则,有可能线路有断路(无穷大)。 kJgmtxERDlOaz80aTpb5CfjTycrrH3wC780+F9ARcW88rpAvm8p95RuyVVifqy0D

点击中间区域
呼出菜单
上一章
目录
下一章
×