



电气工程图可以根据功能和使用场合的不同而分为不同的类别,并且各类别的电气工程图又有某些联系和共同点,不同类别的电气工程图适用于不同的场合,其表达工程含义的侧重点也不尽相同。但对于不同专业或在不同场合下,只要是按照同一种用途绘成的电气工程图,不仅在表达方式与方法上必须是统一的,而且在图的分类与属性上也应该是一致的。
电气工程图用来阐述电气工程的构成和功能,描述电气装置的工作原理,提供安装、使用和维护的信息,辅助电气工程研究和指导电气工程施工等。电气工程的规模不同,其电气工程图的种类和数量也不同。电气工程图的种类跟工程的规模有关,较大规模的电气工程通常要包含更多种类的电气工程图,从不同的角度表达不同侧重点的工程含义。一般来讲,一项电气工程的电气图通常会装订成册,以下是工程图册各部分内容的介绍。
电气工程图的目录如同书的目录,用于资料系统化和检索图样,方便查阅,由序号、图样名称、编号和页数等构成。
图册前言中一般包括设计说明、图例、设备材料明细表和工程经费概算等。设计说明是阐述电气工程设计的依据、基本指导思想与原则,可阐述图样中未能清楚标明的工程特点、安装方法、工艺要求、特殊设备的安装使用说明,以及有关注意事项等的补充说明。图例就是图形符号,一般在前言中只列出本图样涉及的一些特殊图例,通常图例都有约定俗成的图形格式,可以通过查询国家标准和电气工程手册获得。设备材料明细表列出该电气工程所需的主要电气设备和材料的名称、型号、规格和数量,可供进行实验准备、经费预算和购置设备材料时参考。工程经费概算用于大致统计出该套电气工程所需的费用,可以作为工程经费预算和决算的重要依据。
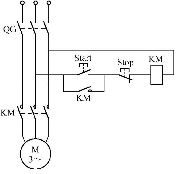
系统图是一种简图,由符号或带注释的框绘制而成,用来大体表示系统、分系统、成套装置或设备的基本组成、相互关系及其主要特征,为进一步编制详细的技术文件提供依据,供操作和维修时参考。电气系统图是绘制较低层次的各种电气图(主要是指电路图)的主要依据。
电气系统图对布图有很高的要求,它强调布局清晰,以利于识别过程和信息的流向。基本的流向应该是从左到右或者从上到下,如图1-1所示,只有在某些特殊情况下方可例外。例如,用于表达非电工程中的电气控制系统或者电气控制设备的系统图和框图,可以根据非电过程的流程图绘制,但是图中的控制信号应该与过程的流向相互垂直,以便识别,如图1-2所示。
框图就是用符号或带注释的框,概略表示系统或分系统的基本组成、相互关系及主要特征的一种简图。系统图与框图的共同点是,都用符号或带注释的框来表示。区别在于系统图通常用于表示系统或成套装置,而框图通常用于表示分系统或设备;系统图若标注项目代号,一般为高层代号,框图若标注项目代号,一般为种类代号。
图1-1 电气控制系统图
图1-2 轧钢厂的系统图
电路图是用图形符号绘制,并按工作顺序排列,详细表示电路、设备或成套装置基本组成部分的连接关系,侧重表达电气工程的逻辑关系,而不考虑工程器件等的实际位置的一种简图。电路图的用途很广,可用于详细地介绍电路、设备或成套装置及其组成部分的作用原理,分析和计算电路特性,为测试和寻找故障提供信息,并可作为编制接线图的依据。简单的电路图还可以直接用于接线。
电路图的布图应突出表示各功能的组合和性能。每个功能级都应以适当的方式加以区分,突出信息流及各级之间的功能关系,其中使用的图形符号必须具有完整的形式,元件画法应简单而且符合国家规范。电路图应根据使用对象的不同需要,相应地增加各种补充信息,特别是应该尽可能地给出维修所需的各种详细资料,如器件的型号与规格,还应标明测试点,并给出有关的测试数据(各种检测值)和资料(波形图)等。图1-3为CA6140车床电气设备电路图。
图1-3 CA6140车床电气设备电路图
电气接线图是用符号表示成套装置、设备的内外部各种连接关系的一种简图。通过接线图,可方便地安装及维护接线。
电气接线图中的每个端子都必须标出元件的端子代号,连接导线的两个端子必须在工程中统一编号。布接线图时,应大体按照各个项目的相对位置进行布置;连接线可以用连续线方式画,也可以用断线方式画。如图1-4所示,不在同一张图的连接线可采用断线画法。
图1-4 不在同一张图的连接线的断线画法
电气平面图用于表示某一电气工程中电气设备、装置和线路的平面布置,一般是在建筑平面的基础上绘制出来的。常见的电气平面图有线路平面图、变电所平面图、照明平面图、弱点系统平面图、防雷与接地平面图等。图1-5所示为某车间的电气平面图。
图1-5 某车间的电气平面图
在常见的电气工程图中,除了系统图、电路图、接线图和平面图4种主要工程图外,还有以下4种电气工程图。
1.设备布置图
设备布置图主要表示各种电气设备的布置形式、安装方式及相互间的尺寸关系,通常由平面图、立体图、断面图和剖面图等组成。
2.设备元件和材料表
设备元件和材料表是把某一电气工程所需的主要设备、元件、材料和有关的数据列成表格,以表示其名称、符号、型号、规格和数量等。
3.大样图
大样图主要表示电气工程某一部件、构件的结构,用于指导加工与安装,其中一部分大样图为国家标准。
4.产品使用说明书用电气图
产品使用说明书用电气图用于表示电气工程中选用的设备和装置,其生产厂家往往随产品使用说明书附上电气图,这些也是电气工程图的组成部分。