



1.坐标点的输入包括哪几种方式?各举一例进行说明。
2.在AutoCAD 2019中文版中,使用哪些方法可以实现精确绘图?
3.在“草图设置”对话框中,如何进行“捕捉和栅格”“极轴追踪”“对象捕捉”的设置?
4.“捕捉”“对象捕捉”有什么区别?
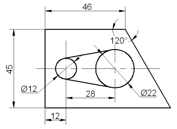
5.使用“对象捕捉追踪”“对象捕捉”功能,绘制图3.6.1所示的图形。
图3.6.1 绘制图形
学习拓展: 扫码学习更多视频讲解。
讲解内容: 主要包含软件安装,基本操作,二维草图,常用建模命令,零件设计案例等基础内容的讲解。内容安排循序渐进,清晰易懂,讲解非常详细,对每一个操作都做了深入的介绍和清楚的演示。想了解Pro/E三维软件的使用,本部分内容十分适合没有软件基础的读者。