



常用的速度继电器主要有JY1型、JFZ0-1型和JFZ0-2型,如图3-24所示。
图3-24 常见的速度继电器
速度继电器主要与接触器配合使用,实现电动机控制系统的反接制动。
多说两句!
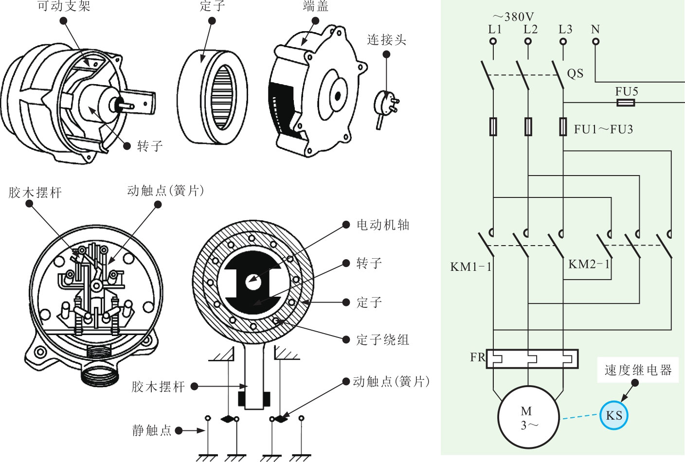
速度继电器主要是由转子、定子和触点三部分组成的,在电路中通常用字母KS表示。速度继电器常用于三相异步电动机反接制动电路中,如图3-25所示。工作时,其转子和定子是与电动机相连接的。当电动机的相序改变,反相转动时,速度继电器的转子也随之反转,由于产生与实际转动方向相反的旋转磁场,从而产生制动力矩,这时速度继电器的定子就可以触动另外一组触点断开或闭合。当电动机停止时,速度继电器的触点即可恢复为原来的静止状态。
图3-25 速度继电器的内部结构及应用