



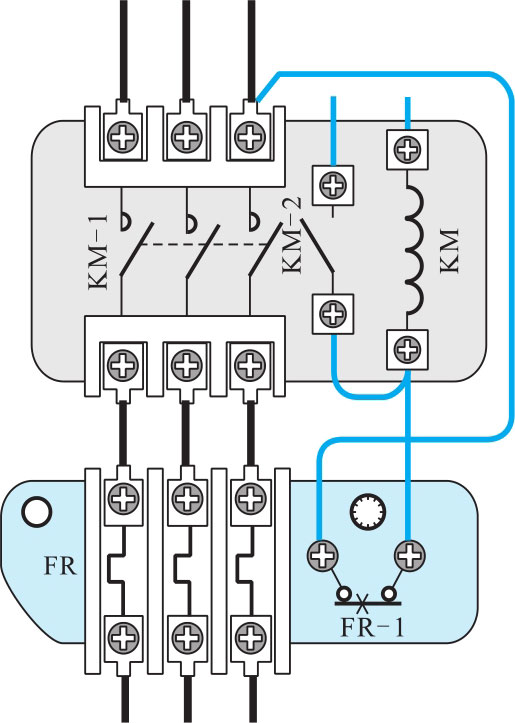
图3-20为热继电器的控制过程。
图3-20 热继电器的控制过程
划重点
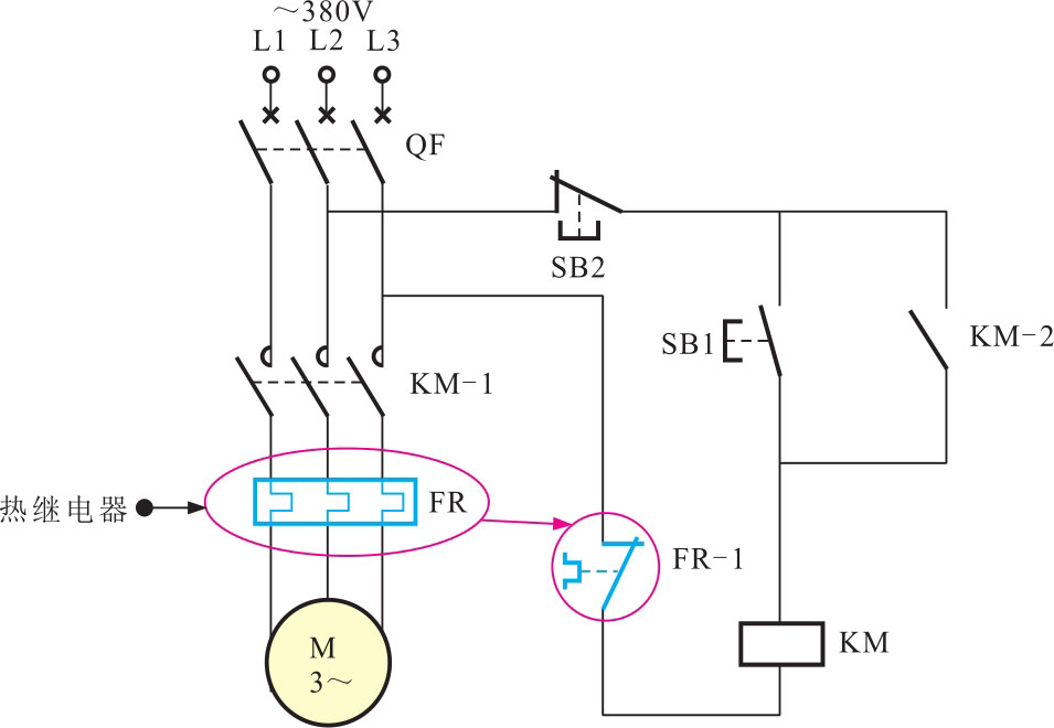
在正常情况下,合上电源总开关QF,按下启动按钮SB1,热继电器的常闭触点FR-1接通控制电路的供电,交流接触器KM线圈得电,常开主触点KM-1闭合,接通三相交流电源,电源经热继电器的热元件FR为三相交流电动机供电,三相交流电动机启动运转;常开辅助触点KM-2闭合,实现自锁功能,即使松开启动按钮SB1,三相交流电动机仍能保持运转状态。
在电路中,热继电器根据运行状态(正常情况和异常情况)可起控制作用。
当电路正常工作,未出现过载过热故障时,热继电器的热元件和常闭触点都相当于通路串联在电路中,如图3-21所示。
图3-21 电路正常时热继电器的工作过程
如图3-22所示,当电路异常导致电路中的电流过大时,所引起的热效应将引起热继电器中的热元件动作,常闭触点断开,断开控制部分,切断主电路电源,起到保护作用。
图3-22 电路异常时热继电器的工作过程
划重点
主电路中出现过载或过热故障,导致电流过大,当电流超过热继电器的设定值,并达到一定时间后,热继电器的热元件FR产生的热效应可推动动作机构使常闭触点FR-1断开,切断控制电路的供电电源,交流接触器KM线圈失电,常开主触点KM-1复位断开,切断三相交流电动机的供电电源,三相交流电动机停止运转,常开辅助触点KM-2复位断开,解除自锁功能,实现对电路的保护作用。
待主电路中的电流正常或三相交流电动机的温度逐渐冷却后,热继电器FR的常闭触点FR-1复位闭合,再次接通电路,此时只需重新启动电路,三相交流电动机便可启动运转。