



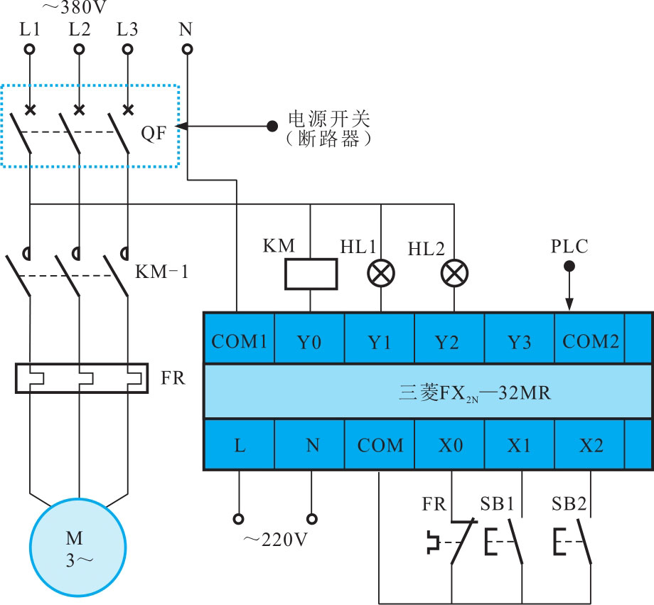
电源开关在PLC控制电路中主要用于接通或断开整个电路系统的供电电源。目前,PLC控制电路常采用断路器作为电源开关。
划重点
断路器实物图
断路器与PLC的位置
如图3-1所示,断路器是一种可切断和接通负载电路的部件,具有过载自动断路保护功能。
图3-1 PLC控制电路中的断路器
断路器作为线路通、断的控制部件,从外观来看,主要由输入端子、输出端子、操作手柄构成。图3-2为断路器的结构。
图3-2 断路器的结构
多说两句!
断路器的输入端子、输出端子分别连接供电电源和负载设备。操作手柄用于控制断路器开关触点的通、断。
拆开塑料外壳可以看到,断路器主要是由塑料外壳、脱扣装置、触点、接线端子、操作手柄等部分构成的,如图3-3所示。
图3-3 断路器的内部结构