



 1.4 电气图中连接线的表示方法
    1.4 电气图中连接线的表示方法
   在电气线路图中,各元件之间都采用导线连接,起到传输电能、传递信息的作用,所以读者应了解连接线的表示方法。
一般的图线就可表示单根导线。对于多根导线,可以分别画出,也可以只画一根图线,但需要加标志。若导线少于4根,可用短画线数量代表根数;若多于4根,可在短画线旁加数字表示,如图1-33(a)所示。表示导线特征的方法是:在横线上面标出电流种类、配电系统、频率和电压等;在横线下面标出电路的导线数乘以每根导线截面积(mm 2 ),当导线的截面不同时,可用“+”将其分开,如图1-33(b)所示。
要表示导线的型号、截面、安装方法等,可采用短画指引线,加标导线属性和敷设方法。如图1-33(c)所示,表示导线的型号为BLV(铝芯塑料绝缘线),其中3根截面积为25mm 2 ,另1根截面积为16mm 2 ;敷设方法为穿入塑料管(VG),塑料管管径为40mm,沿地板暗敷。
要表示电路相序的变换、极性的反向、导线的交换等,可采用交换号表示,如图1-33(d)所示。
一般而言,电源主电路、一次电路、主信号通路等采用粗线表示;控制回路、二次回路等采用细线表示。
为了方便看图,对多根平行连接线,应按功能分组。若不能按功能分组,可任意分组,但每组不多于3条,组间距应大于线间距。
为了便于看出连接线的功能或去向,可在连接线上方或连接线中断处做信号名标记或其他标记,如图1-34所示。
 
    图1-33 导线的表示方法
 
    图1-34 连接线标记示例
导线的连接点有“T”形连接点和多线的“十”形连接点之分。对于“T”形连接点可加实心圆点,也可不加实心圆点,如图1-35(a)所示;对于“十”形连接点,必须加实心圆点,如图1-35(b)所示;而交叉不连接的,不能加实心圆点,如图1-35(c)所示。
 
    图1-35 导线连接点表示例图
连接线可用多线或单线表示。为了避免线条太多,以保持图面的清晰,对于多条去向相同的连接线,常采用单线表示法,如图1-36所示。
 
    图1-36 连续表示法
当导线汇入用单线表示的一组平行连接线时,在汇入处应折向导线走向,而且每根导线两端应采用相同的标记,如图1-37所示。
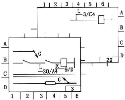
为了简化线路图或使多张图采用相同的连接表示,连接线一般采用中断表示法。
在同一张图中,中断处的两端应给出相同的标记,并给出连接线去向的箭头,如图1-38中的G标记。对于不同张的图,应在中断处采用相对标记法,即中断处标记名相同,并标注“图序号/图区位置”。如图1-38中的L标记,在第20号图纸上标有“L3/C4”,它表示L中断处与第3号图纸的C行4列处的L断点连接;而在第3号图纸上标有“L20/A4”,它表示L中断处与第20号图纸的A行4列处的L断点相连。
对于接线图,中断表示法的标注采用相对标注法,即在本元件的出线端标注去连接的对方元件的端子号。如图1-39所示,PJ元件的l号端子与CT元件的2号端子相连接,而PJ元件的2号端子与CT元件的1号端子相连接。
 
    图1-37 汇入导线表示法
 
    图1-38 中断表示法及其标志
 
    图1-39 中断表示法的相对标注