



VCU(Vehicle Control Unit)是新能源汽车整车集成管理的核心控制部件,主要功能是解析驾驶人的需求,监控汽车的行驶状态,协调BMS(Battery Management System)、MCU(Moter Control Unit)、车载充电机、DC/DC变换器等的工作(图1-21),实现整车集成的上下电、驱动控制、能量回收、通用件控制和故障诊断等功能,具体来讲包括以下内容:
1)整车能量管理。
2)高压安全监控。
3)能量回收控制。
4)整车驱动(转矩管理)。
5)高压上下电控制。
6)车辆模式判断。
7)整车热管理。
8)充电监控。
9)车辆防溜坡控制。
10)续航里程计算。
11)车辆蠕行控制。
12)升级和标定。
图1-21 VCU功能图
13)整车故障诊断及应对。
14)整车状态监控与显示。
15)车辆防盗。
16)通用件控制。
17)定速巡航。
18)其他整车自定义功能。
VCU是实现整车集成控制决策的核心电子控制单元,一般仅新能源汽车配备,传统燃油车无需该装置。VCU通过采集加速踏板、档位、制动踏板等信号来判断驾驶人的驾驶意图;通过监测车辆状态(车速、温度等)信息,由VCU判断处理后,向动力系统、BMS发送车辆的运行状态控制指令,同时控制车载通用件电力系统的工作模式;VCU具有整车集成系统故障诊断保护与存储功能。
1.工作模式
VCU一共有9个工作模式:停车状态、充电状态、起动状态(也可以称为自检状态)、运行状态、车辆前进/后退状态、回馈制动状态、机械制动状态、一般故障状态、重大故障状态。每个状态的具体含义如下:
1)停车状态:新能源汽车处于停车状态,此时系统的主继电器断电,系统中各个节点停止运行。
2)充电状态:当新能源汽车在停车状态下,插上充电插头或者按下充电按钮时,VCU控制组合仪表显示电池充电状态,并对电池工作状态进行实时监测;动力电池ECU进入充电程序,并强制切断驱动电机继电器的回路电源。
3)起动状态:在VCU确认拔掉充电插头时,转动汽车点火开关位置,这时系统中各个节点进入自检状态。
4)运行状态:转动汽车点火开关到指定位置,VCU向电机ECU发送准备开车指令;VCU收到就绪指令后,闭合主继电器,进入行车程序,同时,电池ECU进入电池管理程序。
5)车辆前进、后退状态:VCU接收变速杆位置和加速踏板位置信号,通过分析和处理,对当前车辆功率的要求和蓄电池当前的状态计算并向MCU发出信号,MCU接收到方向信号和驱动转矩给定值信号后,控制驱动电机进入运转状态,并根据方向信号确定驱动电机的转向,根据驱动转矩给定值信号确定驱动电机输出转矩的大小,控制电机的输出功率以实现动力性目标。
6)回馈制动状态:当加速踏板回零而且制动踏板处于回馈制动区时,VCU发送符合回馈制动要求的负转矩给电机ECU;电机ECU进入发电程序,动力电池ECU进入电池回馈管理程序。
7)机械制动状态:制动踏板离开回馈制动区,驱动电机ECU停止发电程序,VCU进入机械制动程序,动力电池ECU停止回馈。
8)一般故障状态:ECU检测到一般故障,VCU报警(警告灯闪烁、通过CAN总线发送相关的警告信息,通知其他的节点),整个系统降级运行。
9)重大故障状态:ECU报警(紧急情况采用紧急呼叫指令通知其他节点),必要时切断主继电器电源,系统停车。
2.控制过程
北汽电动汽车控制过程主要包含以下几方面,如图1-22所示。
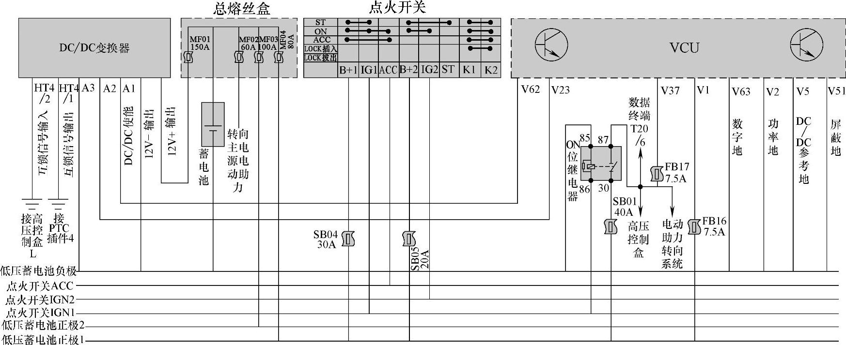
(1)车辆点火起动控制(点火开关)
点火开关打开至ON位,点火开关IGN1和IGN2上电,起动ON位继电器,继电器吸合,电流经低压蓄电池正极通过SB0140A熔丝经过继电器触点,到达FB17 7.5A,通过VCU的V37端子输入,再通过V63、V2、V5、V51搭铁流回蓄电池负极构成回路,VCU起动工作,如图1-23所示。
(2)动力电池上下电控制
当VCU监测到点火开关的ON信号后,唤醒BMS和MCU,系统首先闭合B-继电器,由于电机是感性负载,为防止过大的电流冲击,B-继电器闭合后即闭合预充继电器进入预充电状态;当预充电容两端电压达到母线电压的90%时,立即闭合B+继电器并断开预充继电器进入上电模式,如图1-24所示。
图1-22 VCU结构图
图1-23 点火开关控制电路原理图
在预充电状态下,BMS对以下项目进行检测:
1)检测高压电路绝缘是否良好。
2)电流、电压是否超载。
3)高压互锁是否完整。
4)BMS、MCU、VCU、DC/DC变换器等高压系统是否存在故障信息。
如果以上有一项检测没有通过,即断开控制继电器,停止上电模式,转入待机模式。
VCU起动后,通过V81专用导线唤醒BMS;通过V88专用导线唤醒MCU;通过V97专用导线接通动力电池总负继电器,如图1-25所示。
BMS通过新能源CAN总线传输电池电量、电压、电流、温度等数据信息至VCU;MCU通过新能源CAN总线传输电机温度、IGBT温度、高压绝缘状态等数据信息。VCU通过对这些数据信息进行判断和分析,确认数据无误,请求BMS上电。
图1-24 慢充系统上电控制逻辑图
图1-25 VCU起动电路原理图
(3)整车集成热管理控制
整车集成热管理控制是从系统集成和整体角度出发,统筹热量与电机及整车之间的关系,采用综合手段控制和优化热量传递的系统,其可根据行车工况和环境条件,自动调节冷却强度以保证被冷却对象。整车集成热管理控制广泛意义上包括对所有车载热源系统进行综合管理与优化,热管理系统主要是用于冷却和温度控制。热管理系统工作性能的优劣直接影响着汽车动力系统的整体性能。
点火开关打开至ON位,点火开关IGN1和IGN2上电,ON位继电器线圈由IGN1供电,与低压蓄电池负极搭铁构成回路,此时ON位触点吸合,电流经低压蓄电池正极通过SB01 40A熔丝经过继电器触点,再由继电器(87端子)经过FB17 7.5A熔丝流向VCU(VCU的V37端子),最终给VCU进行供电,如图1-26所示。
图1-26 冷却液泵、风扇控制电路原理图
VCU对自身的V155端子进行搭铁控制,电流由低压蓄电池正极1号经过MB0215A熔丝流向冷却液泵继电器(30端子和86端子),电流经过冷却液泵继电器的线圈后由冷却液泵继电器(85端子)流向VCU(V115端子),VCU然后进行搭铁控制,此时冷却液泵继电器的触点闭合,电流由继电器触点到达冷却液泵流向低压蓄电池负极,冷却液泵通电开始工作。
MCU的温度检测单元和电机的温度检测单元,只要其中任一收到温度过高的信号,MCU(31端子和32端子)发出起动风扇的信号,如果温度异常高(如大于80℃),会发出风扇高速运转信号,通过VCU的V104、V111端子及MCU的31、32端子所组成的CAN总线网络,最终让VCU接收,如果VCU接收到的是风扇低速运转信号,那么VCU的V117将控制搭铁,电流流向为低压蓄电池正极1流向SB0320A低速风扇继电器2(30端子和86端子),此时电流先通过继电器的控制电路(86端子流向85端子)经过VCU(V117端子)进行搭铁控制,风扇继电器2低速的触点就会接通,电流由继电器触点流入风扇1(C端子)和风扇2(C端子)同时从风扇1(A端子)与风扇2(A端子)流出回到低压蓄电池负极,此时风扇1和风扇2便会以低速运转。
如果VCU接收到的是风扇高速运转信号,那么VCU的V120将控制搭铁,电流流向为低压蓄电池正极2流向SB02 20A风扇继电器2高速(30端子和86端子),此时电流先通过继电器的控制电路(86端子流向85端子)经过VCU(V120端子)进行搭铁控制,风扇继电器1高速的触点就会接通,电流由继电器触点流入风扇1(D端子)和风扇2(D端子)同时从风扇1(B端子)与风扇2(B端子)流出回到低压蓄电池负极,风扇1和风扇2便会以高速运转。
其中冷却液泵继电器的运转只与点火开关的位置有关系,与MCU温度传感器和电机温度传感器无关,也就是说当关闭点火开关时,冷却液泵不会运转。
(4)车辆行驶方向控制
车辆行驶方向控制通过操作旋钮式电子变速杆来控制车辆的前进与后退,是使车辆正常安全行驶的重要组成系统,如图1-27所示。
图1-27 旋钮式电子变速杆电路原理图
旋钮式电子变速杆由FB24 7.5A熔丝经过旋钮式电子变速杆的B1端子流入旋钮式电子变速杆,由旋钮式电子变速杆的B7、B6、B9端子流出到负极形成回路。踩下制动踏板,制动踏板信号由V22端子流入VCU,此时旋钮式电子变速杆通过内部编码表盘,由B2、B3、B4、B5端子输出一组编码信号。VCU的V82、V90、V83、V91端子接收,经过内部处理分析识别档位,经VCU的V104和V111端子通过CAN总线将当前所处档位信息传送给MCU的31端子和32端子,MCU根据此信息控制电机的正、反转及停止。同时VCU通过原车CAN总线(V108端子和V101端子)传送档位信号至组合仪表(9端子和10端子),最后仪表就会显示当前所在的档位信息。
(5)车辆速度与功率控制
车辆速度与功率控制主要由加速踏板位置传感器决定,加速踏板位置传感器内部由2个滑动式电阻器1和2构成。其中VCU通过V9向传感器1的T6/2提供5V电源,通过T6/3端子经由VCU的V53端子搭铁构成回路。踩加速踏板,踏板位置变化,带动滑动式电阻器动作,T6/4端子电压变化,此变化电压经由VCU的V6端子输入至VCU,如图1-28所示。
VCU通过V28端子向传感器2的T6/1端子提供5V电源,通过T6/5端子经由VCU的V52端子搭铁构成回路。踩加速踏板,踏板位置变化,带动滑动式电阻器动作,T6/6端子电压变化,此变化电压经由VCU的V25端子输入至VCU。
VCU根据加速踏板位置传感器1和2的信号电压,解析当前驾驶人的速度请求,并将此请求信息转换为速度和转矩信息,通过VCU的V104、V111端子及MCU的31、32端子所组成的CAN总线网络,将此信息传送至MCU,MCU经过处理与运算,控制三相电机的通电顺序和频率,以控制电机运转的方向和速度。
图1-28 加速踏板位置传感器电路原理图
(6)CAN总线数据通信控制
CAN总线数据通信控制由刷程序CAN总线、原车CAN总线和新能源CAN总线组成,如图1-29所示。其中刷程序CAN总线由VCU和专用PC组成,一般为出厂检测时使用。原车CAN总线由VCU和组合仪表组成。
新能源CAN总线由VCU和空调压缩机控制器、BMS、数据采集终端、车载充电器、高压控制盒、空调控制器、电动助力转向系统和MCU组成。其中空调压缩机控制器向外传送压缩机转速信号、电压信号、电流信号和温度信号;BMS向外传送动力电池电压信号、电流和温度信号;数据采集终端将采集的所有信号传送出去;车载充电器可以向外传送充电时的电压信号和电流信号;高压控制盒向外传送高压信号及电流信号;空调控制器向外传送温度信号、档位信号、电压信号和电流信号;电动助力转向系统向外传送方向信号、电压信号和电流信号;MCU向外传送电机的转速信号、电压信号、电流信号和温度信号。
信号传送到VCU后通过原车CAN总线传送给组合仪表,在组合仪表上部分显示(如电量提示)。
(7)车辆充电控制
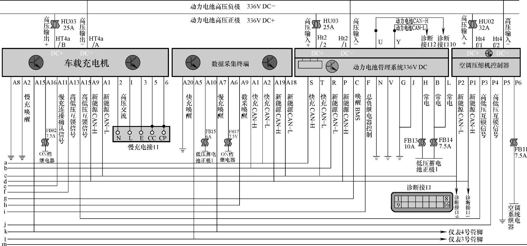
北汽电动汽车充电系统分为慢充系统和快充系统,慢充系统由慢充接口、车载充电机、高压分配盒、VCU、BMS组成,通过慢充连接确认电路、慢充唤醒电路、BMS唤醒电路、总负继电器控制电路、新能源CAN总线电路以及充电接口内充电连接确认CC电路、充电控制CP电路等进行控制及信息传递;快充系统由快充接口、高压分配盒、VCU、BMS组成,通过快充连接确认电路、快充唤醒电路、BMS唤醒电路、快充总负继电器控制电路、总负继电器控制电路、快充CAN总线电路、新能源CAN总电线路以及充电接口电源电路等进行控制及信息传递,如图1-30所示。
图1-29 VCU数据通信电路原理图
图1-30 VCU充电控制电路原理图
图1-30 VCU充电控制电路原理图(续)
(8)车辆制动真空泵控制
车辆制动真空泵系统由制动真空罐、制动真空泵和真空压力传感器组成,其中制动真空罐主要是储存真空,真空压力传感器主要是用来检测真空压力,制动真空泵主要用来抽取系统空气建立真空。整体系统主要是用来帮助驾驶人更省力地操作制动踏板,提高制动效果,降低驾驶人的操作强度。
当将点火开关置于ON位时,VCU通过端子V3给真空泵进行供电,电流流进制动真空泵电机,最后经搭铁流回电源负极,真空泵运行。真空压力传感器通过VCU的V92端子供电,经V50端子搭铁,真空压力传感器通过VCU的V27端子将检测到的真空压力信号输入至VCU。当传感器信号电压降低至设定安全值时,VCU即确认当前系统真空度正常,VCU内部电路停止通过V3端子给真空泵进行供电,真空泵停止运行;当传感器信号电压升至设定警告值时,VCU即确认当前系统真空度异常,内部电路接通,通过V3端子给真空泵进行供电,真空泵运行,再次建立真空,如图1-31所示。
(9)DC/DC变换器控制
北汽电动汽车为纯电动汽车,因车辆没有第二电源发电机,需要将动力电池的高压直流电转换为车辆其他单元和所需要的低压直流电,即12V,所以车辆装备了DC/DC变换器,如图1-32所示。
当点火开关置于ON位时,VCU(V62端子)发出一个+B信号到DC/DC变换器(A1端子),DC/DC变换器接收到此+B信号后,接通DC/DC变换器内部功率转换单元,将动力电池的336V高压直流电转换为14.5V左右的低压直流电,通过专用电缆输送至低压蓄电池和其他用电设备。
(10)车辆空调系统控制
车辆空调系统是实现对车厢内空气进行制冷、加热、换气和空气净化的装置,它可以为乘车人员提供舒适的乘车环境,降低驾驶人的疲劳强度,提高行车安全。空调装置已成为衡量汽车功能是否齐全的标志之一。
点火开关打开至ON位,点火开关IGN1和IGN2上电,ON位继电器线圈获得经由IGN1的电流,与低压蓄电池负极进行搭铁构成回路,此时ON位触点吸合,电流经低压蓄电池正极通过SB014 0A熔丝流过继电器触点,再由继电器(87端子)经过FB17 7.5A熔丝流向VCU(VCU的V37端子),最终给VCU进行供电。
图1-31 车辆制动真空泵控制原理图
图1-32 DC/DC变换器使能电路原理图
VCU(V121端子)给空调系统继电器进行控制搭铁,电流由低压蓄电池负极流向FB08 10A到达空调继电器线圈回到VCU(V121端子),VCU控制搭铁后,空调系统继电器主供电电路便接通,电流由熔丝FB11 7.5A流向空调压缩机控制器(P6端子)、空调控制器(A2端子)和高压控制盒(4端子),空调压缩机控制器、空调控制器和高压控制盒起动工作,如图1-33所示。
图1-33 VCU空调控制电路原理图