



欧洲史前雕刻 |
|
动物形象是旧石器时代晚期最重要的表现对象,克罗马农人、格里马迪人、尚塞拉德人都是狩猎者,他们当时的食物来源主要是那些寒冷时期的动物,西欧动物以驯鹿为主,其次是野马与野牛;而中、东欧则以猛犸象为主。捷克的普尔热德莫斯特遗址中曾出土了一千具左右的猛犸动物化石,而法国的一个梭鲁特文化遗址则出土了一万具野马骨骼。这些旧石器晚期的狩猎者们,对表现动物显示出极大的热情和高超的写实技巧,一些动物雕塑如此逼真生动,让人很难相信这些艺术品会是公元前2万年时早期人类的创造物。
旧石器时代晚期的动物雕刻主要有以下几种类型:1.在骨片、角器、石片或卵石上线刻的动物画;2.小型动物圆雕;3.装饰在骨投掷器端头上的动物圆雕;4.岩洞深处较大的动物浮雕形象。这四种动物雕塑包括了圆雕、高浮雕、透雕及线刻多种形式,其中前三种都可归类于“独立艺术”(可移动艺术),只有第四种属于“岩洞艺术”形式。
独立的小型动物圆雕数量很少,尤其在西欧更不多见,但在中欧、东欧有较多的发现,表现的动物多猫科动物,也有熊、马、犀牛、鸟等动物。发现数量最多的是俄罗斯。这类动物雕像一般用质地较软的岩石雕刻而成,往往不刻出动物的头部,有趣的是同样的情形也出现在西欧的岩洞艺术中,这里相当多的动物岩刻(刻画在岩壁上的动物)也同样没有头。无头动物的雕塑很可能代表着某种巫术的愿望。不过西欧发现的小型动物圆雕,形象还是比较完整的,动物头部得到了完美的表现,出土于德国西南部沃格哈尔特(Vo·gelherd)遗址的象牙圆雕《小马》,代表着奥瑞纳文化时期动物雕塑的杰作,这匹总长不过6厘米的象牙雕塑上,五官与鬃毛都被精心雕琢出来,在小马的身上有若干被砍过的痕迹,臀部还有一个记号,这种记号通常被认为是施加巫术后保留下来的印迹。
德国活格哈尔特出土的象牙雕塑“小马” 奥瑞纳文化时期 约公元前28000年前后
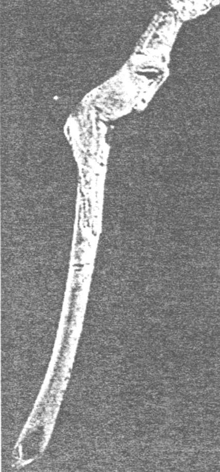
马格德林时代的小型动物圆雕,一般都用来装饰骨投掷器或其他工具,虽然是用作器具的装饰,但这些动物雕塑写实技巧的高超娴熟令人叹为观止。法国布留涅契尔(Bruni·quel)出土的以“跃马”作为装饰的矛棒,自应当是马格德林文化的代表作之一,动物与器物的关系处理得浑然一体,奔驰腾跃的马的形象如此准确生动,显示出旧石器时代欧洲原始艺术家们对动物观察得深入仔细。《小羚羊》是另外一件马格德林文化的杰作,这也是一件投掷矛棒,在掷矛的顶端装饰着一只回首顾盼的小羚羊,它惊奇地发现在它的尾部栖息着两只可爱的小鸟。整个雕塑构思新颖,妙趣横生。《回首的野牛》也是一件投矛器的装饰动物雕塑,虽然矛棍部分已残缺,但动物装饰的部分保存尚好,野牛的表现遵循着冰河时代写实主义的艺术表现传统,但在野牛鬃毛的处理上却显示出对装饰性的偏好。
线刻动物形象在欧洲旧石器时代可能是数量最为庞大的一类,最早的线刻动物图像可追溯到8万年以前,而在奥瑞纳文化初期,这种艺术形式似乎已相当流行,到了马格德林文化时期,线刻动物作品发现之多,已超过数百例。这类线刻动物是使用雕刻器在一些质地较软的石板、卵石、骨片或角器等材料上,以线条的方式,刻画出动物的图案,刻画的动物种类较多,有野牛、马、驯鹿、赤鹿、山羊、猛犸象、熊、羚羊、犀牛和狐等。通常,线刻画以表现动物为大宗,但偶尔也会出现一些人物的形象,有女人,也有男人(值得特别注意的是欧洲旧石器时代艺术中很少出现男人的形象),另外还有一些人的手印和有特写含义的符号。这些符号的内容很复杂,其中可能有一些代表着男女两性的性器官。这类线刻动物图案真正的艺术魅力,主要表现在其线条本身的造型能力上。《群鹿涉水图》出土于法国洛西特(Lorther),图案被刻画在一个筒形权杖上。艺术家捕捉到一群鹿正涉水的瞬间过程,它们的造型各异,彼此呼应,呈现了一幅十分生动的画面,最有趣的还是创作者用几条穿梭于鹿腿之间的鲑鱼来表现河水的深度。
一根骨头权杖上的蛇图形,造型之准确,刻画之精细,同样堪称冰河时代艺术的杰作,这是一根带穿孔的驯鹿骨棒,很可能是一根权杖,骨棒的一面刻画了两条蛇,蛇身上的花纹相互区别,另一面刻画着海豹和鱼的纹饰。在法国拉·科隆比耶尔(LaColomBiere)发现的线刻卵石画,看上去更像是绘画训练用的草图,杂乱无章的线条中可以见到一匹造型准确的马,尽管线条有些凌乱,但原始艺术家对线条的表现力显然已颇有心得。
装饰有跃马动物雕塑的矛棒法 国布留涅契尔出土
回首的野牛 投掷矛装饰动物 法国多尔多涅地区的马德莱纳出土 马格德林文化时期
大型的动物浮雕大都被雕塑在洞穴黑暗的深处,有些则在露天崖凹处,这类动物浮雕留存下来的数量较少,很可能是制作它们的原料大多为泥土,而泥质雕塑一般是不太容易被保留下来的。比较著名的艺术遗存有比利牛斯山脉的蒂多杜贝尔洞内的两头野牛形象,它们用黏土塑成,一牝一牡,每具动物长60公分,比例精确。在捷克斯洛伐克摩拉维亚地区的布吕思地点发现的动物塑像,是由骨粉和泥土混合制成的,还像陶器那样用火烧制过。当然也有直接在洞穴的岩壁上塑造的动物浅浮雕,法国多尔多涅地区的勒·弗尔诺·杜迪亚岩壁上雕刻的一对野牛浅浮雕,与泥塑野牛的造型同样肥硕结实,它们的身上有一些人为砍砸的痕迹,显然,制作它们的目的是为了实施狩猎巫术的目的。
群鹿涉水图 法国洛西特出土 马格德林文化时期
动物题材是欧洲冰河时代艺术最重要的表现主题,这是因为狩猎时代人们的主要食物来源就是这些寒冷地区的动物,人们表现动物也大多出于狩猎巫术的目的,正是因为这个原因,人们很少表现人类自身。如果说当时也有人物雕塑,那么制作这类人物雕塑的目的一定与动物雕塑不同。
冰河时代的人物雕塑几乎全是女性,而且几乎全部是同一种造型概念的女性。它们的突出特点是刻意表现出女性丰满而突出的乳房;肥硕夸张的腹部和臀部;一般会省略双臂或雕刻得很模糊(除了需要一只手来握持牛角类的圣物外);大腿部分多形成倒三角形,部分省略下肢的小腿部分;头部表现非常概念,通常只刻画出一个概括的球状物,面目不清,不见五官表现,但有些作品会非常刻意地表现发辫,发辫或者盘绕在头部,或散落在肩部。很显然,这类女性圆雕最突出的特点便是对女性生殖能力的表现。考古学家通常将这类女性圆雕称为“维纳斯”,即古罗马心目中的“美与爱的女神”,也许称它们为“母神”更为贴切准确。这类小型“母神”雕塑的体积不大,一般高约5~10厘米,大的不会超过15厘米,所用材料大都是柔软的石灰石和泥灰石,也有用象牙或骨制的,例如出土于意大利格里马迪洞穴的一尊母神像是由驯鹿角材料制成的,而同洞穴出土的另外一些母神圆雕,却是用绿色滑石和黄色滑石制作的。
双牛泥塑浮雕
这类母神小雕塑在欧洲有近百个雕像和残片出土,但多数情况下保存状态不好,据考证,它们最早出现于奥瑞纳文化的中期。早期的母神圆雕像的表现手法写实,但技法不够成熟,但到了奥瑞纳文化后期,一些母神小雕像已经相当杰出。其代表作为著名的维伦多夫母神像和乌克兰的嘎嘎利诺母神像。此时母神雕像的制作已趋向于风格化,女性的乳房、腹部与臀部得到更为突出的夸张渲染。到了马格德林文化时期,这种风格化的表现几乎被推到了极致。
“维伦多夫的维纳斯”奥瑞纳文化时期 奥地利维伦多夫出土
奥地利维尔多夫地区出土的奥瑞纳文化时期的母神雕塑,又被称作《维伦多夫的维纳斯》是同类题材雕塑中艺术表现最为成熟的造像,高11厘米,石灰石雕成。裸体而丰满,与生育相关的女性特征极为突出与写实,但与之无关的头部及肢体往往概括处理。头部没有五官的描写,浓密的卷发掩盖了大部分脸庞,波浪状的发辫似乎是盘绕着的长辫,整个塑像的造型仿佛是由若干个大小不等的球体构成,各个球体依据人体不同部分的生理特征有序地组合统一,给人的视觉印象厚重单纯,有很强的体积感,不愧为人类雕塑艺术史中的杰作。值得注意的是《维伦多夫的维纳斯》的表面有曾经涂过红色颜料的痕迹,同样的情形还出现在著名的《手持角杯的维纳斯》的岩石雕刻上。
严格说来,《手持角杯的维纳斯》虽然现在已被剥离下来,但最初它应当属于“岩壁艺术”,而不是如前所述的那些可以被随身携带的“可移动”的小型母神塑像,该作品的发现地在法国劳塞尔岩棚,被认为是奥瑞纳文化晚期的艺术遗存。这件作品与那些小型母神雕刻所不同的是雕像的右手持一角状器,左手搭在隆起的腹部,她的造型理念与冰河时代的其他女性雕像是相同的,所不同的是她手中的角状器,人们猜想这个角状器应该是巫术操作时所用的圣物。这尊浮雕的表层也曾经被涂成了红色。由此看,这类被涂成红色的女性雕像,无论它是圆雕还是浮雕,都应该是被人们所崇拜的对象,可能具有某种神圣的意义。也有研究者认为,母神雕刻本身也是出于一种巫术的目的,但这是出于生殖崇拜的需要,这些丰乳、肥臀、鼓腹的女性形象,在原始人的心目中,当是生育之女神,丰产之女神,自然也是当时人们心目中最美的和最有意义的形象。
佩戴手镯的母神像 俄罗斯科斯坦吉遗址出土 长13.5厘米 冰河时代艺术遗存
事实上,母神崇拜在人类早期是一个具有普遍性的现象,在中欧、东欧及俄罗斯均有发现,不过,造型与西欧所发现的尚有一些区别。俄罗斯出土的一尊母神像,只剩下滚圆的腹部,她的两手放在腹部,手镯的形状完整地保存了下来,雕像本身被打磨得十分光滑。捷克摩拉维亚的多尔尼·维土多尼斯出土的象牙雕刻,虽然可能表现的是同一主题,但在表现方式上却具有更为抽象的意味。一尊雕刻像呈现为棒形,只表现女性的胸部;另一象牙雕刻则把表现重点放在臀部,雕像用一个叉形完成了对女性生殖力的强调。
“手持角怀的维纳斯”奥瑞纳文化时期 高44厘米 法国多尔多涅省劳塞尔遗址出土
欧洲岩画有广泛的分布,岩画的年代可分为两个主要的系列:第一个系列是旧石器时期晚期(公元前35000—公元前10000年)的岩画艺术系列,主要表现为冰河时代的洞穴岩壁画艺术形式,它最早出现于旧石器中期末的莫斯特文化时期,距今约35000年,然后在旧石器晚期的奥瑞纳文化时期走向繁荣,而在马格德林时期达到其艺术的顶峰。大致在距今10000年前后,欧洲岩洞内的岩壁画艺术逐渐消失。第二个系列是中石器时期、新石器时期及青铜时代的欧洲岩画系列,这个系列的岩画艺术,无论是存在地点,还是作画的手法,乃至表现的内容题材,都与冰河时代的洞穴岩壁画艺术形成了明确的区别,它们是大致开始于距今10000万年前后,延续至新石器时代以至铜铁时代的欧洲岩画文化系列。
欧洲旧石器时代洞窟艺术的发现,主要集中在法国西南部和西班牙北部的法兰克—坎塔布利亚地区,另外在西班牙南部、意大利半岛南部和西西里也发现了一些有壁画的洞穴,而在俄罗斯乌拉尔地区发现的洞穴壁画年代还相当的早。不过,由于旧石器晚期岩壁画艺术在法国南部和西班牙北部的发现数量最多,发现的年代又是最早的,因此习惯上,人们常常也将欧洲冰河时代洞穴岩壁画称作“法兰克—坎塔布利亚洞窟崖壁画艺术”。
最早的岩壁画只是洞窟内的一些指痕,可能是模仿熊爪痕留下的,这种指痕一般被称作“意大利空心粉”线条,它们最早发生在莫斯特文化时期,这一时期的洞穴壁画是一些形象不明的符号与手印,到了奥瑞纳文化时期,从“意大利空心粉”指痕里逐渐发展出一些粗略的动物形象。
法国著名考古学家步日耶认为这些线条与符号当是最早的艺术痕迹,至于手印岩画,也是旧石器时代晚期出现较早的岩画题材,手印岩画几乎遍布世界各地,它们更像是一种符号,通常具有巫术的意义,它很可能象征着占有。步日耶将洞穴岩壁画分成两个系统:一个是早期的奥瑞纳—佩里戈德系统;另一个是后期的梭鲁特—马格德林系统;事实上,早期的洞穴岩画大多为奥瑞纳文化时期的产物;而后期则主要集中在马格德林文化时期。奥瑞纳时期的洞穴岩壁画早期主要是一些动物轮廓的线条及潦草的人物图形,这时也出现了一些彩画,却是用手指蘸着颜料画成的动物轮廓,动物形象比例与细节的掌握尚显稚嫩。但到了奥瑞纳文化晚期,岩壁画作者已经能够相当生动地表现动物的动态,并往往在需要强调的部分加上更深一些的刻线。
欧洲旧石器时期手印岩画
早期动物只勾勒出租拙的轮廓,到了中后期,动物造型逐渐精确,表现手法日益丰富,马格德林文化时期的洞穴岩壁画,用多种色彩绘制出富有体积感、透视准确的大型动物形象,艺术家常常将石壁上天然隆凸出来的块面来表现动物的体积,一些动物的躯体上还加上了阴影的表现,例如用黑色作为阴影来强化体积的表现。马格德林后期洞穴壁画以其宏大的规模,雄伟的气魄,成为旧石器时代晚期最有代表性的作品。洞窟岩画的艺术风格,是自然主义的,洞窟岩画往往处于洞窟的深处。洞窟岩画的题材以动物为主,几乎全是巨大的食草动物。动物主要是欧洲野牛、野马、野羊、猛犸、犀牛、鹿类等动物。其实当时人们的食物很大程度依赖于驯鹿,且驯鹿的角、骨、皮、肉、血都被广泛地利用,但驯鹿的形象却极少见于冰河时代的洞窟岩壁画。研究者认为,被经常描绘在岩壁上的动物,大多是需要人们付出较大的努力才能够获得的动物类型(如野牛、野马、猛犸、犀牛等),这类动物被描绘在岩壁上的目的也是出于巫术操作的目的。许多洞窟岩壁画都可以看到,动物被画好之后,身上有矛戳箭射过的痕迹,一些动物身上还被刻画上箭镞、矛头或陷阱。比较而言,驯鹿是当时的欧洲人很容易捕捉到的动物,驯鹿有季节迁徙的习惯,人们只要等候在它们成群迁徙的途中,便可轻而易举地捕捉到它们,它们甚至可能都不能算作是真正意义上的猎物。
公牛 法国南部肖维洞穴动物岩洞 前3万年 奥瑞纳文化时期
法兰克—坎塔布利亚洞窟崖壁画一般的特点是:单个的动物形象,没有组成场面,动物的形体画得很大,甚至和真的一样大;此外则是手印和几何图形;人物出现得很少,画得也是小而丑,与精美的动物图像形成鲜明的对比。
1.西班牙阿尔塔米拉洞穴壁画
阿尔塔米拉在西班牙的桑坦德附近,它最初是由当地一位名叫索图拉的绅士发现的,这次发现说起来还真有些偶然性。1879年的夏天,索图拉带着他的小女儿来到阿尔塔米拉洞穴,他是一位业余考古爱好者,才从巴黎回来,对巴黎世界博览会上展出的欧洲冰河时代小型动物雕塑非常感兴趣,他到这个洞窟也是为了寻找旧石器时代晚期的那些可以携带的小型动物雕塑。不久,正在工作的索图拉被女儿的哭声惊动了。原来在一边玩耍的小女孩被突然抬头看见的巨大野兽图形给吓哭了,小女孩指着洞窟的顶部大叫着:“看哪!爸爸。”就这样,一个伟大的发现在这位小女孩的惊叫声中完成了。
索图拉终于看到了阿尔塔米拉洞窟前厅顶部的那些巨大的动物岩画。试想,如果不是一个孩子很偶然地向上的这一瞥,而夕阳又正好在此时照进了洞窟内,这个洞窟岩画的发现可能又会与人失之交臂,索图拉虽然对冰河时代的艺术有浓厚的兴趣,他也在这个洞窟口的堆积物处找寻过若干次,但他一直没有发现这个洞窟内的动物岩画。后来,当他打着火把向洞窟的深处探寻时,又发现了洞窟内的其他动物岩画。冰河时期的人们绘制这种动物图像,一般习惯选择黑暗的洞穴,岩画通常被画在离洞口很远的洞窟深处。索图拉被这些生动而逼真的动物图像震惊了,这一自然主义的写实风格,使他意识到,洞窟动物岩画与那些小型动物雕塑应当属于同一个文化时期。索图拉是第一个把这个洞穴的岩壁画的年代,确定为遥远的旧石器时代的人。遗憾的是,他这个有历史意义的重大发现,被拖到20多年以后,才被人们接受。
野马 法国洞窟岩壁画 马格德林文化时期
洞窟中除了这些非常写实的动物作品之外,还有许多抽象的图形。在大壁画中的动物形象旁边有许多划道和图形符号,有些是用浓重的红色画出来的,还相当大。这些抽象的符号和图形同样存在于欧洲所有的旧石器时代的洞窟壁画中,它们体现了原始人类企图征服野兽的愿望,与狩猎的巫术有关。
窟顶画中有两只凶猛的野牛,负伤后它们的身躯卷缩成一团,外轮廓被处理为稳定的三角形状,抽搐的四蹄,甩动的尾部,斜刺如剑的双角,以及直竖的耳朵,将野牛处于生命的最后时刻,困兽犹斗的习性表现得惟妙惟肖。野牛倒在地上两腿无法站立起来,却力图低下头来保护自己,这里极为生动的画面使我们吃惊的不仅是画家敏锐的观察力,还有那生动有力的线条以及控制得很好的光影,使动物的体积感很强。这样的描写表现出动物的尊严与力量,它为生命的最后一刻在挣扎;虽然不是每一个细节都画出来。但却给人极其深刻的印象。我们从中可以看出,原始艺术家对于动物深入敏锐的观察力,以及怎样恰当的选择表现方法。
西班牙阿尔塔米拉洞窟窟顶崖壁画,观赏者必须躺倒,才能欣赏到它们的全部。
欧洲旧石器时代洞窟崖壁画最显著的特点是;1.写实的大型动物形象;2.形象之间没有相互的联系:3.各种抽象的符号。这些特征在西班牙阿尔塔米拉洞窟崖壁画中体现得最为鲜明。
2.法国海底科斯凯洞窟
科斯凯洞窟位于法国南部悬崖壁立的索米欧湾,洞窟进口处是在水下36米处。先是一条宽3~5米、长200米的通道,连接着有一个半没入水中,一半露出水面的洞窟。这个已经被海水浸泡了一半的古老洞穴内,便保存着欧洲冰河时代的手印、动物岩画,其最早绘制岩画的年代早至公元前26,000年前,该洞窟岩画的考古年代之所以能够确定,与远古时期欧洲气候的变迁相关。第四纪末期,地球还被巨大的冰川所围困的时候,欧洲当时的海平面要比现今低100~120米之多,因此当时这个洞窟曾经是史前人类活动的场所,当时的人们是从悬崖顶端攀援而下进入洞穴的。随着冰河时代的结束,欧洲大陆气候变暖,冰雪融化,海平面上升,海水逐渐浸入这些洞窟,而那些创作于旧石器冰河时代的古老岩画也就这样保存下来。
对洞窟的初步考察,发现岩画属于两个不同时期:旧石器时代的人们开始使用这个洞窟是在公元前的26000年前后,最初,他们只制作空心的手印和勾画的指槽;第二期始于公元前17000年前,这时或涂绘或凿刻动物形象的几何符号。
科斯凯洞窟内景,洞窟的岩壁上保存着世界上最古老的洞窟艺术——手印。科斯凯洞窟岩画中像企鹅似的海鸟,属于海雀科,现已灭绝,说明旧石器时代的地中海比现在要寒冷。洞窟内的鱼类图像也属于第一期的岩画。
法国科斯凯洞窟古人类第二次进洞时所画的马,距今约18000年。一些野山羊岩刻,头和角是正面的,身躯则是侧面的,旧石器时代晚期动物壁画中流行的“转头透视”规律,也同样存在于科斯凯洞窟的动物岩刻画里。对冰河时代的洞窟岩画,人们一般更多地注意那些绘制在壁面上的动物绘画,却忽略了洞窟内的动物岩刻图案,其实岩刻经常会与岩壁画共存,有个别洞窟的动物图像甚至全部都是岩刻而成的,法国科斯凯洞窟里的岩画也是岩刻与岩画共存着的。
3.法国哥摩洞窟崖壁画
哥摩洞窟在离洞口不远就开始作画,也同样是以动物为主,哥摩洞窟的形象与色彩都很柔和,洞窟内的岩画所表现的动物,以长毛象为多,但也有一些人物形象:一种只是头部,像是面具;另一种则只是躯干。动物的造型非常逼真,表现技巧也很高,但人物形象的描绘不仅丑陋而且很概念化。人物中,比较强调与女性生殖有关的臀部等,这一点与旧石器时代晚期雕塑艺术是相同的。哥摩洞窟的年代约在距今12000~14000年之间。
哥摩洞窟岩画的特点,并不仅是在技术方面,而且在表现方面的力度上与动物的神态上,其艺术表现能力之强是可与阿尔塔米拉洞窟崖壁画相媲美的。窟内最好的画是一系列的彩色野牛,先用棕红色打底子,再用黑色加以渲染,为了强调,还在牛角、脊背、眼睛等处进行刻凿,这些用多种技巧所创造的生动的艺术形象,使哥摩洞窟成为拥有许多杰出动物画的画廊。
4.拉斯科洞窟崖壁画
拉斯科洞窟位于法国多尔多涅省蒙尼克镇附近,是韦泽尔河谷中的一座洞窟。1940年,法国的4位少年在此地玩耍时偶然发现了这个洞窟,而在此之前,它的存在几乎不为人所知。自远古起,它的洞口就被障碍物全部堵塞住,一直到现在洞口也还没有找到,4个孩子是从上面挖开了洞顶才爬进去的,他们的狗在那里丢失,他们以为拘掉进了这个洞窟。
洞窟因石灰岩缝隙水流的浸透,在地质年代的第三纪时逐渐形成了一个大型岩洞,其中包括著名的野牛大厅,和一些陡峭的走廊,这里面装饰着大约1500个岩刻和600个绘画,有红的、黄的、棕的和黑的等多种颜色。
绝大多数的岩画描绘的是动物,有野牛、马匹、红鹿和野山羊,还有一些意义不明的圆点和几何图形。在野牛大厅里,野牛5米长,有的甚至还更长一些。在这样垂直崖壁上作画,肯定要使用梯子和架子,事实上,人们已经发现了安装架子用的插洞。
野马壁画 法国哥摩洞窟岩画 公元前12000—14000年
拉斯科洞窟地面上还发现了作画用的木炭、颜料和雕刻工具等,经碳14测定,这个洞窟的使用年代大约在公元前15000年前后,绝大多数的岩画作品当归属于这个时候。
拉斯科洞窟崖壁画给人的印象是线条很粗,且气势很大,动态的强烈使之与阿尔塔米拉的静态形成强烈对比。画面已经出现构图,或称之为构图意识。例如前洞的6只大牛,就组成圆圈,朝一个方向奔跑,似乎表现了某个场景;此外,还有许多符号,其中有一种研究者认为是陷阱的符号。法国哥摩洞窟也有许多符号,其中房屋形的符号最为引人瞩目,而且往往画在动物的身上。拉斯科洞窟壁画中的马,最令人瞩目的是所谓“中国马”,因为它的形体颇似中国的蒙古马种,那马正处于怀孕期,研究者们认为,这匹马的绘画可能与祈求增殖的观念有关。在造型上,拉斯科洞窟岩画的动物图案轮廓肯定,线条流畅,比例适当,特别值得注意的是艺术家们在制作时,很巧妙地利用岩石的高低变化与雕画结合等不同手法,尽管动物图形采用的是单色平涂,却取得了立体效果,反映出拉斯科岩画在色彩的处理方面有它的独到之处,马的躯干以大面积的明亮黄色平涂之,马鬃则涂成黑色,黄与黑两色形成明亮的对比关系。当我们想到原始艺术家是用粗笨的打制石器,和在简陋的燃烧油脂物的照明条件下完成这些壁画的,则会更加由衷地敬佩他们高超的技艺了。
四头长着高度夸张的角的鹿,疾驰在拉斯克的一面石壁上,在表现它们时使用了红色、黄色和更多的黑色点染出轮廓。洞穴艺术家们用有色的土和石头研磨成粉末状,然后用水调剂成液态或膏状的颜料。
一幅名叫《鸟头呆子》的作品,画的是一头野牛正冲向一个鸟人,鸟人附近有一只鸟站立在枝头,野牛身上则已被一枝矛刺穿了,腹下流出大量的肠子。学者们认为这幅作品可能是在表现某种观念。有人认为是伪装成动物的猎人,也有人认为是巫师,正在为获取狩猎的丰收施行巫术。野牛头部前面的鸟人,与野牛的写实性手法相比较,显得更加符号化,他的头部呈现为鸟头(也许戴着鸟冠),右手握着顶端呈钩状的工具,可能是矛棒或标枪,双手各生长着四个指头,脚下还残留着矛捧的断片,这画可能有纪念性的目的,更有可能是与巫术的实践相联系着,类似的画例不仅在其他洞窟岩画中可以看到,在稍后时代的非洲岩画中也能见到。
“中国马”拉斯科洞窟壁画 马格德林文化时期
5.尼奥洞窟
尼奥这个巨大的洞窟俯视着法国南部的比利牛斯山山谷,当地居民从17世纪起就曾访问过它,把他们自己的名字写在洞壁上。1866年人们再次发现了这个洞,但仍未认识到它的重要性,40个年头过去了,1906年,当冰河时期艺术的可靠性被证实之后,人们才重新认识到尼奥洞窟内用黑色线条绘制的绘画,亦当属于旧石器时代的遗存。尼奥洞窟的岩画更多地表现了人类的理想、企盼和追求,洞窟中“黑厅”的音质效果非常特殊。可能是原始人举行祭祀歌舞、驱邪治病等活动的盛大仪式的场所。
以洞窟的形制与规模来说,尼奥洞窟堪称洞窟艺术之最,尼奥的洞很大,比其他几个洞窟都大,而且洞窟内的形状富于变化,岩画被画在洞窟的深处,距离洞口长达1800米处才开始出现动物岩画。洞内钟乳岩形成的石笋,像一根根顶梁柱那样直立其间。尼奥洞窟里的野牛岩画,用碳放射性同位元素测定为距今12,890年±160年。
尼奥洞窟中最有研究价值的,是这一头野牛身上绘有红色矢状的记号。在旧石器时代尚未发现过弓箭,画中的矢状形多数学者认为是有钩的鱼叉。此外,在左侧洞壁上还画了许多的野牛,有的野牛旁还绘有不同排列的圆点与圆圈,其中还有棒状形物体,这些符号很可能体现了人类企图征服野兽的愿望。
中箭野牛与红色箭头 尼奥洞窟岩画马格德林文化时期
法国尼奥洞窟内的岩画表现的是符号与野牛,用红色或棕色画成的圆点、线条和工具,看起来似乎是遵循一种有意识的顺序。欧洲旧石器时代的洞窟壁画并不单纯表现动物,从图像的角度看,出现最多的是符号图像,例如点和掷棒等符号图形。这些符号图形有时表现为单体;有时成组表现,就是把一些几何图形或多或少地加在一块组合。尼奥洞窟内的岩画也具有相同的特点,它的符号图案要比动物形象出现得多这些符号大多数是用红色,此外用黑色。在尼奥有一半的符号是线和掷棒,其他是点,有角符号,和一些圆圈。当这些符号与动物联系起来时,解释为箭头或伤痕。在澳大利亚的岩画中棒状物也一再被发现,形状上的同一性令人惊奇。
动物与符号 尼奥洞窟岩画 马格德林时期