



2.3.1 速度传感器
1.电磁式速度传感器
根据电磁感应定律,当永久磁铁从线圈旁边经过时,线圈便会产生一个感应电势。如果磁铁经过的路径不变,那么这个感应脉冲的电压峰值与磁铁运动的速度成正比。因此,我们可以通过这个脉冲电压的峰值来确定永久磁铁的运动速度。把永久磁铁固定在被测物体上就可测得物体的运动速度。
电磁式速度传感器的电原理如图2.26所示;它由永久磁铁和线圈等构成。永久磁铁和运动物体相连,线圈处于固定状态。
图2.26 电磁式速度传感器电原理图
2.磁电式转速传感器
磁电式转速传感器的结构,如图2.27所示:它由永久磁铁、感应线圈、磁轮等组成。在磁轮上有齿形凸起,磁轮装在被测转轴上,与转轴一起旋转。当转轴旋转时,磁轮的凸凹齿形将引起磁轮与永久磁铁间气隙大小的变化,从而使永久磁铁组成的磁路中磁通量随之发生变化。磁路通过感应线圈,当磁通量发生突变时,感应线圈会感应出一定幅度的脉冲电势,其频率为
图2.27 磁电式转速传感器结构
式中, Z 为磁轮的齿数; n 为磁轮的转数。
根据测定的脉冲频率,即可得知被测物体的转速。如果磁电式转速传感器配接上数字电路,便可组成数字式转速测量仪,可直接读出被测物体的转速。这种传感器可以利用导磁材料制作的齿轮、叶轮、带孔的圆盘等直接对转速进行测量。
特别提示
磁电式转速传感器输出的感应电脉冲幅值的大小取决于线圈的匝数和磁通量变化的速率。而磁通量变化的速率又与磁场强度、磁轮与磁铁的气隙大小及切割磁力线的速度有关。当传感器的感应线圈匝数、气隙大小和磁场强度恒定时,传感器输出脉冲电动势的幅值仅取决于切割磁力线的速度,该速度与被测转速成一定的比例。当被测转速很低时,输出脉冲电势的幅值很小,以致无法测量出来。所以,这种传感器不适合测量过低的转速,其测量转速下限一般为50r/s左右,上限可达数十万转/秒。
3.光电式转速传感器
光电式转速传感器又有两种:直射式光电转速传感器和反射式光电转速传感器。
1) 直射式光电转速传感器
直射式光电转速传感器的结构如图2.28(a)所示。它由开孔圆盘、光源、光敏元件及缝隙板等组成。开孔圆盘的输入轴与被测轴相连,从光源发射的光,通过开孔圆盘和缝隙板照射到光敏元件上,被光敏元件所接收,将光信号转换为电信号输出。开孔圆盘上有许多小孔,当开孔圆盘旋转一周,光敏元件感光的次数与盘的小孔数相等,因此产生相应数量的电脉冲信号。因此,可通过测量光敏元件输出的脉冲频率得知被测转速,即
图2.28 直射式光电转速传感器原理与结构
n = fN
式中, n 为转速; f 为脉冲频率; N 为圆盘开孔数。
这种结构的传感器由于开孔盘尺寸的限制,其开孔数目不可能太多,使应用受到限制。为了增加圆盘的开孔数目,目前多采用图2.28(b)所示的结构。图中指示盘与旋转盘具有相同间距的缝隙,当旋转盘转动时,每转过一条缝隙,光线便产生一次明暗变化,使光敏元件感光一次。用这种结构可以大大增加了转盘上的缝隙数,使每转的脉冲数相应增加。
2) 反射式光电转速传感器
反射式光电转速传感器结构如图2.29所示。它由红外发射管、红外接收管、光学系统等组成;光学系统由透镜及半透镜构成。红外发射管由直流电源供电,工作电流为20mA,可发射出红外光。半透镜既能使发射的红外光射向转动的物体,又能使从转动物体反射回来的红外光穿过半透镜射向红外接收管。测量转速时需要在被测物体上粘贴一小块红外反射纸,这种纸具有定向反射作用。
图2.29 反射式光电转速传感器结构
当被测物体旋转时,粘贴在物体上的反射纸和物体一起旋转,红外接收管则随感受到反射光的强弱而产生相应变化的电信号,该信号经电路处理后便可以由显示电路显示出被测对象转速的大小。
4.离心式速度传感器
离心式速度传感器的结构如图2.30所示。它由离心机构和位移传感器两部分组成。它的输入轴和被测对象的转轴相连接,位移传感器用来测量被测物体旋转时套筒产生的位移量。
图2.30 离心式转速传感器结构
当被测物体转动时,整个离心机构将跟着旋转。重锤在旋转时产生的离心力 F C ,通过连杆及拉杆使套筒沿轴线方向向上运动,套筒向上运动时压缩弹簧,弹簧产生的反弹力使套筒达到动平衡状态,从而使重锤停留在跟转轴成某个夹角的位置上。被测转速越高,重锤产生的离心力越大,套筒的位移量 x 也就越大;通过位移传感器检测出套筒的位移量,就知道了被测速度。离心式转速传感器的最高速度可达2000r/min,精度为1%~2%。
5.霍尔式转速传感器
霍尔式传感器是根据霍尔效应制作的一种磁场传感器。霍尔效应是磁电效应的一种,通过霍尔效应实验测定的霍尔系数,能够判断半导体材料的导电类型、载流子浓度及载流子迁移率等重要参数。其广泛地应用于工业自动化技术、检测技术及信息处理等方面。霍尔式转速传感器是由霍尔开关集成传感器和磁性转盘组成,霍尔式转速传感器的各种不同结构如图2.31所示。霍尔式转速传感器广泛应用于转速的监视与测量。将磁性转盘的输入轴与被测转轴相连,当被测转轴转动时,磁性转盘便随之转动,固定在磁性转盘附近的霍尔开关集成传感器便可在每一个小磁铁通过时产生一个相应的脉冲,检测出单位时间的脉冲数,便可知道被测对象的转速。磁性转盘上的小磁铁数目将决定传感器的分辨率。
图2.31 部分霍尔式转速传感器的结构
6.多普勒传感器
1) 多普勒效应
假若发射机与接收机之间的距离发生变化,则发射机发射信号的频率与接收机收到信号的频率就不同。此现象是由奥地利物理学家多普勒发现的,所以称为多普勒效应。
如果发射机和接收机在同一地点,两者无相对运动,而被测物体以速度 v 向发射机和接收机运动,我们可以把被测物体对信号的反射现象看成是一个发射机。这样,接收机和被测物体之间因有相对运动,所以就产生了多普勒效应。
现在我们从被测物体与检测点接近的情况来进一步说明多普勒效应的产生过程。发射机发射出的无线电波向被测物体辐射,被测物体以速度 v 运动,如图2.32(a)所示。被测物体作为接收机接收到的频率为
图2.32 多普勒效应示意图
式中, f 0 为发射机发射信号的频率; v 为被测物体的运动速度; λ 0 为信号波长; λ 0 = c / f 0 ; c 为电磁波的传播速度。
如果把 f 1 作为反射波向接收机发射信号,如图2.32(b)所示。接收机接收到的信号频率为
f 2 = f 1 + v / λ 1 = f 0 + v / λ 0 + v / λ 1
由于被测物体的运动速度远小于电磁波的传播速度,则可认为 λ 1 = λ 0 ,那么
f 2 = f 0 +2 v / λ 0
由多普勒效应产生的频率之差称为多普勒频率,即
F d = f 2 - f 0 =2 v / λ 0
从上式可以看出,被测物体的运动速度 v 可以用多普勒频率来描述。
2) 多普勒雷达测速
多普勒雷达由发射机、接收机、混频器、检波器、放大器及处理电路等组成。当发射信号和接收到的回波信号经混频器混频后,两者产生差频输出,差频的频率正好为多普勒频率。
利用多普勒雷达可以对被测物体的线速度进行测量。图2.33是检测线速度的工作原理图。
图2.33 多普勒雷达检测线速度工作原理图
多普勒雷达产生的多普勒频率为
F d =2 v cos θ / λ 0 = Kv
式中, v 为被测物体的线速度; λ 0 为电磁波的波长; θ 为电磁波方向与速度方向的夹角; v cos θ 为被测物体速度的电磁波方向分量; F d 的单位为Hz。
用多普勒雷达测运动物体线速度的方法,已广泛用于检测车辆的行驶速度。
7.陀螺仪
陀螺仪是直接安装在运动物体上,以自身为基准检测移动物体角位移或角速度的仪器,外形如图2.34(a)所示。
图2.34 陀螺仪外形及结构图
陀螺仪的种类很多,按用途来分,它可分为传感陀螺仪和指示陀螺仪。传感陀螺仪多用于飞行体运动的自动控制系统中,作为水平、垂直、俯仰、航向和角速度传感器。而指示陀螺仪主要用于飞行状态的指示,作为驾驶和领航仪表使用。
二自由度陀螺仪的结构如图2.34(b)所示;其中陀螺由两个万向接头的支架支撑。图2.34(b)中的陀螺实际上是一个绕自身对称轴高速旋转的转子。当转子高速旋转时,陀螺有两个最重要的性质:一是定轴性,所有高速旋转的物体都有使自己的旋转轴保持给定的方向不变的特性;另一个性质是进动,当一个欲使其轴改变方向的力作用在旋转轴上时,旋转轴的方向就会向该力的方向和垂直方向改变。由于陀螺有上述的性质,如果运动物体旋转,则转子的旋转轴仍保持在空间的轴向位置不变,我们便可以使用检测方法测量出运动物体相对于旋转轴的角位移变化。
图2.34所示的转子陀螺式角速度传感器是一种惯性传感器,其安装简单、使用方便,但有机械活动部件,由于支撑万向接头轴承摩擦力矩对陀螺的作用,加上陀螺本身的质量不平衡等因素的影响,陀螺旋转轴将逐渐偏离原来给定的空间方向,这种偏离称为陀螺的漂移,二自由度陀螺仪一般有(2°~5°)/min的漂移。被测角速度范围为(±30°~±120°)/s,其质量较大(0.5kg左右)、成本高、寿命低。
特别提示
转子陀螺的 Y 轴称为测量轴或输入轴, X 轴称为输出轴。测量时,将陀螺壳体固定在被测物体上,要注意陀螺的安装方位,使被测物带动壳体绕 Y 轴转动。
8.测速发电机
测速发电机是机电一体化系统中用于测量和自动调节电动机转速的一种传感器,如图2.35所示。它由带有绕组的定子和转子构成。根据电磁感应原理,当转子绕组供给励磁电压并随被测电动机转动时,定子绕组则产生与转速成正比的感应电动势。
图2.35 测速发电机
根据励磁电流的种类,测速发电机可分为直流测速发电机(他励式和永磁式两种)和交流测速发电机两大类。
特别提示
在实际应用中,机电一体化系统对测速发电机的主要要求有:①输出电压对转速应保持较精确的正比关系;②转动惯量要小;③灵敏度要高,即测速发电机的输出电压对转速的变化反应要灵敏。由于测速发电机比较容易满足上述要求,且性能稳定,故被广泛用于机电一体化系统中电动机转速的测量和自动调节,一般测量范围为(20~400)r/min。
1) 直流测速发电机
直流测速发电机是一种微型直流发电机。它的定子、转子结构与直流伺服电动机基本相同。若按定子磁极的励磁方式不同,可分为电磁式和永磁式两大类;若按电枢结构形式的不同,可分为无槽电枢、有槽电枢、空心杯电枢和圆盘印刷绕组等几种。
直流测速发电机的工作原理与一般直流发电机相同,如图2.36所示。在恒定磁场中,旋转的电枢绕组切割磁通,并产生感应电动势。由电刷两端引出的电枢感应电动势为
图2.36 直流测速发电机电气原理图
式中, K e 为感应系数; Φ 为磁通; n 为转速; C e 为感应电动势与转速的比例系数。
空载(即电枢电流 I s =0)时,直流测速发电机的输出电压和电枢感应电动势相等,因而输出电压与转速成正比。有负载(即电枢电流 I s ≠0)时,直流测速发电机的输出电压为
式中, r s 为电枢回路的总电阻(包括电刷和换向器之间的接触电阻等)。在理想情况下,若不计电刷和换向器之间的接触电阻, r s 为电枢绕组电阻。
显然,有负载时,测速发电机的输出电压应比空载时小,这是电阻 r s 的电压降造成的。在理想情况下, r s 、 Φ 和测速发电机的负载电阻 R L 均为常数,系数 C e 亦为常数。直流测速发电机有负载时的输出特性是一组直线,负载电阻不同,测速发电机的输出特性的斜率亦不同。
2) 交流测速发电机
交流测速发电机可分为永磁式、感应式和脉冲式三种。
永磁式交流测速发电机实质上是单向永磁转子同步发电机,定子绕组感应的交变电动势的大小和频率都随输入信号(转速)而变化,这种测速发电机尽管结构简单,也没有滑动接触,但由于感应电动势的频率随转速而改变,致使电动机本身的阻抗和负载阻抗均随转速而变化,故其输出电压不与转速成正比关系。通常这种电动机只作为指示式转速计使用。
感应式测速发电机与脉冲式测速发电机的工作原理基本相同,都是利用定子、转子齿槽相互位置的变化,使输出绕组中的磁通产生脉动,从而感应出电动势。这种工作原理称为感应式发电机原理。图2.37所示为感应式测速发电机的原理性结构。定子、转子铁心均为高硅薄钢片冲制叠成,定子内圆周和转子外圆周上都有均布的齿槽。在定子槽中放置节距为一个齿距的输出绕组,通常组成三相绕组,定子、转子的齿数应符合一定的关系。
图2.37 感应式测速发电机的原理性结构
当转子不转时,永久磁铁在电动机气隙中产生的磁通不变,所以定子输出绕组中没有感应电动势。当转子以一定速度旋转时,定、转子齿之间的相对位置发生了周期性变化,定子绕组中有交变电动势产生。例如,转子一个齿的中线与定子某一齿的中线位置一致时,该定子齿对应的气隙磁导为最大,当转子转过1/2齿距时,转子槽的中线与定子齿的中线位置一致,该定子齿对应的气隙磁导又为最小,以后的过程重复进行。
在上述过程中,该定子齿上的输出绕组所匝链的磁通大小相应发生周期性变化,输出绕组中就有交流的感应电动势。每当转子转过一个齿距,输出绕组的感应电动势也变化一个周期,因此,输出电动势的频率应为
式中, Z r 为转子齿数; n 为电动机转速(r/min)。
由于感应电动势频率和转速之间有严格的关系,相应感应电动势的大小也与转速成正比,故可作为测速发电机使用。它和永磁式测速发电机一样,由于电动势的频率随转速而变化,致使负载阻抗和电动机本身的内阻抗大小均随转速而改变。但是,采用二极管对这种测速发电机的三相输出电压进行桥式整流后,可取其直流输出电压作为速度信号用于机电一体化系统的自动控制。感应子式测速发电机和整流电路结合后,可以作为性能良好的直流测速发电机使用。
特别提示
脉冲式测速发电机以脉冲频率作为输出信号。由于输出电压的脉冲频率和转速保持严格的正比关系,所以也属于同步发电机类型。其特点是输出信号的频率相当高,即使在较低转速下(如每分几转或几十转),也能输出较多的脉冲数,因而以脉冲个数显示的速度分辨力比较高,适用于速度比较小的调节系统,特别适用于鉴频锁相的速度控制系统。
应用实例
速度传感器在轨道车辆上的应用
在轨道车辆上,车辆系统的稳定性很大程度上取决于它所采集到的速度信号的可靠性和精度,而所采集的速度信号包括当前速度值和速度的变化量。如图2.38所示的高铁列车,在机车的牵引控制、车轮滑动保护、列车控制和车门控制过程中都要涉及速度信号的采集问题。在各种轨道车辆中,这个任务是由许许多多的速度传感器来完成的。
图2.38 应用速度传感器的高速铁路
最常用的速度传感器类型是双通道速度传感器,如图2.39所示。该传感器直接扫描机车电机轴上或减速机上的齿轮,因此,传感器本身不需要带轴承。
图2.39 双通道速度传感器
该速度传感器利用磁场调制原理,适用于模数为1和模数为3.5 的铁磁体测量轮。被测齿轮的齿的形状也是一个重要的因素,因为该速度传感器能够测量的是方形齿齿轮和带渐开线齿齿轮。这种类型的速度传感器通常由2个霍尔传感器,以及永磁体和信号处理电路组成。当速度传感器扫描旋转的齿轮时,永磁体的磁场发生变化。磁场的变化被霍尔传感器记录下来,在电路的比较环节被转换成方波,在驱动环节被放大。根据测量轮的直径和齿数,该速度传感器的分辨率在每圈60个脉冲到每圈300个脉冲之间,能满足一般机车电机驱动器的要求。
新一代传感器不仅提供的信号精度比原来的高,而且信号的可用性也比原来的好。这种新传感器外形和传统传感器相似(见图2.40),可以适用于目前实际使用中的所有车辆。
图2.40 新一代速度传感器GEL2474、2475和2476
2.3.2 加速度传感器
加速度传感器有多种形式,其工作原理都是利用惯性质量受加速度所产生的惯性而造成的各种效应,进一步转化成电量后间接度量被测加速度。最常用的有压电式、应变式、磁致伸缩式等。压电式加速度传感器的频率范围广、动态范围宽、灵敏度高,故应用较为广泛。
1.压电式加速度传感器原理
利用压电陶瓷的压电效应可构成不同使用要求的振动加速度传感器,外形如图2.41所示,常用的有图2.42所示的三种原理结构。
图2.41 压电式加速度传感器
图2.42 压电加速度传感器结构类型
1) 压缩型
图2.42(a)所示为压缩型振动加速度传感器结构原理。它靠通过中心轴的螺栓连接的质量块,检测微小的加速度。使用时,传感器基体固定在被测物体上,感受该物体的振动,惯性质量块产生惯性,使压电元件产生变形,压电元件产生的变形和由此产生的电荷与加速度成正比。
2) 剪切型
图2.42(b)所示为剪切型振动加速度传感器的结构原理。它是将两块压电陶瓷片对称地固定在轴的两侧,这种结构可忽略横向加速度的影响,还能在高温环境中使用。
3) 弯曲型
图2.42(c)所示为弯曲型振动加速度传感器结构原理。这种传感器结构简单、体积小、质量小和灵敏度高。但压电材料有阻抗高、脆性大以及与金属粘结困难等缺点。
图2.43为汽车安全系统用压缩型振动加速度传感器示意图。其中圆筒形质量块通过弹簧压在压电元件上。装有这种传感器的安全系统能迅速检测出汽车发动机的异常振动,并使其恢复到正常状态。通常,当发动机达到点火态时,其功率和油耗都最大,若高负载时超前进入点火态,会引起异常振动,安全系统的作用则是使发动机在引起异常振动的临界态之前进入点火态。为了区分异常振动与其他噪声振动,传感器的固有频率设计成与异常振动频率相同,从而提高了信噪比。
图2.43 压缩型振动加速度传感器
2.压电式加速度传感器的特点
压电式加速度传感器可以做得很小,重量很轻,故对被测机构的影响就小。压电传感器本身的内阻抗很高,而输出的能量又非常微弱,因此在使用时,必须接高输入阻抗的前置放大器。这类放大器有电压放大器和电荷放大器两种。
1) 电压放大器
图2.44所示为高输入阻抗电压放大器(阻抗变换器),输入阻抗大于1000MΩ,输出阻抗小于100Ω。第一级采用场效应管构成源极输出器,第二级采用晶体管构成对输入端的负反馈,以提高输入阻抗。也可以采用场效应管作为输入级的运算放大器。但是,当传感器与电压放大器之间的连接电缆发生变化时,由于电缆电容与传感器电容并联,必然引起传感器输出电压灵敏度发生变化,引起误差,解决办法之一就是采用电荷放大器。
图2.44 电压放大器电路图
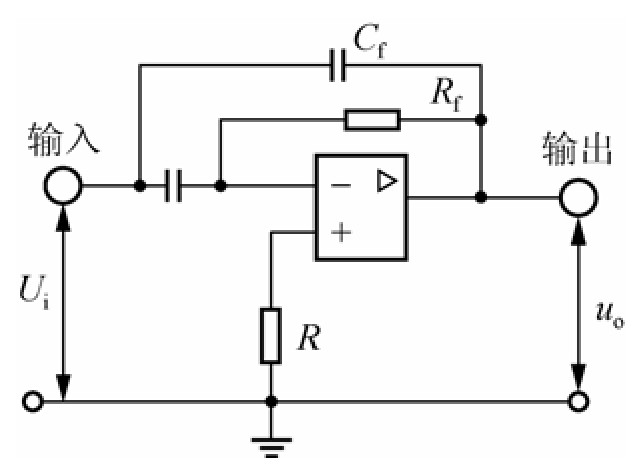
2) 电荷放大器
电荷放大器是一个有反馈电容 C f 的高增益运算放大器,电路如图2.45所示。运算放大器的输入阻抗应高达10 12 Ω以上, C f 为反馈电容,一般为千分之几微法, R f 为提供运算放大器直流工作点电阻,其阻值大于10 10 Ω。放大器输出电压 u 0 与输入电荷成正比,即
图2.45 电荷放大器电路图
式中, Q 为传感器输出电荷。
式(2-11)表明,电荷放大器输出电压与电缆分布电容无关。因此,连接的电缆即使长达百米以上,电荷放大器的灵敏度也无明显变化,这是电荷放大器的突出优点。
3.加速度传感器的应用
加速度传感器可应用在控制,手柄振动和摇晃,仪器仪表,汽车制动启动检测,地震检测,报警系统,玩具,结构物、环境监视,工程测振、地质勘探、铁路、桥梁、大坝的振动测试与分析;鼠标以及高层建筑结构动态特性和安全保卫振动侦察上。
目前,很多笔记本式计算机里就内置了加速度传感器,能够动态的监测出笔记本在使用中的振动,根据这些振动数据,系统会智能地选择关闭硬盘还是让其继续运行,这样可以保护硬盘以及里面的数据,而防止由于振动,比如颠簸的工作环境,或者不小心摔了笔记本式计算机所造成的硬盘损害、数据丢失。另外,许多防抖动数码照相机和数码摄像机里,也使用了加速度传感器,用来检测拍摄时候的手部的振动,并根据这些振动,自动调节相机的聚焦。
应用实例
IBM Hard Drive Active Protection System(硬盘动态保护系统)
最新的ThinkPad笔记本式计算机中,安装了IBM Hard Drive Active Protection System(硬盘动态保护系统)。启用IBM Hard Drive Active Protection System后,ThinkPad内置的振动传感器开始监测是否有可能导致硬盘损坏的情况发生。如果监测到这样的情况,那么保护系统将会使硬盘停转,并可能把读/写磁头移动到没有数据的区域。没有操作时,硬盘受损的可能会大大下降。振动传感器会持续监测,当判断环境相对比较稳定时(倾斜、摇动、振动等的变化程度最小),保护系统会重新开启硬盘正常操作。
保护系统检测到系统有振动等变化,且需要停止硬盘操作时,会弹出图2.46所示的对话框。
图2.46 应用振动传感器的硬盘保护系统
通过IBM Hard Drive Active Protection System在任务栏上的图标(需选择在任务栏上显示IBM Hard Drive Active Protection Syste图标),可以看到振动传感器的状态,如:
振动传感器被禁用;
振动传感器已启用,未监测到振动;
振动传感器已启用,且监测到持续的振动,但振动幅度较小,未触发硬盘暂停;
振动传感器已启动,且监测到较大振动,硬盘操作暂停。