



电阻是电路中应用最多的一种元器件,电阻在电路中的连接形式主要有串联、并联和混联三种。
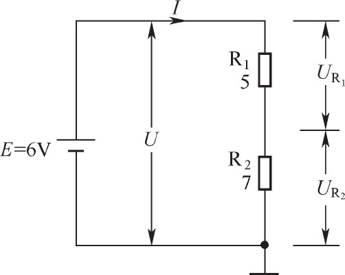
两个或两个以上的电阻头尾相连串接在电路中,称为电阻的串联,如图1-16所示。
图1-16 电阻的串联
电阻串联有以下特点。
1. 流过各串联电阻的电流相等,都为 I 。
2. 电阻串联后的总电阻 R 增大,总电阻等于各串联电阻之和 ,即
R=R 1 + R 2
3. 总电压 U 等于各串联电阻上电压之和 ,即
U=U R 1 + U R 2
4. 串联电阻越大,两端电压越高 ,因为 R 1 < R 2 ,所以 U R 1 < U R 2 。
在图1-16所示电路中,两个串联电阻上的总电压
U
等于电源电动势,即
U=E
=6V;电阻串联后总电阻
R=R
1
+
R
2
=12Ω;流过各电阻的电流
;电阻R
1
上的电压
U
R
1
=
I·R
1
=(0.5×5)V=2.5V,电阻R
2
上的电压
U
R
2
=
I·R
2
=(0.5×7)V=3.5V。
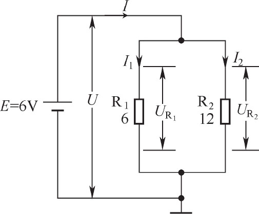
两个或两个以上的电阻头头相接、尾尾相连并接在电路中,称为电阻的并联,如图1-17所示。电阻并联有以下特点。
1. 并联的电阻两端的电压相等 ,即
U R 1 = U R 2
2. 总电流等于流过各个并联电阻的电流之和 ,即
I=I 1 + I 2
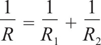
3. 电阻并联总电阻减小,总电阻的倒数等于各并联电阻的倒数之和 ,即
该式可变形为
4. 在并联电路中,电阻越小,流过的电流越大 ,因为 R 1 < R 2 ,所以流过R 1 的电流 I 1 大于流过R 2 的电流 I 2 。
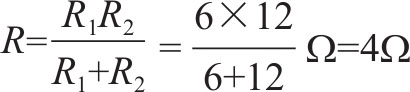
在图1-17所示电路中,并联的电阻R
1
、R
2
两端的电压相等,
U
R
1
=
U
R
2
=
U
=6V;流过R
1
的电流
,流过R
2
的电流
,总电流
I=I
1
+
I
2
=(1+0.5)A=1.5A;R
1
、R
2
并联总电阻为
图1-17 电阻的并联
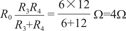
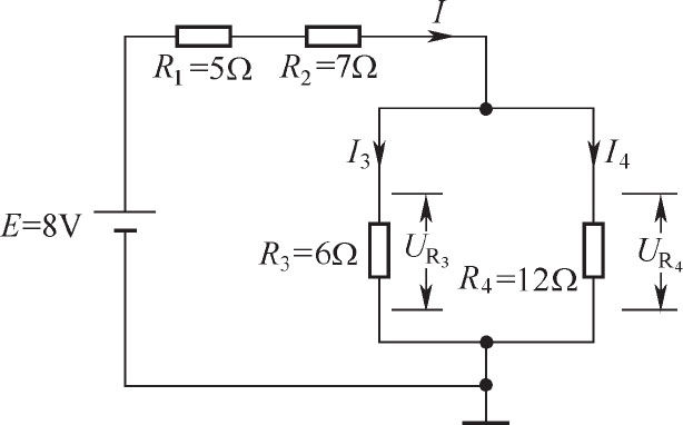
一个电路中的电阻既有串联又有并联时,称为电阻的混联 ,如图1-18所示。
图1-18 电阻的混联
对于电阻混联电路,总电阻可以这样求:先求并联电阻的总电阻,然后再求串联电阻与并联电阻的总电阻之和。在图1-18所示电路中,并联电阻R 3 、R 4 的总电阻为
电路的总电阻为
R=R 1 + R 2 + R 0 =(5+7+4)Ω=16Ω
读者如果有兴趣,可求图1-18所示电路中总电流 I ,R 1 两端电压 U R 1 ,R 2 两端电压 U R 2 ,R 3 两端电压 U R 3 和流过R 3 、R 4 的电流 I 3 、 I 4 的大小。