



图1-1(a)所示是一个简单的实物电路,该电路由电源(电池)、开关、导线和灯泡组成。电源的作用是提供电能;开关、导线的作用是控制和传递电能,称为中间环节;灯泡是消耗电能的用电器,它能将电能转变为光能,称为负载。因此, 电路是由电源、中间环节和负载组成的 。
图1-1(a)所示为实物电路图,使用实物图来绘制电路很不方便,为此人们就 采用一些简单的图形符号代替实物的方法来画电路,这样画出的图形就称为电路图 。图1-1(b)所示的图形就是图1-1(a)所示实物电路的电路图,不难看出,用电路图来表示实际的电路非常方便。
图1-1 一个简单的电路
在图1-2所示电路中,将开关闭合,灯泡会发光,为什么会这样呢?原来当开关闭合时,带负电荷的电子源源不断地从电源负极经导线、灯泡、开关流向电源正极。这些电子在流经灯泡内的钨丝时,钨丝会发热,温度急剧上升而发光。
图1-2 电流说明图
大量的电荷朝一个方向移动(也称定向移动)就形成了电流,这就像公路上有大量的汽车朝一个方向移动就形成“车流”一样。实际上,我们把电子运动的反方向作为电流方向,即把 正电荷在电路中的移动方向规定为电流的方向 。图1-2所示电路的电流方向:电源正极→开关→灯泡→电源的负极。
电流用字母“ I ”表示,单位为安培(简称安),用“A”表示 ,比安培小的单位有毫安(mA)、微安(μA),它们之间的关系为
1A=10 3 mA=10 6 µA
在图1-3(a)所示电路中,给电路增加一个元器件——电阻器,发现灯光会变暗,该电路的电路图如图1-3(b)所示。为什么在电路中增加了电阻器后灯泡会变暗呢?原来电阻器对电流有一定的阻碍作用,从而使流过灯泡的电流减小,灯泡变暗。
图1-3 电阻说明图
导体对电流的阻碍称为该导体的电阻,电阻用字母“ R ”表示,电阻的单位为欧姆(简称欧),用“Ω”表示 ,比欧姆大的单位有千欧(kΩ)、兆欧(MΩ),它们之间关系为
1MΩ =10 3 kΩ =10 6 Ω
导体的电阻计算公式为
在上式中, L 为导体的长度(单位:m), S 为导体的横截面积(单位:m 2 ), ρ 为导体的电阻率(单位:Ω·m)。不同的导体, ρ 值一般不同。表1-1列出了一些常见导体的电阻率(20℃时)。
在长度 L 和横截面积 S 相同的情况下,电阻率越大的导体其电阻越大 ,例如, L 、 S 相同的铁导线和铜导线,铁导线的电阻约是铜导线的5.9倍,由于铁导线的电阻率较铜导线大很多,为了减小电能在导线上的损耗,让负载得到较大电流,供电线路通常采用铜导线。
表1-1 一些常见导体的电阻率(20℃时)
导体的电阻除了与材料有关外,还受温度影响。一般情况下,导体温度越高电阻越大,例如常温下灯泡(白炽灯)内部钨丝的电阻很小,通电后钨丝的温度上升到千度以上,其电阻急剧增大;导体温度下降电阻减小, 某些导电材料在温度下降到某一值时(如-109℃),电阻会突然变为零,这种现象称为超导现象,具有这种性质的材料称为超导材料 。
电位、电压和电动势对初学者较难理解,下面通过图1-4所示的水流示意图来说明这些术语。首先来分析图1-4中的水流过程。
图1-4 水流示意图
水泵将河中的水抽到山顶的A处,水到达A处后再流到B处,水到B处后流往C处(河中),同时水泵又将河中的水抽到A处,这样使得水不断循环流动。水为什么能从A处流到B处,又从B处流到C处呢?这是因为A处水位较B处水位高,B处水位较C处水位高。
要测量A处和B处水位的高度,必须先要找一个基准点(零点),就像测量人身高要选择脚底为基准点一样,这里以河的水面为基准(C处)。AC之间的垂直高度为A处水位的高度,用 H A 表示,BC之间的垂直高度为B处水位的高度,用 H B 表示,由于A处和B处水位高度不一样,它们存在着水位差,该水位差用 H AB 表示,它等于A处水位高度 H A 与B处水位高度 H B 之差,即 H AB = H A - H B 。为了让A处源源不断有水往B、C处流,需要水泵将低水位的河水抽到高处的A点,这样做水泵是需要消耗能量的(如耗油)。
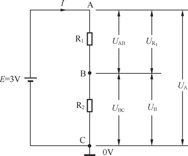
电路中的电位、电压和电动势与上述水流情况很相似。如图1-5所示,电源的正极输出电流,流到A点,再经R 1 流到B点,然后通过R 2 流到C点,最后流到电源的负极。
与图1-4所示水流示意图相似,图1-5所示电路中的A、B点也有高低之分,只不过不是水位,而称为电位,A点电位较B点电位高。为了计算电位的高低,也需要找一个基准点作为零点,为了表明某点为零基准点,通常在该点处画一个“⊥”符号,该符号称为接地符号,接地符号处的电位规定为0V,电位单位不是米,而是伏特(简称伏),用V表示。在图1-5所示电路中,以C点为0V(该点标有接地符号),A点的电位为3V,表示为 U A =3V,B点电位为1V,表示为 U B =1V。
图1-5电路中的A点和B点的电位是不同的,有一定的差距,这种 电位之间的差距称为电位差,又称电压 。A点和B点之间的电位差用 U AB 表示,它等于A点电位 U A 与B点电位 U B 的差,即 U AB = U A - U B =3V-1V=2V。因为A点和B点电位差实际上就是电阻器R 1 两端的电位差(即电压),R 1 两端的电压用 U R 1 表示,所以 U AB = U R 1 。
为了让电路中始终有电流流过,电源需要在内部将流到负极的电流源源不断地“抽”到正极,使电源正极具有较高的电位,这样正极才会输出电流。当然,电源内部将负极的电流“抽”到正极需要消耗能量(如干电池会消耗掉化学能)。 电源消耗能量在两极建立的电位差称为电动势,电动势的单位也为伏特 ,图1-5所示电路中电源的电动势为3V。
图1-5 电位、电压和电动
由于电源内部的电流方向是由负极流向正极,故电源的电动势方向规定为从电源负极指向正极。
电路有3种状态:通路、开路和短路 ,这3种状态的电路如图1-6所示。
图1-6 电路的3种状态
图1-6(a)所示电路处于通路状态。 电路处于通路状态的特点:电路畅通,有正常的电流流过负载,负载正常工作 。
图1-6(b)所示电路处于开路状态。 电路处于开路状态的特点:电路断开,无电流流过负载,负载不工作 。
图1-6(c)中的电路处于短路状态。 电路处于短路状态的特点:电路中有很大电流流过,但电流不流过负载,负载不工作。由于电流很大,很容易烧坏电源和导线。
接地在电工电子技术中应用广泛,接地常用图1-7所示的符号表示。 接地主要有以下的含义 。
图1-7 接地符号
(1) 在电路图中,接地符号处的电位规定为0V 。在图1-8(a)所示电路中,A点标有接地符号,规定A点的电位为0V。
图1-8 接地符号含义说明图
(2) 在电路图中,标有接地符号处的地方都是相通的 。图1-8(b)所示的两个电路图虽然从形式上看不一样,但实际的电路连接是一样的,故两个电路中的灯泡都会亮。
(3) 在强电设备中,常常将设备的外壳与大地连接,当设备绝缘性能变差而使外壳带电时,可迅速通过接地线泄放到大地,从而避免人体触电 ,如图1-9所示。
图1-9 强电设备的接地
在电气设备中,为了防止某些元器件和电路工作时受到干扰,或者为了防止某些元器件和电路在工作时产生干扰信号影响其他电路正常工作,通常对这些元器件和电路采取隔离措施,这种隔离称为屏蔽 。屏蔽常用图1-10所示的符号表示。
图1-10 屏蔽符号
屏蔽的具体做法是用金属材料(称为屏蔽罩)将元器件或电路封闭起来,再将屏蔽罩接地(通常为电源的负极) 。图1-11所示为带有屏蔽罩的元器件和导线,外界干扰信号无法穿过金属屏蔽罩干扰内部元器件和电路。
图1-11 带有屏蔽罩的元器件和导线