



无心插柳柳成荫
朱秉福 施文焕
编者按 在建国初期的十多年间,我国工业自动化的盘装仪表多半是仿前苏联的大尺寸仪表,诸如ЭПП、ЭМД等系列。之后,盘装仪表开始走向小型化,并形成盘面仪表的面板尺寸以80mm作为基数,并向上以 n 倍数进行扩展。这个局面是如何形成的,感兴趣的读者不妨看看本文作者讲述的故事。
作为一套自主研发、全部元器件采用国产的、新型成套的工业自动化控制仪表(DDZ-Ⅱ型)被推向市场,不仅是上海自动化仪表研究所的一大成果,也是依靠前所未有的全国大协作方式所作出的一项贡献。就在为这个系列产品进行全国统一设计时,采用了将盘装仪表面板的几何尺寸以80mm作为基数,并向上以 n 倍数进行扩展,从而形成了仪表结构小型化的系列产品。看似这么一项小小的设计举措,却有着一段不寻常的经历。
早先生产仿前苏联的动圈式指示仪表的上海自动化仪表六厂,在20世纪60年代,在革新动圈仪表的结构时,由于采用了内磁体,将仪表的体积大为缩小,第一次采用了160mm×80mm的面板尺寸。后来,在取代仿苏МПБ-47位式报警控制仪时,也采用了160mm×80mm 的小型面板。为便于在内部安装半导体控制电路板,只是增加了表的深度,并留了两个小孔,以备用螺丝刀调整限位指针,其结构十分巧妙。
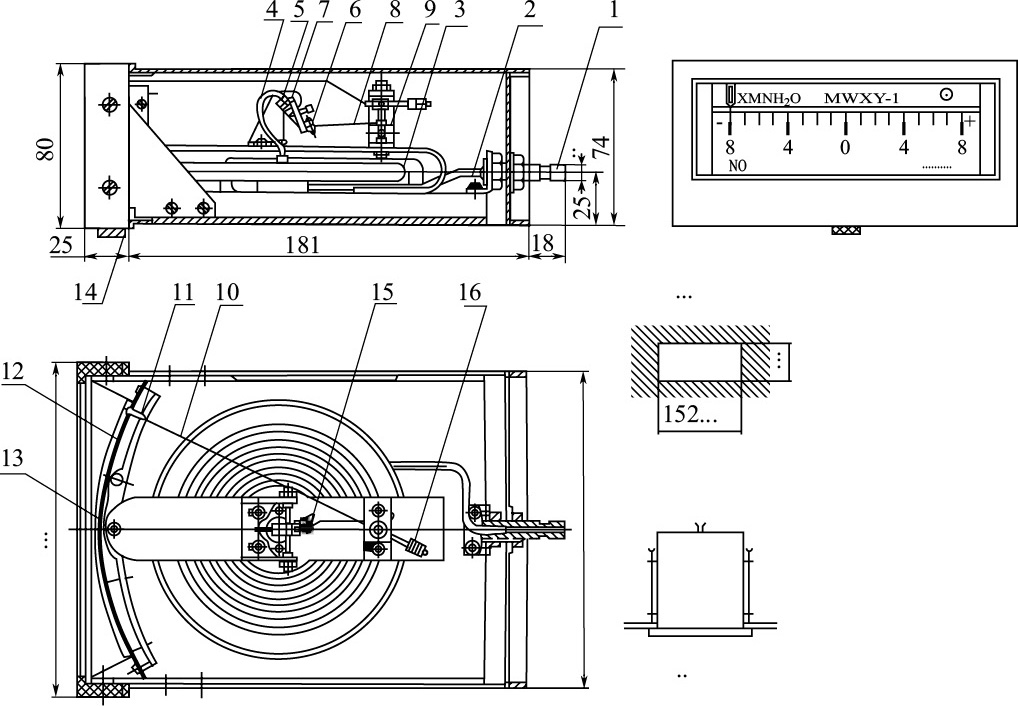
1967年6月12日,上海市仪表公司张相和来电话,要我们帮助上海自动化仪表五厂解决膜片微压表的小型化问题。我所电调室要我和施文焕同去协助。他们也在考虑采用160mm×80mm 的小型面板,显然原有的仪表机芯已不能适应,在共同的努力下,经反复比较,选定其中一款有上下两块夹板、四角有四根支柱支撑的机芯,但中间膜盒的直径为110mm,膜盒直径的大小会影响对低量程压力的测量,但通过改变膜盒的材料刚度可以补救。我们一起决定了方案,就开始合作试制,具体都由施文焕安排。不久,在两家共同努力下,完成了膜片微压表的小型化设计。之后,开发的样机被同行认可,相继被推广,图1是大连仪表三厂生产的产品外观。图2为其内部结构。
图1 小型化膜片微压表的外观
图2 小型化膜片微压表的内部结构
1—接头;2—导管;3—金属波纹膜盒
之后,在此基础上又增加了一套电子线路板,衍生发展了带上、下限报警的品种。
结构上的不同,并不影响160mm×80mm面板尺寸的应用,因为在另一个方向上(即长度)的尺寸较为灵活,可以通过改变仪表的长度来增加仪表内部的容积,以容纳所增加的元器件。
从小型化膜片微压表的正面看,与测量温度的、以动圈式电表为核心的160mm×80mm 的指示、调节仪表似乎很相像,但该类表的指针细而轻巧,在它指针上附有一个小铝片,作感应高频线圈用,以起到报警、调节的功能。我们将该仪表的指针制成扁薄形,仅在尾部加宽,直接作为感应片,这也是一个简单的创新。
图3为带上限报警的电子线路图。
图3 带上限报警的电子线路图
后来,我们又与上海自动化仪表四厂合作改进该厂生产的压力表。我国生产以波登管内芯的圆形压力表已有百年的历史。初看波登管的机芯不大,安装在160mm×80mm 机箱内问题不大,但在圆形表壳内,表针的转角一般可达270°,而对长方形机箱,正面视窗宽度为120mm。为此,对于这种传统机芯只能通过改变其指针长度来适应。
较早的时候,我所二室单国祥研制的超小型二次仪表,采用了175mm×175mm×450mm的机壳尺寸。而在上海仪表三厂生产时,被列入小型电子记录仪表,首选的面板尺寸为160mm×160mm 外壳,虽然小了点,但他们增加长度尺寸,将全部机件妥帖地安放在内,体现了小型化的宗旨。
诸如此类将别家的创新设计借鉴到自己的产品中来,是一种友谊的举措,既认可他人的智慧、劳动,也方便了自己,何乐而不为。
早在1956年,我所自动控制室盛树琪主任已经意识到仪表小型化的必然趋势,他认为应该有一个系列尺寸,并确定以“80”为基数,向上以 n 倍扩展。但是,在当时的所务会议上,却被主管方面否定了。但这并没有阻碍这个先见之明在以后的仪表小型化以及DDZ-Ⅱ型电动组合仪表中应用。
30年后的1990年,在上海石化总厂涤纶厂的仪表室内,仪表屏上安装的几排小型指示仪表,其中有动圈式仪表指示电量的,有膜盒机构指示微压的,还有小型长图指示记录仪等,均安装在同一仪表屏上,尽管功能不同,生产厂家不一,排列在一起,既显得调和,又充分体现了国产仪表的统一风格。
忆及往事,真没有想到很多年前无意想到的一个160mm×80mm 的面板尺寸,竟然被接受并延续下来。从此,市场上已经见不到以前仿苏的大型指示仪表了。从以往的记录档案中发现,我所标准室至少召开过五次专门会议讨论过仪表尺寸的系列标准,但都没有结果。而160mm×80mm 的面板尺寸尽管没能成为官方的仪表系列标准,却在仪表行业中相互借鉴、流传、进化。为此写下本文,留下一笔可以回忆的资料。
160mm×80mm 的小型化外形仪表的产生是源于时代对仪表小型化趋势的要求,在整个实践过程中,没有广告,也没有宣传,实在是随着时代的发展,在上级公司的引导下,我们作出的一点努力,在仪表小型化的路程上留下了些许脚印,有你的,也有我的,更是大家的。
在上海仪表公司主持下的厂所合作,在短时期内便出了成果,这与施文焕先生的工作热情、爽朗,相互勉励是分不开的。上海自动化仪表六厂在仪表小型化的先行过程中也起到了带头羊的作用。
作者简介
朱秉福,1931年4月生,1947年进入国立上海高级机械职业学校(现上海理工大学)学习。1950年参军,任28军无线电机务员。1955年复员,先后在上海综合仪表厂、一机部热工仪表研究所、上海石化总厂工作,1991年退休。
施文焕,1941年5月生,1965年8月毕业于上海机械学院动力系。2001年退休前一直于上海工业自动化仪表研究所工作,先后在七室、电调室、装置室、系统总部从事仪表、自控系统成套工作,历任工程师、高级工程师。退休后,受原单位返聘,2003年5月~8月赴伊拉克燃油电厂承坦污水、补水自控项目设计及调试,2003年9月~2011年7月承坦卫星地面站的自控项目。