购买
下载掌阅APP,畅读海量书库
立即打开
畅读海量书库
扫码下载掌阅APP

第二节
汽车电路中的常见电气元件

一、电阻器

在电路中阻碍电流流过的元件称为电阻器(简称电阻)。 电阻是汽车电路中使用最多的基本元件之一,其质量的好坏对电路工作的稳定性有极大影响。它的主要用途是稳定和调节电路中的电流和电压,其次还作为分流器、分压器和负载使用。电阻图形符号如图1-28所示。

图1-28 电阻的符号

1.电阻的分类

电阻的种类较多。按材料可分为碳膜电阻、金属膜电阻、线绕电阻等;按阻值是否可变分为固定电阻、可变电阻;按具有的特殊性质分为光敏电阻、压敏电阻、热敏电阻等;按安装方式可分为插件式电阻和贴片式电阻。在汽车电脑板中,常采用贴片式电阻。各种电阻实物如图1-29所示。

图1-29 各种电阻实物

2.电阻的标识

大多数电阻上都标有电阻的数值,这就是电阻的标称值。电阻的标称值往往和它的实际阻值不完全相同。电阻的实际阻值与其标称值的偏差,除以标称值所得到的百分比,称为电阻的误差。电阻的标称值的表示方法有直标法、文字符号法、数码表示法、色标法。

(1)直标法 就是直接用阿拉伯数字和单位符号标出参数。一般用于功率较大的电阻器。如图1-30所示,电阻体上标注“ 5W10KJ”,表示电阻的阻值为10kΩ,功率为5W,允许误差为±5%。

图1-30 电阻的直标法

(2)文字符号法 就是将电阻的标称值和误差用数字和文字符号按一定的规律组合标识在电阻体上。符号前数字为整数,符号后面数字为小数。例如,电阻器上印有“2.2k”或“2 k2”字样,表示电阻值为2.2kΩ。如图1-31所示,“5M0”表示电阻值为5.0MΩ

图1-31 电阻的文字符号法

(3)数码表示法 是在电阻体的表面用3~4位整数或两位数字加R来表示标称值的方法。该方法常用于贴片电阻,如图1-32所示。

图1-32 电阻的数码表示法

①三位数字标注法 前两位是有效数字,第三位表示0的个数,如标注为331的电阻,其阻值为33×10 1 =330Ω。

②四位数字标注法 前三位是有效数字,第四位表示0的个数,如标注为1001的电阻,其阻值为100×10 1 =1kΩ。

③两位数字后加R标注法 若阻值小于10Ω,则用 R表示,且R代表小数点,如标注为6R8的电阻,其阻值为6.8Ω,标注为R22即阻值为0.22Ω 。

(4)色标法 是目前国际上普遍流行的电阻值标识方法。它将不同颜色的色环涂在电阻上来表示电阻的标称值及允许误差,色环电阻中最常见的是四环电阻和五环电阻。各种颜色所对应的数值如图1-33所示。

图1-33 色环电阻标记读数及识别规则

色环电阻识读技巧: 识读色环电阻的关键是找准电阻的首环(依图1-34进行说明)。

图1-34 电阻首环的识别

①离端部近的为首环。

②端头任一环与其他较远的一环为最后一环即误差。

③金色、银色环在端头的为最后一环(误差环)。

④黑色环在端头为倒数第二环,并且末环为无色环。

⑤紫色、灰色、白色环一般不会是倍乘数,即不大可能为倒数第二环。

色环电阻识读示例: 图1-33中四环电阻的颜色为黄、紫、黑、金,表示电阻的大小为47×10 0 =47Ω,误差为±5%;五色环电阻颜色为橙、橙、黑、橙、棕,表示电阻的大小为330×10 3 =330kΩ,误差为±1%。

3.电位器

电位器实际上是一个可变电阻,通常由电阻体与转动或滑动系统组成,即靠一个动触点在电阻体上移动,获得部分电压输出。典型的三线电位器结构如图1-35所示,它有三个引出端,其中定片1、定片2两端间电阻值为最大,定片1、动片或定片2、动片两端间的电阻值可以通过活动触头所在位置加以调节。活动触头与旋转轴相连,即与动片相连,在弹簧压力的作用下与电阻片保持接触。

图1-35 电位器

可变电阻用作分压器时,被称为电位器,是一个三端器件,如图1-36(a)所示;可变电阻用作变阻器时,应把它接成两端器件,即动片要与某一定片用导线直接相连。这里假设动片与定片2相连,如图1-36(b)所示。另外,可变电阻器也可以用动片与定片1相连,两定片引脚之间可以互换使用。

图1-36 可变电阻接线

电位器外壳上标注的阻值称为标称值,是电位器两固定引脚之间的阻值,一般称为电位器的最大阻值,通常采用直标法或数码表示法,如图1-37所示。

图1-37 电位器的标称值

电位器一般用在电路中需要经常改变电阻阻值的地方。在汽车电路中,它主要用作位置传感器,如发动机电控系统的节气门位置传感器、加速踏板位置传感器、空调风门伺服电动机电位计等等。这些传感器可以精确计量某些位置的微小变化,将位置信号转换成电压信号输出。图1-38所示为大众波罗(POLO)汽车空调内循环风门电动机及电位计。

图1-38 大众波罗(POLO)内循环风门电动机及电位计

4.电阻的检测

(1)量程的选择 为提高测量精度,应根据被测电阻标称值的大小来选择量程。一般数字万用表有6个电阻挡位:200Ω、2kΩ、20kΩ、200kΩ、2MΩ和20MΩ。 R X 为被测电阻,选取挡位的原则为 R X < 200Ω的选择200Ω挡位,200Ω < R X < 2kΩ的选择2kΩ挡位,依此类推。若所选量程小于被测量电阻的阻值,则仪表会显示“0L”或“1”,此时应改用更大的量程进行测量。

(2)检测方法

①普通电阻的检测 将黑表笔插入“COM”插座,红表笔插入“V/Ω”插座。测量前先将表笔短路,万用表调零,才能保证测量的精度。实际检修时,如怀疑某电阻失效,则不能直接在电路板上测量电阻值,因被测电阻两端存在其他电路的等效电阻;正确的方法是先将电阻拆下(或焊开一个头),选择合适的量程,再将两表笔跨接在被测电阻的两个引脚上(图1-39),万用表的显示屏即可显示出被测电阻的阻值。如果所测电阻阻值为无穷大,则表明电阻内部已断路。

图1-39 用万用表检测电阻

提示

一般情况下,电阻的失效率比较低,电阻的失效主要为阻值变大或内部开路、虚焊、脱焊等。

②电位器的检测

a.测标称值 用万用表测量电位器时,应先根据被测电位器标称值的大小,选择好万用表的合适挡位再进行测量。测量时,将万用表的红、黑表笔分别接在定片引脚上,万用表读数应为电位器的标称值,如图1-40(a)所示。如万用表读数与标称值相差很多,则表明该电位器已损坏。

b.测可变值 当电位器的标称阻值正常时,再测量其变化阻值及活动触头与电阻体接触是否良好。此时用万用表的一表笔接在动片引脚(通常为中间引脚),另一表笔接在一定片引脚(两边引脚)。接好表笔后,万用表应显示为零(或标称值),再将万用表的转轴从一个极端位置旋转至另一个极端位置,阻值应从零(或标称值)连续变化到标称值(或零),如图1-40(b)所示。在电位器的轴柄转动过程中,若万用表的指针平稳移动或显示的示数均匀变化,则说明被测电位器良好;旋转轴柄时,万用表阻值读数有跳动现象,则说明被测电位器活动触头有接触不良的故障。

图1-40 用万用表检测电位器

二、电容器

1.电容器的作用

电容器(简称电容)由两个相互靠近的金属电极板中间夹一层电介质构成。 它也是组成电子电路的主要元件,在电路中常起滤波、耦合、振荡、调谐、旁路、通交隔直(通交流电、隔断直流电)等作用。

2.电容器的符号与单位

电容在电路中常用 C 表示,图形符号如图1-41所示。

图1-41 电容的图形符号

电容的单位有F(法拉)、μF(微法)、nF(纳法)、pF(皮法), 它们的换算公式为1F=10 6 μ F=10 9 nF=10 12 pF。

3.电容器的分类

电容的种类很多,按结构分有固定电容、可变电容、微调电容;按介质材料分有铝电解电容、钽电解电容、瓷介电容、涤纶电容、 云母电容 、聚碳酸酯薄膜电容等;按安装方式分有直插电容和贴片电容;按极性分有无极性电容和有极性电容。电解电容是有极性的,其正、负极通常有明显的标记,更换该类元件时,应注意极性,如极性错误会导致元件损坏。各种电容实物如图1-42所示。

图1-42 各种电容实物

4.电容器的标识

固定电容器的参数很多,但在实际使用时,一般只考虑工作电压、电容量和允许误差。

工作电压:也称耐压,是指电容器在连续使用中所能承受的最高电压。

电容量:电容器储存电荷的能力称为电容量,简称容量。

允许误差:实际电容量对于标称电容量的最大允许偏差范围。

电容的识别方法与电阻的识别方法基本相同,有直标法、文字符号法、数码表示法、色标法。

(1)直标法 是将电容的标称容量、耐压及允许误差直接标在电容体上,如图1-43所示。

图1-43 电容的直标法

(2)文字符号法 标记由数字和字母两部分组成,字母可当成小数点,数字和字母共同决定电容的容量。例如,标注为6n8的电容,容量为6.8nF(图1-44);标注为p33的电容,容量为0.33pF;标注为2 μ 2的电容,容量为2.2 μ F。

图1-44 电容的文字符号法

(3)数码表示法 数码表示法一般用三位数字来表示容量的大小,前两个是有效数字,第三个是倍率数(第三个数中0~8分别表示10 0 ~10 8 ,9表示10 - 1 ),单位为pF。例如,103表示10×10 3 =10000pF,224表示22×10 4 =220000pF=0.22 μ F,如图1-45所示。

图1-45 电容的数码表示法

提示

229表示22×10 -1 =2.2pF。

(4)色标法 电容的色标法与电阻的色标法规定相同,其基本单位为pF,一般有三条色环,前两环为有效数字,第三环为倍率数。

5.电容器的检测

电容的质量好坏主要表现在电容量和漏电电阻。电容量可用带有电容测量功能的数字万用表、电容表进行测量,下面介绍使用万用表对电容的简易检测方法。

(1)指针式万用表检测电容

①0.1 μ F以上固定电容的检测 将万用表的电阻挡调到 R ×1k或 R ×10k挡,用表笔接触电容器的两端,表针先向0Ω方向摆动,当达到一个很小的电阻读数后便开始反向摆动,最后慢慢停留在接近电阻无穷大的位置;调换表笔后再次测量,指针也先向0Ω方向摆动后返回到接近电阻无穷大的位置,说明该电容正常。电容容量越大,表针偏转的角度应当越大,指针返回的速度也应当越慢。

a.如果指针不摆动,则说明电容内部已开路。

b.如果指针摆向0Ω或靠近0Ω的数值,并且不向电阻无穷大的方向回摆,则表明电容内部已击穿。

c.如果指针指向0Ω后能慢慢返回,但不能回摆到接近电阻无穷大的位置,则表明电容存在较大的漏电,且回摆指示的电阻越小,漏电就越大。

②0.01 μ F以下固定电容的检测 对于0.01 μ F以下的电容,用万用表只能判断是否发生短路。测量时选用万用表 R ×10k挡,将两表笔分别任意接电容的两个引脚,如果测出阻值为零,可以判定该电容发生短路。

由于0.01 μ F以下的电容容量太小,所以表针还没有来得及反应,充放电过程就已经结束了,由于表针不摆动,无法判断电容是否断路,所以在维修时,如果怀疑某电容有问题,最好的办法是用一个新电容进行替换,若故障现象消失,则可确定原电容有故障。

③电解电容器的检测 因为电解电容的容量较一般固定电容大得多,所以,测量时,应针对不同容量选用合适的量程。根据经验,一般1~47 μ F间的电容,可用 R ×1k挡测量,大于47 μ F的电容可用 R ×100挡测量。由于电解电容本身就存在漏电,所以表针不能完全指向无穷大,而是接近无穷大的读数,这是正常的。而电解电容都是有极性的电容,所以用万用表测量耐压低的电解电容时,应当将黑表笔连接到电容的正极,红表笔连接到电容的负极,以防止电容被反向击穿(黑表笔连接万用表内部电池的正极,红表笔连接内部电池的负极),如图1-46所示。再次测量之前,应先将电容充分放电,即将电解电容的两根引脚短路,如图1-47所示,否则将看不到电容的充放电现象,从而导致测量结果不正确。正常的电容应当有充放电现象,最终表针指示的电阻值大多在数百千欧以上(图1-46)。如果没有充放电现象,或终值电阻很小,或表针的偏转角度很小,则都表明电容已不能正常工作。用此法检查电解电容时,表针的偏转角度随着电容容量的不同有差异,电容的容量越大,表针偏转的角度越大;容量越小,表针偏转的角度也越小。

图1-46 指针式万用表检测电解电容

图1-47 电解电容放电

电解电容器的正、负极性不允许接错,当极性接反时,可能因电解液的反向极化引起电解电容器的爆裂。当极性标记无法辨认时,可根据正向连接时漏电阻大、反向连接时漏电阻相对小的特点判断极性。交换表笔前后两次测量漏电阻,阻值大的一次,黑表笔接触的是正极,因为黑表笔与万用表内电池正极相接,红表笔接的是负极。

(2)数字式万用表检测电容 将数字万用表拨至合适的电阻挡,红表笔和黑表笔分别接触被测电容的两极,这时显示值将从“000”开始逐渐增加,直至显示溢出符号“1”。若始终显示“000”,说明电容器内部短路;若始终显示溢出,则可能是电容内部极间开路,也可能是所选择的电阻挡不合适。检查电解电容器时需要注意,红表笔(带正电)接电容器正极,黑表笔接电容器负极。

有的数字式万用表具有测量电容容量的功能,可将数字式万用表置于电容挡,根据电容量的大小选择适当挡位,待测电容充分放电后,将待测电容直接插到测试孔内(或两表笔分别直接接触进行测量),数字式万用表的显示屏上将直接显示出待测电容的容量,如图1-48所示。

图1-48 数字式万用表检测电容容量

三、电感元件

电感元件(简称电感)是一种能够存储磁场能的电子元件,又称电感线圈。 将绝缘导线一圈一圈地绕在绝缘管上就得到了一个电感线圈。电感也是电子电路重要的元件之一,它具有通直流、阻交流、通低频、阻高频的特性,主要用于调谐、振荡、耦合、扼流、滤波、陷波、偏转等电路。

电感在电路中用 L 来表示,符号为

电感的单位有H(亨)、mH(毫亨)、 μ H(微亨)和纳亨(nH), 它们的换算公式为1H=10 3 mH=10 6 μ H=10 9 nH

1.电感的分类

电感的种类很多,按电感值是否可调可分为固定电感线圈和可变电感线圈;按安装方式可分为贴片式电感、插件式电感;按结构可分为空心线圈、磁芯线圈和铁芯线圈等;按功能可分为振荡线圈、扼流线圈、耦合线圈、校正线圈和偏转线圈等。各种电感实物如图1-49所示。

图1-49 各种电感实物

2.电感的标识

提示

贴片式电感外观上与贴片式电容比较相似,区分的方法是贴片式电容有多种颜色,如褐色、灰色、紫色等,而贴片式电感只有黑色一种。

电感的识别方法也有四种,即直标法、文字符号法、数码表示法、色标法。

(1)直标法 是将电感的标称电感量用数字和文字符号直接标在电感体上,如图1-50所示。

图1-50 电感的直标法

(2)文字符号法 是将电感的标称值和偏差值用数字和文字符号按一定的规律组合标示在电感体上,如图1-51所示。采用文字符号表示的电感通常是一些小功率电感,单位通常为nH或 μ H。用 μ H作单位时,R表示小数点;用nH做单位时,N表示小数点。

图1-51 电感的文字符号法

(3)数码表示法 是用三位数字来表示电感量的方法,常用于贴片式电感上。三位数字中,前两位为有效数字,第三位数字表示有效数字后面所加“0”的个数。

注意

用这种方法读出的电感量,默认单位为微亨( μ H)。例如,标示为“151”的电感为15×10 1 =150 μ H,如图1-52所示。

图1-52 电感的数码表示法

(4)色标法 是在电感表面涂上不同的色环来代表电感量(与电阻类似),通常用三个或四个色环表示。识别色环时,紧靠电感体一端的色环为第一环,露出电感体本色较多的另一端为末环。其第一色环是十位数,第二色环为个位数,第三色环为应乘的倍率数。

例如,色环颜色分别为绿、蓝、金的电感的电感量为5.6 μ H,如图1-53所示。

图1-53 电感的色标法

注意

●用这种方法读出的色环电感量,默认单位为微亨( μ H)。

●色环电感与色环电阻的外形相近,使用时要注意区分,通常色环电感外形短粗,而色环电阻外形细长。

3.电感的检测

检测电感时应先从外观进行检查,看是否有破裂、烧焦等现象,线圈是否有松动,引脚有无折断,若有上述现象,则表明电感已损坏。

然后用万用表定性判断电感的好坏,万用表打到欧姆挡,测线圈的直流电阻,电感的直流电阻值一般很小,大多数不会超过1Ω(图1-54)。用万用表 R ×1Ω挡测线圈的直流电阻,若阻值无穷大说明线圈已经开路损坏;阻值为零,说明线圈完全短路。大多数电感发生故障均是开路,而电感线圈内部发生短路的情况极少,所以在实际检修中主要测量它们是否开路就可以了,或者用一个新电感进行替换来判断。

图1-54 电感的检测

有的数字式万用表具有电感挡,采用这种万用表来检测电感很方便。电感是否开路或局部短路,以及电感量的相对大小可以用万用表作出粗略检测和判断。

四、变压器与点火线圈

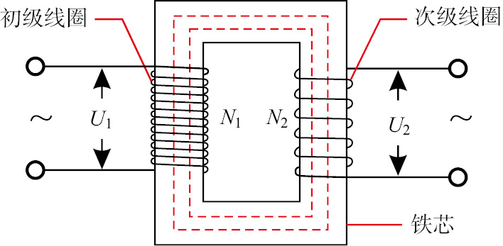
1.变压器

变压器是利用电磁感应的原理来改变交流电压、电流和阻抗的器件,变压器由铁芯(或磁芯)和线圈组成,如图1-55所示。

图1-55 变压器

变压器的工作原理如图1-56所示,与电源相连的绕组称为原绕组或初级绕组,匝数为 N 1 ,与负载相连的绕组称为副绕组或次级绕组,匝数为 N 2 。当初级线圈上加一交流电压时,初级线圈便有电流通过,在次级线圈两端就会产生感应电动势。初级线圈上的电压为 U 1 ,次级线圈上的电压为 U 2 ,初级和次级电压与线圈圈数间具有下列关系:

图1-56 变压器的工作原理

N 2 N 1 时,其感应电动势低于初级电压,即 U 2 U 1 ,这种变压器称为降压变压器。当 N 2 N 1 时,其感应电动势要比初级所加的电压还要高,即 U 2 U 1 ,这种变压器称为升压变压器。

变压器在汽车上的运用比较广泛,如汽车发动机点火系统中的点火线圈、氙气大灯内部的升压变压器(图1-57)及基于变压器原理的传感器等。

图1-57 一汽奔腾B50氙气大灯内部的

2.点火线圈

点火线圈是产生点火所需高压电的一种变压器,它将12V低压电转变成15~20kV的高压电。点火线圈有开磁路式点火线圈和闭磁路式点火线圈两种,常用的点火线圈如图1-58所示。

图1-58 常用的点火线圈

图1-59所示为捷达轿车点火线圈实物与电路图,插头共有4个脚,其中1脚与3脚都为控制脚,分别接发动机控制单元;2脚为供电脚,接12V电源;4脚为接地脚。当1脚和3脚输入控制信号时,高压端头输出高压电,供4个气缸的火花塞点火。

图1-59 捷达轿车点火线圈

五、晶体二极管

1.晶体二极管的结构和特性

晶体二极管简称二极管,它和晶体三极管一样都是由半导体材料制成的。 半导体是指导电性能介于导体和绝缘体之间的一类物质,常用的半导体材料有硅和锗。

半导体材料按导电类型不同,分成P型半导体和N型半导体两类。当把P型半导体和N型半导体结合在一起时,两种半导体之间就会形成一个交界层,称为PN结。简单地说,把一个带有引线的PN结封装在玻璃管、塑料体或金属的外壳里,就构成了二极管。两个半导体层向外导电,由P区引出的电极称为阳极或正极,由N区引出的电极称为阴极或负极。二极管结构及电路符号如图1-60所示。

图1-60 二极管结构及电路符号

二极管的基本特性是单向导电性。 把电池、小灯泡、二极管串联起来,连成图1-61所示的电路。在图1-61(a)中,电池正极接在二极管正极上,电池负极通过小灯泡接在二极管的负极上。闭合开关,这时二极管加的是正向电压,小灯泡发光。在图1-61(b)中,二极管正、负极引线倒换过来,闭合开关,二极管加的是反向电压,小灯泡就不能发光。二极管加上正向电压时电阻很小,能良好导通,加上反向电压时电阻很大,接近开路截止,这就是它的单向导电性。这个特性也可以理解为在电路中,二极管只允许电流从其正极流向负极,不允许反向流通。

图1-61 二极管的单向导电性

2.二极管的种类及运用

二极管按制造材料可分为硅二极管(Si管)、锗二极管(Ge管);按用途的不同可分为整流二极管、稳压二极管、开关二极管、发光二极管、检波二极管、光电二极管、隔离二极管、肖特基二极管等;按结构的不同可分为点接触型二极管、面接触型二极管和平面型二极管。

各种类型的二极管如图1-62所示。

图1-62 各种类型的二极管

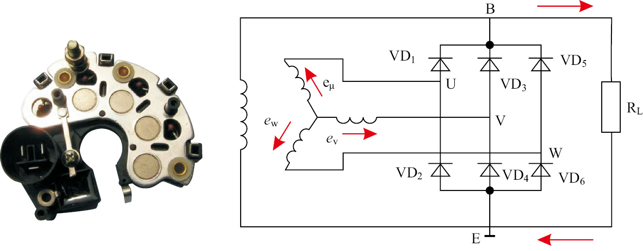
(1)整流二极管 是利用二极管的单向导通特性,将交流电转变为直流电的半导体器件。整流电路有半波整流、全波整流、桥式整流。

汽车发电机上的整流器就是使用整流二极管组成的桥式整流电路,将发电机产生的交流电转换成可供汽车电器使用的直流电,如图1-63所示。

(2)稳压二极管 是一种特殊的面接触型半导体硅二极管,它在电路中与适当电阻配合后能起到稳定电压的作用,故称稳压管(也称齐纳二极管)。稳压管反向电压在一定范围内变化时,反向电流很小,当反向电压增高到击穿电压时,反向电流突然猛增,稳压管从而反向击穿,此后,电流虽然在很大范围内变化;但稳压管两端电压的变化却相当小,利用这一特性,稳压管就在电路中起到稳压的作用了。需注意的是,稳压二极管是加反向偏压的。稳压二极管的电路符号如图1-64所示。

图1-64 稳压二

图1-63 整流器与桥式整流电路

在汽车电路中由于各个电器总成或元件工作电流比较大,使汽车电源系统的电压会出现波动,因此,在一些需要精确电压值的地方经常利用稳压管来获取所需电压。图1-65所示是利用稳压管为汽车仪表提供稳定电源的电路,图中的稳压管与电阻串联而与仪表并联。当电源电压发生变化,也只是引起不同大小的电流流过电阻和稳压管,改变降落在电阻上的电压,而稳压管始终维持一定的电压,从而起到稳压的作用。

图1-65 汽车仪表简化电路

(3)瞬态抑制二极管 又称瞬态二极管(TVS),是一种高效能的保护器件。它通常反向并联在直流电路中的电源(信号)和地之间,一旦电源(信号)线上突然出现瞬间高压,瞬态二极管导通,将高压直接泄放掉,以免瞬时高压串进电路损坏其他元件。

瞬态二极管在汽车电子电路中随处可见,它一般并联在继电器、线圈等旁边起保护作用。图1-66所示为瞬态二极管实物及其运用电路。当继电器线圈正在通电时,二极管是反向偏置的,阻止了电流通过二极管,电流以正常方向通过线圈,继电器正常工作,如图1-67(a)所示。当继电器线圈断电时,就会在线圈中产生一个反向电动势,这个反向电动势正向偏置瞬态二极管,二极管导通,将高压直接泄放掉,如图1-67(b)所示。在这种电路中,二极管起到了对其他电子元件的保护作用,所以也称为保护二极管。

图1-66 瞬态二极管实物及其应用电路

图1-67 瞬态二极管工作电路

(4)发光二极管 发光二极管(LED)与普通二极管一样,由一个PN结组成,也具有单向导电性。另外,发光二极管还可以将电能转化为光能。给发光二极管外加正向电压时,它处于导通状态,当正向电流流过管芯时,发光二极管就会发光,将电能转化成光能。常见的发光二极管发光颜色有红色、黄色、绿色、蓝色等。 发光二极管电路符号、内部结构及实物如图1-68所示。

图1-68 发光二极管电路符号、内部结构及实物

在汽车电路中发光二极管随处可见,主要应用在仪表板上作为指示信号灯或报警信号灯。例如,燃油量过少、防抱死制动系统失效、制动蹄片过薄、制动灯烧坏、轮胎压力过低等,这时相应的发光二极管就会被接通发光,发出报警指示,如图1-69所示。

图1-69 仪表上的部分报警信号灯

LED还用于一些开关的指示信号灯,如自动变速器挡位指示灯(图1-70)、前照灯光束高度调整开关指示灯(图1-71)。

图1-70 宝马汽车自动变速器挡位指示灯

图1-71 卡罗拉前照灯光束高度调整开关指示灯电路

目前LED已经广泛地应用在汽车灯光系统上,如车外的日间行车灯、尾灯、转向灯、高位制动灯(图1-72)及车内的照明灯等。

图1-72 汽车 LED车外灯

(5)光电二极管 又称为光敏二极管,它是一种将光信号变成电信号的半导体器件。它的核心部分也是一个PN结,和普通二极管相比,在结构上不同的是,光电二极管的外壳上有一个透明的窗口以接收光线照射,实现光电转换。光电二极管的电路符号、结构及实物如图1-73所示。

图1-73 光电二极管的电路符号、结构和实物

光电二极管是在反向电压作用下工作的。工作时加反向电压,没有光照时,其反向电阻很大,只有很微弱的反向饱和电流(暗电流)。当有光照时,就会产生很大的反向电流(亮电流),光照越强,亮电流越大。

利用光电二极管制成光电传感器,可以把非电信号转变为电信号,以便控制其他电子元器件。汽车上的许多传感器就是用光电二极管制成的,如汽车自动空调系统的日照强度传感器,汽车点火系统中的光电式曲轴位置传感器,以及灯光自动控制器中用来检测车辆周围亮、暗程度的光传感器等。

图1-74所示为上海大众朗逸自动空调系统阳光照射光电传感器电路图。日照强度传感器可以把太阳的照射情况转换成电流的变化,车内自动空调计算机对这种变化进行检测,来调节排风量和排风口温度。

图1-74 上海大众朗逸自动空调系统阳光

提示

光电二极管的电路连接方式大部分与稳压管类似,是反向工作,即负极接高电位,正极接低电位。

3.二极管的识别

在二极管电路符号中,三角形一端为正极,短杠一端为负极。因为二极管具有单向导电性,在电路中,电流只能从正极流进二极管,从负极流出二极管。二极管符号旁边的“+”“-”极性是为了便于说明问题加上去的,实际画电路图时一般都不加注。在看电路图时,初学者往往对二极管的符号哪边是正极、哪边是负极分不清楚,这时可把二极管的符号看成是一个漏斗(口大下边小),水只能从漏斗大口入、从小口出,水流即电流,电流是由二极管的正极入、负极出的,这样就能很自然地记住符号的三角形一边是二极管的正极了。

二极管的外壳上只标注型号和极性,不会像电阻、电容、电感那样标注出它的主要参数,根据二极管的外壳标志,可以区分出两管脚的正、负极性来。国产的二极管通常将电路符号印在管壳上,直接标示出引脚极性,如图1-75(a)所示。有的二极通常在负极一端印上一道色环作为负极标记,如图1-75(b)所示。发光二极管(未剪引脚的新发光二极管)的正、负极可从引脚长短来识别,长脚为正,短脚为负,如图1-75(c)所示;另外发光二极管多采用透明树脂封装,管心下部有一个浅盘,观察里面金属片的大小,通常金属片大的一端引脚为负极,金属片小的一端引脚为正极。

图1-75 二极管管脚的识别

4.二极管的检测

(1)普通二极管的检测 普通二极管(包括检波二极管、整流二极管、开关二极管、瞬态抑制二极管)利用它的单向导电特性,可使用万用表进行检测。

①用指针式万用表检测 把万用表置 R ×100Ω或 R ×1kΩ挡处,将红、黑两表笔接触二极管两端,测出阻值;将红、黑表笔对换再测出一个阻值。若两次测得的阻值相差很大,说明该二极管单向导电性好,并且阻值大(几百千欧以上)的那次红笔所接的为二极管正极;若两次测得的阻值相差很小,说明该二极管已失去单向导电性;若两次测得的阻值均很大,说明该二极管已经开路。

②用数字式万用表检测 通常数字式万用表设有专门测量二极管的挡位,可检测管子的好坏,其具体方法如图1-76所示。

图1-76 普通二极管的测量

首先,将万用表的挡位选择开关旋至测量二极管的“ ”挡位置,把红表笔插头插入“V/Ω”插孔,黑表笔插头插入“COM”插孔。将两表笔分别接触二极管的两个电极,如果显示溢出符号“0L”或“1”,说明二极管处于反向截止状态,此时黑表笔接的是二极管正极,红表笔接的是二极管负极。反之,如果显示一定的电压值(正常硅管为0.500~0.700V,锗管为0.150~0.300V),则二极管处于正向导通状态,此时与红表笔接的是二极管正极,与黑表笔接的是二极管负极。

如果两次测量值都显示“0L”或“1”,说明二极管开路损坏。如果两次测量值都很小或接近0,说明二极管击穿短路或漏电损坏。

(2)稳压二极管的检测 稳压二极管极性与性能好坏的测量与普通二极管的测量方法相似,不同之处在于,当使用指针式万用表的 R ×1kΩ挡测量二极管时,测得其反向电阻是很大的,此时,将万用表转换到 R ×10kΩ挡,如果出现万用表指针向右偏转较大角度,即反向电阻值减小很多,则该二极管为稳压二极管,如果反向电阻基本不变,说明该二极管是普通二极管,而不是稳压二极管。

稳压二极管的测量原理是,万用表 R ×1k挡的内电池电压较小,通常不会使普通二极管和稳压二极管击穿,所以测出的反向电阻都很大,当万用表转换到 R ×10kΩ挡时,万用表内电池电压变得很大,使稳压二极管出现反向击穿现象,所以其反向电阻下降很多,由于普通二极管的反向击穿电压比稳压二极管高得多,因而普通二极管不击穿,其反向电阻仍然很大。

(3)发光二极管好坏的判断 用指针式万用表 R ×10kΩ挡,测量发光二极管的正、反向电阻值。正常时,正向电阻值(黑表笔接正极时)应小于30kΩ,反向电阻应大于1MΩ。较高灵敏度的发光二极管,在测量正向电阻值时,管内会发微光。若正、反向电阻值均为零,说明内部击穿短路;若正、反向电阻值均为无穷大,说明内部开路。

也可以使用万用表的“hFE”挡位来检测。将转换开关拨至“hFE”处,然后将发光二极管的正极端插入“NPN”的C孔中,负极端插入e孔中,管子发光为正常。若不发光,则说明管脚插反或管子已坏。

(4)光电二极管的检测 其检测方法与普通二极管基本相同,不同之处是,有光照和无光照两种情况下,反向电阻相差很大。

具体测量方法: 用万用表 R ×100Ω或 R ×1kΩ挡。在无光照情况下,正向电阻应为10kΩ左右,反向电阻应为无穷大,然后让光照着光电二极管,反向电阻随光照强度增加而减小,光线特强时反向电阻可降到1kΩ以下,这样的管子就是好的,若正、反向电阻都是无穷大或零,说明管子是坏的。

六、晶体三极管

晶体三极管简称三极管,是半导体基本元器件之一,具有电流放大作用,是电子电路的核心元件。三极管由两个相距很近的PN结组成。一块半导体晶片上制造三个掺杂区,形成两个PN结,将三个区分别引出三个电极(三个电极分别称为基极b、集电极c和发射极e),用管壳封装,就得到了一个三极管。各种三极管实物如图1-77所示。

图1-77 各种三极管实物

1.三极管的结构

根据两个PN结的组合方式不同,三极管可分为NPN型和PNP型。取一小块半导体,如果将半导体的中间制成很薄的P型区,两边制成N型区,即构成NPN型三极管;同理,如果将半导体的中间制成很薄的N型区,两边制成P型区,即构成PNP型三极管。三极管在电路中常用字母“Q”“V”或“VT”加数字表示,三极管的结构及电路符号如图1-78所示。

图1-78 三极管的结构和电路符号

2.三极管的工作原理

三极管的主要功能是电流放大作用和开关作用。 下面以一个NPN型三极管为例介绍三极管的工作原理。

(1)三极管的放大作用 就是利用基极电流控制集电极电流。三极管的电流很像一个水龙头,水龙头拧开(基极路径)越大,水龙头(集电极/发射极路径)流出的水就越多,如图1-79所示。三极管可以被视为一个电流的控制阀,集电极和发射极是电流的通路,而基极就是控制这个电流的阀门,只不过这个阀门不是靠旋转来改变通路的大小,而是靠本身流过的电流来控制的。图1-80所示为一个NPN型三极管工作原理。PNP 型三极管的工作原理相同,但电流流动方向相反。

图1-79 三极管与水龙头类比

图1-80 NPN型三极管工作原理

当基极电压 U BE 有一个微小的变化时,基极电流 I B 也会随之有一个小的变化,受基极电流 I B 控制的集电极电流 I C 会有一个很大的变化,基极电流 I B 越大,集电极电流 I C 也越大,反之,基极电流越小,集电极电流也越小,即基极电流控制集电极电流的变化。但是集电极电流的变化比基极电流的变化大得多,这就是三极管的放大作用。三极管是一种电流放大器件,但在实际使用中常常利用三极管的电流放大作用,通过电阻转变为电压放大作用。

(2)三极管的开关作用 三极管有三种工作状态,即截止、放大、饱和。 当三极管在基极电流控制下,截止与饱和两种状态交替变换,就如同一个开关的断开与闭合,这就是三极管的开关作用。

根据三极管连接的外部电路条件,当NPN型三极管连接成如图1-81所示电路时,基极b与发射极e电位差小于0.7V,这种情况称为基极加了反向偏压。在这种状态下,三极管不导通,没有电流流动,称为三极管的截止状态。如果把ce间视为一个开关的两端,截止状态相当于开关断开。

图1-81 三极管的截止状态

当NPN型三极管的基极b与发射极e电位差大于0.7V,基极加了正向偏压,三极管导通,进入放大状态,在放大状态,三极管ce之间的电流是随着基极b的电流增大而增大的。但是,当三极管的基极电流增加到一定值时,再增大正向偏压,加大基极电流,ce之间的电流会维持在一个最大值而不再增大了,这种状态称为三极管的饱和状态。在饱和状态,三极管ce之间电位差很小,几乎为零,相当于一个开关的两端闭合。

3.三极管在汽车电路中的运用

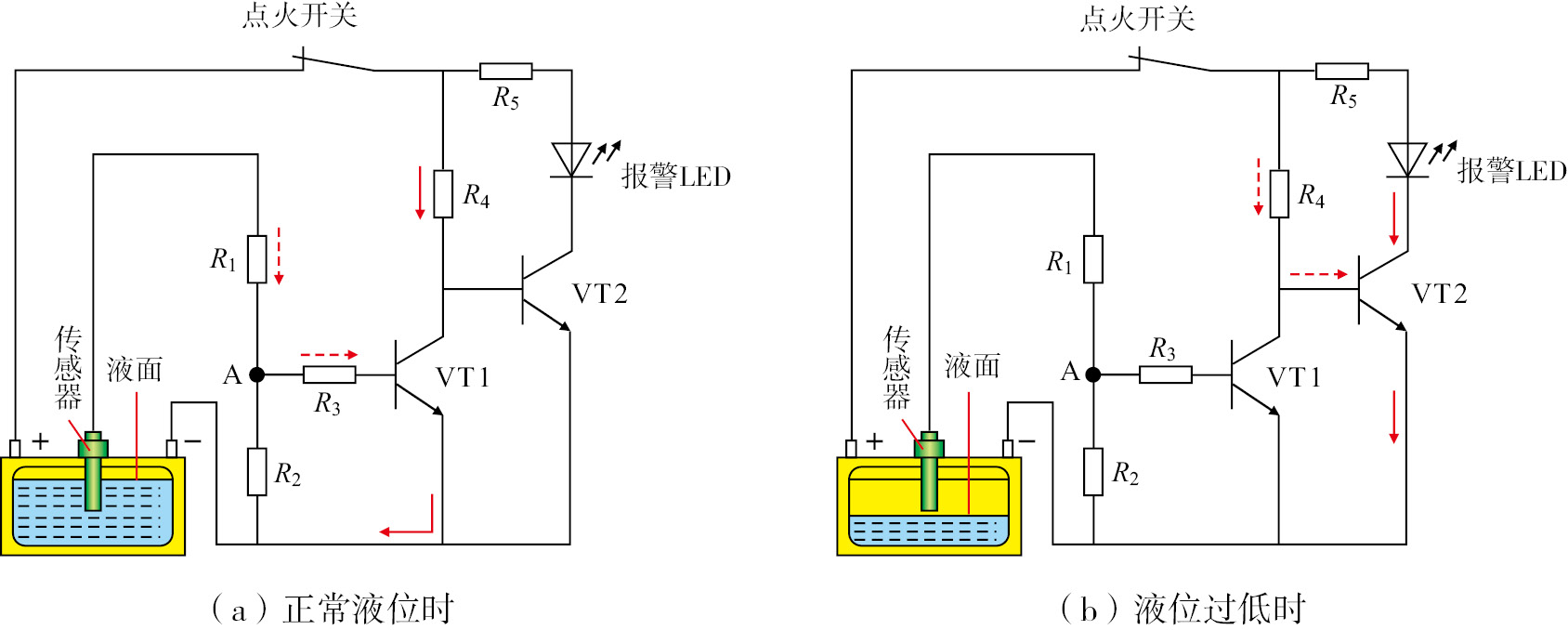
三极管在汽车电子电路中通常有两种运用,一种是利用三极管的放大功能,对微弱的传感器信号进行放大后,传给ECU;另一种是利用三极管的截止与饱和两个状态互相变换,作为一个电子开关,控制其他电子元件,如喷油器、继电器、指示灯等。图1-82所示为蓄电池液位报警电路,报警电路的传感器为装在蓄电池盖子上的铅棒。

当蓄电池液位处于正常液位时,如图1-82(a)所示,铅棒浸在蓄电池液中,铅棒(相当于正极)与蓄电池的负极之间存在电位差,三极管VT 1 的基极流过电流,VT 1 处于饱和导通状态,VT 1 的ce之间电位几乎相等,A点电位几乎为零,三极管VT 2 截止,报警灯(发光二极管)不亮。

当蓄电池液位低于规定要求时,如图1-82(b)所示,铅棒未能浸入蓄电池液中,铅棒与蓄电池的负极之间没有电位差,三极管VT 1 的基极没有电流,VT 1 处于截止状态,A点电位上升,三极管VT 2 的基极b有电流流入,三极管VT 2 饱和导通,报警灯亮,提醒驾驶员蓄电池液量不足。

图1-82 蓄电池液位报警电路

4.三极管的检测

判定的方法主要有目测和万用表检测两种方法,实际工作中经常采用目测法,在目测法不能作出准确判断时,再利用万用表进行检测。

(1)目测法

①管型的判别 一般情况下,管型是NPN还是PNP应该从管壳上标注的型号来判别。三极管型号的第二位(字母)A、C表示PNP管,B、D表示NPN管。例如,3AX、3CG、3AD、3CA等均表示PNP型三极管,3BX、3DG、3DD、3DA等均表示NPN型三极管。

此外,国际流行的9011~9018系列三极管,除9012、9015为PNP管外,其余标号均为NPN管。

②管脚极性的判别 常用的小功率三极管有金属圆壳封装和塑料封装(半圆柱形)等,管脚排列如图1-83(a)所示。大功率三极管的外形有金属壳封装[扁柱形,管脚排列如图1-83(b)所示]以及塑料封装(扁平、管脚直列)等形式。

对于小功率管,图1-83(a)中列出了管脚排列方式,为便于记忆,总结如下:

总结

金属圆壳封装:“头向下,腿向上,大开口朝自己,左发右集电”。

塑料半圆柱封装:“头向下,平面向自己,左起cbe”。

对于大功率管,金属壳扁柱形封装按照图1-83(b)中列出的管脚排列方式判别即可。塑料扁平封装、管脚直列封装,没有统一形式,要通过万用表检测判别。

贴片三极管有三个电极的,也有四个电极的。一般三个电极的贴片三极管从顶端往下看有两边,上边只有一脚的为集电极,下边的两脚分别是基极和发射极,如图1-83(c)所示。在四个电极的贴片三极管中,如图1-83(d)所示,比较大的一个引脚是三极管的集电极,另有两个引脚相通是发射极,余下的一个是基极。

图1-83 常用三极管的封装形式和管脚排列

(2)用万用表进行检测 利用数字式万用表二极管挡或hFE挡可以判别三极管类型和e、b、c三个极,还可以测量管子的共发射极电流放大系数hFE。

找出基极: 将数字式万用表置于二极管挡,红表笔固定任接某个引脚,用黑表笔依次接触另外两个引脚,如果两次显示值均小于1V或都显示溢出符号“OL”或“1”,则红表笔所接的引脚就是基极(图1-84);如果在两次测试中,一次显示值小于1V,另一次显示溢出符号“OL”或“1”(视不同的数字式万用表而定),则表明红表笔接的引脚不是基极,应更换其他引脚重新测量,直到找出基极为止。

图1-84 找基极

找出集电极和发射极: 基极确定后,用红表笔接基极,黑表笔依次接触另外两个引脚,如果显示屏上的数值都显示为0.6~0.8V,则所测三极管属于硅NPN型中、小功率管,其中,显示数值较大的一次,黑表笔所接引脚为发射极;如果显示屏上的数值都显示为0.4~0.6V,则所测三极管属于硅NPN型大功率管,其中,显示数值大的一次,黑表笔所接的引脚为发射极。

用红表笔接基极,黑表笔先后接触另外两个引脚,若两次都显示溢出符号“OL”或“1”,调换表笔测量,即黑表笔接基极,红表笔接触另外两个引脚,显示数值都大于0.4V,则表明所测三极管属于硅PNP型,此时数值大的那次,红表笔所接的引脚为发射极。

数字式万用表在测量过程中,若显示屏上的显示数值都小于0.4V,则所测三极管属于锗管。

测三极管的放大倍数:hFE是三极管的直流电流放大系数,有的数字式万用表具有hFE挡,用数字式万用表的hFE挡,可进行测量,如图1-85所示,将三极管的三个管脚插入测试插孔内,当能测试出放大倍数时,插孔边标注的e、b、c即是插孔内三极管管脚的名称。

图1-85 测三极管的放大倍数

七、保险装置

为了防止过载和短路时烧坏用电设备和导线,在电源与用电设备之间串联有保险装置。汽车常见的保险装置有易熔线和保险丝,电路符号如图1-86所示。

图1-86 易熔线和保险丝电路符号

1.易熔线

易熔线是一种截面积小于被保护电线截面积,可长时间通过额定电流的铜芯低压导线或合金线。 易熔线用于保护工作电流较大的电路,通常安装在电路的起始端(如蓄电池正极接线柱上),易熔线的外面包有一层特殊的不易燃绝缘体。当线路中有超过额定电流数倍的电流时,易熔线首先熔断。易熔线由电线线段及端子等组成,如图1-87所示。

图1-87 易熔线

注意

当易熔线熔断时,一定是主电路和大电流电路发生故障,必须先找出短路的原因,待排除故障后,才能更换相同规格的易熔线。不能随意更换比规定容量大的易熔线或者用粗导线代替,并且易熔线的四周不能用聚四氟乙烯塑料带包扎。

2.保险丝

保险丝又称熔断器、熔丝,是一种连接在电路上用以保护电路的一次性元件,当电路上电流过大时,使其中的金属线或片产生高温而熔断,导致开路而中断电流,以保护电气元件免于受到伤害。 保险丝按结构分有玻璃管式、连接式、插片式等, 如图1-88所示。

图1-88 各种保险丝

玻璃管式保险丝一般用于不大于20A的电路中,它需要塑料管固定。

连接式保险丝一般用于较大功率的用电设备,有40A、50A、60A、70A、80A、90A、100A、120A等几种。

在汽车电路中,采用较多的是插片式保险丝。插片式保险丝又分为大保险丝、中保险丝、小保险丝三种。 插片式保险丝有工程塑料外壳,包裹着锌或铜制成的熔体结构,金属熔体和插脚连接。汽车插片式保险丝的规格一般为2A至40A,其容量数值会在保险丝的顶端标注。如果保险丝烧坏了无法辨认容量,还可以通过它的颜色来判断。国际标准上:2A—灰色、3A—紫色、4A—粉色、5A—橘黄、7.5A—棕色、10A—红色、15A—蓝色、20A—黄色、25A—无色透明、30A—绿色、35A—浅紫色、40A—深橘色。保险丝通常都是组合在一起安装在保险丝盒内,并在保险丝盒盖上注明保险丝的名称、容量和位置。各种颜色的插片式保险丝如图1-89所示。

图1-89 各种颜色的插片式保险丝

通常一辆车拥有两个保险丝盒,一个位于发动机舱内,另一个位于驾驶室内。发动机舱内的保险丝盒一般在车辆的发动机舱边缘,负责汽车外部的用电器,如喇叭、玻璃清洗器、ABS、大灯等;驾驶室内的保险丝盒一般位于中控台靠近车门的一侧或在转向盘的下面,管理着车内的用电器,如车窗升降器、安全气囊、电动座椅、点烟器等。

汽车出现因保险丝导致的故障,可按下面的方法查找并更换保险丝。

①查找保险丝盒位置。发动机舱内的保险丝盒一般在车辆的发动机舱边缘(图1-90);驾驶室内的保险丝盒一般位于中控台靠近车门的一侧或在转向盘的下面(图1-91)。

图1-90 发动机舱内的保险丝盒

图1-91 驾驶室内的保险丝盒

②查阅保险丝对照表找到保险丝位置。按保险丝盒盖子内的保险丝对照表,可以查找相应的保险丝位置。有了所要找保险丝具体位置图,便可以找到保险丝在车内的实际位置,保险丝对照表与保险丝盒如图1-92所示。

图1-92 保险丝对照表与保险丝盒

③利用汽车配备的拆卸器(图1-93)拔出损坏的保险丝,换上备用的新保险丝即可。目前车辆使用的插片式保险丝没有正负极之分,因此在更换保险丝时只要注意保险丝大小和容量即可。

图1-93 专用工具

保险丝更换注意事项如下。

①保险丝容量要正确。在更换保险丝前必须切断所连电气部件及点火开关的电源,并选择与原保险丝相同容量的保险丝,不能随意加大保险丝的电流规格,更不能用铁丝代替。

②没有备用保险丝时的更换。在没有备用保险丝的情况下,紧急时,可以用对驾驶及安全没有影响的其他设备上的保险丝代替。如果不能找到具有相同电流负荷的保险丝,则可采用比原保险丝额定电流低的保险丝代替。

③在拆下、插入保险丝时,必须使用拆卸器。在拆装保险丝时,进出要保持平直,不能扭动,否则会使端子卡口张开过大,导致接触不良。

④如果保险丝连续烧断,说明电路存在短路,必须检查整个电气系统。

八、继电器

继电器是汽车控制电路中常用的一种元件,它是利用电磁感应原理,控制某一回路的接通或断开,实现用小电流控制大电流,从而减小控制开关触点的电流负荷,保护开关触点不被烧蚀。汽车上广泛使用电磁式继电器,常见的继电器有供电继电器、启动继电器、喇叭继电器、雾灯继电器、雨刮继电器等。

1.继电器的分类

继电器按接通及断开方式可分为常开继电器、常闭继电器和常开、常闭混合型继电器, 其外形、脚位分布及内部原理如图1-94所示。

图1-94 几种常见的继电器

2.继电器的结构

电磁式继电器一般由铁芯、线圈、衔铁、回位弹簧、触点等组成, 图1-95所示为常开、常闭混合型继电器内部结构。

图1-95 常开、常闭混合型继电器内部结构

3.继电器的工作原理

继电器的工作原理如图1-96所示,当开关闭合时,线圈两端加上一定的电压,线圈中就会流过一定的电流,从而产生电磁效应,衔铁就会在电磁力吸引的作用下克服回位弹簧的拉力吸向铁芯,从而带动衔铁的动触点与静触点(常开触点)吸合,此时红色灯泡亮起。当线圈断电后,电磁的吸力也随之消失,衔铁就会受到弹簧的反作用力返回原来的位置,使动触点与静触点(常闭触点)吸合,此时绿色灯泡亮起。这样吸合、释放,从而达到了使电路导通、切断的目的。对于继电器的常开、常闭触点,可以这样来区分:继电器线圈未通电时处于断开状态的静触点称为常开触点,处于接通状态的静触点称为常闭触点。继电器一般有两个电路,一个为控制电路,另一个为工作电路。

图1-96 继电器的工作原理

图1-97所示为大众汽车上的X触点卸荷继电器,30端为继电器触点供电输入端,87端为继电器触点供电输出端,86端为线圈供电端,85端为线圈接地端。

图1-97 大众汽车上的X触点卸荷继电器

当继电器线圈通电工作时,电流经过端子86及85,使线圈励磁,由于线圈的磁力吸引,使30端与87端间的触点闭合。

当线圈断电时,线圈的磁力也随之消失,活动触点就会受到弹簧的反作用力返回原来的位置,使30端与87端间的触点断开。

4.继电器的安装位置

继电器一般安装在中央配电盒内,如图1-98所示。

图1-98 继电器的安装位置

九、灯泡

汽车上的各种灯泡主要起照明或传递信号的作用,电路符号如图1-99所示。汽车上的灯具按照灯泡的安装位置来分,又可分为外部灯具和内部灯具。外部灯具主要有前照灯、雾灯、牌照灯、转向灯、倒车灯、制动灯、后尾灯等;内部灯具主要有顶灯、仪表照明灯、车厢灯、车门灯等。各种照明与信号灯的安装位置如图1-100所示。

图1-99 灯泡电路符号

图1-100 各种照明与信号灯的安装位置

1.外部灯具

(1)前照灯 俗称大灯,安装在汽车头部的两侧,夜间用来照亮前方的道路,有些车型也兼作超车信号灯。灯光为白色,有两灯制和四灯制两种配置方式,远光灯一般功率为40~100W,近光灯一般功率为30~90W。常用的大灯灯泡有卤素灯泡和氙气灯泡 ,如图1-101所示。

图1-101 前照灯灯泡

(2)雾灯 安装在汽车头部或尾部。在雾天、雨雪天或尘埃弥漫的情况下使用,用来改善车前道路的照明。前雾灯一般安装在汽车前保险杠上,光色为黄色或白色,功率为35~55W。后雾灯用来警示尾随车辆保持一定的安全距离,光色为红色,功率为21W,一般安装在汽车后保险杠上。雾灯灯泡如图1-102所示。

图1-102 雾灯灯泡

(3)牌照灯 安装在汽车尾部的牌照上方或左右两侧,其作用是夜间照亮汽车牌照,牌照灯光色为白色,功率一般为5~15W。牌照灯灯泡如图1-103所示。

图1-103 牌照灯灯泡

(4)转向灯 装于汽车头部、尾部及左右两侧,在车辆距转弯路口30~100米左右时打开,断续闪亮,以提示前后左右的车辆和行人注意。在危急状态时,全部转向灯可通过危险警报灯开关接通同时闪烁。转向灯光色为黄色,主转向灯功率一般为20~25W,侧转向灯功率一般为5W。转向灯灯泡如图1-104所示。

图1-104 转向灯灯泡

(5)倒车灯 安装在汽车尾部的左右两侧。倒车时,变速器上的倒车灯开关将电路接通,倒车灯点亮,照亮车后路面,并警示车后的车辆和行人,表示该车正在倒车。倒车灯光色为白色,功率为21W左右。倒车灯灯泡如图1-105所示。

图1-105 倒车灯灯泡

(6)制动灯 俗称“刹车灯”,安装在汽车尾部两侧,高位制动灯一般安装在车尾上部。当踩下制动踏板时,制动灯开关将电路接通,制动灯点亮,警示后方车辆及行人保持一定安全距离。制动灯光色为红色,功率为21W左右,采用发光二极管(LED)的制动灯功率为1~3W。制动灯灯泡与高位制动灯如图1-106所示。

图1-106 制动灯灯泡与高位制动灯

(7)示位灯 又称示宽灯、位置灯,安装在汽车前面、后面和侧面,夜间行车或停车时以标志车辆的形位,示宽灯功率一般为5~10W,采用发光二极管(LED)的功率一般为1~3W。前示位灯俗称小灯,光色为白色或蓝色;后示位灯俗称尾灯,光色为红色;侧示位灯光色为琥珀色。

(8)驻车灯 装于车头和车尾两侧。夜间驻车时,将驻车灯接通以标志车辆的形状、位置,警示车辆及行人注意避让,以防碰撞。车前驻车灯为白色,车尾处为红色,功率为3W。

2.内部灯具

(1)顶灯 安装在驾驶室的顶部(图1-107),除用作车室内照明外,还有监视车门是否可靠关闭的作用,灯光为白色,功率为5~15W,公共汽车或客车顶灯一般采用荧光灯。

图1-107 顶灯

(2)阅读灯 装于乘员席顶部或侧面(图1-108),照明范围较小,有的还有光轴方向调节功能,阅读灯点亮时不会使驾驶员产生眩目。顶灯及阅读灯灯泡如图1-109所示。

图1-108 阅读灯

图1-109 顶灯及阅读灯灯泡

(3)仪表照明灯 装在仪表板背面,用来照明仪表指针及刻度板(图1-110)。仪表照明灯一般与示位灯、牌照灯并联。仪表照明灯功率为2~8W。

图1-110 仪表照明灯

(4)行李厢灯 装于轿车或客车行李厢内(图1-111),当开启行李厢盖时,开关接通,行李厢灯点亮,照亮行李厢空间。行李厢灯功率为5~10W。

图1-111 行李厢灯

(5)门灯 装于轿车车门内侧(图1-112),开启车门时,门灯发光,以告示后来行人、车辆注意避让。门灯光色为红色,功率一般为5W左右。

图1-112 门灯

(6)报警及指示灯 指示灯用于指示某一系统是否处于工作状态,灯光一般为绿色或蓝色,功率为2W。如远光指示灯、转向指示灯、雾灯工作指示灯等。报警灯一般为红色、黄色,常见的报警灯有充电报警灯、制动系统报警灯、机油压力过低报警灯、发动机故障报警灯、冷却液温度报警灯等。报警及指示灯如图1-113所示。

图1-113 报警及指示灯

(7)踏步灯 安装在中大型客车门梯处(图1-114),以方便乘客夜间上下车。

图1-114 踏步灯

十、开关装置

汽车上电器控制开关种类较多,如点火开关、灯光组合开关、刮水器及洗涤器开关、转向灯开关、空调开关、车窗玻璃升降开关、后视镜调节开关等,不同的开关控制不同的用电设备。下面分别介绍汽车电器中几个重要的开关。

1.点火开关

点火开关是汽车电路中最重要的开关,主要用来控制点火电路,另外还控制发电机磁场电路、仪表及照明电路、启动继电器电路以及辅助电器电路。常用的点火开关有三挡位式与四挡位式。

(1)三挡位式点火开关 三挡位式点火开关具有0、Ⅰ、Ⅱ(或LOCK、ON、START)挡位。0挡时钥匙可自由插入或拔出,顺时针旋转40°至Ⅰ挡,继续再旋转40°为Ⅱ挡,外力消除后能自动复位到Ⅰ挡。图1-115所示为捷达轿车点火开关。

点火开关位于0位置: 点火开关处于关闭状态,汽车转向盘被锁死,具有防盗功能,此时电源总线30与P端接通,操作停车灯开关,可使停车灯点亮,与点火开关是否拔下无关,如将点火开关钥匙插入,将使30与SU端接通,蜂鸣器可工作。

点火开关位于Ⅰ位置: 启动后,松开点火开关钥匙,点火开关将自动逆时针旋转回到位置Ⅰ,这是工作挡,这时P端无电,而15、X、SU三端通电,15通电使点火系统继续工作,X通电使前照灯、雾灯等工作,以满足夜间行驶的需要。

点火开关位于Ⅱ位置: 电源总线30与50、15、SU端接通,使起动机运转,30与15接通使点火系统工作。因P端断电,停车灯不能工作;因X端断电,前照灯、雾灯等不能工作,这样就将前照灯、雾灯等耗电量大的用电设备关闭,达到卸荷目的,以满足启动时需要瞬间大电流输入起动机的需要,发动机启动后,应立即松开点火开关,使其回到位置Ⅰ,切断起动机的电流,起动机驱动齿轮退回。

图1-115 捷达轿车点火开关

(2)四挡位式点火开关 现代汽车大量采用四挡位式点火开关。四挡位式点火开关有LOCK、ACC、ON、START(或0、Ⅰ、Ⅱ、Ⅲ)四个挡位(图1-116),在三挡位的基础上增加了一个ACC电气附件元件工作挡,其他不变。

图1-116 四挡位式点火开关实物

锁车后钥匙会处于LOCK状态,此时钥匙不仅锁住转向盘转轴,同时切断全车电源。

ACC状态是接通汽车部分电器的电源,如音响、车灯等。

正常行车时钥匙处于ON状态,这时全车所有电路都处于工作状态。

START或ST挡是发动机启动挡位,启动松开点火开关,点火开关会自动恢复到ON挡。

图1-117所示为长城哈弗四挡位式点火开关示意图及电路图,点火开关的BT1、BT2端子为供电输入,ACC端子输出至ACC卸荷继电器,IG2端子输出至IG卸荷继电器空调,IG1端子输出至发电机、发动机ECU和油泵继电器,ST端子为启动控制,K1端子输出至中央门锁控制器,K2为接地端。

图1-117 长城哈弗四挡位式点火开关示意图及电路图

(3)带智能进入和启动系统的点火开关 随着汽车电子技术的发展,越来越多的车辆使用智能进入和启动系统,其点火开关使用的是带智能进入和启动系统的点火开关。图1-118所示为长城哈弗H6一键启动开关。

图1-118 长城哈弗H6一键启动开关

当智能钥匙在车内时,按下“ENGINE START STOP”开关(一键启动开关),能切换开关模式、启动发动机或关闭发动机。

停车状态下,不踩离合踏板(手动挡车辆)或者制动踏板(自动挡车辆),直接按压一键启动开关,可切换开关模式。每按压一次一键启动开关,开关按照表1-1所示的顺序进行模式切换。可依据开关上的工作指示灯颜色,确认开关的状态。一键启动开关上的指示灯如图1-119所示。

图1-119 一键启动开关上的指示灯

表1-1 哈弗H6一键启动开关上工作指示灯颜色及开关状态说明表

提示

①启动发动机时,如果一键启动开关的绿色指示灯闪烁,则表明电子转向锁解锁失败,此时左右轻轻转动转向盘,即可解除锁定。

②如果一键启动开关上的琥珀色指示灯闪烁,这表明一键启动系统存在故障,应立即关闭发动机。

2.灯光组合开关

在一部分汽车上照明灯光和信号灯光采用组合开关控制,即小灯、大灯、变光、转向、会车闪光等都用一个开关控制。常见的是旋转式组合开关,大多数安装在转向盘左下方转向柱上,用左手操纵,如图1-120所示。

图1-120 灯光组合开关

灯光关闭,全部灯光熄灭; 前小灯、尾灯、牌照灯、仪表板灯点亮; 近光灯打开,前小灯、尾灯、牌照灯、仪表板灯仍然点亮,在此挡时,向前推手柄即可变远光。

时可使用雾灯。如图1-122所示,向前旋转旋钮,打开雾灯,向后旋转旋钮,关闭雾灯。可以从组合仪表上看到雾灯的开关状态。旋钮向前转动1次,打开前雾灯;旋钮再向前转动1次,后雾灯与前雾灯同时点亮。

图1-121 前照灯开关的操作

图1-122 雾灯开关的操作

(3)转向信号灯开关 下拨灯光组合开关,左转向信号灯就会闪烁,表示向左转;上拨灯光组合开关,右转向信号灯就会闪烁,表示向右转(图1-123)。

3.刮水器及洗涤器开关

洗涤器是向挡风玻璃上喷水,而刮水器是将挡风玻璃刮拭干净,确保驾驶员有良好的视线。刮水器及洗涤器开关一般安装在转向盘右下方,如图1-124所示。

图1-123 转向信号灯的操作

刮水器及洗涤器开关一般分以下几个挡:OFF关闭位置,当刮水器开关置于OFF挡时,自动回位装置与电动机低速接通,转到一定角度后停转; 间歇工作,当向上拨动操作杆到1挡时,自动回位装置与电动机低速仍然接通,同时电源与间歇继电器一端接通,间歇继电器进入间歇工作状态;LOW低速工作:当向上拨动操作杆到2挡时,电源与电动机低速接通,电动机低速运转;HIGH高速工作,当向上拨动操作杆到3挡时,电源与电动机高速接通,电动机高速运转;1x点动刮水,当在OFF位置向下拨动操作杆时,电动机低速短暂接通,电动机短促运转; 向后拨动操作杆可使风窗洗涤液喷出,可对车窗玻璃进行洗涤。

图1-124 刮水器及洗涤器开关

十一、导线与线束

汽车用导线按承受电压的高低,可分为高压导线和低压导线两种。其中低压导线按其用途来分,又有普通低压导线、带状导线、低压电缆线三种(图1-125)。汽车充电系统、仪表、照明、信号及辅助电器等,均使用普通低压导线,而起动机与蓄电池的连接线、蓄电池与车架的搭铁线等则采用电缆线;点火线圈或点火模块至发动机各缸火花塞上的(高压)分线,则使用特制的高压点火线。

图1-125 汽车低压导线

1.低压导线

(1)导线的截面积 是指经过换算而统一规定的线芯截面积。选择导线时,主要根据绝缘、流过导线的电流大小和机械强度选择。对于一些工作电流较小的电器,为保证具有一定的机械强度,汽车电器中导线截面积不得小于0.5mm 2 。高压导线的截面积约为1.5mm 2 。各种低压导线标称截面积所允许的负载电流如表1-2所示。

表1-2 低压导线标称截面积所允许的负载电流

汽车12V电系主要电路导线截面积的推荐值如表1-3所示,国产汽车12V电系主要电路所用导线的截面积如表1-4所示。

表1-3 汽车12V电系主要电路导线截面积的推荐值

表1-4 国产汽车12V电系主要电路所用导线的截面积

(2)导线的颜色 为便于识别和检修汽车电器,通常将线束中的低压线采用不同的颜色,选配线时习惯采用两种导线,即单色导线和双色导线(图1-126)。

单色导线:绝缘表面为一种颜色的导线。

双色导线:绝缘表面为两种颜色(主色和辅助色)的导线。 双色导线中面积比例大的颜色是主色;面积比例小的颜色是辅助色。辅助色为环绕布置在导线上的条色带或螺旋色带,且标注时主色在前,辅助色在后。如图1-126所示的双色导线,“蓝色/白色”导线的主色为蓝色,放在前面;白色为辅助色,放在后面。

图1-126 单色导线和双色导线

各国汽车厂商在电路图上大多以英文字母来表示导线的颜色。国产汽车一般用单个字母表示一种颜色。日本车系常用单个字母表示,个别用双字母,其中后一位是小写字母。美国车系常用2~3个字母表示一种颜色,如果导线上有条纹,则要书写较多字母。德国(如大众、奥迪、奔驰、宝马)汽车通常用2个字母表示一种颜(图1-127),但颜色代号各不相同,在读图时要注意区别。各国车系的导线颜色代号如表1-5所示。

图1-127 大众新朗逸局部电路

表1-5 汽车用导线颜色代号

2.高压导线

高压导线用来传送高压,在汽车点火线圈或点火模块至火花塞之间的电路使用高压点火线,简称高压线。由于工作电压很高(一般都在10kV以上)、电流强度较小,因此高压线的绝缘包层很厚、线芯截面积很小,但耐压性能很好。高压线分为普通铜芯高压线及高压阻尼点火线。带阻尼的高压线可抑制和衰减点火系统产生的高频电磁波,降低对无线电设备及电控装置的干扰。图1-128所示为四缸发动机上的高压线。

图1-128 四缸发动机上的高压线

3.汽车线束

汽车线束是汽车电路的网络主体,连接汽车的电气电子部件并使之发挥功能,没有线束也就不存在汽车电路。目前,不管是高级豪华汽车还是经济型普通汽车,线束组成的形式基本上是一样的,都是由导线、插接器和包裹胶带(棉纱或薄聚氯乙烯塑料)组成,它既要确保传送电信号,也要保证连接电路的可靠性,向电气电子部件供应规定的电流,防止对周围电路的电磁干扰,并要排除电器短路。

同一种车型的线束在制造厂里按车型设计好后,用卡簧或绊钉固定在车上的既定位置,这样抽头就刚好在各电器的接线柱附近,安装时按线号装在电器对应的接线柱上。全车线束一般包括发动机线束、仪表线束、车身线束、照明线束、空调线束等,图1-129所示为汽车发动机线束和仪表线束。

图1-129 汽车发动机线束和仪表线束

十二、插接器

插接器(又称连接器、插接件)由插座和插头两部分组成分,用于线束与线束或导线与电气元件之间(如传感器、执行器、控制单元)的相互连接(图1-130),是连接汽车电气线路的重要元件。插接器有不同的规格型号、外形和颜色,为了防止插接器在汽车行驶中脱开,所有的插接器均采用了闭锁装置,如图1-131所示。

图1-130 线束与插接器

图1-131 插接器的闭锁装置

断开插接器时,首先要解除闭锁,使锁扣脱开,才能将其分开,不允许在未解除闭锁的情况下用力拉导线,这样会损坏闭锁装置或连接导线。

十三、蓄电池

1.蓄电池概述

蓄电池是汽车上的初始电源,是一种将化学能转换为电能的装置。在汽车上与发电机并联,向全车用电设备供电,它的作用如下。

①发动机不工作时,为照明或其他附属系统提供电源。

②发动机启动时,使起动机运转并为点火系统提供电流。

③发动机工作时,当车上电气负载超过充电系统供给能力时可能需从蓄电池获得电能。

④蓄电池还可以吸收汽车电气系统中不正常的瞬间电压,而作为电压稳定器或者大滤波器。如果没有蓄电池的保护,一些电气电子元件极有可能因为这些高电压而损坏。

蓄电池在汽车上的安装位置根据汽车制造厂车型结构设计而定,一般轿车装在发动机舱。汽车广泛应用的是铅酸蓄电池,常用的铅酸蓄电池主要有普通铅酸蓄电池、免维护蓄电池、干荷电蓄电池等。

2.蓄电池的结构

普通铅酸蓄电池由极板、隔板和电解液、外壳及联条等组成, 蓄电池的结构如图1-132所示。

图1-132 蓄电池结构示意图

汽车蓄电池(12V电池)由6个单格组合而成。每个单格由若干片正极板与若干片负极板(负极板比正极板多一片)间隔重叠而成,中间用超细玻璃纤维隔板隔离。数片正极板用铅合金焊接在一起组成正极群,同样数片负极板用铅合金焊接在一起组成负极群,正、负极群装于电池槽内组成单体蓄电池。单体电池之间用铅零件或连接条从单格之间的电池槽隔板顶端(或穿孔穿壁焊)以串联形式连在一起。电池槽盖用密封胶粘接。首尾单格制出引出端子,引出正、负极。

3.蓄电池的工作原理

蓄电池的工作过程就是化学能与电能相互转化的过程。 当蓄电池将化学能转化为电能时,蓄电池向外供电,称为放电过程;而当蓄电池与外部直流电源相连,将电能转化为化学能时,称为充电过程。蓄电池的工作过程如图1-133所示。

图1-133 蓄电池的工作过程

(1)放电过程 蓄电池与外电路接通后,在极板电位差的作用下,电流从蓄电池的正极流出,经过灯泡流向蓄电池的负极,使灯泡发光,这一过程称为放电。蓄电池的放电过程是化学能转变为电能的过程。

放电时,正极板上的二氧化铅(PbO 2 )和负极板上的海绵状纯铅(Pb)都与电解液中的硫酸(H 2 SO 4 )反应生成硫酸铅(PbSO 4 ),沉附在正、负极板上。电解液中H 2 SO 4 不断减少,密度下降。

(2)充电过程 如果把放电后的蓄电池接一直流电源,使蓄电池正极接直流电源的正极,蓄电池负极接直流电源的负极。当外加电源电压高于蓄电池电动势时,电流将以与放电电流相反的方向流过蓄电池,使蓄电池正、负极发生与放电相反的化学反应,这一过程称为充电。

在充电过程中,正极板活性物质由硫酸铅转变为二氧化铅,负极板上的活性物质由硫酸铅转变为纯铅,电解液中消耗了水,生成了硫酸,电解液密度逐渐上升。只要充电过程进行,上述电化学反应就不断进行。当极板上的物质全部转变完成后,蓄电池就充足了电。

提示

放电时,正极板上的PbO 2 和负极板上的Pb都变成PbSO 4 ,电解液中的H 2 SO 4 减少,密度减小。充电时按相反的方向变化,正、负极板上的PbSO 4 分别变成原来的PbO 2 和Pb,电解液中的H 2 SO 4 增加,密度增大。总的反应式如下: rnz/LXE10MSG+Oy3xJ9+jW1eZvfE6O1CeqaNtjmVOEwBbnRuKA9h0k3dic5HTKz/

点击中间区域
呼出菜单
上一章
目录
下一章
×