



目前养殖业常见的牛,有乳用、肉用、乳肉兼用。与猪鸡极大的不同之处在于,牛是反刍动物,具有四个胃,其中瘤胃具有不可忽视的作用。瘤胃中有丰富的、复杂的微生物体系,可以利用大量的粗饲料,这就使得牛具有了消化、利用粗饲料(包括秸秆)的能力。大家常说,养好牛实质上就是要养好瘤胃,就是这个道理。
牛进食的草料从口腔稍经咀嚼后,经食道进入瘤胃,在瘤胃内浸泡和软化、混合,经瘤胃微生物发酵。没有完全被消化的饲料经过反刍回到口腔内再次仔细咀嚼,重新吞咽到瘤胃、网胃中,继续进行微生物降解发酵。由食物经过发酵而产生的挥发性脂肪酸,如乳酸、乙酸、丙酸、丁酸等,被瘤胃、网胃壁吸收到血液中,剩下的食糜和微生物通过瓣胃和皱胃的消化作用,最后进入小肠,经过小肠消化后吸收入血液中,或者随粪便排出体外。现将消化器官的构造和消化过程分述如下。
(1)口、舌和牙齿 牛的唇不灵活,不利于采食草料,它的主要采食器官是舌。牛没有上切齿,只有臼齿(板牙)和下切齿(图1-1)。牛的舌比较长且坚固、灵活,舌面粗糙,适宜卷食草料。饲草是通过左右侧臼齿轮换与切齿切断,然后进入口腔的。
图1-1 牛口腔及牙齿
(2)唾液腺和食道唾液腺 牛的唾液腺有腮腺、颌下腺、舌下腺、咽腺、舌腺、颊腺、唇腺等,位于口腔,分泌唾液。
食道是从咽通至瘤胃的管道,成年牛长约1.1米,草料与唾液在口腔内混合后通过食道进入瘤胃,瘤胃内容物又定期地经食道反刍回到口腔,细嚼后再行咽下。
(3)复胃 牛有4个胃,即瘤胃、网胃(蜂巢胃)、瓣胃(腺胃)、皱胃(真胃),瘤胃、网胃和瓣胃合起来统称前胃。由于牛本身营养的需要,必须采食大量饲草饲料,因此,消化道相应的有较大的容量来完成加工和吸收营养物质的功能。牛消化道中以瘤胃的容量最大。
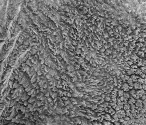
①瘤胃。由柱状肌肉带分成4个部分:1个背囊、1个腹囊和2个后囊。肌肉柱的作用在于迫使瘤胃中的草料做旋转方式的运动,使之与瘤胃液体充分混合。许多指状突起、乳头状小突起布满于瘤胃壁(见图1-2),这样就大大地增加了从瘤胃吸收营养物质的面积。
图1-2 瘤胃内壁
②网胃。位于隔顶层面,由网-瘤胃褶与瘤胃分开。瘤胃与网胃的内容物可自由混合,因而瘤胃与网胃往往合称为瘤网胃。网胃壁像蜂巢(见图1-3),故也叫做蜂巢胃。网胃的右端有一开口通入瓣胃,草料在瘤胃和网胃经过微生物作用后即进入瓣胃。两胃中在食道与瓣胃之间有一条沟,叫做食道沟。当幼犊哺乳时,由于反射作用,食道沟一侧向上伸展,形如沟渠,在瘤胃和网胃发育、具备消化功能以前,犊牛吃进的牛奶从食道沟直接流入瓣胃,经瓣胃管进入皱胃,即使瘤胃发育正常,牛奶也不在前胃停留,而由食管经食管沟和瓣胃管直接进入皱胃及小肠。牛奶如果在瘤胃停留,就会被瘤胃微生物进行乳酸发酵,既浪费热能,减低蛋白质质量,还会引起犊牛腹泻。
图1-3 网胃内壁
③瓣胃。内容物在瘤胃、网胃经过微生物发酵后,通过网胃和瓣胃之间的开口——网瓣孔而进入瓣胃。瓣胃黏膜形成100多片瓣叶,瓣胃内存有干细食糜,其作用是按压水分和磨碎食糜,也叫重瓣胃。
④皱胃。是牛的真胃。反刍动物只有皱胃分泌胃液,皱胃壁具有无数皱襞,这样就能增加其分泌面积。初生犊牛皱胃约占整个胃容积的80%或以上,其他几个胃自犊牛开始采食干饲料起便急剧增长;成年牛的皱胃占整个胃的容积还不到10%。
(4)小肠与大肠 食入的草料在瘤胃发酵形成食糜,通过其余三个胃进入小肠,经过盲肠、结肠然后到大肠,最后排出体外。整个消化过程大约需72小时。
①小肠。牛的小肠特别发达,一般长35~40米,包括了十二指肠、空肠、回肠。小肠是食物消化和吸收的主要场所。饲草料经过皱胃消化作用后,消化产物通过幽门进入小肠的前端——十二指肠。小肠是一条蜿蜒折叠的管子,肠壁有许多指状小突起和绒毛。绒毛的作用是协助小肠内容物与消化酶混合,大大增加了小肠的吸收面积。小肠内容物通过肠壁肌肉收缩和松弛形成蠕动而向前推进。
②盲肠。牛的盲肠较小,重要性也不太大,虽然微生物的消化与合成也在这里进行,但与瘤胃、网胃相比则是微不足道的。
③大肠。饲草料的消化残渣进入大肠,其中包括结肠和直肠。这是一段长10米左右的管道,末端就是肛门。
牛采食时依靠灵活的舌将草料卷入口腔,用舌和头的摆动来扯断长草,然后不经细嚼就匆匆咽下。
牛一天采食的时间约为6~8小时,而放牧时采食时间要比舍饲的长,肉牛和奶牛也不一致。牛的采食一般三分之二在白天,三分之一在夜间,最紧张的时间在黄昏和黎明,夜间9点至翌日4点没有采食动作(奶牛除外),说明牛只要白天喂饱就可以了。牛一般等到吃饱以后,再找个安静、舒适的地方卧好,慢慢反刍。由于这个原因,喂牛时就需让它一气吃饱,中间不间断。否则间断时间一长,即使没吃饱,牛只要一开始反刍就不再采食了。
牛喜食青绿饲料、精料和多汁饲料,其次是优质干草,适口性最差的是秸秆类粗饲料。牛采食不同饲草时,采食速度有很大差异。例如,采食较长的干草时,采食速度是70克/分钟,采食干牧草时为83克/分钟,采食青贮饲料的速度是248克/分钟,而采食青牧草时为282克/分钟。牛没有上门齿,不会啃吃过矮的牧草,所以当野草高度低于5厘米时,不宜放牧,否则牛不但难以吃饱,还会因“跑青”而过分消耗体力。
牛采食还有一种独特现象,体积大而蓬松的饲料,在瘤胃内停留时间长,采食量就小;而体积小的或经过铡碎、粉碎的饲料,在瘤胃内停留时间短,采食量就大。因此,粗硬的饲料必须加工调制,提高适口性,以增加采食量,使牛多获得一些营养物质。肉牛或杂种牛的增重与采食量有很大的关系,饲养时应设法多让其采食,从数量上满足其一部分营养需要。
牛有竞食性,即在自由采食时互相抢食,饲养中可利用这个特点来增加牛对劣质饲料的采食量。牛适于放牧饲养,没有条件的地方则可以割草饲喂。要注意的是,在豆科(例如苜蓿)草地放牧不能时间过久,否则会出现瘤胃膨胀。牛采食是用舌将草卷入口中,以齿钳住,甩头用力扯断,所以牛需采食长草。若多种家畜混牧,应让牛走在最前面,吃头排高草。铡草喂牛也不宜短于3厘米,这样才有利于反刍。
牛采食中需特别注意以下一些问题。
①注意清除饲料中的异物。牛采食时十分匆忙,对进嘴的食物并不仔细咀嚼,加上舌头上面长有很多倒刺状乳头,使进了嘴的东西难以吐出。如果饲草料中混入金属丝、金属块、钉子、碎玻璃等异物,就会进入胃内,造成创伤性胃炎和心包炎;把塑料袋、塑料薄膜等吃进胃里,会造成瘤胃堵塞、网瓣口梗阻等疾病,严重的会导致死亡。因此要特别注意清除饲草料中的异物,同时饲养员要精心维护,防止塑料膜等落入牛圈和运动场。
②饲喂时要少量、勤添。牛喜欢新鲜的饲草料。健康牛的鼻唇镜(鼻头)黏液分泌较多,采食时分泌量较大,饲草料上粘上这种黏液后牛就不爱吃了。因此,饲喂时要少添、勤添,减少饲草料的浪费。牛下槽后要及时清扫饲槽,把剩下的草料晾干后再喂。
③保证充足的饮水。饮水量影响采食速度和采食量,尤其在采食干草或秸秆时最为明显。在饲槽边设置足够的饮水槽,保证时时有清洁、足够的水供应,将促进牛的采食。
④饲草料颗粒大小适宜。牛不喜欢吃粉状的饲草料,而长草又会降低采食速度,因此可以把干草切短,把草粉、粉状饲料制成颗粒饲料,提高采食量。另外,牛喜欢吃新鲜、多汁的草料,秸秆类饲料的适口性较差,在饲喂时最好揉搓、切短,或通过氨化、碱化、微生物发酵等方式进行处理,提高适口性和纤维的消化率。
唾液在牛的消化代谢中有特殊作用,主要有湿润饲料、缓冲、杀菌和保护口腔以及抗泡沫等作用。腮腺一天可分泌含0.7%的碳酸氢钠唾液约50升,即分泌碳酸氢钠300~350克。高产奶牛分泌唾液可达250升,肉牛约300~500升。唾液可湿润草料使之便于咀嚼,形成食团,同时唾液中有大量的缓冲物质,可中和瘤胃发酵中产生的有机酸,维持瘤胃内的酸碱平衡。牛的唾液呈碱性,pH值约为8.2,与瘤胃内细菌作用产生的有机酸中和,使瘤胃的pH值维持在6.5~7.5之间,因此给细菌的繁殖和活动提供了适宜的条件。
瘤胃的pH值取决于唾液分泌量,唾液分泌量则取决于反刍时间,而反刍时间又决定于饲料组成。牛的唾液分泌受饲料的影响较大,喂干草时腮腺分泌量大;喂燕麦时,腮腺与颌下腺分泌量相似;饮水能大幅度降低唾液分泌。喂粗料反刍时间长,喂精料则反刍时间短。也就是说,牛喂高粗料日粮时反刍时间长,唾液分泌多,瘤胃内pH值高,属乙酸型发酵;喂高精料(淀粉)则反刍时间短,唾液分泌少,瘤胃pH值低,属丙酸型发酵,以至乳酸型发酵。
唾液还具有抗泡沫作用,对于减弱某些日粮的生泡沫倾向起着重要的作用,采食时增加唾液分泌量,有助于预防瘤胃膨胀。由上述可见,牛的唾液在瘤胃消化代谢中具有重要的特殊作用。
当牛吃完草料后卧地休息时,人们会看到牛嘴不停地咀嚼食团,然后又重新吞咽下去,每次约需1~2分钟。饲草料最初被牛咀嚼,只是仓促地使草料与唾液充分混合,形成食团,便于吞咽;当牛在采食后休息时,会再把瘤胃内容物反刍到口腔,进行充分地咀嚼。草料咀嚼越细,越可增加瘤胃微生物、皱胃及小肠中消化酶与食糜的接触面积。奶牛日粮中粗饲料占有很大的部分,咀嚼就显得很重要。反刍能使大量饲草变细、变软,较快地通过瘤胃到后面的消化道中去,这样使牛能采食更多的草料。1头奶牛采食由青贮、干草和谷物混合精料组成的全价日粮时,每天下颌运动约需4.2万次。反刍包括逆呕、再咀嚼、再混入唾液、再吞咽4个过程。奶牛一般采食后30~60分钟开始反刍,每次反刍持续时间40~50分钟,一昼夜反刍9~12次,反刍时间6~8小时,与采食时间大约呈1:1的比例。采食后应给予充分的休息时间和安静舒适的环境,以保证正常反刍。正常反刍是奶牛健康的标志之一,反刍停止或次数减少,时间缩短,表明奶牛已患病。
反刍时间受饲料品质和种类的影响,如果进食的饲料是幼嫩多汁的饲料,则反刍时间就短,反之,若牧草或作物秸秆粗老,则反刍的时间会加长。反刍也受环境的影响,假如奶牛正在反刍时,突然受到惊吓或骚扰,则反刍会立即停止,转为闲散活动或采食,并且需要30分钟左右的时间才能再次转入反刍活动。需要注意的是,奶牛如果经常遇到惊吓,影响反刍活动,会引起消化系统疾病。当牛患病、饮水量不足或饲料品质不良时,也会抑制反刍,甚至使反刍发生异常。
初生犊牛没有反刍行为学,一般要到2~3周龄左右才会出现一些反刍动作。随着瘤胃微生物的繁衍,采食饲料中饲草量的增长,瘤胃逐步发育起来,犊牛才会出现正常的反刍周期。反刍时间长短,取决于食入饲草的数量、质量以及磨碎这些饲草所需要的时间,另外还受牛个体、品种、年龄、环境刺激等多种因素的影响,其中主要因素如下。
①饲料粒度、粗饲料切割长度。饲料粒度影响牛的采食和反刍行为,瘤网胃的充盈程度及食物通过消化道的速度和时间,瘤胃微生物与食糜颗粒作用的表面积,瘤胃的发酵类型和发酵终产物的种类与比例,饲料的消化部位和营养物质的吸收形式,最终会影响饲料的利用率。因此,饲料粒度和粗饲料的适宜长度是人们所关注的热点问题。秸秆饲料的长度超过3厘米才能引起反刍反射刺激。把秸秆粉碎过细会引起反刍次数降低。当牛采食较粗糙的干草和青贮料时需较长的采食时间和反刍时间,有较多的唾液分泌。而采食小颗粒饲料时,所需要的采食和反刍时间相对较少,饲料在瘤胃中的停留时间也稍短,唾液的分泌量较少。例如,有研究发现,当奶牛日粮中长秸秆比例从4%、10%增加到20%时,奶牛每天的采食时间由83分钟提高到104分钟,反刍时间由125分钟/天提高到403分钟/天,咀嚼时间由210分钟/天增加到510分钟/天,每天反刍次数由15分钟/次提高到24分钟/次。对于8~10月龄的荷斯坦育成母牛,苜蓿干草长度切短到2厘米或4厘米,可以减少干草采食时间、反刍时间、咀嚼时间,提高小母牛每日采食次数和每次采食的干物质量。
②饮水量。饲草料进入瘤胃中,需要有液体将其悬浮以方便搅动。饮水不足会使牛的瘤胃中这种“悬浊液”状态不佳,食物难以顺利搅动,妨碍了反刍的发生。同时会使食物向后消化道移动的速度减缓,降低饲料的消化利用率。
③环境。安静的环境有利于反刍活动的正常出现和进行,嘈杂的环境、陌生人的惊吓、殴打等都会抑制牛的反刍。因此牛场要保持相对稳定、安静的环境,避免突然出现噪声、大量陌生人走动等现象。饲养员最好固定,对牛不要有打骂等粗暴的行为,与牛保持亲近、熟悉的关系。
奶牛一天的饮水量一般是日粮干物质进食量的4~5倍,是产奶量的3~4倍。如1头600千克体重、日产奶20千克的奶牛,日粮干物质进食量应是16千克,一天的饮水量是60~80千克。夏天饮水量更大,放牧牛比舍饲牛饮水量大1倍。奶牛采食后2小时内需要饮水,最好让其自由饮水,水温以10~25℃为宜,冬天宜饮温水,夏天宜饮凉水。
由于食物在消化道内发酵、分解,产生大量的二氧化碳、甲烷等气体,这些气体会随时排出体外,这就是嗳气。嗳气也是牛的正常消化生理活动,一旦失常,就会导致一系列消化功能障碍。