



|   | 4.6 CP1H基本指令的应用 | 
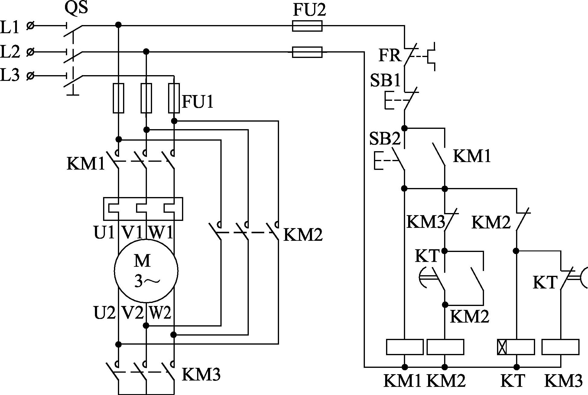
星-三角降压启动又称为Y-△降压启动,简称星三角降压启动。KM1为定子绕组接触器;KM2为三角形连接接触器;KM3为星形连接接触器;KT为降压启动时间继电器。启动时,定子绕组先接成星形,待电动机转速上升到接近额定转速时,将定子绕组接成三角形,电动机进入全电压运行状态。传统继电器-接触器的星形-三角形降压启动控制线路如图4-6所示。现要求使用CP1H实现三相交流异步电动机的星-三角降压启动控制。
 
    
     图4-6 传统继电器-接触器星形-三角形
      
    
    一般继电器的启停控制函数为Y=(QA+Y)·
     ,该表达式是PLC程序设计的基础,表达式左边的Y表示控制对象;表达式右边的QA表示启动条件,Y表示控制对象自保持(自锁)条件,TA表示停止条件。
    ,该表达式是PLC程序设计的基础,表达式左边的Y表示控制对象;表达式右边的QA表示启动条件,Y表示控制对象自保持(自锁)条件,TA表示停止条件。
   
在PLC程序设计中,只要找到控制对象的启动、自锁和停止条件,就可以设计出相应的控制程序。即PLC程序设计的基础是细致地分析出各个控制对象的启动、自保持和停止条件,然后写出控制函数表达式,根据控制函数表达式设计出相应的梯形图程序。
由图4-6可知,控制KM1启动的按钮为SB2;控制KM1停止的按钮或开关为SB1、FR;自锁控制触点为KM1。因此对于KM1来说:
QA=SB2
TA=SB1+ FR
    根据继电器启停控制函数,Y=(QA+Y)·
     ,可以写出KM1的控制函数:
    ,可以写出KM1的控制函数:
   
    KM1=(QA+KM1)·
     =(SB2+KM1)·
    =(SB2+KM1)·
     =(SB2+KM1)·
    =(SB2+KM1)·
     ·
    ·
     
   
控制KM2启动的按钮或开关为SB2、KT、KM1;控制KM2停止的按钮或开关为SB1、FR、KM3;自锁控制触点为KM2。因此对于KM2来说:
QA=SB2+KT+KM1
TA=SB1+ FR+KM3
    根据继电器启停控制函数,Y=(QA+Y)·
     ,可以写出KM2的控制函数:
    ,可以写出KM2的控制函数:
   
    KM2=(QA+KM2)·
     =[(SB2+KM1)·(KT+KM2)]·
    =[(SB2+KM1)·(KT+KM2)]·
     
   
    =[(SB2+KM1)·(KT+KM2)]·
     ·
    ·
     ·
    ·
     
   
控制KM3启动的按钮或开关为SB2、KM1;控制KM3停止的按钮或开关为SB1、FR、KM2、KT;自锁触点无。因此对于KM3来说:
QA=SB2+KM1
TA=SB1+FR+KM2+KT
    根据继电器启停控制函数,Y=(QA+Y)·
     ,可以写出KM3的控制函数:
    ,可以写出KM3的控制函数:
   
    KM3=QA·
     =(SB2+KM1)·
    =(SB2+KM1)·
     
   
    =(SB2+KM1)·
     ·
    ·
     ·
    ·
     ·
    ·
     
   
控制KT启动的按钮或开关为SB2、KM1;控制KT停止的按钮或开关为SB1、FR、KM2;自锁触点无。因此对于KT来说:
QA=SB2+KM1
TA=SB1+FR+KM2
    根据继电器启停控制函数,Y=(QA+Y)·
     ,可以写出KT的控制函数:
    ,可以写出KT的控制函数:
   
    KT=QA·
     =(SB2+KM1)·
    =(SB2+KM1)·
     =(SB2+KM1)·
    =(SB2+KM1)·
     ·
    ·
     ·
    ·
     
   
为了节约I/O端子,可以将FR热继电器触头接入到输出电路,以节约1个输入端子。KT可使用PLC的定时器T0000替代。
根据控制要求及控制分析可知,需要2个输入点和3个输出点,输入/输出分配表如表4-56所示,其I/O接线如图4-7所示。
表4-56 PLC控制三相交流异步电动机星-三角降压启动的输入/输出分配表
 
    
    
     图4-7 三相交流异步电动机星-三角启动
      
    
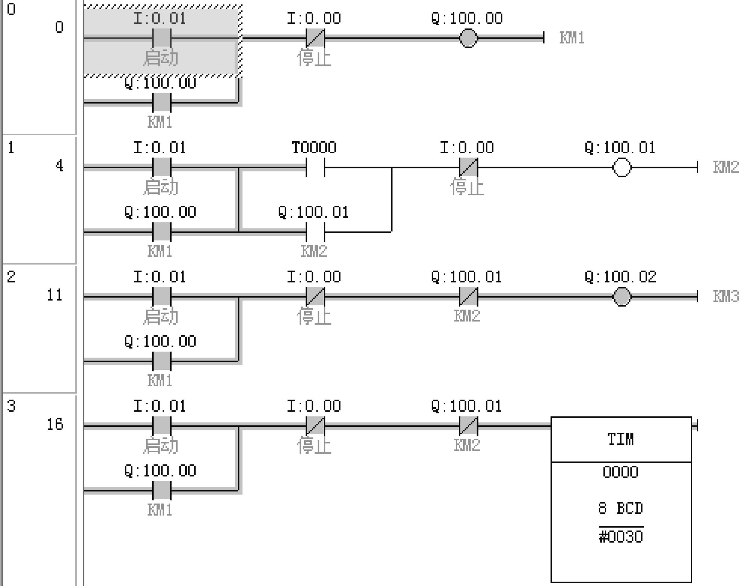
根据三相交流异步电动机星-三角启动的控制分析和PLC资源配置,设计出PLC控制三相交流异步电动机星-三角启动的梯形图(LAD)及指令语句表(STL),如表4-57所示。
表4-57 PLC控制三相交流异步电动机星-三角启动的梯形图及指令语句表
 
    
    图4-8 PLC控制三相交流异步电动机星-三角启动的仿真效果
①用户启动CX-Programmer,创建一个新的工程,按照表4-57输入LAD(梯形图)或STL(指令表)中的程序,并对其进行保存。
②在CX-Programmer中,执行菜单命令“模拟”→“在线模拟”,进入CX-Simulator在线仿真(即在线模拟)状态。
③刚进入在线仿真状态时,线圈100.00、100.01和100.02均未得电。按下启动按钮SB2,0.01触点闭合,100.0线圈输出,控制KM1线圈得电,100.0的常开触点闭合,形成自锁,启动T0000延时,同时KM3线圈得电,表示电动机星形启动,其仿真效果如图4-8所示。当T0000延时达到设定值3s时,KM2线圈得电,KM3线圈失电,表示电动机启动结束,进行三角形全压运行阶段。只要按下停车按钮SB1,0.00常闭触点打开,都将切断电动机的电源,从而实现停车。
某系统有4个按钮SB1~SB4,要求这4个按钮中任意2个按钮闭合时,信号灯LED点亮,否则LED熄灭。
4个按钮,可以组合成2 4 =16组状态。因此,根据要求,可以列出真值表如表4-58所示。
表4-58 信号灯显示输出真值表
 
   根据真值表写出逻辑表达式:
    LED=(
     ·
    ·
     ·SB2·SB1)+(
    ·SB2·SB1)+(
     ·SB3·
    ·SB3·
     ·SB1)+
    ·SB1)+
     ·SB3·SB2·
    ·SB3·SB2·
     )+
    )+
   
    (SB4·
     ·
    ·
     ·SB1)+(SB4·
    ·SB1)+(SB4·
     ·SB2·
    ·SB2·
     )+(SB4·SB3·
    )+(SB4·SB3·
     ·
    ·
     )
    )
   
根据控制要求及控制分析可知,需要4个输入点和1个输出点,输入/输出分配表如表4-59所示,其I/O接线如图4-9所示。
表4-59 用4个按钮控制1个信号灯的输入/输出分配表
 
    
    图4-9 用4个按钮控制1个信号灯的I/O接线
根据用4个按钮控制1个信号灯的控制分析和PLC资源配置,设计出用4个按钮控制1个信号灯的PLC梯形图(LAD)及指令语句表(STL),如表4-60所示。
表4-60 用4个按钮控制1个信号灯的PLC梯形图及指令语句表
 
   ①用户启动CX-Programmer,创建一个新的工程,按照表4-60输入LAD(梯形图)或STL(指令表)中的程序,并对其进行保存。
②在CX-Programmer中,执行菜单命令“模拟”→“在线模拟”,进入CX-Simulator在线仿真(即在线模拟)状态。
③刚进入在线仿真状态时,100.00线圈处于失电状态。当某两个按钮状态为1时,100.00线圈得电,其仿真效果如图4-10所示。若一个或多于两个按钮的状态为1时,100.00线圈处于失电状态。
 
    图4-10 用四个按钮控制1个信号灯的仿真效果
每组有1个常开按钮,分别为SB1、SB2、SB3、SB4、SB5、SB6,且各有一盏指示灯,分别为LED1、LED2、LED3、LED4、LED5、LED6,共用一个蜂鸣器LB。其中先按下者,对应的指示灯亮、铃响并持续5s后自动停止,同时锁住抢答器,此时,其他组的操作信号不起作用。当主持人按复位按钮SB7后,系统复位(灯熄灭)。
假设SB1、SB2、SB3、SB4、SB5、SB6、SB7分别与0.01、0.02、0.03、0.04、0.05、0.06、0.07相连;LED1、LED2、LED3、LED4、LED5、LED6分别与100.01、100.02、100.03、100.04、100.05、100.06相连。考虑到抢答许可,因此还需要添加一个抢答许可按钮SB0,该按钮与0.00相连。LB与100.00相连。要实现控制要求,在编程时,各小组抢答状态用6条SET指令保存,同时考虑到抢答器是否已经被最先按下的组所锁定,抢答器的锁定状态用200.00保存;抢先组状态锁存后,其他组的操作无效,可以用KEEP指令实现,同时铃响5s后自停,可用定时器实现。
根据控制要求及控制分析可知,需要8个输入点和7个输出点,输入/输出分配表如表4-61所示,其I/O接线如图4-11所示。
表4-61 简易6组抢答器的输入/输出分配表
 
    
    图4-11 简易6组抢答器的I/O接线
根据简易6组抢答器的控制分析和PLC资源配置,设计出PLC控制简易6组抢答器的梯形图(LAD)及指令语句表(STL),如表4-62所示。
表4-62 PLC控制简易6组抢答器的梯形图及指令语句表
 
    
    
   ①用户启动CX-Programmer,创建一个新的工程,按照表4-62输入LAD(梯形图)或STL(指令表)中的程序,并对其进行保存。
②在CX-Programmer中,执行菜单命令“模拟”→“在线模拟”,进入CX-Simulator在线仿真(即在线模拟)状态。
③刚进入在线仿真状态时,各线圈均处于失电状态,表示没有进行抢答。当0.00为1时,表示允许抢答。此时,如果SB1~SB6中某个按钮最先按下,表示该按钮抢答成功,此时其他按钮抢答无效,相应的线圈得电,其仿真效果如图4-12所示。同时,定时器延时。主持人按下复位按钮时,线圈失电。
 
    图4-12 简易6组抢答器的仿真效果