



在构件的展开图上,所有图线(如轮廓线、棱线、辅助线等)都是构件表面上对应线段的实长线。然而,并非构件上所有线段在图样中都反映实长,因此,必须能够正确判断线段的投影是否为实长,并掌握求线段实长的一些方法。
线段的投影是否反映实长,要根据线段的投影特性来判断。空间各种线段的投影特性如下。
①垂直线 正投影中,垂直于一个投影面,而平行于另两个投影面的线段称为垂直线。垂直线在它所垂直的投影面上的投影为一个点,具有积聚性;而在与其平行的另两个投影面上的投影反映实长。图3-1所示为三种垂直线的投影情况。
图3-1 垂直线的投影
②平行线 正投影中,平行于一个投影面,而倾斜于另两个投影面的线段,称为平行线。平行线在其所平行的投影面上的投影反映实长;而在另两个投影面上的投影为缩短了的直线段。图3-2所示为三种平行线的投影情况。
图3-2 平行线的投影
③一般位置直线 正投影中,与三个投影面均倾斜的线段称为一般位置直线。一般位置直线在三个投影面上的投影均不反映实长,如图3-3所示。
图3-3 一般位置直线的投影
④曲线 曲线可分为平面曲线和空间曲线。
a.平面曲线。平面曲线的投影是否反映实长,由该曲线所在平面的位置来决定。位于平行面上的曲线,在与它平行的投影面上的投影反映实长,而另两个投影面上的投影则为平行于投影轴的直线,如图3-4(a)所示;位于垂直面上的曲线,在其所垂直的投影面上的投影积聚成直线,而在另外两投影面上的投影仍为曲线,但不反映实长,如图3-4(b)所示。曲线若位于一般位置平面上,则其三面投影均不反映实长。
图3-4 曲线的投影
b.空间曲线。空间曲线又称翘曲线,这种曲线上各点不在同一平面上,它的各面投影均不反映实长。图3-4(c)所示为一空间曲线的投影。
由于空间一般位置直线的三面投影均不反映实长。可采用下述方法求一般位置直线段的实长。
①直角三角形法 图3-5(a)所示为一般位置线段 AB 的直观图。现在分析线段和它的投影之间的关系,以寻找求线段实长的图解方法。过点 B 作 H 面垂线,过点 A 作 H 面平行线且与垂线交于点 C ,成直角三角形 ABC ,其斜边 AB 是空间线段的实长。两直角边的长度可在投影图上量得:一直角边 AC 的长度等于线段的水平投影 ab ;另一直角边 BC 是线段两端点 A 、 B 距水平投影面的距离之差,其长度等于正面投影图中的 b ′ c ′。
图3-5 直角三角形法求实长
由上述分析得直角三角形法求实长的投影作图方法,如图3-5(b)、(c)所示。根据实际需要,直角三角形法求实长也可以在投影图外作图,如图3-5(d)所示。
直角三角形法求实长的作图要领如下:
a.作一个直角;
b.令直角的一边等于线段在某一投影面上的投影长,直角的另一边等于线段两端点相对于该投影面的距离差(此距离差可由线段的另一面投影图量取);
c.连接直角两边端点成一直角三角形,则其斜边即为线段的实长。
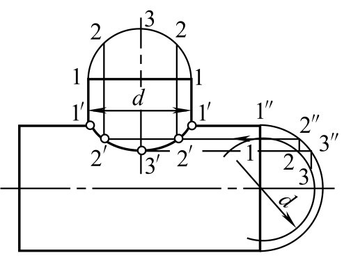
图3-6所示为工厂常见的天圆地方过渡接头的立体图和主、俯视图。俯视图中4个全等的等腰三角形表示其平面部分,各等腰线为圆方过渡线(平面与曲面的分界线)。这些线均为一般位置直线,在视图中不反映实长。为展开需要,还需在曲面部分作出一些辅助线,如 B —2、 B —3(2、3点为1/4圆角的等分点),这些辅助线也是一般位置直线,投影不反映实长。
图3-6 直角三角形法求实长举例
实长线求法:上述各线的实长,实际放样时多直接在主视图中作出。为使图面清晰,将求实长作图移至主视图右侧。即以各线段正面投影高度差(距离差) CD 为一直角边,以各线的水平投影长 f 1、 f 2为另一直角边,画出两直角三角形,则三角形的斜边即为所求线段的实长。
②旋转法 旋转法求实长,是将空间一般位置直线绕一垂直于投影面的固定旋转轴旋转成投影面平行线,则该直线在与之平行的投影面上的投影反映实长。如图3-7(a)所示,以 AO 为轴,将一般位置直线 AB 旋转至与正面平行的 AB 1 位置。此时,线段 AB 已由一般位置变为正平线位置,其新的正面投影 a ′ b 1 ′,即为 AB 的实长。图3-7(b)所示为上述旋转法求实长的投影作图。图3-7(c)所示为将 AB 线旋转成水平位置以求其实长的作图过程。
图3-7 旋转法求实长
旋转法求实长的作图要领:
a.过线段一端点设一与投影面垂直的旋转轴;
b.在与旋转轴所垂直的投影面上,将线段的投影绕该轴(投影为一个点)旋转至与投影轴平行;
c.作线段旋转后与之平行的投影面上的投影,则该投影反映线段实长。
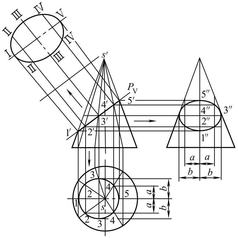
图3-8所示为一个斜圆锥,为作出斜圆锥表面的展开图,须先求出其圆周各等分点与锥顶连线(素线)的实长。由图3-8可知,这些素线除主视图两边轮廓线( O ′—1′、 O ′—5′)外,均不反映实长。
图3-8 旋转法求实长举例
实长线求法:以 O 点为圆心, O 至2、3、4各点的距离为半径画同心圆弧,得到与水平中心线 O —5的各交点。由各交点引上垂线交1′—5′于2′、3′、4′点,连接2′、3′、4′与 O ′,则 O ′—2′、 O ′—3′、 O ′—4′即为所求3条素线的实长。
③换面法 当线段与某一投影面平行时,它在该投影面上的投影反映实长。换面法求实长就是根据线段投影的这一规律,当空间线段与投影面不平行时,设法用一新的与空间线段平行的投影面,替换原来的投影面,则线段在新投影面上的投影就能反映实长,如图3-9所示。
图3-9 换面法求实长
换面法求实长的作图要领:
a.新设的投影轴应与线段的一投影平行;
b.新引出的投影连线要与新设的投影轴垂直;
c.新投影面上点的投影至投影轴的距离,应与新投影面所替代的原投影面上点的投影至投影轴的距离相等。
在实际放样时,当构件上求实长的线段较多时,直接应用换面法求实长,会使样图上图线过多,显得零乱。这时,往往将求实长作图从投影图中移出,如图3-10所示。换面法的移出作图形式,也常称为直角梯形法。
图3-10 换面法移出作图
图3-11所示为一个顶口与底口垂直的圆方过渡接头,它表面各线的实长就是利用换面法移出作图求出的。
图3-11 换面法求实长应用举例
通常是将曲线划分为若干段,当分段足够多时,即可把每一段都近似视为直线,然后再用上述求线段实长的方法,逐段求出其实长。图3-12所示为一个斜截圆柱,求它的斜口曲线实长就采用了换面移出作图法,按分段顺序求出每段实长,再连成光滑曲线。
图3-12 求柱体斜口曲线实长
当曲线为平面曲线,又垂直于投影面时,更可直接应用换面法求出其实长,而不必分段,如图3-13所示。
图3-13 换面法求平面曲线实长
平面与立体表面相交,可以看作是立体表面被平面截割。图3-14所示为一个平面与三棱锥相交,截割立体的平面 P 称为截平面,截平面与立体表面的交线ⅠⅡ、ⅡⅢ、ⅢⅠ称为截交线。展开技术中研究平面与立体表面相交的目的是求截交线,因为能否准确求出平面与不同立体表面相交而形成的截交线,将直接影响构件形状及构件展开图的正确性。
图3-14 平面与立体表面相交
其截交线是由直线组成的封闭多边形。多边形顶点的数目,取决于立体与平面相交的棱线的数目。求平面立体截交线的方法有以下两种。
①求各棱线与平面的交点——棱线法。
②求各棱面与平面的交线——棱面法。
两种方法的实质是一样的,都是求立体表面与平面的共有点和共有线。作图时,两种方法有时也可相互结合应用。
在图3-15所示中, P 为正垂面,正面投影 P V 有积聚性,用棱线法可直接求出 P 平面与 SA 、 SB 、 SC 这3条棱线的交点Ⅰ、Ⅱ、Ⅲ的正面投影1′、2′、3′,然后再求出各点的水平投影1、2、3。其中,点Ⅱ所在 SB 线为侧平线,不能直接求出Ⅱ点的水平投影2点。为求2点,可通过2′点作水平辅助线交 s ′ c ′于2″点,再由2″点引下垂线与 sc 线相交,并由此交点引 bc 平行线交 sb 于2点,即为Ⅱ点的水平投影。连接1—2—3—1得△123,就是截交线的水平投影。
图3-15 平面与正三棱锥相交的截交线
如图3-16所示中,截平面 P 为正垂面,利用 P V 的积聚性可以看出, P 平面与四棱柱的顶面、底面及 B 、 D 棱相交。四棱柱的顶面为水平面,它与 P 平面相交,其正面投影1′(2′)积聚为一点;水平投影1—2为可见直线。同理,四棱柱的底面也是水平面,它与 P 平面的交线也是正垂线,正面投影5′(4)积聚为一点,水平投影5—4也可直接按投影规律求出。 P 平面与 B 、 D 两棱线的交点Ⅵ、Ⅲ的正面投影6′、3′和水平投影6、3可直接找出。将求出的交点顺次连接,即得所求截交线。
图3-16 平面与四棱柱相交的截交线
截交线为平面曲线,曲线上的每一点都是平面与曲面立体表面的共有点。所以,若要求截交线,就必须找出一系列共有点,然后用光滑曲线把这些点的同名投影连接起来,即得所求截交线的投影。
求曲面立体截交线,常用以下两种方法。
①素线法:在曲面立体表面取若干条素线,求出每条素线与截平面的交点,然后依次相连成截交线。
②辅助平面法:利用特殊位置的辅助平面(如水平面)截切曲面立体,使得到的交线为简单易画的规则曲线(如圆),然后再画出这些规则曲线与所给截平面的交点,即为截平面与曲面立体表面的共有点,即可作出截交线。
下面将展开放样中最常见的曲面立体——圆柱和圆锥的截交线情况,分别介绍如下。
①圆柱 平面与圆柱相交,根据平面与圆柱轴线的相对位置不同,其截交线可有如图3-17所示的三种情况。
图3-17 圆柱的截交线
a.圆截平面与圆柱轴线垂直,如图3-17(a)所示。
b.平行两直线,截平面与圆柱轴线平行,如图3-17(b)所示。
c.椭圆截平面与圆柱轴线倾斜,如图3-17(c)所示。
在图3-18所示中,由于截平面与圆柱轴线倾斜,所以截交线是椭圆。截交线的正面投影积聚于 P V ,水平投影积聚于圆周。侧面投影在一般情况下为一个椭圆,需通过素线求点的方法作图。
图3-18 正垂面与圆柱的截交线
先求特殊点。截交线的最左点和最右点(也是最低点和最高点)的正面投影1′、5′是圆柱左、右轮廓线与 P V 的交点。其侧面投影1″、5″位于圆柱轴线上,可按正投影“高平齐”的规律求得。截交线的最前点和最后点(两点正面重影)的正面投影3′位于轴线与 P V 的交点,其侧面投影3″、3″点在左视图的轮廓线上。然后,再用素线法求出一般点Ⅱ、Ⅳ的正面投影2′、4′和侧面投影2″、4″。通过各点连成椭圆曲线,即为所求截交线的侧面投影。
然后用换面法可求得截交线的断面实形。
②圆锥 平面与圆锥相交,根据平面与圆锥的相对位置不同,其截交线分为五种情况。
a.圆。截平面与圆锥轴线垂直,如图3-19(a)所示。
图3-19 圆锥面的截交线
b.椭圆。截平面与圆锥轴线倾斜,并截圆锥所有素线,如图3-19(b)所示。
c.抛物线。截平面与圆锥母线平行而与圆锥轴线相交,如图3-19(c)所示。
d.双曲线。截平面与圆锥轴线平行,如图3-19(d)所示。
e.相交两直线。截平面通过锥顶,如图3-19(e)所示。
如图3-20所示,因为截平面 P 与圆锥轴线倾斜,并与所有素线相交,故知截交线为椭圆。截交线的正面投影积聚于 P V ,而水平投影和侧面投影可用素线法或辅助平面法求出。本例选用素线法,具体作图如下。
图3-20 正垂面与圆锥的截交线
先求特殊点。 P 平面与圆锥母线的正面投影交点为1′、5′,其水平投影在俯视图水平中心线上,按“长对正”的投影规律可直接求出1、5两点。1′—5′线的中点3′是截交线的最前点和最后点(两点正面投影重合),可过3′点引圆锥表面素线,并作出该素线的水平投影,则3′点的水平投影必在该素线的水平投影上,可按“长对正”规律作出。用同样的方法,求出一般点2′、4′对应的水平投影2、4。通过各点连成椭圆曲线,即得截交线的水平投影。
截交线的侧面投影,可根据其正面投影和水平投影,按正投影规则求出。
截断面实形为椭圆,可用换面法求得。
在展开放样中,经常会遇到各种形体相交而成的构件。图3-21所示的三通管,即由两个不同直径的圆管相交而成。形体相交后,要在形体表面形成相贯线(也称表面交线)。在作相交形体的展开时,准确地求出其相贯线至关重要。因为相贯线一经确定,复杂的相交形体就可根据相贯线划分为若干基本形体的截体,可将它们分别展开。
图3-21 异径正交三通管
由于组成相交形体的各基本形体的几何形状和相对位置不同,相贯线的形状也就各异。但任何相交形体的相贯线,都具有以下性质。
①相贯线是相交两形体表面的共有线,也是相交两形体表面的分界线。
②由于形体都有一定的范围,所以相贯线都是封闭的。
根据相贯线的性质可知,求相贯线的实质就是在相交两形体表面找出一定数量的共有点,将这些共有点依次连接起来,如图3-22所示,即得到所求相贯线。求相贯线的方法主要有辅助平面法、辅助球面法和素线法。
图3-22 形体表面共有点构成相贯线
以一个假想辅助平面截切相交两形体,然后作出两形体的截交线,两截交线的交点即为两形体表面共有点。当以若干辅助平面截切相交两形体时,就可求出足够多的表面共有点,从而求出相交两形体的相贯线。
①采用辅助平面法求圆管正交圆锥管的相贯线方法 圆管正交圆锥管,相贯线为空间曲线。相贯线的侧面投影积聚成圆为已知,另外两面投影可用辅助平面法求得。具体作法如图3-23所示。
图3-23 圆管与圆锥管正交相贯线的求法
a.相贯线的最高点和最低点的正面投影为圆管轮廓线和圆锥管母线的交点1′、5′,作正面投影时可直接画出。这两点的水平投影可由1′、5′点按正投影规则求出为1、5。
b.相贯线的最前点和最后点的正面投影,在圆管轴线位置的素线上,其水平投影在圆管前后两轮廓线上。为准确求出这两点的投影,可假想用 Q 平面沿圆管轴线位置水平截切相贯体,如图3-23(b)所示。并在水平投影图上作出相贯体的截交线,求得两形体截交线的交点3、3,即为相贯线的最前点和最后点。这两点的正面投影3′点可由3点按投影规则在辅助平面 Q 的正面迹线位置上求得。
c.一般位置点的投影,可按上述方法设置辅助平面 P 、 R 截切相贯体来求得,它们在投影图中为2′、4′和2、4。
d.各相贯点的正面投影和水平投影都求出后,便可用光滑曲线将其连接,以构成完整相贯线的投影。
②圆柱和球偏心相交的相贯线作法 圆柱面与球面偏心相交,相贯线为空间曲线。由于圆柱面轴线为铅垂线,因此相贯线的水平投影积聚成圆为已知。相贯线的正面投影,须用辅助平面法求得,具体作图过程如图3-24所示。
图3-24 圆柱与球相贯
其作图原理与辅助平面法基本相同,只是用以截切相贯体的不是平面而是球面。为了更清楚地说明其原理,先来分析回转体与球相交的一个特殊情况。图3-25所示为当回转体轴线通过球心与球相交时,其交线为平面曲线——圆,特别是当回转体轴线又平行于某一投影面时,则交线在该投影面的投影为一条直线。回转体与球相交的这一特殊性质,为人们提供了用辅助球面作图的方法。
图3-25 回转体与球相交的特殊情况
当两相交回转体轴线相交,且平行于某一投影面时,可以两轴线交点为球心,在相贯区域内用一个辅助球面(在投影图中为一半径为 R 的圆)截切两回转体,然后求出各回转体的截交线(这截交线在投影图中表现为直线),两截交线的交点 A 、 B 就是相交两回转体的表面共有点,即相贯点。当以必要多的辅助球面截切相贯体时,就可求出足够多的相贯点。将各相贯点连成光滑曲线,就是所求相贯线。这便是用辅助球面法求相贯线的作图原理,如图3-26所示。
图3-26 辅助球面法作图原理
圆柱与圆锥斜交如图3-27所示,相贯线为空间曲线。相贯线的最高点和最低点的正面投影1、4为圆柱轮廓线与圆锥母线的交点,作投影图时可直接画出。由于相交两形体均为回转体,而且轴线相交并平行于正面投影面,相贯线上其它各点的正面投影可用辅助球面法求得。
图3-27 圆柱斜交圆锥的相贯线求法
具体作法:以两回转体轴线交点 O 为圆心(球心),适宜长 R 1 、 R 2 为半径画两同心圆弧(球面),与两回转体轮廓线分别相交,在各回转体内分别连接各弧的弦长,对应交点为2、3。通过各点连成1-2-3-4曲线,即为所求相贯线。
应用辅助球面法求相贯线,作图时应对最大的和最小的球面半径有个估计。一般来说,由球心至两曲面轮廓线交点中最远一点的距离,就是最大球的半径,因为再大就找不到共有点了。从球心向两曲面轮廓线作垂线,两垂线中较长的一个就是最小球的半径,因为再小的话辅助球面与某一曲面就不能相交了。
研究形体相交问题时,若两相交形体中有一个为柱(管)体,则因其表面可以获得有积聚性的投影,而表面相贯线又必积聚其中,故这类相交形体的相贯线,定有一面投影为已知。在这种情况下,可以由相贯线已知的投影,通过用素线在形体表面定点的方法,求出相贯线的未知投影。这种求相贯线的方法,称为素线法。
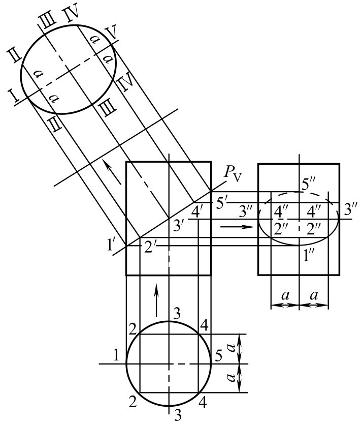
异径正交三通管的相贯线求法。图3-28所示为两异径圆管正交,相贯线为空间曲线。由投影图可知,支管轴线为铅垂线,主管轴线为侧垂线,所以支管的水平投影和主管的侧面投影都积聚成圆。根据相贯线的性质可知,相贯线的水平投影必积聚在支管水平投影上;相贯线的侧面投影必积聚在主管的侧面投影上,并只在相交部分的圆弧内。
图3-28 异径正交三通管的相贯线求法
具体作法:先作出相贯件的三面投影,并8等分支管的水平投影,得等分点1、2、3、…;过各等分点引支管的表面素线,得正面投影1′、1′、侧面投影1″、2″、3″、…;由各点已知投影利用素线确定2′、3′、2′点,连1′—2′—3′—2′—1′点,得到相贯线的正面投影。
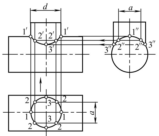
工厂实际放样时,求这类构件的相贯线,均不画出俯视图和左视图,而是在主视图中画出支管1/2断面,并作若干等分取代俯视图;同时在主管轴线任意端画出两管1/2同心断面;再将其中支管断面分为与前相同等分,并将各等分点沿铅垂方向投影至主管断面圆周上,得相贯点的侧面投影;再用素线法求出相贯线的正面投影,如图3-29所示。
图3-29 三通管相贯线的简便求法
应用素线法求相贯线,应至少已知相贯线的一面投影。为此,须满足“两相交形体中有一个为柱体”的条件。但若相交形体中的柱体并不与已给的投影面垂直,投影则无积聚性。这时须先经投影变换,以求得柱体积聚性的投影(当然相贯线的一面投影也包含其中),然后再利用素线法求相贯线的未知投影。图3-30所示为圆柱斜交圆锥的相贯线,即用此法求得。
图3-30 换面法与素线法结合求相贯线
回转体相交相贯线一般为空间曲线。如图3-31所示,当两相交回转体外切于同一球面时,其相贯线便为平面曲线,此时,若两回转体的轴线平行于某一投影面,则相贯线在该面上的投影为两相交直线。
图3-31 回转体相交的特殊情况
在放样过程中,有些构件要制作空间角度的检验样板,而这空间角度的实际大小需通过求取构件的局部断面实形来获得。还有些构件往往要先求出其断面实形,才能确定展开长度。因此,准确求出构件的断面实形是放样技术的重要内容。
放样中求构件断面实形,主要是利用变换投影面法。下面举例介绍断面实形的求法及其应用。
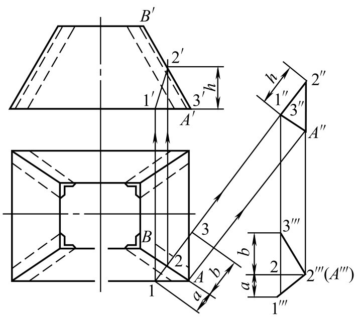
图3-32所示为一个矩形锥筒,为加强其内角强度,在4个内角焊有角钢。为求角钢实际应张开的角度,需求出与锥筒两侧面垂直的断面实形。这便是工程中常见的两面角问题。
图3-32 矩形锥筒加强角钢角度的求法
由立体几何知识可知,欲求实形的断面应与锥筒两侧面交线垂直,即这交线应为所求平面(相当于一新投影面)的垂直线。本例所给的锥筒两侧面的交线为一般位置直线,而变一般位置直线为投影面垂直线,须经两次变换投影面才能实现。即第一次变换使一般位置直线变成投影面平行线,第二次变换再使投影面平行线变为投影面垂直线。具体作法如下。
由俯视图 AB 线上任意点2引 AB 线的垂线与底面两边相交于1、3点;由1、2、3点引投影连线得其正面投影1′、2′、3′。2′点至底边的高度为 h 。
第一次换面:在适当位置设置新投影轴与 AB 平行,并求出各点在新投影面上的投影1″、2″、3″、 A ″,连出各线。这时锥筒两侧面交线2″— A ″为投影面平行线。
第二次换面:设新投影轴垂直于2″— A ″,并求出各点的新投影1‴、2‴( A ‴)、3‴。这时,2‴— A ‴线投影为一个点,锥筒两侧面(部分)分别为2‴—3‴和2‴—1‴线,其夹角就是锥筒内侧角钢应张开的角度。
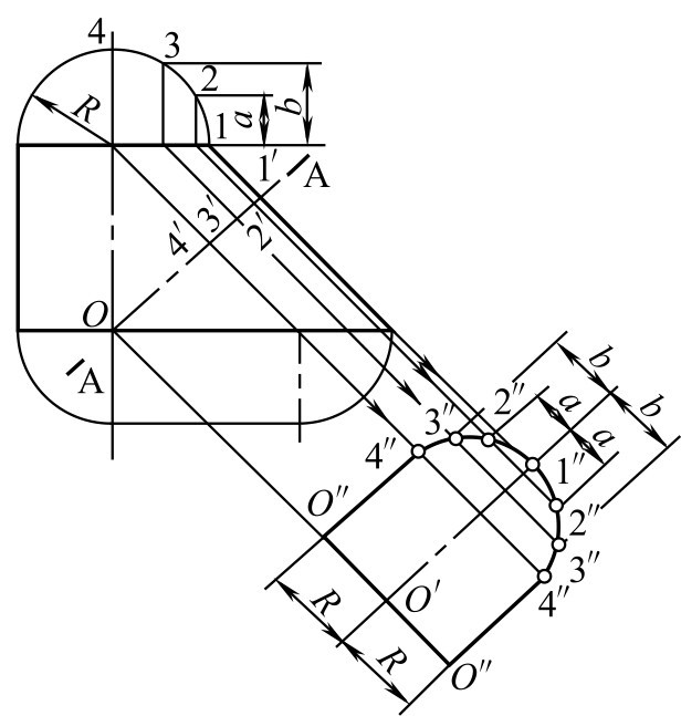
图3-33所示的过渡连接管由曲面和平面组成,其中左面是半径为 R 的1/2圆管,中间为三角形平面,右面为1/2椭圆管。作这类连接管的展开时,一般需用换面法求出椭圆管与素线垂直的断面实形,用以确定展开长度。具体作法如下:
图3-33 过渡连接管断面实形的求法
用已知尺寸画出主视图和顶、底1/2端面图。由 O 点画剖切迹线A—A垂直于右轮廓线并交于1′点。3等分顶圆断面1/4圆周,得等分点1、2、3、4。由等分点引下垂线得与顶口线交点,再由各交点引椭圆管表面素线交剖面迹线于2′、3′、4′点。
设新投影轴与剖面迹线A—A平行,并求出剖面迹线上各点在新投影面上的投影1″、2″、3″、4″。用光滑曲线连接各点,即得椭圆管部分的断面实形。
金属结构上经常有成各种空间角度的弯管,这类空间弯管弯曲时,需要检验弯曲角度的样板,应在放样时作出。图3-34所示为一空间弯管,其右侧管成水平位置,投影 bc 反映实长;左侧管为一般位置,在视图中不反映实长。求这一弯管的空间夹角,可用二次换面法:即在第一次换面时,将弯管所在平面变成投影面的垂直面;第二次换面时,将该平面变成投影面的平行面,则弯管夹角的大小可求出。
图3-34 空间弯管夹角求法
将金属板壳构件的表面全部或局部按其实际形状和大小依次铺平在同一平面上,称为构件表面展开。如图3-35所示,简称展开。构件表面展开后构成的平面图形称为展开图。
图3-35 展开图
作展开图的方法通常有作图法和计算法两种,目前工厂多采用作图法展开。但是随着计算技术的发展和计算机的广泛应用,计算法作展开在工厂的应用也日益增多。
研究金属板壳构件的展开,先要熟悉立体表面的成形过程,分析立体表面形状特征,从而确定立体表面能否展开及采用什么方式展开。
任何立体表面都可看作是由线(直线或曲线)按一定的要求运动而形成。这种运动着的线,被称为母线。控制母线运动的线或面,被称为导线或导面。母线在立体表面上的任一位置叫做素线。因此,也可以说立体表面是由无数条素线构成的。从这个意义上讲,表面展开就是将立体表面素线按一定的规律铺展到平面上。所以,研究立体表面的展开,必须了解立体表面素线的分布规律。
①直纹表面 以直线为母线而形成的表面,称为直纹表面,如柱面、锥面等。
a.柱面。直母线 AB 沿导线 BMN 运动,且保持相互平行,这样形成的面称为柱面,如图3-36(a)所示。当柱面的导线为折线时,称为棱柱面,如图3-36(b)所示。当柱面的导线为圆且与母线垂直时,称为正圆柱面。
图3-36 柱面
柱面有以下性质:ⅰ.所有素线相互平行;ⅱ.用相互平行的平面截切柱面时,其断面图形相同。
b.锥面。直母线 AS 沿导线 AMN 运动,且母线始终通过定点 S ,这样形成的面称为锥面,定点 S 称为锥顶,如图3-37(a)所示。
图3-37 锥面
当锥面的导线为折线时,称为棱锥面,如图3-37(b)所示。
当锥面导线为圆且垂直于中轴线时,称为正圆锥面,如图3-37(c)所示。
锥面有以下特征:ⅰ.所有素线相交于一点;ⅱ.用相互平行的平面截切锥面时,其断面图形相似;ⅲ.过锥顶的截交线为直线。
c.切线面。直母线沿导线 CMN 运动,且始终与导线相切,这样形成的面称为切线面,其导线称为脊线,如图3-38(a)所示。
图3-38 切线面
切线面的一个重要特征是同一素线上各点有相同的切平面。切线面上相邻的两条素线一般既不平行也不相交,但当导线上两点的距离趋近于零时,相邻的两条切线便趋向同一个平面,也就是切平面。
柱面和锥面也符合上述特征,因此它们是切线面的一种特殊形式(即脊线化为一点的切线面)。
需要说明的是,像图3-38(a)那样明显的带有脊线的切线面并不常见,在工程上常用的是它的转化形式。图3-38(b)所示的曲面 MAA 1 M 1 ,是以圆柱螺旋线 NMQ 为导线的切线面的一部分。
②曲纹面 以曲线为母线,并作曲线运动而形成的面称为曲纹面,如圆球面、椭球面和圆环面等。曲纹面通常具有双重曲度。
就可展性而言,立体表面可分为可展表面和不可展表面。立体表面的可展性分析是展开放样中的一个重要问题。
①可展表面 立体的表面若能全部平整地摊平在一个平面上,而不发生撕裂或褶折,称为可展表面。可展表面相邻两素线应能构成一个平面。柱面和锥面相邻两素线平行或是相交,总可构成平面,故是可展表面。切线面在相邻两条素线无限接近的情况下,也可构成一微小的平面,因此亦可视为可展。此外,还可以这样认为:凡是在连续的滚动中以直素线与平行面相切的立体表面,都是可展的。
②不可展表面 如果立体表面不能自然平整地摊平在一个平面上,称为不可展表面。圆球等曲纹面上不存在直素线,故不可展。螺旋面等扭曲面虽然由直素线构成,但相邻两素线是异面直线,因而也是不可展表面。
展开的基本方法有平行线法、放射线法和三角形法3种。这3种方法的共同特点是:先按立体表面的性质,用直素线把待展表面分割成许多小平面,用这些小平面去逼近立体表面;然后求出这些小平面的实形,并依次画在平面上,从而构成立体表面的展开图。这一过程可以形象地比喻为“化整为零”和“积零为整”两个阶段。
①平行线展开法 主要用于表面素线相互平行的立体。首先将立体表面用其相互平行的素线分割为若干平面,展开时就以这些相互平行的素线为骨架,依次作出每个平面的实形,以构成展开图。
斜切圆管的展开方法如下。
a.画出斜切圆管的主视图和俯视图。
b.8等分俯视图圆周,等分点为1、2、3、…。由各等分点向主视图引素线,得与上口交点为1′、2′、3′、…,则相邻两素线组成一个小梯形,每个小梯形近似一个小平面。
延长主视图的下口线作为展开的基准线,将圆管正截面(即俯视图)的圆周展开在延长线上,得1、2、3、…、1各点。过基准线上各分点引上垂线(即为圆管素线),与主视图1′—5′各点向右所引水平线相交,对应交点连接成光滑曲线,即为展开图,如图3-39所示。
图3-39 斜切圆管的展开
②放射线展开法 适用于表面素线相交于一点的锥体。展开时,将锥体表面用呈放射状的素线分割成共顶的若干小三角形平面,求出其实际大小后,以这些放射状素线为骨架,依次将它们画在同一平面上,即得所求锥体表面的展开图。
正圆锥的展开方法:
正圆锥的特点是表面所有素线长度相等,圆锥母线为它们的实长线,展开图为一个扇形。
展开时,先画出圆锥的主视图和锥底断面图,并将锥底断面半圆周分为若干等分。过等分点向圆锥底口引垂线即得交点,由底口线上各交点向锥顶 S 连素线,即将圆锥面划分为12个三角形小平面,如图3-40(a)所示。再以 S 为圆心、 S —7长为半径画圆弧11等于底断面圆周长,连接1、1与 S ,即得所求展开图,如图3-40(b)所示。若将展开图圆弧上各分点与 S 连接,便是圆锥表面素线在展开图上的位置。
图3-40 正圆锥的展开
③三角形展开法 三角形展开法是以立体表面素线(棱线)为主,并画出必要的辅助线,将立体表面分割成一定数量的三角形平面,然后求出每个三角形的实形,并依次画在平面上,从而得到整个立体表面的展开图。
三角形展开法适用于各类形体,只是精确程度有所不同。
正四棱锥筒的展开方法:
a.画出四棱锥筒的主视图和俯视图;
b.在俯视图中依次连出各面的对角线1—6、2—7、3—8、4—5,并求出它们在主视图的对应位置,则锥筒侧面被划分为8个三角形;
c.由主、俯两视图可知,锥筒的上口、下口各线在视图中反映实长,而4个棱线及对角线不反映实长,可用直角三角形法求其实长(见实长图);
d.利用各线实长,以视图上已划定的排列顺序,依次作出各三角形的实形,即为四棱锥筒的展开图,如图3-41所示。
图3-41 正四棱锥筒的展开